-
2205双相不锈钢防腐截止阀申弘
详细信息| 询价留言2205双相不锈钢防腐截止阀 双相不锈钢防腐截止阀 不锈钢防腐截止阀 双相不锈钢截止阀
2205双相不锈钢防腐截止阀 产品说明
2205双相不锈钢截止阀不锈钢截止阀是截止阀的一种,对阀体材质要求比较高一般有301.304.316等几个材质选择广泛应用于化工,船舶,医药,食品机械等行业.不锈钢截止阀分为手动不锈钢截止阀,气动不锈钢截止阀,电动不锈钢截止阀.这种形式的截止阀是常规截止阀的变型。在该阀门中,阀瓣和阀座通常是基于柱塞原理设计的。阀瓣磨光成柱塞与阀杆相连接,密封是由套在柱塞上的两个弹性密封圈实现的。两个弹性密封圈用一个套环隔开,并通过由阀盖 螺母 施加在阀盖上的载荷把柱塞周围的密封圈压牢。弹性密封圈能够更换,可以采用各种各样的材料制成,该阀门主要用于“开”或者“关”,但是备有特制形式的柱塞或特殊的套环,也可以用于调节流量。

2205双相不锈钢防腐截止阀 持点:
(1)结构比闸阀简单,制造与维修都较方便。
(2)密封面不易磨损及擦伤,密封性好,启闭时阀瓣与阀体密封面之间无相对滑动,因而磨损与擦伤均不严重,密封性能好,使用寿命长。
(3)启闭时,阀瓣行程小,因而截止阀高度比闸阀小,但结构长度比闸阀长。
(4)启闭力矩大、启闭较费力,启闭时间校长。
(5)流体阻力大,因阀体内介质通道较曲折,流体阻力大,动力消耗大。
(6)介质流动方向 公称压力PN≤16MPa时,一般采用顺流,介质从阀瓣下方向上流;公称压力PN≥20MPa时,一般采用逆流,介质从阀瓣上方向下流.以增加密封件能。使用时,截止阀介质只能单方向流动,不能改变流动方向。
(7)全开时阀瓣经常受冲蚀。2205双相不锈钢截止阀截止阀结构特点
栓接阀盖,明杆支架和升降式阀杆金属密封面。
阀体和阀盖连接形式
Class150~Class900采用栓接阀盖;Class1500~Class2500采用自压密封式阀盖。
阀盖垫片形式
Class150~Class300截止阀采用不锈钢石墨缠绕垫片;Class600截止阀可用不锈钢石墨缠绕垫片也可采用金属环垫片;Class900截止阀可采用金属环垫片,Class1500~Class2500截止阀采用自压密封金属环。
2205双相不锈钢防腐截止阀操作形式
一般情况下采用手轮、冲击手轮或者齿轮传动方式,可根据用户需要采用链轮传动或者电装驱动。
2205双相不锈钢防腐截止阀填料密封
通常采用成型柔性饰面作为填料材料,可根据用户需求提供PTFE或者复合填料材料。填料与填料函接触的表面粗糙度为3.2μm,可以保证阀杆与填料接触面接合紧密但是旋转自如,经过精密的机械加工的阀杆密封面粗糙度0.8μm可以保证阀杆可靠的密封。
弹簧加载填料冲击系统
如果客户需求,可采用弹簧加载填料冲击系统提供填料密封的持久性和可靠性。
2205双相不锈钢防腐截止阀上密封座设计
我公司提供的所有截止阀都有倒密封设计。通常情况下,碳钢截止阀的阀座设计采用分离式倒密封结构,不锈钢截止阀的倒密封时直接加工或者是焊后加工。当阀门在全开位置时,倒密封的密封面非常可靠。虽然按照标准API600中有倒密封,但这不作为在带压情况下更换填料的依据。
阀座
碳钢截止阀阀座通常采用锻钢材料,阀座密封面可根据客户要求喷焊硬质合金,NPS≤10''的截止阀采用分离式螺纹旋入式阀座,如果用户需要焊阀座结构也可提供;NPS≥12截止阀采用焊阀座结构;不锈钢截止阀的阀座一般采用整体式或者在本体上焊硬质合金后直接加工阀座。如果用户有需求,不锈钢截止阀阀座也可采用分离式螺纹旋入式和焊接阀座结构。

2205双相不锈钢防腐截止阀阀杆设计
采用整体锻造工艺制成,按照标准要求确定*小直径。
2205双相不锈钢防腐截止阀阀杆螺母
通常情况下,阀杆螺母材料采用ASTM A439D2。可根据用户要求采用铜合金等材料,对于大口径的截止阀(NPS≥10''Class150;NPS≥8''Class300;NPS≥6''Class600;NPS≥5''Class900),阀杆螺母和阀杆支架设计有滚动轴承,可以有效减小截止阀的开启力矩使阀门可以轻松开关。
特殊截止阀2205双相不锈钢防腐截止阀一般属性
2205双相不锈钢是由22%铬,3%钼及5-6%镍氮构成的双相不锈钢。它具有高强度、良好的冲击韧性以及良好的整体和局部的抗应力腐蚀能力。与316L和317L奥氏体不锈钢相比,2205双相不锈钢在抗点腐蚀及隙腐蚀方面的性能更优越,它具有很高的抗腐蚀能力,与奥氏体相比,它的热膨胀系数更低,导热性更高。2205的屈服强度是奥氏体不锈钢的两倍,这一特性使设计者在设计产品时减轻重量,让这种合金比316,317L更具有价格优势。
这种合金特别适用于-50°F/+600°F 温度范围内。超出这一温度范围的应用,也可考虑这种合金,但是有一些限制,尤其是应用于焊接结构的时候。2205双相不锈钢防腐截止阀 抗腐蚀能力
均匀腐蚀
由于铬含量(22%),钼(3%)及氮含量(0.18%),2205的抗腐蚀特性在大多数环境下优于316L和317L。2205双相不锈钢防腐截止阀不锈钢截止阀 产品特点
(1)结构比闸阀简单,制造与维修都较方便。
(2)密封面不易磨损及擦伤,密封性好,启闭时阀瓣与阀体密封面之间无相对滑动,因而磨损与擦伤均不严重,密封性能好,使用寿命长。
(3)启闭时,阀瓣行程小,因而截止阀高度比闸阀小,但结构长度比闸阀长。
(4)启闭力矩大、启闭较费力,启闭时间校长。
(5)流体阻力大,因阀体内介质通道较曲折,流体阻力大,动力消耗大。
(6)介质流动方向 公称压力PN≤16MPa时,一般采用顺流,介质从阀瓣下方向上流;公称压力PN≥20MPa时,一般采用逆流,介质从阀瓣上方向下流.以增加密封件能。使用时,截止阀介质只能单方向流动,不能改变流动方向。
(7)全开时阀瓣经常受冲蚀。
2205双相不锈钢防腐截止阀设计与制造标准
1、设计制造按GB12235-89
2、结构长度按GB12221-89
3、法兰尺寸按JB/G79-94
4、阀门检查和试验按GB13927
标准规范:
设计制造标准:GB/T 12235-2007
结构长度标准:GB/T 12221-2005
连接法兰标准:GB/T 9113
压力温度等级:GB/T 12224-2005
试验检验标准:GB/T 13927-2008

2205双相不锈钢防腐截止阀 性能规范
公称压力
PN(MPa)试验压力(MPa) 适用温度(℃) 适用
介质强度试验 密封试验 WCB Wr5Mo 1Cr18Ni12Mo2Ti 1C18Ni9Ti 1.6 2.4 1.8 ≤425 ≤550 ≤200 ≤200 水、油品、蒸气、酸性介质 2.5 3.8 2.8 4.0 6.0 4.4 6.4 9.6 7.1 10.0 15 11 / 16.0 24 17.6 零件材料与工况:
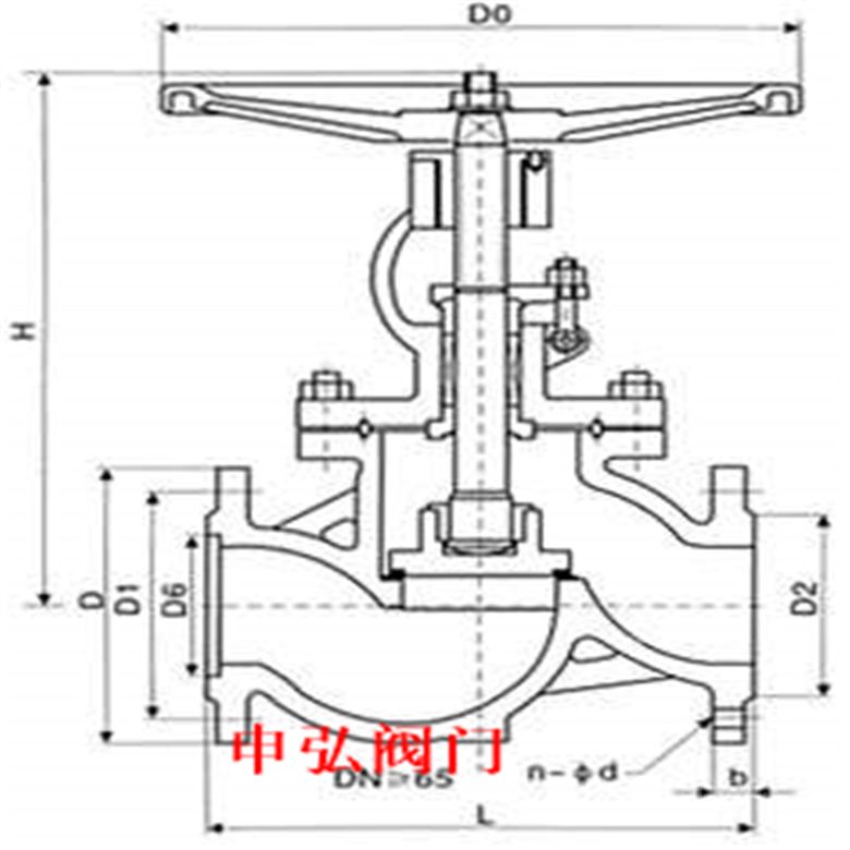
阀 体 WCB ZG1Cr18Ni12Mo2Ti ZGCr5Mo ZG1Cr18Ni9Ti 阀 盖 WCB ZG1Cr18Ni12Mo2Ti ZGCr5Mo ZG1Cr18Ni9Ti 支 架 WCB ZG1Cr18Ni12Mo2Ti ZGCr5Mo ZG1Cr18Ni9Ti 阀 瓣 2Cr13 316 Cr5Mo 304 阀 杆 2Cr13 316 25Cr2MoV 304 阀 座 25 316 304 304 密封环 304、增强柔性石墨 填 料 增强柔性石墨 阀杆螺母 ZCuA110Fe3 主要尺寸及重量:
公称压力
PN(MPa)公称通径
DN(mm)主要外形尺寸及连接尺寸(mm) 重量
(kg)L D D1 D2 D6 b-f f2 z-φd H Do 1.6 10 130 90 60 40 / 14-2 / 4-14 198 120 4.7 15 130 95 65 45 / 16-2 / 4-14 218 120 5.2 20 150 105 75 55 / 16-2 / 4-14 258 140 7.1 25 160 115 85 65 / 16-2 / 4-14 275 160 7.4 32 180 135 100 78 / 18-2 / 4-18 280 180 8.5 40 200 145 110 85 / 18-3 / 4-18 330 200 12.5 50 230 160 125 100 / 18-3 / 4-18 350 240 14 65 290 180 145 120 / 18-3 / 4-18 400 280 22.58 80 340 195 160 135 / 20-3 / 8-18 355 280 29 100 350 215 180 155 / 22-3 / 8-18 415 320 32.5 125 400 245 210 185 / 24-3 / 8-18 460 360 80 150 480 280 240 210 / 24-3 / 8-23 510 400 93.5 200 600 335 295 265 / 26-3 / 12-23 710 400 180 250 650 405 355 320 / 30-3 / 12-25 786 450 440 300 750 460 410 375 / 30-4 / 12-25 925 500 648 2.5 10 130 90 60 40 / 16-2 / 4-14 198 120 4.9 15 130 95 65 45 / 16-2 / 4-14 218 120 5.4 20 150 105 75 55 / 16-2 / 4-14 258 140 7 25 160 115 85 65 / 16-2 / 4-14 275 160 7.4 32 180 135 100 78 / 18-2 / 4-18 280 180 8.5 40 200 145 110 85 / 18-3 / 4-18 330 200 12.5 50 230 160 125 100 / 20-3 / 4-18 350 240 16 65 290 180 145 125 / 22-3 / 8-18 400 280 25 80 310 195 160 145 / 22-3 / 8-18 355 280 30 100 350 230 190 160 / 24-3 / 8-23 415 320 34.5 125 400 270 220 188 / 28-3 / 8-25 460 360 89 150 480 300 250 218 / 30-3 / 8-25 510 400 98 200 600 360 310 278 / 34-3 / 12-25 710 400 180 250 650 425 370 332 / 36-3 / 12-30 786 450 446 300 750 485 430 390 / 40-4 / 12-30 925 500 654 4.0 10 130 90 60 40 34 16-2 4 4-14 198 120 4.9 15 130 95 65 45 40 16-2 4 4-14 233 120 5.7 20 150 105 75 55 51 16-2 4 4-14 275 140 7 25 160 115 85 65 58 16-2 4 4-14 285 160 8.8 32 180 135 100 78 66 18-2 4 4-18 302 180 11.8 40 200 145 110 85 76 18-3 4 4-18 355 200 16.5 50 230 160 125 100 88 20-3 4 4-18 373 240 24 65 290 180 145 125 110 22-3 4 8-18 408 280 33 80 310 195 160 145 121 22-32 4 8-18 436 320 44 100 350 230 190 160 150 24-3 4.5 8-23 480 360 60 125 400 270 220 188 176 28-3 4.5 8-25 558 400 89 150 480 300 250 218 204 30-3 4.5 8-25 611 400 98 200 600 375 320 282 260 38-3 4.5 12-30 720 400 190 型号
公称压力
试验压力
工作温度(℃)
适用介质
强度(水)(Mpa)
密封(水)空气(Mpa)
低压密封空气(Mpa)
J41W-16P(R)
1.6
2.4
1.8
0.6
≤200
NITRIC ACID
J41W-25P(R)
2.5
3.8
2.8
0.6
≤200
硝酸类
ACETIC ACID
醋酸类
NITRIV ACID
硝酸类
J41W-40P(R)
4
6
4.4
0.6
≤200
ACETIC ACID
J41W-64P(R)
6.4
9.6
7
0.6
≤200
醋酸类
一、①产品名称与型号②口径③是否带附件以便我们的为您正确选型④的使用压力⑤的使用介质的温度。
二、若已经由设计单位选定公司的型号,请按型号直接向我司销售部订购。三、当使用的场合非常重要或环境比较复杂时,请您尽量提供设计图纸和详细参数,由我们的阀门公司专家为您审核把关。如有疑问:请:我们一定会尽心尽力为您提供优质的服务。提供全面“阀门系统解决方案",也十分愿意帮助用户解决生产中所遇到的难题。
-
联系方式
- 联系人:申弘阀门
- 电 话:021-59260058
- 手 机:15901754341
- 传 真:86-021-31662735
- 邮 箱:494522509@qq.com
- 邮 编:201718
- 地 址:上海市青浦区金泽工业园区
- 网 址: https://bengye.cn.goepe.com/
http://www.021-fm.com
-
产品搜索







