-
H74H圆盘型超薄止回阀申弘
详细信息| 询价留言H74H圆盘型超薄止回阀产品说明
本实用新型涉及阀门技术领域,特别是一种对夹式止回阀。是一种超薄形止回阀,采用短型结构尺寸和单阀瓣设计,相比传统的旋启式止回阀,该系列阀门具有无外泄露、可任意位置安装、密封性能好、线性震动小、压降小和零座圈磨损优势。止回阀属于一种自动阀门,其主要作用是防止介质倒流、防止泵及驱动电动机反转,以及容器介质的泄放。对夹双瓣止回阀用于纯净管路及工业、环保、水处理、高层建筑给排水管路,阻止介质逆向流动之用。该止回阀采用对夹式,蝶板为两个半圆,且采用弹簧强制复位,密封面可为本体堆焊耐磨材料或衬橡胶,使用范围广,密封可靠。止回阀属于自动阀类,主要用于介质单向流动的管道上,只允许介质向一个方向流动,以防止发生事故。通常这种阀门是自动工作的,在一个方向流动的流体压力作用下,阀瓣打开;流体反方向流动时,由流体压力和阀瓣的自重合阀瓣作用于阀座,从而切断流动。

止回阀是一种能够防止管道中的介质倒流的自动阀门,目前较为常用的止回阀有旋启式止回阀、升降式止回阀和对夹式止回阀。现有技术中的对夹式止回阀的阀瓣仅通过尾部成型的孔套在阀杆上,在阀瓣开启与关闭时,既需靠阀杆导向,又需靠阀杆来支承,由于长时间受到介质流动产生的压力冲击,或者受水锤现象的影响,导致止回阀密封性或灵敏性下降,当工作介质中含有硬杂质时容易使密封面受损,缩短止回阀的使用寿命。

H74H圆盘型超薄止回阀实用新型内容
为了克服现有技术中存在的上述不足之处,本实用新型的目的在于提供一种实现单向控制的可靠性高和灵敏性高的对夹式止回阀。为了达到上述之目的,本实用新型采用如下具体技术方案:一种对夹式止回阀,包括阀体、阀座、阀瓣、弹簧,所述阀体上端设有弹簧座,阀体下端与阀座螺纹连接,所述阀座与阀瓣设置密封面配合,所述弹簧设置于阀瓣与弹簧座之间,所述阀体与弹簧座一体成型,所述阀瓣与弹簧座动配合,所述阀座设有滤网层。
是一种圆盘型超薄止回阀,阀瓣处附有O型密封圈,密封性能好,且有弹簧辅助关闭,动作灵敏,特别对安装空间限制的场所*为适用。 具有结构简单,外形美观、重量轻、安装方便等优点。主要适用于给水系统、石油、化工、冶金等工业部门对有安装空间限制的场所*为适用。所述弹簧座为三臂结构,其上设有中心通孔,在中心通孔下端设有圆柱形凸台。所述阀瓣下表面为弧形曲面。所述滤网层为耐腐蚀金属滤网。

H74H圆盘型超薄止回阀产品特点:
1、结构长度很短、体积小、重量轻,为阀门的安装、搬运、存放用管道的布置带来很大的便利,并能大量节约材料、降低造价。
2、阀门为整体结构,简单紧凑、阀门关闭时冲击力小,水锤压力小,阀门寿命长,可靠性高。
3、可水平安装或垂直安装,重量轻,不必为阀门设置支座。
产品标准与规范:
1、设计与制造:API594,API6D,JB/T8937
2、结构长度:API594,API6D,JB/T8937
3、压力-温度等级:ASME B16.34,GB/T9124
4、试验与检验:API598,JB/T9092
5、配管法兰:JB/T74-90,ASME B16.5,API605,ASME B16.47

H74H圆盘型超薄止回阀主要技术参数
型号
公称通径试验压力 适用温度 适用介质 壳体 密封 硬密封 软密封 H74H(X)-10 1.0 1.5 1.1 ≤400℃
≤120℃zui高
≤250℃油、水、酸碘等液体 H74H(X)-16 1.6 2.4 1.76 H74H(X)-25 2.5 3.75 2.75 H74H(X)-40 4.0 6.0 4.4 零件名称 阀体、阀瓣 密封圈 材料 碳钢、不锈钢、铜 橡胶、三元丙橡胶、聚四氟乙烯、不锈钢 H74H圆盘型超薄止回阀性能参数
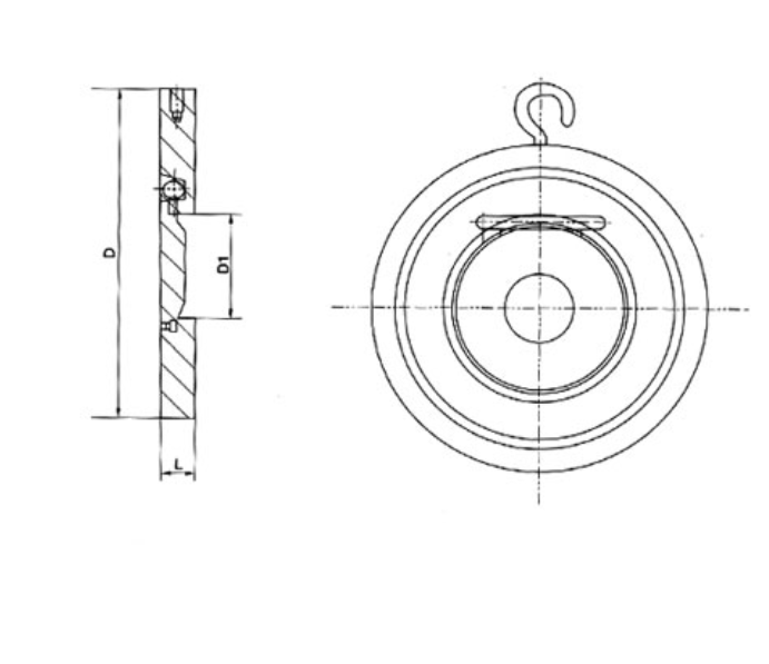
型号 工作压力(MPa) 适用温度(℃) 适用介质 阀体材料 H74X-10C/16C/25C 1.0~2.5 -29~80 水、油品 碳钢/不锈钢 H74H-10C/16C/25C/40C 1.0~4.0 -29~425 水、蒸汽、油品 碳钢/不锈钢 H74W-10P/16P/25P/40P 1.0~2.5 ≤150 硝酸类 不锈钢 H74Y-40P 4.0 ≤150 硝酸类 不锈钢 H74H圆盘型超薄止回阀外形结构图
H74H圆盘型超薄止回阀主要外形尺寸
通径
DN(mm)L D1 D PN1.0、1.6MPa PN2.5、4.0MPa 1.0MPa 1.6MPa 2.5MPa 4.0MPa 50 19 19 25 109 109 109 109 65 19 19 38 129 29 129 129 80 19 19 46 144 144 144 144 100 19 19 71.5 164 164 170 170 125 19 19 95 194 194 196 196 150 19 29 114 220 220 226 226 200 29 29 140 275 275 286 293 250 29 38 188 330 331 343 355 300 38 51 216 380 386 403 420 350 44 51 263 440 446 460 477 400 51 51 305 491 495 517 549 450 60 76 356 541 558 567 574 500 64 83 406 596 620 622 626 600 70 90 482 698 732 734 745 700 80 90 562 813 804 831 - 800 90 100 464 918 912 942 - 900 90 100 738 1018 1012 1040 - 1000 100 120 846 1124 1126 1155 - 与现有的技术相比,本实用新型具有以下突出优点和效果:由于设有以上结构,该对夹式止回阀实现单向控制的可靠性高和灵敏性高,而且能过滤介质中的硬杂质,从而降低密封面的磨损,延长止回阀的使用寿命。是能自动阻止流体倒流的阀门。止回阀的阀瓣在流体压力作用下开启,流体从进口侧流向出口侧。当进口侧压力低于出口侧时,阀瓣在流体压差、本身重力等因素作用下自动关闭以防止流体倒流。

H74H圆盘型超薄止回阀安装注意事项:
(1)在管线中不要使止回阀承受重量,大型的止回阀应独立支撑,使之不受管系产生的压力的影响。
(2)安装时注意介质流动的方向应与阀体所票箭头方向一致。
(3)升降式垂直瓣止回阀应安装在垂直管道上。
(4)升降式水平瓣止回阀应安装在水平管道上。

订货须知:
一、①产品名称与型号②口径③是否带附件以便我们的为您正确选型④的使用压力⑤的使用介质的温度。
二、若已经由设计单位选定公司的型号,请按型号直接向我司销售部订购。
三、当使用的场合非常重要或环境比较复杂时,请您尽量提供设计图纸和详细参数,由我们的阀门公司专家为您审核把关。如有疑问:请:我们一定会尽心尽力为您提供优质的服务。提供全面、*的“阀门系统解决方案",也十分愿意帮助用户解决生产中所遇到的难题。 -
联系方式
- 联系人:申弘阀门
- 电 话:021-59260058
- 手 机:15901754341
- 传 真:86-021-31662735
- 邮 箱:494522509@qq.com
- 邮 编:201718
- 地 址:上海市青浦区金泽工业园区
- 网 址: https://bengye.cn.goepe.com/
http://www.021-fm.com
-
产品搜索








