-
申弘(SH)气动燃气球阀Q641N
详细信息| 询价留言Q641N气动燃气球阀产品介绍:
球阀的主要特点是本身结构紧凑,易于操作和维修,适用于水、溶剂、酸和天然气等一般工作介质,而且还适用于工作条件恶劣的介质,如氧气、过氧化氢、甲烷和乙烯等。球阀阀体可以是整体的,也可以是组合式的。
可专门用于天然气、煤气、液化气等燃气及非腐蚀性气体管道控制和流量控制。适用在天然气,人工煤制气、液化气的长输管线、城市燃气输配管网,采用浮动球二片式典型结构,全通径设计,不锈钢球体,具有结构简单、安装方便、启闭操作省力、便于维修维护、性能安全、可靠、抗腐蚀性能高等特点。

【工作原理】:
Q641F燃气专用球阀具有弹簧静电导出装置,即在球体与阀杆、阀杆与阀体之间设置导电弹簧,使球体与阀杆及阀杆与阀体之间形成静电通道,达到清除静电的目的。避免静电打火点燃易燃介质,确保系统安全。当万一发生火灾而使聚四乙烯等软密封圈烧损时,球阀仍然能够可靠操作并具有良好的密封性能,以防止火灾的扩大。不锈钢气动球阀的工作原理是靠旋转阀恋来使阀门畅通或闭塞。气动球阀开关轻便,体积小,可以做成很大口径,密封可靠,结构 简单,维修方便,密封面与球面常在闭合状态,不易被介质冲蚀,在各行业得到的应用。

气动法兰球阀在管路中主要用来做切断速度快、分配和改变介质的流动方向。气动球阀是近年来被采用的一种阀门,它具有以下优点:
1. 流体阻力小,其阻力系数与同长度的管段相等。
2. 结构简单、体积小、重量轻。
3. 紧密可靠,目前球阀的密封面材料使用塑料、密封性好,在真空系统中也已使用。
4. 操作方便,开闭迅速,从全开到全关只要旋转90°,便于远距离的控制。
5. 维修方便,气动球阀结构简单,密封圈一般都是活动的,拆卸更换都比较方便。
6. 在全开或全闭时,球体和阀座的密封面与介质隔离,介质通过时,不会引起阀门密封面的侵蚀。
7. 适用,通径从小到几毫米,大到几米,从高真空*压力都可应用。

附件选项:
根据不同控制和要求可选择下列附件:
回讯器:也叫限位开关,远程反馈开关信号(可选防爆)。
电磁阀:双作用选二位五通、单作用选二位三通(可选防爆)。
三联件:可对气源稳压、过滤、气缸加润滑油。
手轮机构:转动手轮机构,可实现手动开、关阀。
电气定位器:输入4~20mA信号,实现阀门调节功能。
Q641N气动燃气球阀技术参数
附件选项:气缸选配 AT系列、GT系列 气缸形式 双作用、单作用 环境温度 -20℃~+80℃ 气源压力 双作用4~8bar、单作用5~8 bar 回讯器 限位开关,远程反馈开关信号 电磁阀 双作用选二位五通、单作用选二位三通 三联件 可对气源稳压、过滤、气缸加润滑油 手轮结构 转动手轮机构,可实现手动开、关阀 电气定位器 输入4~20mA信号,实现球阀调节功能 备注:气缸参数请另参考所选配的气动执行器资料
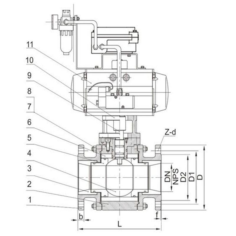
阀体参数:
标准规范:公称压力 PN16、PN25、PN40 连接方式 法兰式 阀体材质 WCB、SS304、SS316、SS316L 球芯材质 SS304、SS316、SS316L 密封材料 PTFE、PPL(特选:石墨、金属硬密封) 工作温度 T4:-30℃~+150℃(PTFE) T7:-30℃~+250℃(PPL) T8:-30℃~+350℃(石墨、金属密封) 设计标准 GB/T12237-1989 螺纹标准 GB/79113.1(特选:JB、ANSI、JIS) 结构长度 GB/T12221-1989 检测与试验 GB/T13927-1992 Q641N气动燃气球阀阀体尺寸(mm):
外形尺寸公称压力(bar) 型号规格 通径DN L ΦE ΦB ΦC T f N-ΦH H M 连接方轴 P-气动头 E-电动头 PN16、WCB、;304、316、;PTFE、PPL QA15 15 130 95 65 46 14 2 4-14 48 9 9 AT063DA QT10 QA20 20 130 105 75 56 16 2 4-14 53 9 9 AT063DA QT10 QA25 25 140 115 85 65 16 2 4-14 64 11 11 AT063DA QT10 QA32 32 165 140 100 76 18 2 4-18 71 11 11 AT075DA QT10 QA40 40 165 150 110 84 18 2 4-18 76 14 14 AT088DA QT10 QA50 50 203 165 125 99 20 2 4-18 85 14 14 AT088DA QT10 QA65 65 222 185 145 118 20 2 8-18 104 17 17 AT100DA QT15 QA80 80 241 200 160 132 20 2 8-18 114 17 17 AT115DA QT20 QA100 100 305 220 180 156 22 2 8-18 140 22 22 AT125DA QT30 QA125 125 356 250 210 184 22 2 8-18 183 27 27 AT160DA QT50 QA150 150 394 285 240 211 24 2 8-22 202 27 27 AT180DA QT60 QA200 200 457 340 295 266 24 2 12-22 253 27 27 AT200DA QT80
外形尺寸公称压力(mm) 型号规格 通径DN L ΦE ΦB ΦC T f F1 N-ΦH H M 支架 P-气动头 E-电动头 PN25、WCB、;304、316、;PTFE、PPL QA15 15 130 95 65 46 14 2 4-14 48 9 60 AT063DA QT10 QA20 20 130 105 75 56 16 2 4-14 53 9 60 AT063DA QT10 QA25 25 140 115 85 65 16 2 4-14 64 11 60 AT075DA QT10 QA32 32 165 140 100 76 18 2 4-18 71 11 78 AT088DA QT10 QA40 40 165 150 110 84 18 2 4-18 76 14 78 AT088DA QT10 QA50 50 203 165 125 99 20 2 4-18 85 14 78 AT100DA QT15 QA65 65 241 185 145 118 22 2 4-18 104 17 81 AT115DA QT20 QA80 80 283 200 160 132 24 2 8-18 114 17 94 AT125DA QT30 QA100 100 305 235 190 156 24 2 8-22 140 22 94 AT160DA QT40 QA125 125 381 270 220 184 26 2 8-26 183 27 94 AT180DA QT60 QA150 150 403 300 250 211 28 2 8-26 202 27 94 AT200DA QT90 QA200 200 502 360 310 274 30 2 12-26 253 27 94 AT240DA QT100 公称压力(mm) 型号规格 通径DN L ΦE ΦB ΦC T f F1 N-ΦH H M 支架 P-气动头 E-电动头 PN40、WCB、;304、316、;PTFE、PPL QA15 15 130 95 65 46 14 2 4 4-14 48 9 60 AT063DA QT10 QA20 20 130 105 75 56 16 2 4 4-14 53 9 60 AT063DA QT10 QA25 25 140 115 85 65 16 2 4 4-14 64 11 60 AT075DA QT10 QA32 32 165 140 100 76 18 2 4 4-18 71 11 78 AT088DA QT10 QA40 40 165 150 110 84 18 2 4 4-18 76 14 78 AT088DA QT10 QA50 50 203 165 125 99 20 2 4 4-18 85 14 78 AT100DA QT15 QA65 65 241 185 145 118 22 2 4 4-18 104 17 81 AT115DA QT20 QA80 80 283 200 160 132 24 2 4 8-18 114 17 94 AT125DA QT30 QA100 100 305 235 190 156 24 2 4.5 8-22 140 22 94 AT160DA QT40 QA125 125 381 270 220 184 26 2 4.5 8-26 183 27 94 AT180DA QT60 QA150 150 403 300 250 211 28 2 4.5 8-26 202 27 94 AT200DA QT90 QA200 200 502 360 310 274 34 2 4.5 12-30 253 27 94 AT240DA QT100 备注:①执行器(简称气动头或气缸)和电动执行器(简称电动头)的尺寸,请另查阅执行器资料,以上为设计尺寸,与实物可能存误差。
②如果是选择技术参数中的特选项目或客户有特制要求时,请向我们另行索取尺寸表。
③表中气动头型号为常规配置,若用户气源及工况条件较好,则可优化执行器配置减少成本,若工况条件差,则需加大执行器规格。

整体采用防火防爆结构,适用于高危险经常操作工况场合,结构特点阀体和球芯防火设计,阀杆结构防静电设计,启闭迅速、轻便。 流体阻力小。相对体积小,重量轻,便于维修。 密封性能好 不受安装方向的限制,适用介质的流向可任意。 无振动,噪声小。

注意事项
国内燃气管线现在越来越多,来介绍下采购燃气球阀的注意事项:
1、尽可能降低阀门结构高度(指阀门流通断面中心线到阀顶的高度),以减小埋管深度。
2、阀门顶部应装有全封闭的启闭指示器,便于检查阀门所处状态,是安全操作的重要条件。
3、全通径设计,降低流阻,便于通过管道清扫器或管道探测器,还应满足不停输封闭式开孔机在管道上开孔。
4、可靠的密封性能,软密封阀门在1.1倍公称额定使用压力下不允许有任何察觉的内泄漏,硬密封阀门在1.1倍公称额定使用压力下允许的内泄漏量小于13DNmm3/s。这个要求是比较严格的,例如:500mm公称通径燃气阀门的内泄漏量不能大于9ml/min,外泄漏是不允许的。
5、使用于地下管网的燃气阀门的壳体应耐腐蚀,建议根据管线的输送介质和使用压力采用不同的壳体材质。
6、阀门的零部件设计应考虑采用少维护或免维护结构,尽可能减少检修保养的工作量,减少因阀门检修保养而封闭道路影响交通。
7、地下管线阀门绝大多数为人工启闭,要求阀门的启闭扭矩小,全程转圈数合理,事故发生后能够尽快切断气源。
8、我国城市道路底下各种管线拥挤,错综复杂,不宜开挖地下室窨井,因此推荐直埋式全焊接球阀。

FQ641F燃气专用气动球阀安装:
1)、取掉法兰端两边的保护盖,在阀完全打开的状态下进行冲洗清洁。
2)、安装前应按规定的信号(电或气)进行整机测试(防止因运输产生振动影响使用性能),合格后方可上线安装(接线按电动执行机构线路图)。
3)、准备与管道连接前,须冲洗和清除干净管道中残存的杂质(这些物质可能会损坏阀座和球)。
4)、在安装期间,请不要用阀的执行机构部分作为起重的吊装点,以避免损坏执行机构及附件。
5)、本类阀应安装在管道的水平方向或垂直方向。
6)、安装点附近的管道不可有低垂或者承受外力的现象,可以用管道支架或者支撑物来消除管线的偏离。
7)、与管道连接后,请用规定的扭矩交叉锁紧法兰连接螺栓。
4、操作和使用
1)、操作前须确认管路和阀已被冲洗过。
2)、阀的操作按执行机构输入信号大小带动阀杆旋转完成:正向旋转1/4圈(90°)时,阀关断。反向旋转1/4圈(90°)时,阀开启。
3)、当执行机构方向指示箭头与管线平行时,阀门为开启状态;指示箭头与管线垂直时,阀门为关闭状态。

订货须知:
一、①产品名称与型号②口径③是否带附件以便我们的为您正确选型④使用压力⑤使用介质的温度。
二、若已经由设计单位选定公司的型号,请球阀型号直接向我司销售部订购。三、当使用的场合非常重要或环境比较复杂时,请您尽量提供设计图纸和详细参数,由我们的阀门公司专家为您审核把关。如有疑问:请:我们一定会尽心尽力为您提供优质的服务。提供全面、*的“阀门系统解决方案”,也十分愿意帮助用户解决生产中所遇到的难题。
-
联系方式
- 联系人:申弘阀门
- 电 话:021-59260058
- 手 机:15901754341
- 传 真:86-021-31662735
- 邮 箱:494522509@qq.com
- 邮 编:201718
- 地 址:上海市青浦区金泽工业园区
- 网 址: https://bengye.cn.goepe.com/
http://www.021-fm.com
-
产品搜索








