-
SH电动三通内螺纹球阀Q915F
详细信息| 询价留言Q915F电动三通内螺纹球阀产品说明
电动三通内螺纹球阀标准球芯有L型有三通双口孔种,改变球芯与管道的相对角度,可以对三支管道流体实现不同的组合控制;T型孔道可起配比作用,适用于液体、气体、蒸汽等介质的配比调节与控制。电动三通内螺纹球阀采用HR型、HQ型角行程电动执行机构,以AC220V、AC380V或DC24V电源电压作动力,接受工业自动化仪表控制系统输入的(4-20mA、或1-5VDC)电流信号或电压信号,即可控制运转,实现对工艺介质的比例调节或二位切换控制。

参数特点
①高平台三通球阀功能:L型和T型
②公称压力:6.4Mpa
③适用温度:-20-200度
④适用介质:水,中性气体和液体,酒精,油,有机溶剂,蒸汽,弱酸和弱碱溶液。
⑤螺纹类型:G,ZG,NPT(BSP,BSPT,NPT)
⑥平台标准:ISO5211(DN15=F04,DN20和DN25=F04/F05)
⑦阀轴对边:DN15=9mm,DN20和DN25=11mm。

电动三通内螺纹球阀产品特点
(1)电动三通内螺纹球阀有两座和四座密封结构,阀芯孔道有L型和T型两种结构形式,采用控制阀芯旋转角度,改变阀芯孔道与管道口的连接状态,可实现对三条支管不同的组合控制。三通球阀流通能力大,可控制气体、液体、蒸汽,更适用于控制高粘度,纤维颗粒状的流体。也适用于密封要求较严格的场合。
(2)两阀座密封三通球阀具有结构紧凑、外形美观、密封性能好,它能实现对管道中介质流向的切换。也能使相互垂直的两个通道连通或关闭。
(3)四阀座密封三通球阀具有造型美观、结构紧凑合理,它不仅可实现介质流向的切换,也可使三个通道相互连通,同时可关闭任意一个通道,使另外两个通道连通,灵活控制管路是介质的合流或分流。
(4)T型阀芯孔道可使三条正交的管道互相连通或切换,起分流或合流作用;L型孔道连接相互正交的两管道。使另一条孔道切断,起改变介质流向作用。

■ Q915F电动三通内螺纹球阀主要技术参数
● 阀体
阀体形式 三通铸造球型阀 公称通径 DN15~50mm 公称压力 PN1.6、2.5、4.0、6.4 MPa 连接形式 螺纹式(适用于1/2"~2") 压盖型式 螺母旋紧式 密封填料 V型聚四氟乙烯填料、PPL高温密封材料 ● 阀内件
阀芯形式 O型球型阀芯 流量特性 快开特性 
● 执行机构
注:如需详细执行器参数,请进入页面进行查阅。执行器型号 CHR、3810R、HQ、PSQ电动执行机构 主要技术参数 电源电压:220V/50Hz、380V/50Hz、输入信号:4-20mA或1-5V·DC、输出信号:4-20mA·DC 防护等级:相当IP65(或IP67)、隔爆标志:ExdⅡBT4、手操功能:手柄 环境温度:-25~+70℃、环境湿度:≤95% ■ 阀门控制方式
电动三通球阀分L型和T型,介质流通方向见下图。L型电动三通球阀适用于介质流向的切换,能使相互垂直的两个通道连通:T型电动三通球阀适用于介质的分流、合流或流向 切换,T型孔道可以使三个通道互相连通或使其中两个通道连通,电动三通球阀一般采用两个阀座结构,亦可根据用户要求采用四阀座结构。

主要性能指标
公称通径 DN(mm) 15 20 25 32 40 50 允许压差(MPa) ≤ 公称压力 动作范围 0~90° 泄露量Q 按GB/T4213-92,小于额定KV0.01% 基本误差 ±1% 回差 ±1% 死区 ≤1% 
■ 主要零件材料1 主阀体 铸钢、不锈钢 2 连接端 铸钢、不锈钢 3 阀座 PTFE、PPL 4 球体 2Cr13+硬化处理、304、316 5 阀杆 不锈钢 6 支架 25 7 联轴器 25 8 执行器 铸铝(根据不同执行器而定) ■ 主要性能规范
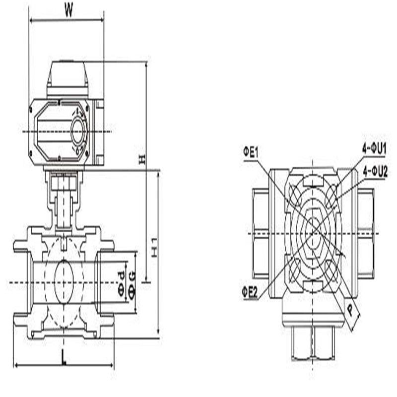
试验压力(MPa) 公称压力(MPa) 1.6 2.5 4.0 6.4 强度试验 2.4 3.75 6.0 9.6 密封试验 1.76 2.75 4.4 7.04 气密试验 0.4~0.7MPa ■ Q915F电动三通内螺纹球阀主要外形及连接尺寸
公称通径 15 20 25 32 40 50 L 68 78 86 111 126 143 H 19 25 37 45 70 80 H1、H2 根基实际配置电动执行器机型尺寸而定 D、D1 根基实际配置电动执行器机型尺寸而定 注:以上参数均为不带标准附件数据,另由于产品改进技术创新参数可能有一定变化,请咨询公司技术部门索取*新数据。

请按以下指示进行安装:
(1)取掉端两边的保护盖,在阀打开的状态下进行冲洗清洁。
(2)安装前应按规定的信号(电动或气动)进行整机测试(防止因运输产生振动影响使用性能),合格后方可上线安装(接线按电动执行机构线路图)。
(3)准备与管道连接前,须冲洗和清除干净管道中残存的杂质(这些物质可能会损坏阀座和球)。
(4)在安装期间,请不要用阀的执行机构部分作为起重的吊装点,以避免损坏执行机构及附件。
(5)本类阀应安装在管道的水平方向或垂直方向。
(6)安装点附近的管道不可有低垂或者承受外力的现象,可以用管道支架或者支撑物来消除管线的偏离。
(7)与管道连接后,请用规定的扭矩交叉锁紧法兰连接螺栓。

订货须知:
一、①产品名称与型号②口径③是否带附件以便我们的为您正确选型④使用压力⑤使用介质的温度。
二、若已经由设计单位选定公司的型号,请内螺纹电动球阀 型号直接向我司销售部订购。三、当使用的场合非常重要或环境比较复杂时,请您尽量提供设计图纸和详细参数,由我们的阀门公司专家为您审核把关。产品所属球阀选型,感谢您访问我们申弘阀门的网站如有任何疑问.您可以致电给我们,我们一定会尽心尽力为您提供优质的服务。如需要了解更多其它阀类产品的信息可以点击减压阀查看。
-
联系方式
- 联系人:申弘阀门
- 电 话:021-59260058
- 手 机:15901754341
- 传 真:86-021-31662735
- 邮 箱:494522509@qq.com
- 邮 编:201718
- 地 址:上海市青浦区金泽工业园区
- 网 址: https://bengye.cn.goepe.com/
http://www.021-fm.com
-
产品搜索





