-
SH电动三通丝扣球阀Q914F
详细信息| 询价留言Q914F电动三通丝扣球阀产品说明
电动三通内螺纹球阀是综合国内外先进技术而开发的新型电动三通球阀。标准球芯有L型有三通双口孔种,改变球芯与管 道的相对角度,可以对三支管道流体实现不同的组合控制;T型孔道可起配比作用,适用于液体、气体、蒸汽等介质的配比调节与控制。电动三通内螺纹球阀采用 JO型、HQ型角行程电动执行机构,以AC220V、AC380V或DC24V电源电压作动力,接受工业自动化仪表控制系统输入的(4-20mA、或 1-5VDC)电流信号或电压信号,即可控制运转,实现对工艺介质的比例调节或二位切换控制。

特点
1.防火、三通内螺纹球阀设计
2.止推轴承减小阀杆摩擦力矩,可使阀杆长期操作平衡灵活。
3.阀座密封性能好,采用聚四氟乙烯等材料制成的密封圈,结构易于密封,而且球阀的阀封能力随着介质压力的增设而增大。
4.阀杆密封可靠,由于阀杆只作旋转运动而不做升降运动,阀杆的填料密封不易破坏,且密封能力随着介质的压力增设而增大。
5.由于聚四氟乙烯等材料具有良好的自润滑性,与球体的摩擦损失小,帮球阀的使用寿命长。
6.下装式阀杆和阀杆头部凸阶防止阀杆喷出,如火灾造成阀杆密封破坏,凸阶与阀体间还可形成金属接触,确保阀杆密封。
7.阀杆防爆出装置
8.阀球上设计有压力平衡孔
9.双层阀杆填料与对压碟型弹片装置

Q914F电动三通丝扣球阀其主要特点如下:
(1)电动三通内螺纹球阀有两座和四座密封结构,阀芯孔道有L型和T型两种结构形式,采用控制阀芯旋转角度,改变阀芯孔道与管道口的连接状态,可实现对三 条支管不同的组合控制。三通球阀流通能力大,可控制气体、液体、蒸汽,更适用于控制高粘度,纤维颗粒状的流体。也适用于密封要求较严格的场合。
(2)两阀座密封三通球阀具有结构紧凑、外形美观、密封性能好,能实现对管道中介质流向的切换。也能使相互垂直的两个通道连通或关闭。
(3)四阀座密封三通球阀具有造型美观、结构紧凑合理,它不仅可实现介质流向的切换,也可使三个通道相互连通,同时可关闭任意一个通道,使另外两个通道连通,灵活控制管路是介质的合流或分流。
(4)T型阀芯孔道可使三条正交的管道互相连通或切换,起分流或合流作用;L型孔道连接相互正交的两管道。使另一条孔道切断,起改变介质流向作用。

工作原理
1、L型流道的三通4面阀座球阀,采用2面阀座,受力平衡,保证闭止通道的可靠密封。主要用于流路的换向。
2、T型流道的三通4面阀座,由于采用4面阀座,受力平衡,保证闭止通道的可靠密封。主要用于分流、混流、换向以及三通道的全开。
结构特点
①高平台三通球阀功能:L型和T型
②公称压力:6.4Mpa
③适用温度:-20-200度
④适用介质:水,中性气体和液体,酒精,油,有机溶剂,蒸汽,弱酸和弱碱溶液。
⑤螺纹类型:G,ZG,NPT(BSP,BSPT,NPT)
⑥平台标准:ISO5211(DN15=F04,DN20和DN25=F04/F05)
⑦阀轴对边:DN15=9mm,DN20和DN25=11mm。

Q914F电动三通丝扣球阀参数
电动执行器
普通开关型、无源触点开关型
电位计型带电阻输出
电位计型带4-20mA
调节型输入输出4-20mA
防爆电动执行器
EX dⅡBT4 EX d11 CT6
调节型、开关型
电压
AC220V AC110V AC380
DC12V DC24V DC110V
公称通径
DN15-50mm
公称压力
1.0MPa
适用温度
PTFE:-30~+180℃
PPL:-30~+250℃
连接方式
螺纹
法兰标准
GB、ANSI、DIN、JIS
阀体结构
三通T型、三通L型
阀体材质
304、316、316L、双相钢等
阀板材质
304、316、316L、双相钢等
阀座衬里
PTFE、PPL等
适用介质
水、蒸汽、油等
设计制造标准
设计制造:GB/T12238-2008
连接标准:JB/T 79.1-1994
结构长度:GB/T12221-2005
压力试验:GB/T13927-2008
产品特征
公称压力
2.5MPa
适用稳定范围
-20~232℃~350℃
螺纹类型
G.NPT.BSPT.BSP.DIN259/2999
Q14F型螺纹连接三通不锈钢球阀适用介质
水、油、气及某些腐蚀性液体(W。O。G)
Q914F电动三通丝扣球阀主要零件材料
零件名称
材质
阀体
不锈钢CF8M/CF8
阀盖
不锈钢CF8M/CF8
球
不锈钢CF8M/CF8
球垫
聚四氟乙烯PTEE
阀杆
不锈钢CF8M/CF8
填料
聚四氟乙烯PTEE
中口
聚四氟乙烯PTEE
大薄片
聚四氟乙烯PTEE
压紧螺母
不锈钢CF8M/CF8
手柄
不锈钢CF8M/CF8
流向指示牌
ALUMINUM
华司
不锈钢CF8
螺帽
不锈钢CF8
锁定装置
不锈钢CF8
皮套
塑料
盲盖
不锈钢CF8M/CF8
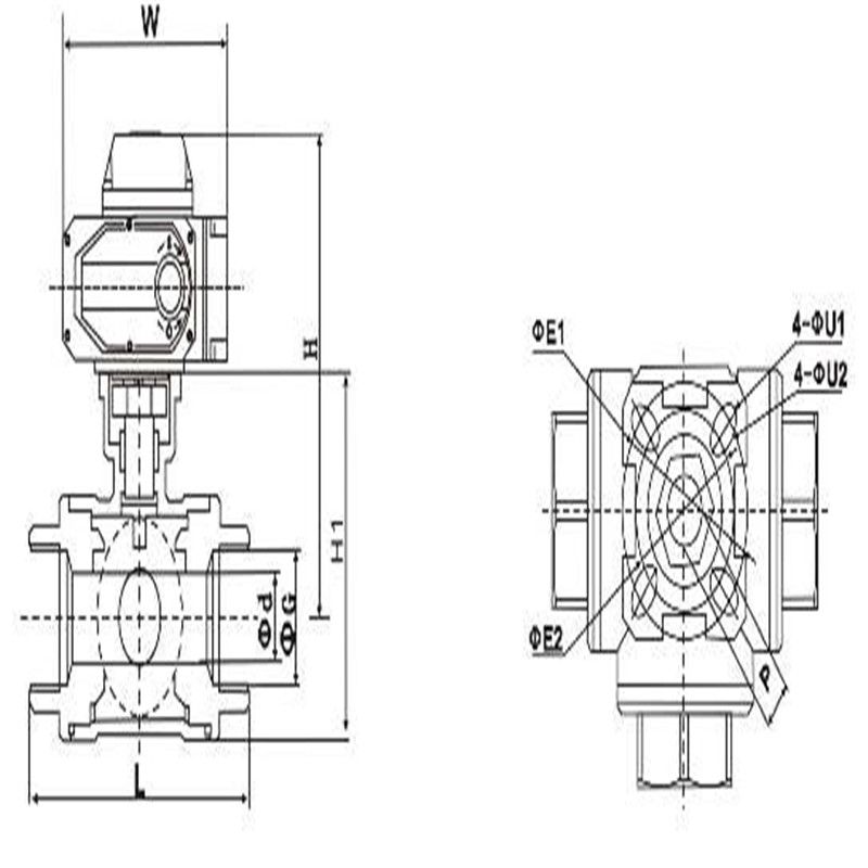
SIZE
d
L
H
D1
B
W1
W2
h
1/2"
12.7
64
53
97
32.0
22.4
35.0
10-24UNC
3/4"
16.0
76
63
126
38.0
22.4
35.0
10-24UNC
1"
20.0
87
66
126
43.5
22.4
35.0
10-24UNC
1-1/4"
25.0
96
81
145
48.0
22.4
35.0
10-24UNC
1-1/2"
32.0
114
83
145
57.0
22.4
38.1
1/4-20UNC
2"
38.1
142
96
204
71.0
22.4
38.1
1/4-20UNC

Q914F电动三通丝扣球阀请按以下指示进行安装:
(1)取掉丝扣端两边的保护盖,在阀打开的状态下进行冲洗清洁。
(2)安装前应按规定的信号(电动或气动)进行整机测试(防止因运输产生振动影响使用性能),合格后方可上线安装(接线按电动执行机构线路图)。
(3)准备与管道连接前,须冲洗和清除干净管道中残存的杂质(这些物质可能会损坏阀座和球)。
(4)在安装期间,请不要用阀的执行机构部分作为起重的吊装点,以避免损坏执行机构及附件。
(5)本类阀应安装在管道的水平方向或垂直方向。
(6)安装点附近的管道不可有低垂或者承受外力的现象,可以用管道支架或者支撑物来消除管线的偏离。
(7)与管道连接后,请用规定的扭矩交叉锁紧连接螺栓。

订货须知:一、①产品名称与型号②口径③是否带附件以便我们的为您正确选型④使用压力⑤使用介质的温度。
二、若已经由设计单位选定公司的型号,请内螺纹电动球阀 型号直接向我司销售部订购。三、当使用的场合非常重要或环境比较复杂时,请您尽量提供设计图纸和详细参数,由我们的阀门公司专家为您审核把关。产品所属球阀选型,感谢您访问我们申弘阀门的网站如有任何疑问.您可以致电给我们,我们一定会尽心尽力为您提供优质的服务。如需要了解更多其它阀类产品的信息可以点击减压阀查看。
-
联系方式
- 联系人:申弘阀门
- 电 话:021-59260058
- 手 机:15901754341
- 传 真:86-021-31662735
- 邮 箱:494522509@qq.com
- 邮 编:201718
- 地 址:上海市青浦区金泽工业园区
- 网 址: https://bengye.cn.goepe.com/
http://www.021-fm.com
-
产品搜索





