-
SH气动三通硬密封球阀Q645H
详细信息| 询价留言Q645H气动三通硬密封球阀简介
一种三通球阀,包括阀体,阀体内设有球体和阀座,球体、阀体均与阀座相抵接,球体固定连接有阀杆,阀杆驱动球体沿阀杆的轴线作旋转运动,其特征是所述阀体设有凸台,所述球体设有套设于凸台外表面并可沿凸台周向旋转的凹槽,所述凸台套设有轴承,所述凹槽和轴承相抵接。采用了防火、防静电、阀杆防爆出装置技术,可适用多种恶劣场合选型。采用的气动执行器与球阀一体式连接,进口气动三通球阀用于分流或汇合流通,是具有二面或四面阀座的多通口球阀,任一通口可用作入口而无泄漏。三通即可制成L型通口也可制成T型通口。L型三通球阀适用于介质流向的切换,能使相互垂直的两个通道连通:T型三通球阀适用于介质的分流、合流或流向切换,T型孔道可以使三个通道互相连通或使其中两个通道连通,三通球阀一般采用两个阀座结构,亦可根据用户要求采用四阀座结构。

产品特点
(1)流体阻力小,其阻力系数与同长度的管段相等。
(2)结构简单、体积小、重量轻。
(3)紧密可靠,目前球阀的密封面材料广泛使用塑料、密封性好,在真空系统中也已广泛使用。
(4)操作方便,开闭迅速,从全开到全关只要旋转90°,便于远距离的控制。
(5)维修方便,球阀结构简单,密封圈一般都是活动的,拆卸更换都比较方便。
(6)在全开或全闭时,球体和阀座的密封面与介质隔离,介质通过时,不会引起气动三通球阀密封面的侵蚀。
(7)适用范围广,通径从小到几毫米,大到几米,从高真空*压力都可应用。

气动三通球阀特点
●各种切换操作可以用一台进行,并可以防止误操作。
●可以节省安装管道的费用及空间。
●阀门之间没有残留介质。
●使用4面阀座,可以自由的选择流动方向。
●限位片是螺丝式,可以容易的加紧,是防止阀杆逸出的构造。
●可以安装防静电装置。(选项)
●因为带有卡圈,可以正确决定位置,管道与通径不会错位。
●因为有锁定机构,可以防止有关人士以外的误操作。(只有锁是选项)
●不需要将阀门从管道上卸下即可安装气缸。
●只要将旁边的盖子取下即可容易的清洗内部。(可以在安装在管道上的状态下清洗)

Q645H气动三通硬密封球阀与现有技术相比,
本实用新型的有益效果是:调节件可通过压紧密封机构对阀座与球体之间的密封性实施调节,压紧密封机构中的至少两块相互贴合的石墨填料密封块在受到阀座密封垫圈或弹性抵压组件的抵压力时,皆可保持更为紧密的密封,即介质的流向不会影响到阀体的正常密封,使此类三通高温硬密封球阀的密封性更好,结构更为简单,使石墨填料密封块受外力挤压时的密封性更好;弹性抵压组件的设置使阀座与球体之间保持弹性抵压,提高阀座与球体之间的密封性。另外设置刮刀构件和润滑油注入构件,刮刀组件是为了球阀在高温的情况下使用时,容易造成球体表面介质的堆积,采用刮刀组件及时的将介质给挂掉,不影响球阀的正常使用,另外设置润滑油注入组件也是为了使球阀正常使用,不会发生磨损。
球阀在高温的情况下使用时,容易造成球体表面介质的堆积,采用刮刀组件及时的将介质给挂掉,不影响球阀的正常使用,另外设置润滑油注入组件也是为了使球阀正常使用,不会发生磨损。 气动三通球阀分L型和T型,L型三通球阀适用于介质流向的切换,能使相互垂直的两个通道连通:T型三通球阀适用于介质的分流、合流或流向切换,T型孔道可以使三个通道互相连通或使其中两个通道连通,三通球阀一般采用两个阀座结构,亦可根据用户要求采用四阀座结构。

1、L型流道的三通4面阀座球阀,采用2面阀座,受力平衡,保证闭止通道的可靠密封。主要用于流路的换向。
2、T型流道的三通4面阀座,由于采用4面阀座,受力平衡,保证闭止通道的可靠密封。主要用于分流、混流、换向以及三通道的全开。Q645H气动三通硬密封球阀主要技术参数及性能
公称通径 DN(mm) 15 20 25 32 40 50 65 80 100 125 150 200 允许压差(MPa) ≤公称压力 动作范围 0~90° 阀体形式 二段分体式铸造阀体 阀盖形式 整体式 压盖型式 螺栓压紧式 密封填料 V型聚四氟乙烯填料、含浸聚四氟乙烯石棉填料、石棉纺织填料、石墨填料 连接方式 法兰式、螺纹式(适用于1/2"~2") 阀芯形式 三通球型阀芯 流量特性 近似快开特性 泄露量Q 软密封:零泄露;金属密封:按GB/T4213-92,小于额定KV0.01% 基本误差 ±1% 回差 ±1% 死区 ≤1% 配置执行器型号 GT、SR、ST、AT、AW系列单双作用气动执行器 控制方式 开关两位控制、4-20mA模拟量控制 执行器技术参数
执行器型号 GT、SR、ST、AT、AW系列单双作用气动执行器 供气压力 0.4~0.7MPa 气源接口 G1/4"、G1/8"、G3/8"、G1/2" 环境温度 -30~+70℃ 作用形式 单作用执行机构:气关式(B)--失气时阀位开(FO);气开式(K)--失气时阀位关(FC)
双作用执行机构:气关式(B)--失气时阀位保持(FL);气开式(K)-- 失气时阀位保持(FL)可配附件 定位器、电磁阀、空气过滤减压器、保位阀、行程开关、阀位传送器、手轮机构等 
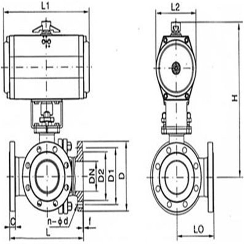
Q645H气动三通硬密封球阀外形尺寸
L型国标连接尺寸和外形 PN1.6MPa
T型国标连接尺寸和外形 PN1.6MPa型 号 公称通径 DN(mm) 尺寸(mm) L L2 D D1 D2 b f Z-d H W Q644F-16C
(P) (R)15 150 72 95 65 45 14 2 4-14 95 130 20 160 80 105 75 55 14 2 4-14 110 130 25 180 90 115 85 65 14 2 4-18 120 140 32 200 100 135 100 78 16 2 4-18 144 180 40 220 110 145 110 85 16 3 4-18 152 220 50 240 120 160 125 100 16 3 4-23 182 220 65 260 130 180 145 120 16 3 4-18 193 240 80 280 140 195 160 135 20 3 8-18 217 270 100 320 160 215 180 155 20 3 8-18 245 350 125 380 190 245 210 185 22 3 8-18 282 500 150 440 220 280 240 210 24 3 8-23 319 600 200 550 260 335 295 265 26 3 12-23 380 1000 250 670 310 405 355 320 30 3 12-25 460 1400 300 720 370 460 410 375 30 3 12-25 520 1800 型 号 公称通径 DN(mm) 尺寸(mm) L L2 D D1 D2 b f Z-d H W Q645F-16C
(P) (R)15 150 72 95 65 45 14 2 4-14 95 130 20 160 80 105 75 55 14 2 4-14 110 130 25 180 90 115 85 65 14 2 4-18 120 140 32 200 100 135 100 78 16 2 4-18 144 180 40 220 110 145 110 85 16 3 4-18 152 220 50 240 120 160 125 100 16 3 4-23 182 240 65 260 130 180 145 120 16 3 4-18 193 270 80 280 140 195 160 135 20 3 8-18 217 350 100 320 160 215 180 155 20 3 8-18 245 500 125 380 190 245 210 185 22 3 8-18 282 600 150 440 220 280 240 210 24 3 8-23 319 1000 200 550 260 335 295 265 26 3 12-23 380 1300 250 670 310 405 355 320 30 3 12-25 460 1700 300 720 370 460 410 375 30 3 12-25 520 2100 
本实用新型公开了一种三通球阀,旨在提供一种能有效保护阀座密封面、有效对阀体内的介质进行截断或接通、延长使用寿命的三通球阀,其技术方案要点是,一种三通球阀,包括阀体,阀体内设有球体和阀座,球体、阀体均与阀座相抵接,球体固定连接有阀杆,阀杆驱动球体沿阀杆的轴线作旋转运动,所述阀体设有凸台,所述球体设有套设于凸台外表面并可沿凸台周向旋转的凹槽,所述凸台套设有轴承,所述凹槽和轴承相抵接。

维护与保养:
1、要定期检查,电源不能有故障。
2、经常检查管道,不要让管道内有铁锈和脏污。
3、不要将阀支承在敏感部位,如阀门定位器、接头、连线等处。
4、阀体与上阀盖连接处密封垫使用久了要及时更换,更换时只需卸下上阀盖就可安放新的密封垫。
5、填料函如有参漏要及时更换密封埴料更换时将阀杆脱开,压板和填料压盖取下即可装入新的填料。
6、长期停放时,应装上连接去兰的保护罩所以接口都要用塑料塞堵上。停放时,保证阀整体的垂直性或水平位置。

订货须知:
一、①产品名称与型号②口径③是否带附件以便我们的为您正确选型④的使用压力⑤的使用介质的温度。
二、若已经由设计单位选定公司的型号,请按型号直接向我司销售部订购。
三、当使用的场合非常重要或环境比较复杂时,请您尽量提供设计图纸和详细参数,由我们的阀门公司专家为您审核把关。如有疑问:请:我们一定会尽心尽力为您提供优质的服务。提供全面、*的“阀门系统解决方案",也十分愿意帮助用户解决生产中所遇到的难题。 -
联系方式
- 联系人:申弘阀门
- 电 话:021-59260058
- 手 机:15901754341
- 传 真:86-021-31662735
- 邮 箱:494522509@qq.com
- 邮 编:201718
- 地 址:上海市青浦区金泽工业园区
- 网 址: https://bengye.cn.goepe.com/
http://www.021-fm.com
-
产品搜索





