-
申弘气动三通衬氟球阀Q644F46
详细信息| 询价留言Q644F46气动三通衬氟球阀简介
本实用新型涉及一种衬氟三通球阀。背景技术传统衬氟三通球阀,包括阀体、阀盖和阀杆,阀杆的下端设置有阀瓣,所述阀体内衬有氟塑料层,所述阀体上配置有控制阀杆的执行器,执行器紧密固定在阀盖上。但是这种传统衬氟三通球阀的执行器与阀门的安装不便,而且阀杆与执行器的连接处由于空间有限的缘故很难调整。实用新型内容鉴于背景技术存在的不足,本实用新型所要解决的技术问题是提供一种衬氟三通球阀,该衬氟三通球阀的执行器在支架平台的安装更加方便,而且对阀杆与执行器的连接处的调整更加方便。本实用新型是采取如下技术方案来完成的.

本实用新型虽然以较佳实施例公开如上,但其并不是用来限定本实用新型,任何本领域技术人员在不脱离本实用新型的精神和范围内,都可以做出可能的变动和修改。凡是未脱离本实用新型技术方案的内容,依据本实用新型的技术实质对以上实施例所作的任何修改、等同变化及修饰,均落入本实用新型权利要求所界定的保护范围之内。采用特殊的模压工艺,使密封面致密良好:球体与阀杆铸为一体,杜绝了由于压力变化引起阀杆冲出承压件内的可能性,根本保证使用中的安全性;采用全塑料衬里工艺,耐介质的强腐蚀。

Q644F46气动三通衬氟球阀用途:
衬氟球阀为控制各种强腐蚀性介质的启闭而进行的*设计,广泛使用于石油,化工,染化,农药,制酸制碱等行业,是目前防腐阀门*理想的选择.衬氟三通球阀具有结构紧凑、外型美观、密封性能好,它能实现对管道中介质流向的切换,也能使相互垂直的两个通道连通或关闭,四阀座密封气动三通球阀具有造型美观、结构紧凑合理,它不仅可实现介质流向的切换,也可使三个通道相互连通,现时也可关闭任一通道,使另外两个通道连通,灵活控制管路中介质的合流或分流,广泛适用于酸、碱等强腐蚀性介质和有毒、易挥发、易渗透等气体、液体类介质的控制。

其原理:
(1)以压缩空气为能源动力完成开关动作,当压缩空气从气动执行器的管咀输入气动执行器内,气体会推动活塞向两端运动,通过齿条带动旋转轴上的齿轮转动,从而开启球阀。气动执行器关闭时,气源是从反向管咀进入,将推动向中间运动,带动球阀关闭。此气缸为双作用气缸。
(2)以压缩空气为能源动力完成开动作,当压缩空气从气动执行器的管咀输入气动执行器内,气体会推动活塞向两端运动,通过齿条带动旋转轴上的齿轮转动,从而开启球阀,当反向管咀排气后由弹簧推动活塞带动球阀关闭。此气缸为单作用气缸。
3.气动执行器的执行机构和调节机构为统一整体,执行机构的部件可以选择薄膜、活塞或齿轮齿条,其中齿轮齿条是为常用的。齿轮齿条执行机构的结构紧凑、输出推动力大、动作平稳可靠,在三种执行机构部件里是性能均衡的一个
三通流道中的一个直通流道可以制于阀盖上,阀盖与阀体栓接在一起。所述环形密封圈可以设置在三通流道内口外的圆形槽内,内表面是与球体表面相接触的球面环形表面。
可调密封圈的内侧表面是可与球体表面相接触的表面,外侧制有凹槽,密封孔内有内螺纹,螺纹紧固件的内端插入到可调密封圈的凹槽内,螺纹紧固件的中部制有外螺纹,与密封孔内的内螺纹形成螺纹配合。
在可调密封圈的外端可制有向外弯折的折边,密封孔在该折边处直径扩大,形成台面,在扩大孔内制有内螺纹,折边卡在该台面上,可调密封圈的中部制有外螺纹,与扩大孔内的内螺纹形成螺纹配合。

三通衬氟球阀优点:
1.采用氟塑料衬里层的球阀,具有极高的化学稳定性,适用于任何强腐蚀性化学介质;
2.采用全通浮动球阀结构,在整个压力范围内进行元泄漏关闭,便便于管路系统在通球扫线和管路维护。
1.流体阻力小,衬里球阀内壁光滑,流道通畅是所有阀类中流体阻力*小的一种。
2.开关迅速、方便。
3.采用特殊模压工艺,将衬里材料衬于阀门壳体内壁,能耐强酸、强碱介质的腐蚀。衬里球面与PTFE阀座组合,密封性好,达到了零泄漏。需将球体旋转90°,便完成开户和关闭动作。
4.可配置气动、电动、液动等多种驱动装置,实现远距离控制和自动化操作。
5.球体与阀杆融为一体,消除了转动角差,杜绝了因压力变化引起阀杆冲出体外的危险,保证了使用的安全性、可靠性。

Q644F46气动三通衬氟球阀技术参数阀类 传动方式 连结形式 结构形式 密封面 公称压力(MPa) 阀体材料 球阀 6-气动
6s-气动带手动对夹式 浮动球直通 F-氟塑料
H-合金钢
PPL1.6 2.5 4.0 6.4 按表内阀体
材料代号公称通径DN(mm) 15-150 材料\材料代号 C P R 主
要
零
件阀体 WCB ZG1Cr18Ni9Ti ZG0Cr18Ni12Mo2Ti 球板 2Cr13 ZG1Cr18Ni9Ti ZG0Cr18Ni12Mo2Ti 阀杆 2Cr13 1Cr18Ni9Ti 0Cr18Ni12Mo2Ti 密封圈 增强聚四氟乙烯 对位聚苯 填料 聚四氟乙烯 柔性石墨 适
用
工
况适用介质 水、蒸汽、油品 硝酸类 醋酸类 适用温度 -28℃~250℃ 控制型式 双作用/单作用 作用型式 切断/调节 输入信号 电信号:0~10mA、-4~10mA 气信号20~100kPa 回信电压 AC220V/DC24V 工作介质 净化压缩压气 执行器 型号 GT系列、HY系列 气源压力 0.4~0.7MPa 公称压力
PN(MPa)试验压力
壳体
高压液密封
低压液密封
1.6
2.4
1.76
0.6
2.5
3.75
2.75
4.0
6.0
4.4
CLASS150
3.0
2.2
适用工况
适用介质
水、油品、气等非腐蚀介质和酸碱腐蚀介质
适用温度
-28~350℃
应用规范
连接法兰
JB79-59 GB9113、
HG20592-97、ANSI B16.5检验试验
JB/T 9092-99 、API598
要零件材料:
零件名称
材质
GB
ASTM
阀体、阀盖
WCB
A216-WCB
密封圈
PTFE、对位聚苯
PTFE、对位聚苯
球体
1Cr18Ni9Ti
SS 304
阀座、阀杆
2Cr13
A246-416
双头螺栓
35CrMoA
A193-B7
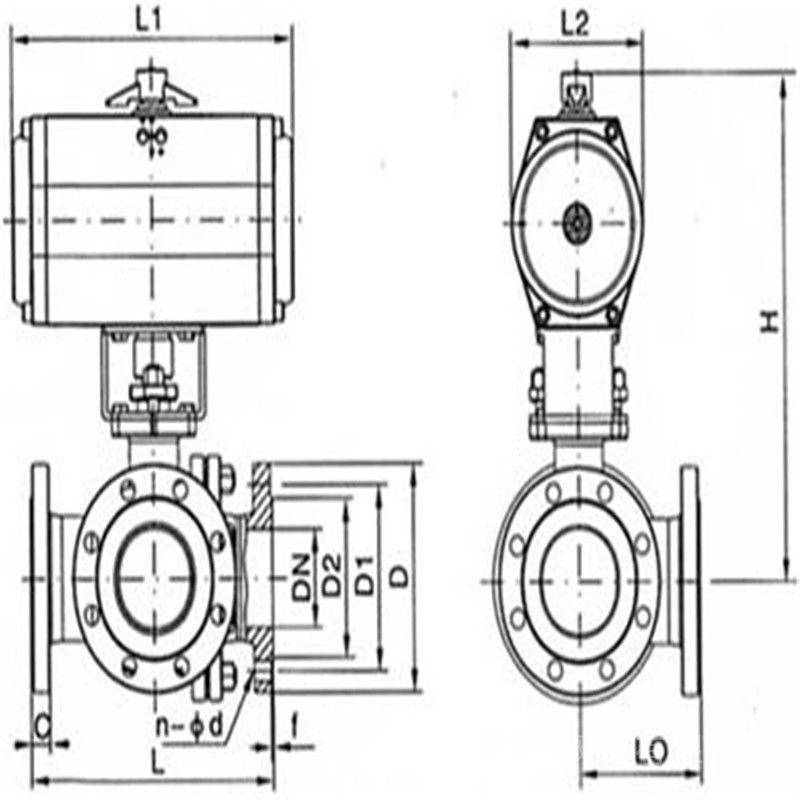
Q644F46气动三通衬氟球阀尺寸和外形:
型号
公称通径
DN(mm)尺寸(mm)
L
L1
D
D1
D2
b
f
Z-d
H
W
Q44F-16C
(P)
(R)15
150
72
95
65
45
14
2
4-14
95
130
20
160
80
105
75
55
14
2
4-14
110
130
25
180
90
115
85
65
14
2
4-14
120
140
32
200
100
135
100
78
16
2
4-18
144
180
40
220
110
145
110
85
16
3
4-18
152
220
50
240
120
160
125
100
16
3
4-18
182
220
65
260
130
180
145
120
16
3
4-18
193
240
80
280
140
195
160
135
20
3
8-18
217
270
100
320
160
215
180
155
20
3
8-18
245
350
125
380
190
245
210
185
22
3
8-18
282
500
150
440
220
280
240
210
24
3
8-23
319
600
200
550
260
335
295
265
26
3
12-23
380
1000
250
670
310
405
355
320
30
3
12-25
460
1400
300
720
370
460
410
375
30
3
12-25
520
1800

本实用新型克服了现有技术中衬氟三通球阀密封不严的缺点,提供了一种密封性能好的新型衬氟三通球阀。为了达到上述目的,本实用新型的一种新型衬氟三通球阀,设置有阀体,阀盖和阀芯,在连接在一起的阀盖与阀体内,制有T型三通流道,在三通流道的交汇处制有腔体,阀芯下部的球体置于所述腔体内,在球体上,可与所述三通流道相连通的位置开有T形三通孔,在与管路介质直接接触的阀门内腔设有氟塑料层,在球体与腔体之间,三通流道的三个内口外侧,分别设置有三个环形密封圈,在与垂直流道相对的阀体上开有密封孔,从该密封孔内插入与球体表面相接触的、可密封三通孔之一的可调密封圈,在可调密封圈外设置可以向内压紧固定可调密封圈的紧固机构。

安装Q644F46气动三通衬氟球阀的方法如下:
1、首先,需要取掉法兰端两边的保护盖,在阀完全打开的状态下进行冲洗清洁;
2、在安装之前,需要按照规定的信号进行整机测试,合格后才能够安装;
3、准备和管道连接前,需要冲洗和清除干净管道中残存的杂质;
4、在安装期间,请不要用阀的执行机构部分作为起重的吊装点,以避免损坏执行结构和附件;
5、和管道连接之后,需要用规定的扭矩交叉锁紧法兰连接螺栓;
6、这类的阀需要安装在管道的水平方向和垂直方向。

采用了氟塑料作为球阀的内衬,并配之以新型的带杆球体结构,再加上其独特的弹性唇式密封座结构,使其具有普通球阀的各项优点,能在大压差和较大的温差变化范围内具有高密封性能和低操作扭矩。该阀门有T型和L型。T型能使三条正交的管道相互联通和切断第三条通道,起分流、合流作用。L三通球阀型只能连接相互正交的两条管道,不能同时保持第三条管道的相互连通,只起分配作用。
气动三通球阀可配以球阀定位器输入控制信号(4-20mADC或1-5VDC)气源即可控制运转。亦可配行程限位开关、电磁阀、减压阀及0.4-0.7MPa气源可实现开关操作,并送出两对无源触点信号指示球阀的开关。两座球阀密封气动三通球阀具有结构紧凑、外型美观、密封性能好,它能实现对管道中介质流向的切换,也能使相互垂直的两个通道连接或关闭。四阀座密封气动三通球阀具有造型美观、结构紧凑合理。它不仅可实现介质流向的切换,也可使三个通道相互连通,现实也可关闭任一通道,是另外两个通道连通,使另外两个通道联通,灵活控制管路中介质的合流或分流。衬氟气动三通球阀适用于酸、碱等强腐蚀性介质和有毒、易挥发、易渗透等气体、液体类介质的控制。

所述氟塑料层可以是聚四氟乙烯层、聚全氟乙丙烯层,或者是可熔性聚四氟乙烯层。分L型和T型,介质流通方向见下图。Q644(5)气动三通球阀适用于介质流向的切换,能使相互垂直的两个通道连通:T型三通球阀适用于介质的分流、合流或流向切换,T型孔道可以使三个通道互相连通或使其中两个通道连通,三通球阀一般采用两个阀座结构,亦可根据用户要求采用四阀座结构。
订货须知:
一、①产品名称与型号②口径③是否带附件以便我们的为您正确选型④的使用压力⑤的使用介质的温度。
二、若已经由设计单位选定公司的型号,请按型号直接向我司销售部订购。
三、当使用的场合非常重要或环境比较复杂时,请您尽量提供设计图纸和详细参数,由我们的阀门公司专家为您审核把关。如有疑问:请:我们一定会尽心尽力为您提供优质的服务。提供全面、阀门系统解决方案",也十分愿意帮助用户解决生产中所遇到的难题。 -
联系方式
- 联系人:申弘阀门
- 电 话:021-59260058
- 手 机:15901754341
- 传 真:86-021-31662735
- 邮 箱:494522509@qq.com
- 邮 编:201718
- 地 址:上海市青浦区金泽工业园区
- 网 址: https://bengye.cn.goepe.com/
http://www.021-fm.com
-
产品搜索






