-
申弘焦化炉组合式三通球阀YQ44F
详细信息| 询价留言YQ44F焦化炉组合式三通球阀 简介
本实用新型涉及一种阀门,具体的说是关于一种三通球阀。本实用新型适用于焦炉高压氨水喷射循环系统的高低压转换阀门。在焦炉氨水系统中,组合式三通阀与组合式三通阀配套使用,在系统停车,管路设备检修时,将组合式三通阀关闭以截断氨水介质,而系统正常运行时,组合式三通阀始终处于全开启状态。
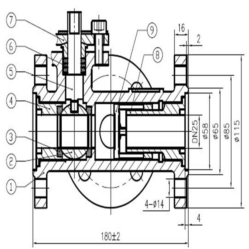
它由直通式浮动球阀与套筒式止回阀组合而成,左侧球阀接高压系统,右侧止回阀接低压系统,中间出口接排放管路,当球阀关闭时,高压通道切断,止回阀阀瓣在低压介质的推动下自动开启,低压氨水由中间出口通道排出。当球阀开启时,高压氨水将止回阀阀瓣推向阀座,止回阀关闭,低压通道被切断,高压氨水由中间出口通道排出。喷射完毕后,关闭球阀,止回阀自动开启,低压氨水又能自动排放。因此,只要象操作传统的三通球阀一样,将球阀阀杆作90℃开关,即能完成高低压切换。

由于组合式三通阀中的直通式浮动球阀仅起高压系统一侧的开启与关闭作用,YQ44F组合式三通球阀而不是起三通转换功能,因此,即使球体与阀座在使用一段时间后装配预紧力消失,球体与阀座之间出现间隙,在球阀关闭时,高压侧介质的压力仍能将球体推向出口侧阀座,使球体与出口侧阀座之间紧密接触,故阀门仍具有很好的密封性能,组合式三通阀彻底解决了传统的L型三通球阀容易密封失效的问题。而低压侧止回阀采用不锈钢制造,设计独特,动作灵敏,密封可靠,使用寿命相当长。
组合式三通阀的结构长度及连接尺寸与传统的L型三通球阀相同,更换阀门方便。
组合式三通阀操作简单方便,与传统的L型三通球阀完全相同。
阀体为整体式结构设计,能更有效地防止阀门的外漏,阀门的总体设计更趋完善。

YQ44F焦化炉组合式三通球阀结构特点:
1、除了具有一般球阀的流体阻力小、启闭迅速、密封性能好等优点外,组合式三通阀采用整体式结构设计,简单、紧凑、轻巧、耐用,与常用的两体式球阀比较,取消了中间的两个螺栓连接法兰,减少了泄漏点,密封更加可靠。采用增强聚四氟乙烯阀座,耐压、耐温、耐磨性能更好,使用寿命更长。
2、由于组合式三通阀中的直通式浮动球阀仅起高压系统一侧的开启与关闭作用,而不是起三通转换功能,因此,即使球体与阀座在使用一段时间后装配预紧力消失,球体与阀座之间出现间隙,在球阀关闭时,高压侧介质的压力仍能将球体推向出口侧阀座,使球体与出口侧阀座之间紧密接触,故阀门仍具有很好的密封性能,组合式三通阀彻底解决了传统的L型三通球阀容易密封失效的问题。而低压侧止回阀采用不锈钢制造,设计独特,动作灵敏,密封可靠,使用寿命相当长。
3、组合式三通阀的结构长度及连接尺寸与传统的L型三通球阀相同,更换阀门方便。
4、组合式三通阀操作简单方便,与传统的L型三通球阀完全相同。
5、阀体为整体式结构设计,能更有效地防止阀门的外漏,阀门的总体设计更趋完善。

背景技术:
目前国内焦化行业的焦炉高压氨水喷射循环系统的高低压转换阀门的结构一般是采用L型三通球阀,这种结构阀门的主要密封性能,是靠左右两个聚四氟乙稀密封圈,在装配预紧力的作用下,紧贴在一个带L型通道的球体实现的。在刚开始使用时,阀门因装配预紧力的作用,能保持一段时间的密封。在使用过程中,因聚四氟乙稀密封圈在受温受压下的冷流变形,以及受到粘附在球体上的杂质和焦油的不断刮削与摩擦,使聚四氟乙稀密封圈很快磨损,聚四氟乙稀密封圈与球体之间出现间隙,阀门的原始装配预紧力逐渐消失,使阀门出现泄漏。在焦炉氨水循环系统中,阀门两侧入口系统的压差很大,当低压介质流通时,高压介质就会将球体推向低压侧封圈,从而高压侧封圈和球体之间形成间隙,高压氨水就会从此间隙中泄漏出去,影响了焦炉氨水循环系统的正常工作。所以密封性能差、产品寿命短是现有焦炉氨水循环系统三通球阀的主要问题。

YQ44F焦化炉组合式三通球阀执行标准与安装尺寸
设计与制造
配管法兰
试验与检验
Q/ZCD 02-2000
《组合式三通阀》JB/T74~90
JB/T9092
产品参数
公称通径 DN mm
25
公称压力 PN MPa
4.0
强度试验压力 MPa
6.0
密封试验压力 MPa
4.4
使用温度℃
180
适用介质
氨水等介质
YQ44F焦化炉组合式三通球阀主要外形尺寸:
公称压力
公称通径
L
L1
H
W
重量(kg)
Mpa
mm
in
mm
mm
mm
mm
1.6
2.5
4.0
CL150
JIS10K
1.6
2.5
4.0
CL150
JIS10K15
1/2
130
65
62
100
2.5
3.0
3.5
2.5
2.5
20
3/4
150
75
68
160
3.0
3.5
4.5
3.0
3.6
25
1
160
80
75
160
4.8
5.0
6
5.0
5.0
32
1 1/4
180
90
85
200
6.5
7
8.5
7
7
40
1 1/2
200
100
95
200
8.5
9
10.5
9
9
50
2
230
115
110
250
11
12
14
12
11
65
2 1/2
290
145
130
300
15
17
20
16
16
80
3
310
155
155
400
21
22
32
21
22
100
4
350
175
180
500
33
36
50
36
36
125
5
400
200
250
600
65
70
80
68
70
150
6
480
240
275
800
103
110
120
105
105
200
8
580
290
325
1000
152
168
180
160
160

实用新型内容本实用新型的目的是针对现有技术存在的问题,提供一种在焦炉氨水循环系统的高低压转换工作中密封性能可靠、使用寿命长的三通球阀。焦化炉组合式三通球阀由直通式浮动球阀与套筒式止回阀组合而成,右侧球阀接高压系统,左侧止回阀接低压系统,中问出口接排放管路,当球阀关闭时,高压通道切断,止回阀阀瓣在低压介质的推动下白动开启,低压氨水由中问出口通道排出。当球阀开启时,高压氨水将止回阀阀瓣推向阀座,止回阀关闭,低压通道被切断,高压氨水由中问出口通道排出。喷射完毕后,关闭球阀,止回阀白动开启,低压氨水又能白动排放。

焦化炉组合式三通球阀主要特点如下:
1、由于组合式三通阀中的直通式浮动球阀仅起高压系统一侧的开启与关闭作用,而不是起三通转换功能,因此,即使球体与阀座在使用一段时问后装配预紧力消失,球体与阀座之问出现问隙,在球阀关闭时,高压侧介质的压力仍能将球体推向出口侧阀座,使球体与出口侧阀座之问紧密接触,故阀门仍具有很好的密封性能,组合式三通阀彻底解决了传统的L型三通球阀容易密封失效的问题。而低压侧止回阀采用不锈钢制造,设计独特,动作灵敏,密封可靠,使用寿命相当长。
2、组合式三通阀的结构长度及连接尺寸与传统的L型三通球阀相同,更换阀门方便。
3、组合式三通阀操作简单方便,与传统的L型三通球阀完全相同。
4、阀体为整体式结构设计,能更有效地防止阀门的外漏。
实现本实用新型目的的技术方案包括阀体、阀座、阀杆、球体和传动手柄,阀杆一端与球体固定连接,另一端与传动手柄连接,阀体为三通结构,其主要特点是阀座为浮动组合阀座。以上方案中,软密封圈镶嵌在金属阀座上。

订货须知:
一、①产品名称与型号②口径③是否带附件以便我们的为您正确选型④的使用压力⑤的使用介质的温度。
二、若已经由设计单位选定公司的型号,请按型号直接向我司销售部订购。
三、当使用的场合非常重要或环境比较复杂时,请您尽量提供设计图纸和详细参数,由我们的阀门公司专家为您审核把关。如有疑问:请:我们一定会尽心尽力为您提供优质的服务。提供全面、*的“阀门系统解决方案",也十分愿意帮助用户解决生产中所遇到的难题。 -
联系方式
- 联系人:申弘阀门
- 电 话:021-59260058
- 手 机:15901754341
- 传 真:86-021-31662735
- 邮 箱:494522509@qq.com
- 邮 编:201718
- 地 址:上海市青浦区金泽工业园区
- 网 址: https://bengye.cn.goepe.com/
http://www.021-fm.com
-
产品搜索




