-
申弘气动衬里球阀FPA
详细信息| 询价留言FPA气动衬里球阀简介
实用新型涉及一种球阀阀芯,尤其是一种有机高分子材料制作的球阀阀芯。高分子材料球阀阀芯,例如塑料阀芯,其驱动阀柄是镶嵌在阀芯球顶上部嵌柄凹槽中。然而这种塑料球阀芯,在使用温度较高(80℃以上)环境,或大规格阀芯如球阀通径大于100mm,极易造成阀芯嵌柄槽扭曲变形或转动塑料柄的断裂,使阀启闭失灵,丧失阀功能。PFA 树脂(聚四氟乙烯-全氟烷基乙烯基醚树脂),具有与 PTFE 同等以上的耐热・耐化学腐蚀性和机械性,同时,解决了 PTFE 存在的“不能溶化加工”的问题,发挥了衬里材料的优良特性。尤其是其加工性能优异,因此,可加工成无气孔的缜密衬里。另外,PFA 树脂无色,不含添加剂、颜料等,可用于食品生产线。

是采用气动执行器与衬氟球阀组成,阀门采用氟塑料作为内衬,并配之以新型的带杆球体结构,再加上其独特的弹性唇式密封座结构,使其具有普通球阀的各项优点,能在大压差和较大的温差变化范围内具有高密封性能和低操作扭矩。气动衬氟球阀可作开关或调节之用,耐腐蚀气动球阀适用于各种工业管道中液体和气体的输送(包括蒸气),在各种酸、碱、盐类等强腐蚀性介质中均能很好地工作。全通径气动衬氟球阀提供*大的流量,并可用于扫线清洗或隔离输送的管道。采用新型系列GT型气动执行器,有双作用式和单作用式(弹簧复位),齿轮齿条传动,安全可靠;大口径阀门采用系列AW型气动执行器拔叉式传动,结构合理,输出扭矩大,有双作用式和单作用式。
1、齿轮式双活塞,输出力矩大,体积小。
2、气缸选用铝金材料,重量轻、外形美观。
3、可在顶部、底部安装手动操作机构。
4、齿条式连接可调节开启角度、额定流量。
5、执行器可选带电讯号反馈指示及各类附件以实现自动化操作。
6、IS05211标准连接为产品的安装更换提供了方便。
7、两端调的节螺钉可使标准产品在0°和90°有±4°的可调范围。确保与阀门的同步精度。

气动球阀附件的选项
根据不同控制和要求可选择下列附件:
切断型附件:单电控电磁阀、双电控电磁阀、限位开关回讯器。
调节型附件:电气定位器、气动定位器、电气转换器。
气源处理附件:空气过滤减压阀、气源处理三联件。
手动机构:HVSD手操机构
为克服球阀全塑阀芯不耐温及强度差的不足,人们提出采用金属球芯外包塑料的复合结构,这样可使阀芯转动柄直接固定在内衬钢球上,防止出现上述缺陷。然而由于金属与塑料的膨胀系数相差*(约10倍左右),在遇较高温度环境中使用,冷热交替造成的热胀冷缩,会造成塑料包层的开裂,尤其是包塑层较薄弱的阀芯通道。包塑层开裂使液体从裂缝中渗入,进而腐蚀内部金属球芯,同样会缩短阀芯的有效使用寿命;其次,金属球体外包塑料层,成型工艺相对复杂,制作难度大。
●优良的耐化学腐蚀性能
用较厚的 PFA 树脂全衬里作为接触液体的部位,保护其它部位不被化学药品侵蚀。
●稳固牢靠的衬里
衬里是注塑成型产品,无气孔、无裂纹、无轻微膨胀、无局部缺陷,可防止剥离、应力开裂及穿透等故障发生。
●耐热性能的追求
PFA 树脂具有极其优异的热稳定性,即使长时间处于高达 260℃ 的高温环境下,也不会出现老化现象。
●防止流体污染
PFA 树脂无色,不含添加剂、颜料等,其化学性能极其稳定,因此,不会出现有机物的分离及金属离子的析出现象。
●耐热冲击及机械冲击值优异
PFA 树脂具有粘弹性,即使在高温条件下,其抗拉强度、抗伸展性、弯曲弹性率等方面,与 FEP 树脂相比,亦皆可体现优越的机械性能。
●简易的开闭操作
PFA 树脂为链烷烃状分子结构,表面非常光滑,阀的开闭操作转矩非常小。
●衬里成本降低
由于不会出现因腐蚀及磨损而出现的损伤,因此,可实现阀的使用寿命长并降低运营成本。
●支持自动化
可标配安装气动执行机构。
因此仍有值得进一步改进。并配之以新型的带杆球体结构,再加上其独特的弹性唇式密封座结构,使其具有普通球阀的各项优点,能在大压差和较大的温差变化范围内具有高密封性能和低操作扭矩。可作开关或调节之用,本产品适用于各种工业管道中液体和气体的输送(包括蒸气),在各种酸、碱、盐类等强腐蚀性介质中均能很好地工作。

所说内衬金属件,其形状可以有多种,其主要作用是作为金属阀柄与阀芯球的连接件。
为增强有机高分子材料与金属嵌件的结合强度,尤其是在有较高温度环境中使用,避免两者因膨胀系数不同而产生分离,一种较好是在金属件上设置有锚固结构,如通孔或槽、燕尾、凸起等,使阀芯材料能穿透或嵌入金属件,以增强两者结合锚固牢度。
实用新型由于在有机高分子球形阀芯上部内衬金属件,将金属阀柄固定在金属件上结构,不仅较原有内衬金属球阀芯制作简单,衬件小不会发生外包塑料热胀、冷缩开裂,而且较全塑阀芯阀柄固定牢固,扭力大,抗扭能力增强。综合了全塑球阀芯不开裂,防腐性能好,及内衬金属球芯阀柄抗扭强度大两者优点,从而延长了球阀阀芯使用寿命。以下结合几个具体实施方式
摘要本实用新型涉及一种球阀阀芯,尤其是一种有机高分子材料阀芯,其特征是球形阀芯上部内衬有金属件,所说转动阀柄由金属内芯及外包防腐层组成,金属内芯固定在金属件上。实用新型球阀阀芯,不仅较原有内衬金属球阀芯制作简单,衬件小不会发生外包塑料热胀、冷缩开裂,而且较全塑阀芯阀柄固定牢固,扭力大,抗扭能力增强。综合了全塑球阀芯不开裂,防腐性能好,及内衬金属球芯阀柄抗扭强度大两者优点,从而延长了球阀阀芯使用寿命。

FPA气动衬里球阀执行机构
注:如需详细执行器参数,请进入气动执行器页面进行查阅。执行器型号 GT、SR、ST、AT、AW系列单双作用气动执行器 供气压力 0.4~0.7MPa 气源接口 G1/4"、G1/8"、G3/8"、G1/2" 环境温度 -20~+90℃ 作用形式 单作用执行机构:气关式(B)--失气时阀位开(FO);气开式(K)--失气时阀位关(FC)
双作用执行机构:气关式(B)--失气时阀位保持(FL);气开式(K)-- 失气时阀位保持(FL)可配附件 定位器、电磁阀、空气过滤减压器、保位阀、行程开关、阀位传送器、手轮机构等 主要零件材料
阀体 铸铁、铸钢、不锈钢 阀芯 不锈钢+聚四氟依稀(F46) 阀座 聚四氟依稀(F46) 阀杆 2Cr13 填料 柔性石墨、聚四氟依稀 支架 铸铁、铸钢、不锈钢 联轴器 25、35、45 主要材质
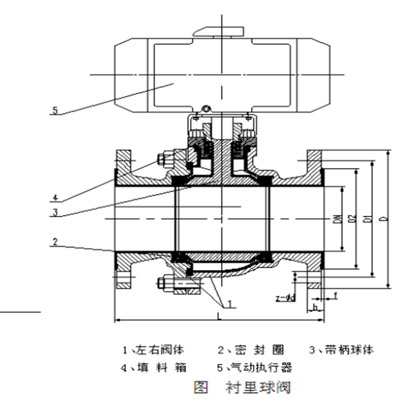
序号 零件名称 灰铸铁 铸钢 不锈耐酸铸钢 超低碳不锈耐酸铸钢 Z C P R PL RL 1 阀体/阀盖 HT250 WCB CF8 CF8M CF3 CF3M 2 球体/阀杆 WCB CF8 CF8M CF3 CF3M 3 衬里/阀座 PCTEF(F3)、FEP(F46)、PFA(可溶性F4)、PP、PO 4 填料压盖 WCB CF8 CF8M CF3 CF3M 5 填料 PTFE(F4) PTFE(F4) PTFE(F4) 6 支架 35 1Cr18Ni9Ti 1Cr18Ni9Ti 7 螺栓 35 1Cr17Ni2 1Cr18Ni2 8 紧固螺母 45 0Cr18Ni9 0Cr18Ni9 9 操作手柄 WCB WCB WCB 主要性能指标
公称通径 DN(mm) 15 20 25 32 40 50 100 125 150 200 250 300 350 400 允许压差(MPa) ≤ 公称压力 动作范围 0~90° 泄露量Q 软密封VI级 基本误差 带定位器:小于全行程的±2% 回差 带定位器:小于全行程的2% 试验压力(MPa) 公称压力(MPa) 压力级(class) JIS(K) 1.6 2.5 4.0 6.4 10.0 150 300 600 10K 20K 强度试验 2.4 3.75 6.0 9.6 15.0 3.0 7.5 16.5 2.4 3.8 密封试验 1.76 2.75 4.4 7.04 11.0 2.2 5.5 12.1 1.5 2.8 气密试验 0.4~0.7MPa
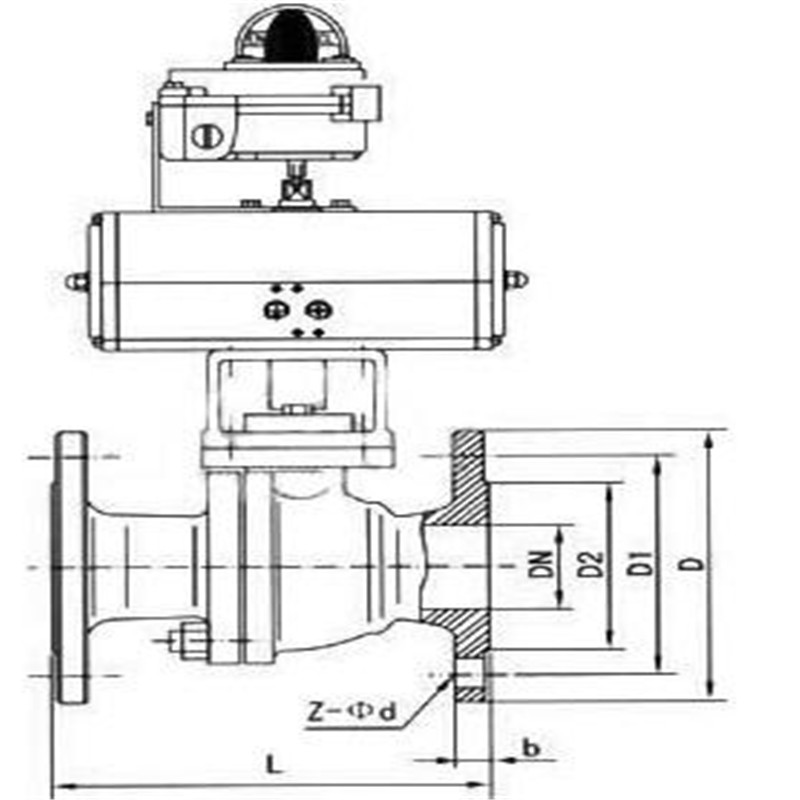
FPA气动衬里球阀外形尺寸标准值 参考值 DN
(mm)
NPS
(inch)
L D D1 D2 f b Z-φd W D0 H WT(Kg) PN 1.0MPa 15 1/2 130 95 65 45 2 14 4-φ14 120 80 2.5 20 3/4 140 105 75 55 2 16 4-φ14 140 90 3 25 1 150 115 85 65 2 16 4-φ14 160 100 4.5 32 11/4 165 135 100 78 2 18 4-φ18 160 110 5.7 40 11/2 180 145 110 85 3 18 4-φ18 200 120 7 50 2 200 160 125 100 3 20 4-φ18 250 135 9.5 65 21/2 220 180 145 120 3 20 4-φ18 300 145 15 80 3 250 195 160 135 3 22 4-φ18 350 185 19 100 4 280 215 180 155 3 22 8-φ18 400 195 33 125 5 320 245 210 185 3 24 8-φ18 500 210 58 150 6 360 280 240 210 3 24 8-φ23 200 450 93 200 8 457 335 295 265 3 26 8-φ23 240 490 155 250 10 533 390 350 320 3 28 12-φ23 240 550 210 PN 1.6MPa 15 1/2 130 95 65 45 2 14 4-φ14 120 80 2.5 20 3/4 130 105 75 55 2 16 4-φ14 140 90 3 25 1 140 115 85 65 2 16 4-φ14 160 100 4.5 32 11/4 165 135 100 78 2 18 4-φ18 160 110 5.7 40 11/2 165 145 110 85 3 18 4-φ18 200 120 7 50 2 203 160 125 10 3 20 4-φ18 250 135 9.5 65 21/2 222 180 145 120 3 20 4-φ18 300 145 15 80 3 24 195 160 135 3 22 8-φ18 350 185 19 100 4 305 215 180 155 3 24 8-φ18 400 195 33 125 5 356 245 210 185 3 26 8-φ18 500 210 58 150 6 394 280 240 210 3 28 8-φ23 200 450 93 200 8 457 335 295 265 3 30 12-φ23 240 490 155 
实用新型的目的在于克服上述已有技术的不足,提供一种不仅制造简单,而且使用寿命长的球阀阀芯。实用新型目的实现,主要改进是在原塑料阀芯中,衬里一固定阀芯金属转柄的金属件,达到既增强阀转柄及与阀芯连接强度,又避免了内衬整体金属球芯造成外包高分子防腐层如塑料的开裂。具体说,实用新型球阀阀芯,包括有径向通道的有机高分子球形阀芯及连接的转动阀柄,其特征在于所说球形阀芯上部内衬有金属件,所说转动阀柄由金属内芯及外包防腐层组成,金属内芯固定在金属件上。调节机构是气动执行器的调节部分,根据控制信号的大小,产生相应的推力,推动调节阀动作。在执行机构推力的作用下,调节阀产生一定的位移或转角,直接调节流体的流量。
气动装置主要由气缸、活塞、齿轮轴、端盖、密封件、螺丝等组成。成套气动装置还应该包括开度指示、行程限位、电磁阀、定位器、气动元件、手动机构、信号反馈等部件组成。为各种强腐蚀性介质的启闭控制而设计,结构形式为浮动直通式,连接形式为法兰,阀外壳采用碳钢内衬氟塑料,阀球为与阀杆一体式金属嵌件外包氟塑料工艺制造,具有耐腐密封性好、启闭灵活、快速的特点且外型美观、强度高、经久耐用。是现代化工工艺流程中使用zui为广泛的耐腐阀门,采用智能控制与定位,与电气阀门定位器配套,输入 4~20mADC信号及0.4~0.7MPa气源即可控制运转,实现对压力、流量、温度、液位等参数的调节。

特点:
1、采用氟塑料衬里层的球阀,具有极高的化学稳定性,适用于任何强腐蚀性化学介质;
2、采用全通浮动球阀结构,在整个压力范围内进行元泄漏关闭,便便于管路系统在通球扫线和管路维护。
购买请按以下指示进行安装:
1、取掉法兰端两边的保护盖,在阀完全打开的状态下进行冲洗清洁。
2、安装前应按规定的信号(电动或气动)进行整机测试(防止因运输产生振动影响使用性能),合格后方可上线安装(接线按电动执行机构线路图)。
3、准备与管道连接前,须冲洗和清除干净管道中残存的杂质(这些物质可能会损坏阀座和球)。
4、在安装期间,请不要用阀的执行机构部分作为起重的吊装点,以避免损坏执行机构及附件。
5、本类阀应安装在管道的水平方向或垂直方向。
6、安装点附近的管道不可有低垂或者承受外力的现象,可以用管道支架或者支撑物来消除管线的偏离。
7、与管道连接后,请用规定的扭矩交叉锁紧法兰连接螺栓。
气动执行器有包括GT系列、AT系列、AW系列在内的很多型号和类别,可以适用于不同的阀门类型、不同口径压力、不同要求的阀门。实用新型所说有机高分子球形阀芯,包括塑料和硬化树脂材料(如酚醛树脂,环氧树脂等)制作。 PFA可长期使用温度-196--260摄氏度,有可靠的耐化学腐蚀性,对所有化学品都耐腐蚀,摩擦系数在塑料中很低,还有很好的电性能,其电绝缘性不受温度影响,有“塑料王”之称。具有与PTFE同等以上的耐热-耐化学腐蚀性和机械性,同时,解决了PTFE存在的“不能溶化加工”的问题,发挥了衬里材料的优良特性。尤其是其加工性能优异,因此,可加工成无气孔的缜密衬里。另外,PFA树脂无色,不含添加剂、颜料等,可用于食品生产线。

PFA衬里不锈钢球阀-内衬PFA球阀具有很强的耐化学腐蚀性能,用较厚的PFA树脂全衬里作为阀腔与阀壁接触液体的部位,保护其它部位不被化学物质侵蚀。稳固牢靠的衬里是注塑成型产品,无气孔、无裂纹、无轻微膨胀、无局部缺陷,可防止剥离、应力开裂及穿透等故障发生。PFA树脂具有粘弹性,即使在高温条件下,其抗拉强度、抗伸展性、弯曲弹性率等方面,与FEP树脂相比,亦皆可体现优越的耐热冲击及机械冲击性能。
由于PFA树脂为链烷烃状分子结构,表面非常光滑,不会出现因腐蚀及磨损而出现的损伤,PFA衬氟球阀的开闭操作转矩非常小,在全开或全闭时, 球体和阀座的密封面与介质隔离, 而且密封性能好, 完全可以达到零泄露。PFA衬氟阀门可防止流体污染,PFA树脂无色,不含添加剂、颜料等,其化学性能极其稳定,因此,不会出现有机物的分离及金属离子的析出现象。

订货须知:
一、①产品名称与型号②口径③是否带附件以便我们的为您正确选型④的使用压力⑤的使用介质的温度。
二、若已经由设计单位选定公司的型号,请按型号直接向我司销售部订购。
三、当使用的场合非常重要或环境比较复杂时,请您尽量提供设计图纸和详细参数,由我们的阀门公司专家为您审核把关。如有疑问:请:我们一定会尽心尽力为您提供优质的服务。提供全面、阀门系统解决方案",也十分愿意帮助用户解决生产中所遇到的难题。 -
联系方式
- 联系人:申弘阀门
- 电 话:021-59260058
- 手 机:15901754341
- 传 真:86-021-31662735
- 邮 箱:494522509@qq.com
- 邮 编:201718
- 地 址:上海市青浦区金泽工业园区
- 网 址: https://bengye.cn.goepe.com/
http://www.021-fm.com
-
产品搜索





