-
申弘内螺纹钛球阀Q11TA
详细信息| 询价留言Q11TA内螺纹钛球阀产品说明
本实用新型公开了一种钛球阀,包括阀体,阀盖,阀座,阀杆,球体,上支撑板,下支撑板,定位销,填料箱,填料压板以及填料压套,所述上支撑板安置在球体上方,所述下支撑板安置在球体下方;所述下支撑板内设有碟簧,所述上支撑板内设有调整垫.本实用新型密封性能好,寿命长,易制造,便于维护以及外形美观.钛丝扣球阀Q11F-16TiA2设计制造按GB/T12237-2007,手动开关,螺纹连接,二片式,浮动式,PTFE四氟密封,压力PN16~160,通经为DN10-DN50(国标),广泛用于截断或接通氯碱工业、纯碱工业、制药工业、精细化工业,基本有机酸和无机盐生产,硝酸工业管路中的介质。
钛螺纹丝扣球阀分为整体式(一片式)、两段式及三段式。阀体铸造台湾引进的工艺,二片式内螺纹球阀结 构合理、造型美观。阀座弹性密封结构,密封可靠,启闭轻松。 阀杆有倒密封的下装式结构,阀腔异常升压时,阀杆不会被冲出。二片式、三片式球阀连接形式另有对焊(BW)承插焊(SW),并均可带 标准ISO支 架平台和锁定装置。可设置90°开关定位机构,二片式内螺纹球阀根据需要加锁以防止误操作,驱动方式:手动、电动、气动。

产品用途:
工业上除工业纯钛制造零件以外,大量使用的是钛合金。它在航空、航天、化工、造船等工业部门获得日益广泛的应用,制造燃气轮机部件。
Q11TA内螺纹钛球阀产品优点:
球阀的主要特点是本身结构紧凑,密封可靠,结构简单,维修方便,密封面与球面常在闭合状态,不易被介质冲蚀,易于操作和维修,适用于水、溶剂、酸和天然气等一般工作介质,而且还适用于工作条件恶劣的介质,如氧气、过氧化氢、甲烷和乙烯等,在各行业得到广泛的应用。球阀阀体可以是整体的,也可以是组合式的。

特点:
1. 流体阻力小,其阻力系数与同长度的管段相等。
2. 结构简单、体积小、重量轻。
3. 紧密可靠,球阀的密封面材料广泛使用塑料、密封性好,在真空系统中也已广泛使用。
4. 操作方便,开闭迅速,从全开到全关只要旋转90°,便于远距离的控制。
5. 维修方便,球阀结构简单,密封圈一般都是活动的,拆卸更换都比较方便。
6. 在全开或全闭时,球体和阀座的密封面与介质隔离,介质通过时,不会引起阀门密封面的侵蚀。
7. 适用范围广,通径从小到几毫米,大到几米,从高真空*压力都可应用。
1.2 技术关键
由于使用压力高达 9.8MPa,因此,密封及承压是技术关键,在研制过程中,采用了 3 项措施,解决了这一关键技术问题。
① 保证球体与上下球杆的同轴度;
② 保证上下球杆与 Φ80mm 通孔的垂直度;
③ 保证球面粗糙度。
通过设计专门的工装胎具及加工与密封工艺,达到了密封与承压目标,一次试较成功。

1.3 结构特点
钛制固定式球阀与浮动式球阀相比具有以下 3 个特点。
(1)在密封原理上,采用后密封。
(2)适用于高压、粘稠液体。
普通的浮动式钛球阀在高压时不可靠,在介质为粘稠液体时,球与密封环之间微小的浮动间隙易造成堵塞,从而使阀门启闭困难或失去密封作用。而采用固定式钛球阀,因使用了弹簧,使密封环与球体始终保持紧密接触,利用高压介质达到良好密封的效果。
(3)采用线密封
普通浮动式钛球阀的球体与密封环之间为球面密封,其单位面积上的密封比压小,且在高压时,微观面上的凸凹点易引起泄漏,达不到密封要求。而固定式钛球阀其球体与密封环之间采用线密封,增加了单位面积的密封比压,且压力越高,密封的效果越好,从而保证了高压工作的可靠性。

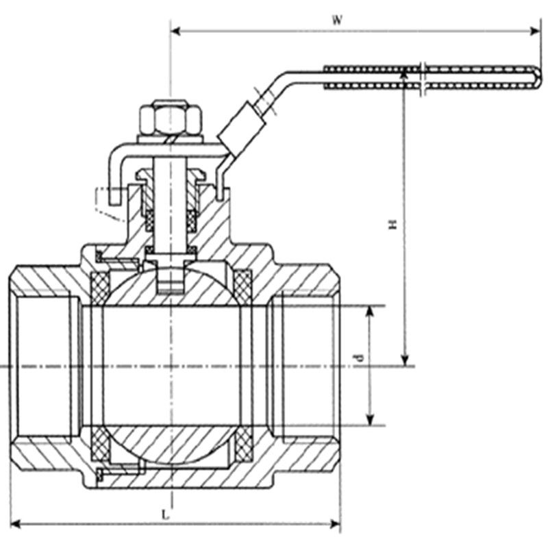
Q11TA内螺纹钛球阀技术规范
设计标准:GB/T12237、API6D、ASME B16.34
结构长度:GB/T12221、API6D、ASME B16.10
连接法兰:HG、GB、JB、API、ANSI、ISO、BS、DIN、NF、JIS
试验标准:JB/T9092、GB/T13927、API6D、API598
主体材料
阀体、阀盖:TA1、TA2、TA10、Gr2、Gr3
球体:TA1、TA2、TA10、Gr2、Gr3
阀杆:TA1、TA2、TA10、TC4、Gr2、Gr3、Gr5
密封圈:PTFE、RPTFE、PPL、PEEK公称压力 适用介质 适用稳定范围 螺纹类型 1.6-6.4MPa 水、油、气及某些腐蚀性液体(W。O。G) -20~232℃~350℃ G。NPT。BSPT。BSP。DI259/2999 主要技术参数
公称通径 DN(mm) 6~100mm 公称压力 PN(MPa) 2.5 4.0 6.4 试验压力 强度试验压力 3.8 6.0 9.6 高密封试验压力 3.0 4.8 7.6 低压气密封试验压力 0.6 0.6 0.6 适用介质 水、蒸汽、油品、酸类腐蚀性等。 适用温度 < 150℃(PTFE) < 300℃(PLL) SIZE 1/4″ 3/8″ 1/2″ 3/4″ 1″ 11/4″ 11/2″ 2″ 21/2″ 3″ 4″ D 11.6 12.7 15 20 25 32 38 50 65 80 100 L 55 55 65 75 88 102 110 125 162 189 260 H 50 50 60 64 71 78 86 95 130 148 180 E 100 100 130 130 165 165 190 190 250 250 280 重量WTg 225 225 390 502 850 1502 2020 3625 4700 7700 148 
钛以其良好的机械性能及优异的耐蚀性,广泛应用于化工、医药卫生,制盐、氯碱、航空等领城。在化工方面主要用作压力容器,输送管线及泵阀。其中铁制固定式球阀,以其良好的密封性,优异的耐蚀性能及适应高的工作压力等特点,广泛应用于石油、化工行业。目前,国内没有固定式钛球阀,只有浮动式钛球闷,在世界上只有美国、德国、日本等少数国家可以生产固定式钛球阀,为了满足石化行业使用工作压力高、密封性好、具有良好的耐蚀性等要求,拓宽钛材的使用范围,内螺纹钛球阀阀体铸造采用台湾引进的先进工艺,结构合理、造型美观,阀座采用弹性密封结构,密封可靠,启闭轻松,阀杆采用有倒密封的下装式结构,阀腔异常升压时,阀杆不会被冲出。 可设置90°开关定位机构,根据需要加锁以防止误操作,螺纹钛球阀及对焊连接钛球阀适用于PN1.0~4.0MPa,工作温度-29~180℃(密封圈为增强聚四氟乙烯)或-29~300℃(密封圈为对位聚苯)的各种管路上,用于截断或接通管路中的介质。填补了国内空白,为批量生产奠定了基础,为大型石化企业耐腐蚀设备的国产化改造提供了技术及物质保证。本文阐述固定式钛球阀的设计计算过程,主要研制工艺及其特点。

(1)设计研制的固定式高压钛球阀,满足了石化工业的需要,使用情况良好。
(2)固定式高压钛球阀具有高压使用可靠、密封良好等特点。
(3)设计研制的固定式高压钛球阀,在技术水平上属国内领先,且达到了国际同类产品水平。

订货须知:
一、①产品名称与型号②口径③是否带附件以便我们的为您正确选型④的使用压力⑤的使用介质的温度。
二、若已经由设计单位选定公司的型号,请按型号直接向我司销售部订购。
三、当使用的场合非常重要或环境比较复杂时,请您尽量提供设计图纸和详细参数,由我们的阀门公司专家为您审核把关。如有疑问:请:我们一定会尽心尽力为您提供优质的服务。提供全面、“阀门系统解决方案",也十分愿意帮助用户解决生产中所遇到的难题。 -
联系方式
- 联系人:申弘阀门
- 电 话:021-59260058
- 手 机:15901754341
- 传 真:86-021-31662735
- 邮 箱:494522509@qq.com
- 邮 编:201718
- 地 址:上海市青浦区金泽工业园区
- 网 址: https://bengye.cn.goepe.com/
http://www.021-fm.com
-
产品搜索







