-
申弘镍球阀N6
详细信息| 询价留言N6镍球阀简介
本实用新型公开了一种镍合金阀体,包括阀体和安装在阀体端部的端盖,其特征在于:所述的端盖设置有与上述的阀体连接的安装部,对应的阀体上设置有与安装部相配合的配合部,该安装部上设置有外螺纹,上述的配合部内壁上加工有内螺纹,所述的安装部与配合部通过螺纹连接固定,所述阀体的配合部上还开有螺栓孔,螺纹孔安装在内螺纹上端处,该螺栓孔上安装有加固件.本实用新型得到的一种镍合金阀体,通过采用上述技术方案,采用阀盖与阀体的连接方式为螺纹连接这种方式,即本设计结构设计合理,能节省材料降低成本的同时也便于安装很好对准只需旋转即可,而采用镍合金球阀其能达到耐腐蚀和高压,保证了产品的使用性能和工艺性能.

结构特点
1、止推轴承减小阀杆磨擦力矩,可使阀杆长期操作平稳灵活。
2、防静电功能:在球体、阀杆、阀体之间设置弹簧,能将开关过程产生的静电导出。
3、由于聚四氟乙烯等材料具有良好的自润滑性,与球体的磨擦损失小,故气动球阀的使用寿命长。
4、流体阻力小:镍球阀是所有阀门分类中流体阻力*小的一种,即使是缩径镍球阀,其流体阻力也相当小。
5、阀杆密封可靠:由于阀杆只作彷转动运而不做升降运动,阀杆的填料密封不易破坏,且密封能力随着介质的压力增高而增大。
6、阀座密封性能好:采用聚四氟乙烯等弹性材料制成的密封圈,结构易于密封,而且镍球阀的阀封能力随着介质压力的增高而增大。
镍基合金中的Cr含量通常为14.0-18.0%,镍含量为24.0-26.0%。是一种含钛和铝的镍基合金,含有足够的铬形成并维持足够规模的铬氧化物,使其在高温条件下得到保护,比传统铬镍不锈钢如304更耐高温;较高的含镍量,使其相比标准的18-8型不锈具有更好的抗氧化性能,其耐氧化性毫不逊色于使用温度高达华氏1900度(1038℃)的更高牌号合金。

N6镍球阀产品特点:
1.流体阻力小,全通径的Ni200球阀基本没有流阻。
2.Ni200球阀结构简单、体积小、重量轻。
3.紧密可靠。它有两个密封面,而且球阀的密封面材料广泛使用各种塑料,密封性好,能实现完全密封。在真空系统中也已广泛使用。
4.Ni200球阀操作方便,开闭迅速,从全开到全关只要旋转90°,便于远距离的控制。
5.Ni200球阀维修方便,球阀结构简单,密封圈一般都是活动的,拆卸更换都比较方便。
6.在全开或全闭时,Ni200球阀球体和阀座的密封面与介质隔离,介质通过时,不会引起阀门密封面的侵蚀。
7.Ni200球阀适用范围广,通径从小到几毫米,大到几米,从高真空*压力都可应用。
8.由于Ni200球阀在启闭过程中有擦拭性,所以可用于带悬浮固体颗粒的介质中。
二、产品规格:
压力等级: PN1.0-10.0MPa CLASS150-600Lb
公称通径: DN15-DN500 1/2"-20"
适用介质:氧化性腐蚀介质。
三、技术规范:
设计标准:GB/T12236、API6D
结构长度:GB/T12221、ASME B16.10
连接法兰:HG、GB、JB、API、ANSI、DIN、
试验标准:JB/T9092、GB/T13927、API598

N6镍球阀性能规范
设计与制造 结构长度 法兰尺寸 压力-温度 试验-检验 GB122237 GB12221 GB9113 JB79 GB9131 GB/T13927 JB/T9092 压力试验
公称压力NominalPressure 1.6 2.5 4.0 强度试验
Shell Test2.4 3.8 6.0 水密封试验
Water Seal Test1.8 2.8 4.4 气密封试验
Air Seal Test0.4-0.7 零件材料
阀体
BodyZG1Cr18Ni9Ti CF8 CF3 ZG1Cr18Ni12Mo2Ti CF8M CF3M 球体阀杆
Ball Stem1Cr18Ni9Ti 304 304L 1Cr18Ni12Mo2Ti 316 316L 阀座
Seat聚四氟乙烯PTFE 加坡纤增强聚四氟乙烯PTFE+Glass 对位聚笨PPL 垫片
Shim聚四氟乙烯PTFE 不锈钢/柔性石墨Stainless Steel/flexible Graphite 齿形垫片Tooth Profile Gasket 阀杆座
Stem Seat聚四氟乙烯PTFE 不锈钢/柔性石墨 Stainless Steel/Flexible Graphite 填料
Packing聚四氟乙烯PTFE 增强柔性石墨 Enhanced Flexible Graphite 填料压盖
Gland1Cr18Ni9Ti 304 304L 1Cr18Ni12Mo2Ti 316 316L 温度
Temperature-29℃~150℃(聚四氟乙烯 PTFE) -29℃~200℃(加玻纤增强聚四氟乙烯 PTFE+GLASS)
-29℃~300℃(对位聚笨 PPL)
-29℃~550℃(金属硬密封)介质
Medium水蒸汽油品
Water steam
Oil goods硝酸类 Nitric Acid 强氧化介质
strongey oxidable medium醋酸类 Acetic Acid 尿素类Urea 1.6MPa主要连接尺寸:
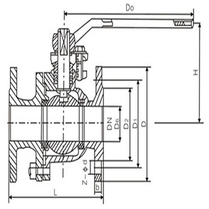
型号
公称通径 DN(mm)
尺寸(mm)
L
D
D1
D2
b-f
z-Φd
H
W
Q41F-16C
Q341F-16C
Q641F-16C
Q941F-16C15
130
95
65
45
14-2
4-Φ14
65
115
20
140
105
75
55
14-2
4-Φ14
75
130
25
150
115
85
65
14-2
4-Φ14
85
150
32
165
135
100
78
16-2
4-Φ18
95
190
40
180
145
110
85
16-3
4-Φ18
105
230
50
200
160
125
100
16-3
4-Φ18
115
240
65
220
180
145
120
18-3
4-Φ18
145
280
80
250
195
160
135
20-3
8-Φ18
160
310
100
280
215
180
155
20-3
8-Φ18
185
330
125
320
245
210
185
22-3
8-Φ18
215
600
150
360
280
240
210
24-3
8-中23
245
800
200
400
335
295
265
26-3
12-Φ23
300
1000
250
450
405
355
320
30-3
12-Φ25
380
1200
2.5MPa主要连接尺寸:
型号
公称通径 DN(mm)
尺寸(mm)
L
D
D1
D2
b-f
z-Φd
H
W
Q41F-25C Q341F-25C
Q641F-25C Q941F-25C15
130
95
65
45
14-2
4-Φ14
65
115
20
140
105
75
55
14-2
4-Φ14
75
130
25
150
115
85
65
14-2
4-Φ14
85
150
32
165
135
100
78
16-2
4-Φ18
95
190
40
180
145
110
85
18-3
4-Φ18
105
230
50
200
160
125
100
20-3
4-Φ18
115
240
65
220
180
145
120
22-3
8-Φ18
145
280
80
250
195
160
135
22-3
8-Φ18
160
310
100
280
230
190
160
24-3
8-Φ23
185
330
125
320
270
220
188
28-3
8-Φ25
215
600
150
360
300
250
218
30-3
8-Φ25
245
800
200
400
360
310
278
34-3
12-Φ25
300
1000
250
450
425
370
332
36-3
12-Φ30
380
1200
4.0MPa主要连接尺寸:
型号
公称通径 DN(mm)
尺寸 (mm)
L
D
D1
D2
D6
b-f
z-Φd
H
W
Q41F-40C
Q341F-40C
Q641F-40C
Q941F-40C15
130
95
65
45
40
16-2
4-Φ14
70
115
20
140
105
75
55
51
16-2
4-Φ14
80
130
25
150
115
85
65
58
16-2
4-Φ14
90
150
32
180
135
100
78
66
18-3
4-Φ18
100
190
40
200
145
110
85
76
18-3
4-Φ18
110
230
50
220
160
125
100
88
20-3
4-Φ18
120
240
65
250
180
145
120
110
22-3
8-Φ18
150
280
80
280
195
160
135
121
22-3
8-Φ18
170
310
100
320
230
190
160
150
24-3
8-Φ23
190
330
125
360
270
220
188
176
28-3
8-Φ25
220
600
150
400
300
250
218
204
30-3
8-Φ25
250
800
200
550
375
320
282
260
38-3
12-Φ30
390
1200
6.4MPa主要连接尺寸:
型号 Type
公称通径 DN(mm)
尺寸(mm)
L
D
D1
D2
D6
b-f
z-Φd
H
W
Q41F-64C
Q341F-64C
Q641F-64C
Q941F-64C15
140
105
75
55
40
18-2
4-Φ14
75
115
20
160
125
90
68
51
20-2
4-Φ18
85
130
25
180
135
100
78
58
22-2
4-Φ18
95
150
32
200
150
110
82
66
24-2
4-Φ23
105
190
40
220
165
125
95
76
24-3
4-Φ23
120
230
50
250
175
135
105
88
26-3
4-Φ23
130
240
65
280
200
160
130
110
28-3
8-Φ23
160
280
80
320
210
170
140
121
30-3
8-Φ23
180
310
100
360
250
200
168
150
32-3
8-Φ25
200
330
125
381
295
240
202
176
36-3
8-Φ30
230
600
150
403
340
280
240
204
38-3
8-Φ34
260
800
200
502
405
345
300
260
44-3
12-Φ34
400
1200

表面镀铬的传统工艺使用寿命短,不耐磨,给生产作业带来了严重影响.国外进口阀体抗温耐磨,使用寿命是国内产品的几倍,有的甚至几十倍.采用了喷涂,喷焊,真空熔结工艺制得了耐磨,耐温,耐腐蚀硬面涂(焊)工作层,镍基及其碳化钨合金的应用,大大提高了阀门的使用寿命,从产品维修向产品预防护跨出了新的一步,经济效益显著.球阀是一种管路中用来做切断、分配改变介质流动方向的装置,在使用中只需要旋转90度的操作和很小的转动力矩就能关闭严密。在使用球阀时需要注意什么呢?下面介绍一下球阀的使用注意事项,希望可以帮助到大家。
N6镍球阀的使用
1、必须先查明球阀上、下游管道确已卸除压力后,才能进行拆卸分解操作。
2、非金属零件清洗后应立即从清洗剂中取出,不得长时间浸泡。
3、装配时法兰上的螺栓必须对称、逐步、均匀地拧紧。
4、清洗剂应与球阀中的橡胶件、塑料件、金属件及工作介质(例如燃气)等均相容。工作介质为燃气时,可用汽油(GB484-89)清洗金属零件。非金属零件用纯净水或酒精清洗。
5、分解下来的每单个球阀零件可以用浸洗方式清洗。尚留有未分解下来的非金属件的金属件可采用干净的细洁的浸渍有清洗剂的绸布(为避免纤维脱落粘附在零件上)擦洗。清洗时须去除一切粘附在壁面上的油脂、污垢、积胶、灰尘等。
6、球阀分解及再装配时必须小心防止损伤零件的密封面,特别是非金属零件,取出O型圈时宜使用专用工具。
7、清洗后需待被洗壁面清洗剂挥发后(可用未浸清洗剂的绸布擦)进行装配,但不得长时间搁置,否则会生锈、被灰尘污染。
8、新零件在装配前也需清洗干净。
9、使用润滑脂润滑。润滑脂应与球阀金属材料、橡胶件、塑料件及工作介质均相容。工作介质为燃气时,可用例如特221润滑脂。在密封件安装槽的表面上涂一薄层润滑脂,在橡胶密封件上涂一薄层润滑脂,阀杆的密封面及摩擦面上涂一薄层润滑脂。
10、装配时应不允许有金属碎屑、纤维、油脂(规定使用的除外)灰尘及其它杂质、异物等污染、粘附或停留在零件表面上或进入内腔。

球阀的安装
球阀安装前的准备
1、前后管道应同轴,两法兰密封面应平行。管道应能承受球阀的重量,否则管道上必须配有适当的支撑。
2、把阀前后管线吹扫干净,清除掉管道内的油污、焊渣和一切其它杂质。
3、核对球阀的标志,查明球阀完好无损。将阀全开全闭数次证实其工作正常。
4、拆去球阀两端连接法兰上的保护件。
5、检查阀孔清除可能有的污物,然后清洗阀孔。阀座与球之间即使仅有微小颗粒的异物也可能会损伤阀座密封面。
球阀安装
1、把球阀装上管线,球阀的任何一端都可装在上游端。用手柄驱动的球阀可安装在管道上的任意位置。但带有齿轮箱或气动球阀应直立安装,即安装在水平管道上,且驱动装置处于管道上方。
2、阀法兰与管线法兰间按管路设计要求装上密封垫。
3、法兰上的螺栓需对称、逐次、均匀拧紧。
4、连接气动管线(采用气动驱动器时)。
球阀安装后的检查
1、操作驱动器启闭球阀数次,应灵活无滞涩,证实其工作正常。
2、按管路设计要求对管道与球阀间的法兰结合面进行密封性能检查。
球阀的维修
1、必须先查明球阀上、下游管道确已卸除压力后,才能进行拆卸分解操作。
2、分解及再装配时必须小心防止损伤零件的密封面,特别是非金属零件,取出O型圈时宜使用专用工具。
3、装配时法兰上的螺栓必须对称、逐步、均匀地拧紧。
4、清洗剂应与球阀中的橡胶件、塑料件、金属件及工作介质(例如燃气)等均相容。工作介质为燃气时,可用汽油清洗金属零件。非金属零件用纯净水或酒精清洗。
5、分解下来的单个零件可以用浸洗方式清洗。尚留有未分解下来的非金属件的金属件可采用干净的细洁的浸渍有清洗剂的绸布(为避免纤维脱落粘附在零件上)擦洗。清洗时须去除一切粘附在壁面上的油脂、污垢、积胶、灰尘等。
6、非金属零件清洗后应立即从清洗剂中取出,不得长时间浸泡。
7、清洗后需待被洗壁面清洗剂挥发后(可用未浸清洗剂的绸布擦)进行装配,但不得长时间搁置,否则会生锈、被灰尘污染。
8、新零件在装配前也需清洗干净。
9、使用润滑脂润滑。润滑脂应与球阀金属材料、橡胶件、塑料件及工作介质均相容。工作介质为燃气时,可用例如特221润滑脂。在密封件安装槽的表面上涂一薄层润滑脂,在橡胶密封件上涂一薄层润滑脂,阀杆的密封面及摩擦面上涂一薄层润滑脂。
10、装配时应不允许有金属碎屑、纤维、油脂(规定使用的除外)灰尘及其它杂质、异物等污染、粘附或停留在零件表面上或进入内腔。

订货须知:
一、①产品名称与型号②口径③是否带附件以便我们的为您正确选型④的使用压力⑤的使用介质的温度。
二、若已经由设计单位选定公司的型号,请按型号直接向我司销售部订购。
三、当使用的场合非常重要或环境比较复杂时,请您尽量提供设计图纸和详细参数,由我们的阀门公司专家为您审核把关。如有疑问:请:我们一定会尽心尽力为您提供优质的服务。提供全面、阀门系统解决方案",也十分愿意帮助用户解决生产中所遇到的难题。 -
联系方式
- 联系人:申弘阀门
- 电 话:021-59260058
- 手 机:15901754341
- 传 真:86-021-31662735
- 邮 箱:494522509@qq.com
- 邮 编:201718
- 地 址:上海市青浦区金泽工业园区
- 网 址: https://bengye.cn.goepe.com/
http://www.021-fm.com
-
产品搜索





