-
申弘双相钢球阀2507
详细信息| 询价留言2507双相钢球阀简介
本实用新型涉及流体技术,更具体地涉及一种高温金属硬密封浮动球阀。.本实用新型涉及阀门技术领域,尤其涉及一种耐高温高压球阀。背景技术.随着社会的不断发展,自动化行业得到了蓬勃发展,而球阀广泛应用于自动化设备中,现今市场上的此类装置种类繁多,基本可以满足人们的使用需求,但是现有高温高压球阀密封效果不长,使得其在使用时极其不便,且一些传统的球阀抗高温性能低下,使得其在使用时控温性能低下。.为解决上述问题,我们提出了一种耐高温高压球阀。实用新型内容.本实用新型的目的是为了解决现有技术中存在的缺点,而提出的一种耐高温高压球阀。

双相不锈钢(Duplex Stainless Steel,简称 DSS),有奥氏体和铁素体两种金相结构,因此得名双相钢,特点是耐氯离子腐蚀。这类钢的特点是含碳量低,高铬、高镍、高钼和高氮。此类钢具有优良的耐孔蚀性能,孔蚀当量大于40。常用牌号:2507、2205、F51、F53。
随着化工行业的发展,特别是严苛工况(高温、高压、高腐蚀性等)下,对高温工况下应用的高温金属硬密封球阀的要求也越来越高。目前国内市场上使用的高温金属硬密封浮动球阀大都存在以下几点缺陷:
1、没有设置阀腔自动泄压结构或者阀腔自动泄压结构设置不合理,当累积在阀腔中的介质受到管道温度升高的影响时,阀腔内的介质体积就会激剧膨胀,造成阀腔压力瞬时升高而导致阀体变形,甚至造成阀体爆炸,致使设备破坏,甚至危及人身安全。
2、都是采用分体式下游密封阀座,在高温(> 450°C )工况下右阀体的膨胀系数、阀座以及下游阀座密封圈的膨胀系数不一样,导致此结构阀门在运行过程中经常出现抱死或者内漏现象;
3、左阀体和右阀体之间、左阀体与加长填料函之间密封采用金属缠绕垫片密封,高温工况下使用一段时间后,因为缠绕垫片密封材质柔性石墨的膨胀、老化现象严重,导致阀门出现高温介质外漏,及其引发安全问题。

由于具有奥氏体+铁素体双相组织,且两个相组织的含量基本相当,故兼有奥氏体不锈钢和铁素体不锈钢的特点。屈服强度可达400Mpa~550MPa,是普通奥氏体不锈钢的2倍。与铁素体不锈钢相比,双相钢球阀2205的韧性高,脆性转变温度低,耐晶间腐蚀性能和焊接性能均显著提高;同时又保留了铁素体不锈钢的一些特点,如475℃脆性、热导率高、线膨胀系数小,具有超塑性及磁性等。与奥氏体不锈钢相比,双相不锈钢球阀的强度高,特别是屈服强度显著提高,且耐孔蚀性、耐应力腐蚀、耐腐蚀疲劳等性能也有明显的改善。
2205双相钢球阀它具有旋转90度的动作,旋塞体为球体,有圆形通孔或通道通过其轴线。在管路中主要用来做切断、分配和改变介质的流动方向,它只需要用旋转90度的操作和很小的转动力矩就能关闭严密。适宜做开关、切断阀使用,也具有节流和控制流量之用。
【2507双相钢球阀产品特点】:
1、锁紧装置:为防止阀门开关误操作,在阀门全开、全关位置有锁定孔,确保阀门处于正确的位置。
2、开关无误的手柄:采用扁头阀杆,与手柄的连接不会错位,从而保证手柄指示的开关状态与阀一致辞。
3、阀杆防飞结构:阀杆为下装式,防止受压飞出,同时可在火灾后,与阀体形成金属接触,确保阀杆密封。
4、先进的阀座:聚多年球阀制造经验而设计的阀座,确保阀门密封,磨擦系数低,操作力矩小、多种阀座材料、适应范围广。

执行标准
球阀类型
设计与制造
结构长度
法兰尺寸
压力-温度
试验-检验
对分式法兰球阀
API 608
ANSI B16.10
ANSI B16.5
ANSI B16.34
API 598
固定式法兰球阀
API 6D
API 6D
API 6D
压力测试
公称压力
强度试验
水密封试验
气密封试验
Mpa
LBf/in2
Mpa
LBf/in2
Mpa
LBf/in2
150
3
430
2.2
315
0.4-0.7
60-100
300
7.7
1110
5.7
815
600
15.3
2220
11.3
1630
零件材料
阀体
4A
球
F51
阀杆
F51
阀座
聚四氟乙烯 不锈钢/聚四氟乙烯 对位聚苯
垫片
聚四氟乙烯 不锈钢/柔性石墨 齿形垫片
阀杆座
聚四氟乙烯 不锈钢/柔性石墨
填料
聚四氟乙烯 增强柔性石墨
填料压盖
304
温度
≦150
介质
水、油品、蒸汽、醋酸类、硝酸类

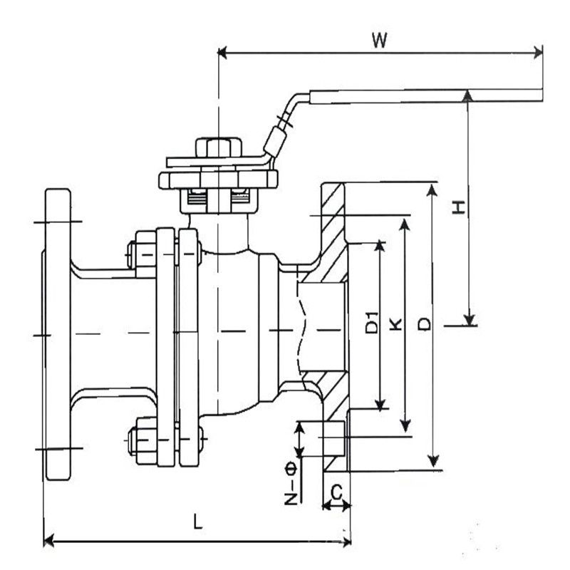
2507双相钢球阀外形尺寸
1.6MPa主要连接尺寸型号 公称通径 DN(mm) 尺寸(mm) L D D1 D2 b-f z-Φd H W Q41F-16C
Q41F-16P
Q41F-16R
Q41F-16RL
Q341F-16C
Q341F-16P
Q341F-16R
Q341F-16RL15 130 95 65 45 14-2 4-Φ14 65 115 20 140 105 75 55 14-2 4-Φ14 75 130 25 150 115 85 65 14-2 4-Φ14 85 150 32 165 135 100 78 16-2 4-Φ18 95 190 40 180 145 110 85 16-3 4-Φ18 105 230 50 200 160 125 100 16-3 4-Φ18 115 240 65 220 180 145 120 18-3 4-Φ18 145 280 80 250 195 160 135 20-3 8-Φ18 160 310 100 280 215 180 155 20-3 8-Φ18 185 330 125 320 245 210 185 22-3 8-Φ18 215 600 150 360 280 240 210 24-3 8-中23 245 800 200 400 335 295 265 26-3 12-Φ23 300 1000 250 450 405 355 320 30-3 12-Φ25 380 1200 2.5MPa主要连接尺寸
型号 公称通径 DN(mm) 尺寸(mm) L D D1 D2 b-f z-Φd H W Q41F-25C
Q41F-25P
Q41F-25R
Q41F-25RL
Q341F-25C
Q341F-25P
Q341F-25R
Q341F-25RL15 130 95 65 45 14-2 4-Φ14 65 115 20 140 105 75 55 14-2 4-Φ14 75 130 25 150 115 85 65 14-2 4-Φ14 85 150 32 165 135 100 78 16-2 4-Φ18 95 190 40 180 145 110 85 18-3 4-Φ18 105 230 50 200 160 125 100 20-3 4-Φ18 115 240 65 220 180 145 120 22-3 8-Φ18 145 280 80 250 195 160 135 22-3 8-Φ18 160 310 100 280 230 190 160 24-3 8-Φ23 185 330 125 320 270 220 188 28-3 8-Φ25 215 600 150 360 300 250 218 30-3 8-Φ25 245 800 200 400 360 310 278 34-3 12-Φ25 300 1000 250 450 425 370 332 36-3 12-Φ30 380 1200 4.0MPa主要连接尺寸
型号 公称通径 DN(mm) 尺寸 (mm) L D D1 D2 D6 b-f z-Φd H W Q41F-40C
Q41F-40P
Q41F-40R
Q41F-40RL
Q341F-40C
Q341F-40P
Q341F-40R
Q341F-40RL15 130 95 65 45 40 16-2 4-Φ14 70 115 20 140 105 75 55 51 16-2 4-Φ14 80 130 25 150 115 85 65 58 16-2 4-Φ14 90 150 32 180 135 100 78 66 18-3 4-Φ18 100 190 40 200 145 110 85 76 18-3 4-Φ18 110 230 50 220 160 125 100 88 20-3 4-Φ18 120 240 65 250 180 145 120 110 22-3 8-Φ18 150 280 80 280 195 160 135 121 22-3 8-Φ18 170 310 100 320 230 190 160 150 24-3 8-Φ23 190 330 125 360 270 220 188 176 28-3 8-Φ25 220 600 150 400 300 250 218 204 30-3 8-Φ25 250 800 200 550 375 320 282 260 38-3 12-Φ30 390 1200 6.4MPa主要连接尺寸
型号 Type 公称通径 DN(mm) 尺寸(mm) L D D1 D2 D6 b-f z-Φd H W Q41F-64C
Q41F-64P
Q41F-64R
Q41F-64RL
Q341F-64C
Q341F-64P
Q341F-64R
Q341F-64RL15 140 105 75 55 40 18-2 4-Φ14 75 115 20 160 125 90 68 51 20-2 4-Φ18 85 130 25 180 135 100 78 58 22-2 4-Φ18 95 150 32 200 150 110 82 66 24-2 4-Φ23 105 190 40 220 165 125 95 76 24-3 4-Φ23 120 230 50 250 175 135 105 88 26-3 4-Φ23 130 240 65 280 200 160 130 110 28-3 8-Φ23 160 280 80 320 210 170 140 121 30-3 8-Φ23 180 310 100 360 250 200 168 150 32-3 8-Φ25 200 330 125 381 295 240 202 176 36-3 8-Φ30 230 600 150 403 340 280 240 204 38-3 8-Φ34 260 800 200 502 405 345 300 260 44-3 12-Φ34 400 1200 
有鉴于此,本实用新型的目的在于提供一种保证在高温下变形系数不同的球体和第二阀座发生弹性变形时,仍然能够实现球体和第二阀座之间的有效密封配合的高温金属硬密封浮动球阀。2507双相钢焊接锻钢球阀,锻造,左中右阀体三片式结构球阀,可以按国标、美标、日标、德标制造,双相钢耐氯离子腐蚀,常用于海水、氯化物、高盐水。通径DN8-DN100,压力1.6MPa-16.0MPa,日标10K-20K,美标150LB-1500LB。

一、球阀的安装
安装前的准备
1、球阀前后管线已准备好。前后管道应同轴,两法兰密封面应平行。管道应能承受球阀的重量,否则管道上必须配有适当的支撑
2、把阀前后管线吹扫干净,清除掉管道内的油污、焊渣和一切其它杂质
3、核对球阀的标志,查明球阀完好无损。将阀全开全闭数次证实其工作正常
4、拆去球阀两端连接法兰上的保护件
5、检查阀孔清除可能有的污物,然后清洗阀孔。阀座与球之间即使仅有微小颗粒的异物也可能会损伤阀座密封面
安装
1、把阀装上管线。阀的任何一端都可装在上游端。用手柄驱动的阀可安装在管道上的任意位置。但带有齿轮箱或气动驱动器的球阀应直立安装,即安装在水平管道上,且驱动装置处于管道上方
2、阀法兰与管线法兰间按管路设计要求装上密封垫
3、法兰上的螺栓需对称、逐次、均匀拧紧
4、连接气动管线(采用气动驱动器时)
安装后的检查
1、操作驱动器启、闭球阀数次,应灵活无滞涩,证实其工作正常
2、按管路设计要求对管道与球阀间的法兰结合面进行密封性能检查

球阀安装前准备
1、球阀安装前后管路准备就绪。前后管道应该是同轴的,两个法兰的密封面应该平行。管道应能承受球阀的重量,否则管道必须配有适当的支撑物
2、吹出管道前后的阀门,去除管道中的油污、焊渣和其他杂质
3、检查球阀标志,确保球阀完好无损。开启和关闭阀门几次,以验证其正常工作
4、拆下连接球阀末端的法兰上的保护
5、检查阀门孔是否有污垢,然后清洗阀门孔。即使在阀座和球体之间有小的异物颗粒,也可能损坏阀座密封面
球阀安装
1、把阀门接到管线上。阀门的任何一端都可以安装在上游端。由手柄带动的阀门可以安装在管路上的任何位置。但球阀与齿轮箱或气动执行机构应直立安装,即在水平管道中,传动装置位于管道
2、阀门法兰和管道法兰按管道设计要求安装密封垫片
3、法兰上的螺栓需对称、连续、均匀紧固
4、连接气动管道(使用气动驱动器时)

球阀安装后检查
1、操作传动开启、关闭球阀数次,应灵活无涩,验证其正常工作
2、按管道设计要求和球阀接头表面密封性能检查
二、球阀的维修
◆在拆卸球阀之前,球阀的维护必须首先确定球阀的上下管已经卸下压力
◆拆卸和重装时,必须注意防止损坏零件的密封面,特别是非金属零件,拆卸和重装时,法兰上的螺栓必须对称、逐渐和均匀地拧紧
◆清洗剂应与球阀内的橡胶件、塑料件、金属件和工作介质(如气体)相容。当工作介质为气体时,金属零件可用汽油清洗(gb484-489)。非金属部分用纯净水或酒精清洗,单个部件可以用浸泡清洗方法清洗
◆含有未分解的非金属部件的金属部件可以用浸有清洁剂的干净、精细、干净的丝绸擦拭(以防止纤维掉落和粘附在部件上)
◆非金属零件清洗后应立即从清洗剂中取出,不得长时间浸泡
◆所有附着在墙面上的非金属部件,例如油脂、污垢、胶水和灰尘,在清洗后应立即从清洗剂中清除,清洗后不要长时间浸泡,清洗后应挥发清洗(可不使用丝绸清洗剂)进行组装,但不要长时间使用,否则会生锈并被灰尘污染
◆新零件在装配前应该清洁并用油脂润滑。润滑脂应与球阀金属材料、橡胶部件、塑料部件和工作介质相容
◆在密封的安装槽表面涂上一层薄薄的润滑脂,在橡胶密封圈上涂上一层薄薄的润滑脂,阀杆的密封面和摩擦面上涂上一层薄薄的润滑脂组件
◆不允许有金属碎片、纤维、润滑脂(使用规定除外)灰尘和其他杂质、异物和其他污染物、附着或停留在零件表面或腔体内
2507双相钢法兰球阀,F53双相不锈钢球阀主要成分由于具有奥氏体+铁素体双相组织,且两个相组织的含量基本相当,故兼有奥氏体不锈钢和铁素体不锈钢的特点。屈服强度可达400Mpa ~ 550MPa,是普通奥氏体不锈钢的2倍。与铁素体不锈钢相比,双相不锈钢的韧性高,脆性转变温度低,耐晶间腐蚀性能和焊接性能均显著提高;同时又保留了铁素体不锈钢的一些特点,如475℃脆性、热导率高、线膨胀系数小,具有超塑性及磁性等。与奥氏体不锈钢相比,双相不锈钢的强度高,特别是屈服强度显著提高,且耐孔蚀性、耐应力腐蚀、耐腐蚀疲劳等性能也有明显的改善。

订货须知:
一、①产品名称与型号②口径③是否带附件以便我们的为您正确选型④的使用压力⑤的使用介质的温度。
二、若已经由设计单位选定公司的型号,请按型号直接向我司销售部订购。
三、当使用的场合非常重要或环境比较复杂时,请您尽量提供设计图纸和详细参数,由我们的阀门公司专家为您审核把关。如有疑问:请:我们一定会尽心尽力为您提供优质的服务。提供全面、阀门系统解决方案",也十分愿意帮助用户解决生产中所遇到的难题。 -
联系方式
- 联系人:申弘阀门
- 电 话:021-59260058
- 手 机:15901754341
- 传 真:86-021-31662735
- 邮 箱:494522509@qq.com
- 邮 编:201718
- 地 址:上海市青浦区金泽工业园区
- 网 址: https://bengye.cn.goepe.com/
http://www.021-fm.com
-
产品搜索




