-
申弘双相钢硬密封球阀2205
详细信息| 询价留言2205双相钢硬密封球阀简介
本实用新型的另一目的在于提供一种有效解决超高温状态下金属硬密封浮动球阀阀腔异常升压问题的高温金属硬密封浮动球阀。由于双相钢法兰的这些优点.被广泛使用在,各种污水处理管道 深海做业.海水淡化.造纸工业设备,食品工业加工设备,海上石油平台(热交换器管,水处理和供水系统)脱盐(淡化)设备,油田管道和设备,各类酸碱环境.由于良好的耐磨耐腐蚀性能.使用帮命比一般不锈钢多四到五年时间,如在海水中的管道,使用双相钢法兰,由于寿命长,可以*的减少产品更换的成本.人工成本.相对来说性价比还是相当的高的。

2205双相钢硬密封球阀有以下性能特点:
(1)含钼双相不锈钢在低应力下有良好的耐氯化物应力腐蚀性能。一般18-8型奥氏体不锈钢在60°C以上中性氯化物溶液中容易发生应力腐蚀断裂,在微量氯化物及硫化氢工业介质中用这类不锈钢制造的热交换器、蒸发器等设备都存在着产生应力腐蚀断裂的倾向,而双相不锈钢却有良好的抵抗能力。
(2)含钼双相不锈钢有良好的耐孔蚀性能。在具有相同的孔蚀抗力当量值(PRE=Cr%+3.3Mo%+16N%)时,双相不锈钢与奥氏体不锈钢的临界孔蚀电位相仿。双相不锈钢与奥氏体不锈钢耐孔蚀性能与AISI 316L相当。含25%Cr的,尤其是含氮的高铬双相不锈钢的耐孔蚀和缝隙腐蚀性能超过了AISI 316L。
(3)具有良好的耐腐蚀疲劳和磨损腐蚀性能。在某些腐蚀介质的条件下,适用于制作泵、阀等动力设备。
(4)综合力学性能好。有较高的强度和疲劳强度,屈服强度是18-8型奥氏体不锈钢的2倍。固溶态的延伸率达到25%,韧性值AK(V型槽口)在100J以上。
(5)可焊性良好,热裂倾向小,一般焊前不需预热,焊后不需热处理,可与18-8型奥氏体不锈钢或碳钢等异种焊接。
(6)含低铬(18%Cr)的双相不锈钢热加工温度范围比18-8型奥氏体不锈钢宽,抗力小,可不经过锻造,直接轧制开坯生产钢板。含高铬(25%Cr)的双相不锈钢热加工比奥氏体不锈钢略显困难,可以生产板、管和丝等产品。
(7)冷加工时比18-8型奥氏体不锈钢加工硬化效应大,在管、板承受变形初期,需施加较大应力才能变形。
(8)与奥氏体不锈钢相比,导热系数大,线膨胀系数小,适合用作设备的衬里和生产复合板。也适合制作热交换器的管芯,换热效率比奥氏体不锈钢高。
(9)仍有高铬铁素体不锈钢的各种脆性倾向,不宜用在高于300°C的工作条件。双相不锈钢中含铬量愈低,σ等脆性相的危害性也愈小。

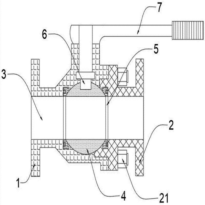
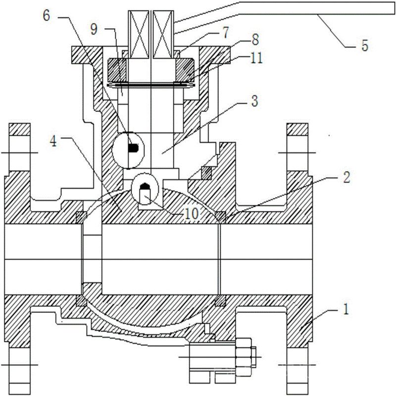
本实用新型提供一种高温金属硬密封浮动球阀,其特征在于,包括阀体、阀座、球体、填料箱和阀杆,所述填料箱固定在所述阀体上,所述阀杆的一端穿过所述填料箱,与所述球体相连接,另一端设置于所述填料箱的外部;所述阀体、填料箱之间形成阀腔兼有奥氏体和铁素体不锈钢的特点,与铁素体相比,塑性、韧性更高,无室温脆性,耐晶间腐蚀性能和焊接性能均显著提高,同时还保持有铁素体不锈钢的475℃脆性以及导热系数高,具有超塑性等特点。与奥氏体不锈钢相比,强度高且耐晶间腐蚀和耐氯化物应力腐蚀有明显提高。双相不锈钢球阀具有优良的耐孔蚀性能,也是一种节镍不锈钢。

执行标准
美标
国标
阀门设计
API6D ASME16.34
GB12237
阀门-压力温度等级
ASME B16.34
GB12234
结构长度
ASME B16.10
GB12221
连接法兰
ASME B16.34 ASME B16.47a
GB9113 JB79
对焊端
ASME B16.25
GB12224
检验和试验
API6D API598
GB/T13927
对于不同工况条件的应用:
结构形式
制造范围
温度范围
辅助密封
密封面材料
适用流体
浮
动
球
阀ASME Class
150~300Lb
1″~8″
双流向ASME Class
60~1500Lb
1″~4″
单流向
-29~250℃
改性PTFE对莅聚苯
球体、碳化钨
纸浆、含固体颗粒的流体
阀座:STL-12
球体:镀硬铬
阀座:STL-6
-29~450℃
柔性石墨
球体:碳化钨
高温、高腐蚀、高压含固体颗粒的流体
阀座:STL-12
球体:镀镍铬碳化铬
阀座:STL-6
-29~760℃
阀座与本体焊接(双偏心、单流向)
球体:镀镍铬碳化铬
450℃以上的高温、高频高压流体
阀座:镀镍铬碳化铬
固
定
球
阀ASME Class
60~1500Lb
4″~28″
(双流向)
(单流向)-29~150℃
增强PTFE氟橡胶“O”圈
球体:碳化钨
纸浆、含固体颗粒的流体
阀座:STL-12
球体:镀硬铬
阀座:STL-6
-29~450℃
柔性石墨
金属片球体:碳化钨
高温、高腐蚀、高压含固体颗粒的流体
阀座:STL-12
球体:镀镍铬碳化铬
阀座:STL-6
-29~760℃
阀座与本体焊接(双偏心、单流向)
球体:镍铬碳化铬
450℃以上的高温、
DN
PN16(1.6MPa)
PN25(2.5MPa)
备注
L
H1
H2
L
H1
H2
浮
动
球15
130
—
59
130
—
59
20
130
—
63
150
—
63
25
140
—
75
160
—
75
32
165
—
85
180
—
85
40
165
—
95
200
—
95
50
203
—
107
230
—
107
固定球
浮动球65
222
—
142
290
—
142
80
241
—
152
310
—
152
100
305
—
178
350
—
178
125
356
—
252
381
—
252
150
394
—
272
403
—
272
200
457
—
342
502
—
342
200
457
—
398
502
—
398
固
定
球250
533
335
495
568
335
495
300
610
385
580
648
385
580
350
686
430
625
762
430
625
400
762
470
720
838
470
720
500
914
590
840
991
590
840
600
1067
700
1050
1143
700
1050
700
1245
780
1150
1346
780
1150
DN
PN40(4.0MPa)
PN64(6.4MPa)
备注
L
H1
H2
L
H1
H2
浮
动
球15
130
—
59
165
—
59
20
150
—
63
190
—
63
25
160
—
75
216
—
75
32
180
—
85
229
—
85
40
200
—
95
241
—
95
50
230
—
107
292
—
107
浮动球65
290
—
142
330
—
142
80
310
—
152
356
—
152
100
350
—
178
432
—
178
125
381
—
252
508
—
252
150
403
—
272
559
—
272
200
502
—
342
660
—
398
250
568
335
495
787
335
445
300
648
385
580
838
385
515
350
762
430
625
889
430
550
400
838
470
720
991
470
615
500
991
590
840
1194
590
810
600
1143
700
1050
1397
700
845
700
1346
780
1150
1700
780
1089
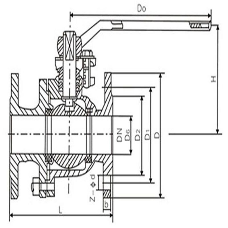
2205双相钢硬密封球阀外形尺寸
DN
Class 150
Class 300
备注
L
H1
H2
L
H1
H2
浮
动
球1/2″
108
—
59
140
—
59
3/4″
117
—
63
152
—
63
1″
127
—
75
165
—
75
11/2″
165
—
85
190
—
95
2″
178
—
95
216
—
107
固定球
浮动球21/2″
190
—
107
241
—
142
3″
203
—
142
283
—
152
4″
229
—
152
305
—
178
5″
356
—
178
381
—
252
6″
394
—
252
403
—
272
8″
457
—
272
502
—
342
8″
457
—
342
502
—
398
固
定
球10″
533
335
495
568
335
495
12″
610
385
580
648
385
580
14″
686
430
625
762
430
625
16″
762
470
720
838
470
720
20″
914
590
840
991
590
840
24″
1067
700
1050
1143
700
1050
28″
1245
780
1150
1346
780
1150
DN
Class 400
Class 600
备注
L
H1
H2
L
H1
H2
浮
动
球1/2″
165
—
59
165
—
59
3/4″
190
—
63
190
—
63
1″
216
—
75
216
—
75
11/2″
241
—
95
241
—
95
2″
292
—
107
292
—
107
固定球
浮动球4″
406
—
178
432
—
178
6″
495
250
300
559
250
300
8″
597
294
374
660
294
374
10″
673
370
445
787
370
445
12″
762
420
515
838
420
515
14″
826
460
550
889
460
550
16″
902
505
615
991
505
615
20″
1054
630
810
1194
630
810
24″
1232
685
845
1397
825
1010
28″
1397
860
1087
1549
970
1180

主要特点是本身结构紧凑,易于操作和维修,适用于水、溶剂、酸和天然气等一般工作介质,法兰球阀而且还适用于工作条件恶劣的介质,如氧气过氧化氢,甲烷和乙烯等。阀体可以是整体的,也可以是组合式的。 本类球阀应安装在管道的水平方向。
2205双相钢硬密封球阀安装和维护步骤:
1.1安装前的准备
(1)球阀前后管线已准备好。前后管道应同轴,两法兰密封面应平行。管道应能承受球阀的重量,否则管道上必须配有适当的支撑。
(2)把阀前后管线吹扫干净,清除掉管道内的油污、焊渣和一切其它杂质。
(3)核对球阀的标志,查明球阀完好无损。将阀全开全闭数次证实其工作正常。
(4)拆去球阀两端连接法兰上的保护件。
(5)检查阀孔清除可能有的污物,然后清洗阀孔。阀座与球之间即使仅有微小颗粒的异物也可能会损伤阀座密封面。

1.2安装
(1)把阀装上管线。阀的任何一端都可装在上游端。用手柄驱动的阀可安装在管道上的任意位置。但带有齿轮箱或气动驱动器的球阀应直立安装,即安装在水平管道上,且驱动装置处于管道上方。
(2)阀法兰与管线法兰间按管路设计要求装上密封垫。
(3)法兰上的螺栓需对称、逐次、均匀拧紧。
(4)连接气动管线(采用气动驱动器时)。
1.3安装后的检查
(1)操作驱动器启、闭球阀数次,应灵活无滞涩,证实其工作正常。
(2)按管路设计要求对管道与球阀间的法兰结合面进行密封性能检查。
2阀的维修
2.1通则
(1)必须先查明球阀上、下游管道确已卸除压力后,才能进行拆卸分解操作。
(2)分解及再装配时必须小心防止损伤零件的密封面,特别是非金属零件,取出O型圈时宜使用专用工具。
(3)装配时法兰上的螺栓必须对称、逐步、均匀地拧紧。
(4)清洗剂应与球阀中的橡胶件、塑料件、金属件及工作介质(例如燃气)等均相容。工作介质为燃气时,可用汽油(GB484-89)清洗金属零件。非金属零件用纯净水或酒精清洗。
(5)分解下来的单个零件可以用浸洗方式清洗。尚留有未分解下来的非金属件的金属件可采用干净的细洁的浸渍有清洗剂的绸布(为避免纤维脱落粘附在零件上)擦洗。清洗时须去除一切粘附在壁面上的油脂、污垢、积胶、灰尘等。
(6)非金属零件清洗后应立即从清洗剂中取出,不得长时间浸泡。
(7)清洗后需待被洗壁面清洗剂挥发后(可用未浸清洗剂的绸布擦)进行装配,但不得长时间搁置,否则会生锈、被灰尘污染。
(8)新零件在装配前也需清洗干净。
(9)使用润滑脂润滑。润滑脂应与球阀金属材料、橡胶件、塑料件及工作介质均相容。工作介质为燃气时,可用例如特221润滑脂。在密封件安装槽的表面上涂一薄层润滑脂,在橡胶密封件上涂一薄层润滑脂,阀杆的密封面及摩擦面上涂一薄层润滑脂。
(10)装配时应不允许有金属碎屑、纤维、油脂(规定使用的除外)灰尘及其它杂质、异物等污染、粘附或停留在零件表面上或进入内腔。

订货须知:
一、①产品名称与型号②口径③是否带附件以便我们的为您正确选型④的使用压力⑤的使用介质的温度。
二、若已经由设计单位选定公司的型号,请按型号直接向我司销售部订购。
三、当使用的场合非常重要或环境比较复杂时,请您尽量提供设计图纸和详细参数,由我们的阀门公司专家为您审核把关。如有疑问:请:我们一定会尽心尽力为您提供优质的服务。提供全面、阀门系统解决方案",也十分愿意帮助用户解决生产中所遇到的难题。 -
联系方式
- 联系人:申弘阀门
- 电 话:021-59260058
- 手 机:15901754341
- 传 真:86-021-31662735
- 邮 箱:494522509@qq.com
- 邮 编:201718
- 地 址:上海市青浦区金泽工业园区
- 网 址: https://bengye.cn.goepe.com/
http://www.021-fm.com
-
产品搜索








