-
申弘法兰式铜球阀Q41T
详细信息| 询价留言Q41T法兰式铜球阀简介
技术参数
球阀主要用于截断或接通管路中的介质,亦可用于流体的调节与控制,其中硬密封V型球阀其V型球芯与堆焊硬质合金的金属阀座之间具有很强的剪切力,特别适用于含纤维、微小固体颗料等介质。而多通球阀在管道上不仅可灵活控制介质的合流、分流、及流向的切换,同时也可关闭任一通道而使另外两个通道相连。本类球阀在管道中一般应当水平安装。球阀是本身结构紧凑,密封可靠,结构简单,维修方便,密封面与球面常在闭合状态,不易被介质冲蚀,易于操作和维修,适用于水、溶剂、酸和天然气等一般工作介质,而且还适用于工作条件恶劣的介质,如氧气、过氧化氢、甲烷和乙烯等,在各行业得到广泛的应用。球阀阀体可以是整体的,也可以是组合式的。☆取掉法兰端两边的保护盖,在阀完全打开的状态下进行冲洗清洁。

采用上述方案,固定块起到固定弹簧的作用,弹簧可通过弹性将密封圈挤压在法兰的内表壁上,对密封圈进行固定,防止密封圈受到水流冲击容易脱落,使用方便快捷,铁丝通过水流的冲击力,可将进入排水孔内的大块杂质进行切割,防止大块杂质进入排水孔内容易堵塞,影响球阀的正常使用。
作为一种优选的实施方式,所述固定块为中空形圆柱体结构。
采用上述方案,便于减小固定块在水流中的阻力。
作为一种优选的实施方式,所述法兰的内表壁设置有卡槽。
采用上述方案,便于卡合密封圈,防止密封圈脱落。
作为一种优选的实施方式,所述把手和转杆通过螺栓固定连接。
采用上述方案,便于把手的更换,更换方便快捷。
作为一种优选的实施方式,所述法兰上开设有安装孔。
采用上述方案,便于浮动球阀的安装,增加球阀的牢固性。

黄铜球阀在管道内流体上主要用于切断、分配和改变介质流动方向。黄铜球阀常被用于水暖、水管、空调内外机连接管和散热器等。法兰铜球阀启闭件(球体)由阀杆带动,并绕球阀轴线作旋转运动的阀门。亦可用于流体的调节与控制主要用于截断或接通管路中的介质,亦可用于流体的调节与控制,而多通球阀在管道上不仅可灵活控制介质的合流、分流、及流向的切换,同时也可关闭任一通道而使另外两个通道相连。本类球阀在管道中可水平或垂直安装。
Q41T法兰式铜球阀特点:
1、适用于经常操作,启闭迅速、轻便。
2、流体阻力小。
3、结构简单,相对体积小,重量轻,便于维修。
4、密封性能好
5、不受安装方向的限制,介质的流向可任意
参数:
1、选用优质铜材,采用热锻造工艺
2、球阀工作介质为水、油、气等。
3、工作温度-10℃≤t≤120℃。
4、公称压力分别为2.5MPa、2.0MPa和1.6MPa三种。

公称通径DN(mm) 20(3/4")~100(4") 公称压力PN(Mpa) 1.0~2.0 使用温度(℃) -20~120 适用介质 水、气、油 Q41T法兰式铜球阀主要零件材料及性能:
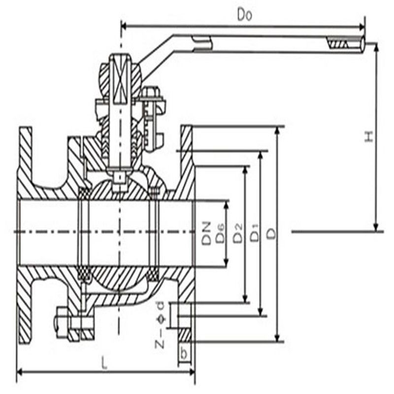
Q41T法兰式铜球阀主要外形尺寸阀体
BodyWCB
ZG1Cr18Ni9Ti
CF8
CF3
ZG1Cr18Ni12Mo2Ti
CF8M
CF3M
球体阀杆
Ball Stem2Cr13
1Cr18Ni9Ti
304
304L
1Cr18Ni12Mo2Ti
316
316L
阀座
Seat聚四氟乙烯PTFE 加坡纤增强聚四氟乙烯PTFE+Glass 对位聚笨PPL
垫片
Shim聚四氟乙烯PTFE 不锈钢/柔性石墨Stainless Steel/flexible Graphite 齿形垫片Tooth Profile Gasket
阀杆座
Stem Seat聚四氟乙烯PTFE 不锈钢/柔性石墨Stainless Steel/Flexible Graphite
填料
Packing聚四氟乙烯PTFE 增强柔性石墨Enhanced Flexible Graphite
填料压盖
GlandWCB
1Cr18Ni9Ti
304
304L
1Cr18Ni12Mo2Ti
316
316L
温度
Temperature-29~150(聚四氟乙烯PTFE) -29~200(加玻纤增强聚四氟乙烯PTFE+GLASS) -29~300(对位聚笨PPL)
介质
Medium水蒸汽油品
Water steam
Oil goods硝酸类Nitric Acid
强氧化介质
strongey oxidable medium醋酸类Acetic Acid
尿素类Urea
DN SIZE L H D K D1 n-φd 15 1/2 78 62 95 65 119 4-14 20 3/4 81 67 105 75 136 4-14 25 1 84 73 115 85 134 4-14 32 1 1/4 95.5 96 140 100 153 4-18 40 1 1/2 108 96 150 110 143 4-18 50 2 108 103 165 125 143 4-18 65 2 1/2 112.5 115 186 145 245 8-18 80 3 123.5 120 200 160 232 8-18 100 4 140 154 215 180(190) 239 8-18 
与现有技术相比,本实用新型的有益效果是:
该一种高温高压自密封浮动球阀通过设置弹簧和固定块,固定块起到固定弹簧的作用,弹簧可通过弹性将密封圈挤压在法兰的内表壁上,对密封圈进行固定,防止密封圈受到水流冲击容易脱落,使用方便快捷。
该一种高温高压自密封浮动球阀通过设置铁丝,铁丝通过水流的冲击力,可将进入排水孔内的大块杂质进行切割,防止大块杂质进入排水孔内容易堵塞,影响球阀的正常使用。

Q41T法兰式铜球阀请按以下指示进行安装:(详情或见产品说明书)
(1)取掉法兰端两边的保护盖,在阀完全打开的状态下进行冲洗清洁。
(2)安装前应按规定的信号(电动或气动)进行整机测试(防止因运输产生振动影响使用性能),合格后方可上线安装(接线按电动执行机构线路图)。
(3)准备与管道连接前,须冲洗和清除干净管道中残存的杂质(这些物质可能会损坏阀座和球)。
(4)在安装期间,请不要用阀的执行机构部分作为起重的吊装点,以避免损坏执行机构及附件。
(5)本类阀应安装在管道的水平方向或垂直方向。
(6)安装点附近的管道不可有低垂或者承受外力的现象,可以用管道支架或者支撑物来消除管线的偏离。
(7)与管道连接后,请用规定的扭矩交叉锁紧法兰连接螺栓。
订货须知:
一、①产品名称与型号②口径③是否带附件以便我们的为您正确选型④的使用压力⑤的使用介质的温度。
二、若已经由设计单位选定公司的型号,请按型号直接向我司销售部订购。
三、当使用的场合非常重要或环境比较复杂时,请您尽量提供设计图纸和详细参数,由我们的阀门公司专家为您审核把关。如有疑问:请:我们一定会尽心尽力为您提供优质的服务。提供全面、阀门系统解决方案",也十分愿意帮助用户解决生产中所遇到的难题。 -
联系方式
- 联系人:申弘阀门
- 电 话:021-59260058
- 手 机:15901754341
- 传 真:86-021-31662735
- 邮 箱:494522509@qq.com
- 邮 编:201718
- 地 址:上海市青浦区金泽工业园区
- 网 址: https://bengye.cn.goepe.com/
http://www.021-fm.com
-
产品搜索





