-
申弘氧气铜球阀YQ41T
详细信息| 询价留言YQ41T氧气铜球阀简介
是氧气管网阀门的一种氧气球阀是属于氧气管道专用阀门,除了具有普通球阀用特点外,又鉴于它采用了质地优良的铜材质制造,氧气球阀又具有耐腐蚀、阻燃性能好、导电性好、传热性快等优点,加之结构上的不断更新和精细工艺的保证,使得该系列球阀产品已成为氧气管控工程系统中理想的设备。

本实用新型的目的在于提供一种自密封浮动球阀,以解决上述背景技术中提出的问题。为实现上述目的,本实用新型提供如下技术方案:一种高温高压自密封浮动球阀,包括球阀本体,所述球阀本体上旋合连接有转杆,所述转杆的上方设置有把手,且转杆的下方焊接固定有球体,所述球体上开设有排水孔,所述排水孔的内部焊接固定有铁丝,所述球阀本体的两侧均焊接固定有法兰,所述法兰的内表壁设置有密封圈,所述密封圈的内表壁设置有四个弹簧,四个所述弹簧之间通过螺栓固定连接有固定块。

YQ41T氧气铜球阀以下几点结构特点:
1 双阻塞与排放
固定球阀采用弹簧预紧浮动阀座,无论阀门处于全开或全关状态时,上下游侧的阀座使流体阻断,阀体中腔滞留物通过排放阀排泄。
2 自动泄压
阀门体腔停留介质温度升高而引起异常升压时,不需通过安全阀,而仅靠阀座功能就可自动泄压,这对保证阀门在输送液体介质时的安全性非常重要。
3 防火安全
阀门都具备防火安全功能,其设计、制造均严格遵循API 607和API 6FA 规范要求,并通过权威机构试验验证。
4 密封紧急救护
由于介质中的异物或火灾造成阀座密封意外失效,注脂阀提供了与注脂枪的快速连接,方便快捷地将密封脂注入到阀座密封部位,缓解泄漏。
5 可靠的阀杆密封和低操作力矩
除了设置标准密封套圈外,填料压盖上也设置了“O”型密封圈,双重密封保证了阀杆密封的可靠性;增设的石墨填料和密封脂注入使火灾后的阀杆泄漏降至*低。阀杆滑动轴承和止推轴承使阀门操作轻便。
6 全通径或缩径
可根据需要选用全通径或缩径结构。全通径阀门流量孔径与管线内径一致,便于管线清扫。
7 阀杆加长
根据安装或操作的需要,可对阀门阀杆进行加长。加长杆球阀,特别适用于城市煤气等需要埋地铺设管线的场合。加长阀杆尺寸按客户需要确定。
8 操作灵活
采用具有小摩擦系数和良好自润滑性的特氟隆(TEFLON)阀座和阀杆轴承,大大地减少了阀门的操作扭矩。因此即使在没有提供密封润滑脂的情形下,也能够长期灵活自如地对阀门进行操作。

用途范围
因阻燃性好,导电性能好,传热快,结构紧凑,防油,安全可靠等特点已经被各行各业所应用了。主要集中在以下方面:
①化工、石油化工生产中的弱腐蚀性物料,如:水、氨、油品、烃类等。
② 化工生产中的腐蚀性物料,如:烧碱、纯碱、浓稀硫酸、碳酸、醋酸、酯酸等。
③ 制冷中的低温物料,如:液甲烷、液氨、液氧和各种冷剂。
④ 轻工食品、制药生产中卫生要求的物料,如:啤酒、饮料、乳制品、粮浆等。

主要性能规范
公称压力 1.6 2.5 4.0 水压强度试验压力Mpa 2.4 3.75 6.0 水压密封试验压力Mpa 1.76 2.75 4.4 气压强度试验压力Mpa 1.76 2.75 4.4 气压密封试验压力Mpa 1.76 2.75 4.4 工作压力Mpa 1.6 2.5 4.0 工作温度 -20~150℃ 适用介质 氧气,氮气,空气等 主要零件材料
零件名称 壳体 球体 阀杆 手柄 垫片,填料密封圈 材料 16-4硅黄铜 不锈钢或铜合金 不锈钢 碳钢 聚四氟乙烯 性能范围:
公称通径(DN)
15-300
公称压力(MPa)
1.6
2.5
4.0
试验压力
(MPa)强度
2.4
3.75
6.0
密封
1.76
2.75
4.4
适用温度
≤150℃
适用介质
氧气
阀 体
硅黄铜
阀 杆
不锈钢
阀 芯
铜、不锈钢
填 料
聚四氟乙烯
压力试验:
公称压力NominalPressure
1.6
2.5
4.0
强度试验
Shell Test2.4
3.8
6.0
水密封试验
Water Seal Test1.8
2.8
4.4
气密封试验
Air Seal Test0.4-0.7
主要零件材料及性能:
阀体
BodyWCB
ZG1Cr18Ni9Ti
CF8
CF3
ZG1Cr18Ni12Mo2Ti
CF8M
CF3M
球体 阀杆
Ball Stem2Cr13
1Cr18Ni9Ti
304
304L
1Cr18Ni12Mo2Ti
316
316L
阀 座
Seat聚四氟乙烯PTFE 加坡纤增强聚四氟乙烯PTFE+Glass 对位聚笨PPL
垫片
Shim聚四氟乙烯PTFE 不锈钢/柔性石墨Stainless Steel/flexible Graphite 齿形垫片Tooth Profile Gasket
阀杆座
Stem Seat聚四氟乙烯PTFE 不锈钢/柔性石墨 Stainless Steel/Flexible Graphite
填料
Packing聚四氟乙烯PTFE 增强柔性石墨 Enhanced Flexible Graphite
填料压盖
GlandWCB
1Cr18Ni9Ti
304
304L
1Cr18Ni12Mo2Ti
316
316L
温度
Temperature-29~150(聚四氟乙烯 PTFE) -29~200(加玻纤增强聚四氟乙烯 PTFE+GLASS) -29~300(对位聚笨 PPL)
介质
Medium水 蒸汽 油品
Water steam
Oil goods硝酸类 Nitric Acid
强氧化介质
strongey oxidable medium醋酸类 Acetic Acid
尿素类 Urea
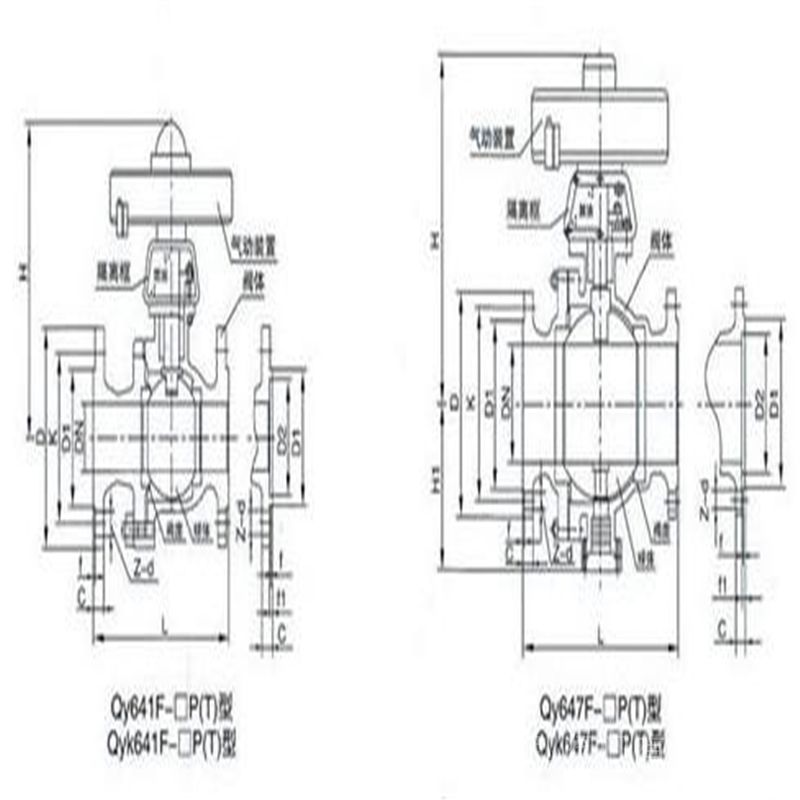
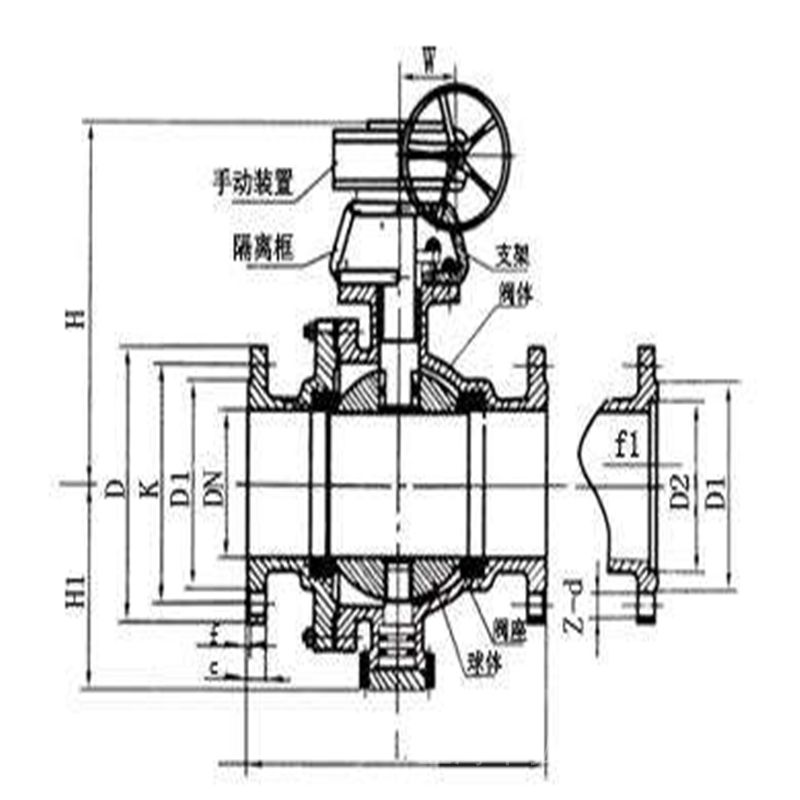
氧气球阀PN1.6MPa主要连接尺寸及重量:
公称通径DN
15
20
25
32
40
50
65
80
100
125
150
200
L
130
140
150
165
180
200
220
250
280
320
360
400
H
59
63
75
85
95
107
140
152
178
252
272
342
W
130
130
160
180
230
230
400
400
650
1050
1050
1410
Wt(㎏)
2.5
3
5
6
7
10
15
19
33
58
93
160
氧气球阀PN2.5MPa主要连接尺寸及重量:
公称通径DN
15
20
25
32
40
50
65
80
100
125
150
200
L
130
140
150
165
180
200
220
250
320
400
400
550
H
59
63
75
97
107
142
152
178
252
272
342
345
W
130
130
160
230
230
400
400
700
1100
1100
1500
1500
Wt(Kg)
-
-
-
-
-
-
-
-
-
-
-
-
氧气球阀PN4.0MP主要连接尺寸及重量:
公称通径DN
15
20
25
32
40
50
65
80
100
125
150
200
L
130
140
150
180
200
220
250
280
320
400
400
550
H
59
63
75
97
107
142
152
178
252
272
342
345
W
130
130
160
230
230
400
400
700
1000
1100
1500
1800
Wt(Kg)
-
-
-
-
-
-
-
-
-
-
-
-

硅黄铜氧气管路专用球阀属于氧气管道用阀门,具有普通阀门用特点,它采用了铜材质制造,具有耐腐蚀、阻燃性能好、传热性快等优点,该系列产品已成为氧气管控工程系统中理想的设备。本氧气球阀作为冶金工业中输送氧气管路上的启闭装置,较其它通用阀门相比有许多要求。因为氧气易燃,所以需防泄漏,防静电,防火花,以避免发生事故。 在结构上,设计为:阀瓣启闭时阀杆只升降而不转动,降低了密封副磨损、填料磨损和上密封磨损;侧法兰上装有接地螺钉,避免产生静电火花;阀杆外露部分用有机玻璃密闭封盖,用以防尘防油。

请按以下指示进行安装:
(1)取掉法兰端两边的保护盖,在阀打开的状态下进行冲洗清洁。
(2)安装前应按规定的信号(电动或气动)进行整机测试(防止因运输产生振动影响使用性能),合格后方可上线安装(接线按电动执行机构线路图)。
(3)准备与管道连接前,须冲洗和清除干净管道中残存的杂质(这些物质可能会损坏阀座和球)。
(4)在安装期间,请不要用阀的执行机构部分作为起重的吊装点,以避免损坏执行机构及附件。
(5)本类阀应安装在管道的水平方向或垂直方向。
(6)安装点附近的管道不可有低垂或者承受外力的现象,可以用管道支架或者支撑物来消除管线的偏离。
(7)与管道连接后,请用规定的扭矩交叉锁紧法兰连接螺栓。

订货须知:
一、①产品名称与型号②口径③是否带附件以便我们的为您正确选型④的使用压力⑤的使用介质的温度。
二、若已经由设计单位选定公司的型号,请按型号直接向我司销售部订购。
三、当使用的场合非常重要或环境比较复杂时,请您尽量提供设计图纸和详细参数,由我们的阀门公司专家为您审核把关。如有疑问:请:我们一定会尽心尽力为您提供优质的服务。提供全面、阀门系统解决方案",也十分愿意帮助用户解决生产中所遇到的难题。 -
联系方式
- 联系人:申弘阀门
- 电 话:021-59260058
- 手 机:15901754341
- 传 真:86-021-31662735
- 邮 箱:494522509@qq.com
- 邮 编:201718
- 地 址:上海市青浦区金泽工业园区
- 网 址: https://bengye.cn.goepe.com/
http://www.021-fm.com
-
产品搜索






