-
SH气动氧气球阀AT
详细信息| 询价留言AT气动氧气球阀产品说明
本实用新型公开了一种氧气球阀,包括阀体和设置于所述阀体阀腔内的球体,所述阀体左侧设有球体安装孔,所述球体安装孔上设有阀盖,阀杆穿过所述阀体与所述球体连接,所述阀杆下部设有凸台,所述凸台下端设有插入端,所述插入端上套设有防静电弹簧,所述球体上设有与所述插入端适配的插入孔;所述阀体上设有多个用于阀杆密封的填料槽,所述填料槽上设有填料压盖.一种转角为90°的旋转类控制阀。它由气动活塞式执行机构和O型球阀组成,阀芯采用圆柱形通孔球体。QJ(D/S)R型气动球阀为软密封球阀、QJ(D/S)RY型为硬密封球阀。该产品以压缩空气为动力源,接受集散控制系统(DCS),可编程控制器(PLC)等开关信号,通过电磁阀可实现对阀门快速位式控制。该产品采用直通型铸造阀体,球面经特殊工艺加工和硬化处理,使其表面光滑耐磨,具有寿命长、结构紧凑、动作可靠、流通能力大、流阻系数小、安装方便及良好的切断性能等特点。

本实用新型,阀杆与球体连接处套设有防静电弹簧,以消除阀体内部的静电,用于阀杆密封的填料槽上,增加填料压盖,用于将填料槽内的填料压紧,加强阀杆的密封性,防止阀杆断裂或变形,提高安全性和使用寿命.属于氧气管道专用阀门,除了具有普通阀门用特点外,又鉴于它采用了质地优良的铜材质制造,又具有耐腐蚀、阻燃性能好、导电性好、传热性快等优点,结构上的不断更新和精细工艺的保证,使得该系列产品已成为氧气管控工程系统中理想的设备。
1、防燃阻火:主要部件的材质为铜合金,属不可燃材料,即使与高速气流中的固体粒子碰撞也不会产生火花。因此,本阀具有的防燃阻火性能
2、安全可靠:氧气专用铜球阀带有防尘、防水、防油污装置,所有与氧气接触的阀件在组装前均经过严格脱脂和禁油措施,填料材质为聚四氟乙烯,可确保使用时安全可靠
3、氧气专用铜球阀法兰端均设有导电螺孔,以防止静电。

气动氧气球阀属于氧气管路专用阀,除了具有普通阀门用特点外,又鉴于它采用了质地优良的材质制造,又具有耐腐蚀、阻燃性能好、导电性好、传热性快等优点,结构上的不断更新和阀门精细工艺的保证,使得氧气专用球阀已成为氧气管控工程系统中理想的设备。
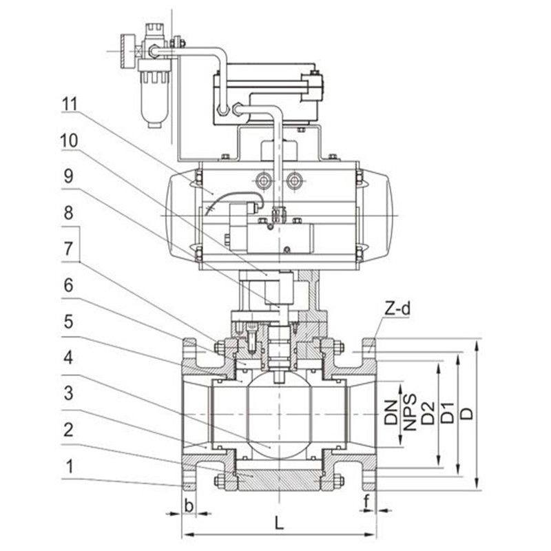
气动执行器及气动附件功能和用途(可选):
1,双作用执行器:控制阀门的开启和关闭。
2,单作用执行器(弹簧复位):在电路、气路切断或者有故障时,自动关闭阀门。
3,单控电磁阀:供电时阀门打开或者关闭,断电时阀门关闭或者打开(可提供防爆型)。
4,双控电磁阀:一个线圈通电时阀门打开,另一个线圈通电时候阀门关闭,有记忆功能(可提供防爆型)。
5,限位开关回信器:远距离传送阀门开和关位置信号(可提供防爆型)。
6,电气定位器:根据电流信号(4-20mA)的大小对阀门的介质流量调节控制(可提供防爆型)。
7,气动定位器:根据气压信号(标准0.02-0.1MPa)的大小对阀门的介质流量调节控制。
8,电气转换器:将电流信号转换成气压信号,与气动定位器配套使用(可提供防爆型)。
9,气源处理三联件:包括空气减压阀、过滤器、油雾器、对气源稳定、清洁、运动部件起润滑作用。
10,手动操作:自动控制在不正常情况下可以手动操作阀门的启闭。

AT气动氧气球阀执行器技术参数执行器型号 GT、SR、ST、AT、AW系列单双作用气动执行器 供气压力 0.4~0.7MPa 气源接口 G1/4"、G1/8"、G3/8"、G1/2" 环境温度 -30~+70℃ 作用形式 单作用执行机构:气关式(B)--失气时阀位开(FO);气开式(K)--失气时阀位关(FC)
双作用执行机构:气关式(B)--失气时阀位保持(FL);气开式(K)-- 失气时阀位保持(FL)可配附件 定位器、电磁阀、空气过滤减压器、保位阀、行程开关、阀位传送器、手轮机构等 执行标准:
三、压力试验:设计与制造 结构长度 法兰尺寸 压力-温度 试验-检验 GB122237 GB12221 GB9113 JB79 GB9131 GB/T13927 JB/T9092 公称压力 1.6 2.5 4.0 强度试验 2.4 3.8 6.0 水密封试验 1.8 2.8 4.4 气密封试验 0.4-0.7
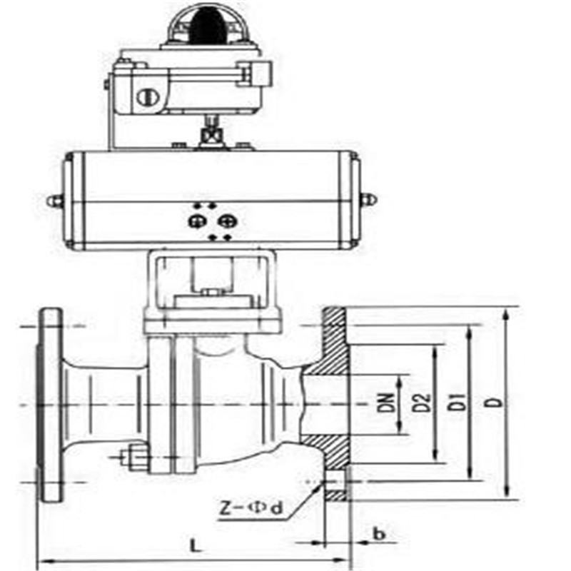
四、AT气动氧气球阀主要连接尺寸PN1.6MPa:公称通径mm DN15-DN300 材料代号 C P R 主要零件 阀 体 WCB ZG1Cr18Ni9Ti ZG1Cr18Ni12Mo2Ti 球 体 2Cr13 1Cr18Ni9Ti 1Cr18Ni12MoTi 阀 杆 2Cr13 1Cr18Ni9Ti 1Cr18Ni12MoTi 密封圈 增强聚四氟乙烯 对位聚苯 填 料 聚四氟乙烯 柔性石墨 适用工况 适用介质 蒸汽、水、油品 硝酸类 醋酸类 适用温度 -28℃ - 300℃ 执行器 型 号 DA/SR系列、GTD/GTE系列、QGSY系列等 气源压力 0.4-0.7MPa 公称通径DN 15 20 25 32 40 50 65 80 100 125 150 200 L 130 140 150 165 180 200 220 250 280 320 360 400 H 59 63 75 85 95 107 140 152 178 252 272 342 W 130 130 160 180 230 230 400 400 650 1050 1050 1410
六、主要连接尺寸PN2.5MPa:
七、主要连接尺寸PN4.0MP:公称通径DN 15 20 25 32 40 50 65 80 100 125 150 200 L 130 140 150 165 180 200 220 250 320 400 400 550 H 59 63 75 97 107 142 152 178 252 272 342 345 W 130 130 160 230 230 400 400 700 1100 1100 1500 1500 公称通径DN 15 20 25 32 40 50 65 80 100 125 150 200 L 130 140 150 180 200 220 250 280 320 400 400 550 H 59 63 75 97 107 142 152 178 252 272 342 345 W 130 130 160 230 230 400 400 700 1000 1100 1500 1800 
是球阀配上气动执行器。气动执行器的执行速度相对较快,并且不需要工人亲力亲为,在很大程度上节约了人力资源以及时间。 气动法兰球阀是由截止阀演变而来。它具有相同的旋转90度提动作,不同的是旋塞体是球体,有圆形通孔或通道通过其轴线。球面和通道口的比例应该是这样的, 即当球旋转90度时,在进、出口处应全部呈现球面,从而截断流动。

AT气动氧气球阀安装
1)、取掉法兰端两边的保护盖,在阀完全打开的状态下进行冲洗清洁。
2)、安装前应按规定的信号(电或气)进行整机测试(防止因运输产生振动影响使用性能),合格后方可上线安装(接线按电动执行机构线路图)。
3)、准备与管道连接前,须冲洗和清除干净管道中残存的杂质(这些物质可能会损坏阀座和球)。
4、在安装期间,请不要用阀的执行机构部分作为起重的吊装点,以避免损坏执行机构及附件。.
5)、本类阀应安装在管道的水平方向或垂直方向。
6)、安装点附近的管道不可有低垂或者承受外力的现象,可以用管道支架或者支撑物来消除管线的偏离。
7)、与管道连接后,请用规定的扭矩交叉锁紧法兰连接螺栓。

气动法兰球阀操作和使用
1)、操作前须确认管路和阀已被冲洗过。
2)、阀的操作按执行机构输入信号大小带动阀杆旋转完成:正向旋转1/4圈(900)时,阀关断。反向旋转1/4圈(900)时,阀开启。
3)、当执行机构方向指示箭头与管线平行时,阀门为开启状态;指示箭头与管线垂直时,阀门为关闭状态。

订货须知:一、①产品名称与型号②口径③是否带附件以便我们的为您正确选型④使用压力⑤使用介质的温度。
二、若已经由设计单位选定公司的型号,请型号直接向我司销售部订购。三、当使用的场合非常重要或环境比较复杂时,请您尽量提供设计图纸和详细参数,由我们的阀门公司专家为您审核把关。产品所属球阀选型,感谢您访问我们申弘阀门的网站如有任何疑问.您可以致电给我们,我们一定会尽心尽力为您提供优质的服务。如需要了解更多其它阀类产品的信息可以点击减压阀查看。
-
联系方式
- 联系人:申弘阀门
- 电 话:021-59260058
- 手 机:15901754341
- 传 真:86-021-31662735
- 邮 箱:494522509@qq.com
- 邮 编:201718
- 地 址:上海市青浦区金泽工业园区
- 网 址: https://bengye.cn.goepe.com/
http://www.021-fm.com
-
产品搜索






