-
Q41F浮动式球阀申弘
详细信息| 询价留言Q41F浮动式球阀产品说明
浮动球球阀的启闭件是一个球体,中间有一个与管道通径相等的通孔,进口端和出口端各置一个用PTFE制造的密封座,并被包容在一个金属的阀体内,当球体内的通孔与管线通道重合时,阀门处于开启状态;当球体内的通孔与管线通道垂直时,阀门处于关闭状态。阀门从开启至关闭,或者从关闭至开启球体回转90°角行程。
将传统的填料压盖改进为填料压板与填料压套的两体式结构设计,填料压套与填料压板采用球形接触,确保填料压套始终垂直,并在填料压套内部设置了聚四氟乙烯衬套,避免了阀杆与填料压套的擦伤与磨损,并减小了阀门的操作力矩。浮动球阀可以设有防静电结构。采用弹簧-柱塞式静电引出装置,使浮动球阀球体与阀体之间直接形成静电通道(对于DN≤25的球阀)或通过阀杆使球体与阀体之间形成静电通道(对于DN≥32的球阀)。从而可将球阀球体与阀座开关过程中摩擦产生的静电通过阀体引到大地。

生产实际中, 加工误差导致的零件不一致性会造成球阀装配扭矩达不到理想的控制值。设计中合理地确定运动副、 密封副的尺寸公差和形位公差参数, 加工过程中有效控制零件的加工误差, 是控制球阀扭矩的重要环节。对于不能满足一次性装配达到扭矩控制值要求的球阀, 需要进行调整。
Q41F浮动式球阀与其它阀类相比,球阀具有如下的一些优点:
1、流体阻力小,球阀是所有阀类中流体阻力较小的一种,即使是缩径球阀,其流体阻力也相当小。
2、开关迅速、方便,只要阀杆转动90°,球阀就完成了全开或全关动作,很容易实现快速启闭。
3、密封性能好。球阀阀座密封圈一般采用聚四氟乙烯等弹性材料制造,易于保证密封,而且球阀的密封力随着介质压力的增加而增大。
4、阀杆密封可靠。球阀启闭时阀杆只作旋转运动,因此阀杆的填料密封不易被破坏,而且阀杆倒密封的密封力随着介质压力的增加而增大。
5、球阀的启闭只做90°转动,故容易实现自动化控制和远距离控制,球阀可配置气动装置、电动装置、液动装置、气液联动装置或电液联动装置。
6、球阀通道平整光滑,不易沉积介质,可以进行管线通球。

本实用新型公开了一种浮动式球阀,包括阀体,球体,阀座,球体通过上阀杆和下阀杆安装于阀体中,上,下阀杆和球体上,下端面之间分别设有上,下弹簧,阀座上嵌设有弹性密封组件,弹性密封组件包括内,外密封圈,外密封圈安装于阀座的密封槽中,内密封圈安装于外密封圈的开口槽中,开口槽的开口端设有内扣沿边,内密封圈侧壁设有与内扣沿边适配的凹槽,内密封圈朝向开口槽底面的一端开设有弹簧槽,弹簧槽延伸至内密封圈位于开口槽之外的局部处,弹簧槽中安装有弹簧.本实用新型通过内外密封圈和弹簧的配合实现于密封槽轴线方向对球体的密封接触,以及使得外密封圈对阀座密封槽径向保持紧密的密封配合关系,实现轴向径向的双密封结构.

当球阀处于关闭位置时,进口端的介质压力作用在球体上,产生一个推动球体的力,使球体紧压出口端的密封座,在密封座的锥面上产生一个接触应力,形成一个接触带,接触带单位面积上的作用力称为阀门密封的工作比压q,当这一比压大于密封所必需的比压时,阀门就获得了有效的密封。这种不是靠外力的密封方式,由介质压力密封的,称为介质自密封。在设计中,应满足:
应该指出,传统的阀门是靠外部施加的力,作用在阀座上来获得可靠的密封,这种借外力施加而获得的密封,称之为强制密封。外部施加的强制密封力带有随意性和不确定性,不利于阀门的长期使用。球阀的密封原理是作用在密封座上的力,由介质的压力产生的。这一作用力是稳定的,是可以控制的,由设计时确定。

1、为了保证球体在关闭位置时,能产生一个介质的作用力,事先在阀门装配时,球体必须紧贴密封座,而且需要过盈,产生一个预紧比压,这个预紧比压为0.1倍工作压力且不小于2MPa。这个预紧比压的获得,完全靠设计的几何尺寸来保证。过盈值的大小直接决定阀门的密封性能和操作力矩。
2、应该特别指出,早期国产的浮动球球阀由于装配时过盈值难于控制,常常用垫片调整,很多制造商甚至在手册中把这一垫片称为调整垫。这样,装配时主、副阀体的连接平面之间存在间隙,这一间隙的存在,由于使用中介质压力波动和温度的波动,以及外部管线载荷作用,会使螺栓松弛,引起阀门外漏。
3、当阀门处于关闭位置时,进口端的介质力作用在球体上,会使球体的几何中心产生一个微小的位移,与出口端阀座紧密接触,增加密封带上的接触应力,从而获得可靠的密封;而进口端阀座与球体相接触的预紧力将减小,影响进口密封座的密封性能。这种球阀结构,就是在工作状态下,球体几何中心有微小位移的球阀,称之为浮动球球阀。浮动球球阀是出口端密封座密封,进口端阀座是否有密封功能是不确定的。
4、浮动球球阀结构是双向的(bi-direction),即两个介质流动方向均可密封。
5、球体相接的密封座是高分子材料制造的,球体转动时,可能产生静电,如无特殊的结构设计——防静电设计,则静电可能在球体上积聚。
6、对于由两个密封座组成的阀门,阀腔可能积聚介质,某些介质可能由于环境温度和使用工况变化而异常升压,引起阀门压力边界的破坏,应予以注意。

Q41F浮动式球阀主要性能规范 Capability Criterion:设计与制造
结构长度
法兰尺寸
压力-温度
试验-检验
GB122237
GB12221
GB9113 JB79
GB9131
GB/T13927 JB/T9092
压力试验 Pressure Test
公称压力NominalPressure
1.6
2.5
4.0
强度试验
Shell Test2.4
3.8
6.0
水密封试验
Water Seal Test1.8
2.8
4.4
气密封试验
Air Seal Test0.4-0.7
主要零件材料 Materials Of main Parts
阀体
BodyZG1Cr18Ni9Ti
CF8
CF3
ZG1Cr18Ni12Mo2Ti
CF8M
CF3M
球体 阀杆
Ball Stem1Cr18Ni9Ti
304
304L
1Cr18Ni12Mo2Ti
316
316L
阀 座
Seat聚四氟乙烯PTFE 加坡纤增强聚四氟乙烯PTFE+Glass 对位聚笨PPL
垫片
Shim聚四氟乙烯PTFE 不锈钢/柔性石墨Stainless Steel/flexible Graphite 齿形垫片Tooth Profile Gasket
阀杆座
Stem Seat聚四氟乙烯PTFE 不锈钢/柔性石墨 Stainless Steel/Flexible Graphite
填料
Packing聚四氟乙烯PTFE 增强柔性石墨 Enhanced Flexible Graphite
填料压盖
Gland1Cr18Ni9Ti
304
304L
1Cr18Ni12Mo2Ti
316
316L
温度
Temperature-29℃~150℃(聚四氟乙烯 PTFE) -29℃~200℃(加玻纤增强聚四氟乙烯 PTFE+GLASS)
-29℃~300℃(对位聚笨 PPL)
介质
Medium水 蒸汽 油品
Water steam
Oil goods硝酸类 Nitric Acid
强氧化介质
strongey oxidable medium醋酸类 Acetic Acid
尿素类 Urea
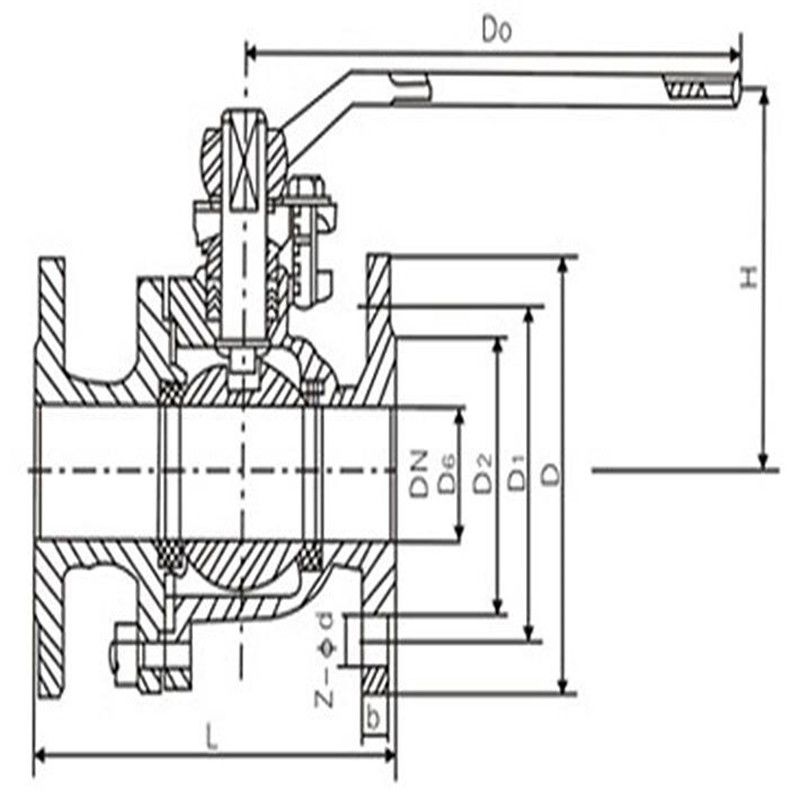
Q41F浮动式球阀主要外型尺寸 Main outer Size
1.6MPa
DN
L
D
D1
D2
b
n-φd
H
D0
凸面法兰
RFQ41F
Q41PPL
16C
16P
16R
15
130
95
65
45
14
4-14
78
140
20
140
105
75
55
14
4-14
84
160
25
150
115
85
65
14
4-14
95
180
32
165
135
100
78
16
4-18
150
250
40
180
145
110
85
16
4-18
150
300
50
200
160
125
100
18
4-18
170
350
65
220
180
145
120
20
4-18
195
350
80
250
195
160
135
20
8-18
215
400
100
280
215
180
155
20
8-18
250
500
125
320
245
210
185
22
8-18
265
600
150
360
280
240
210
24
8-23
270
800
200
400
335
295
265
26
12-23
330
1200
2.5MPa
15
130
95
65
45
16
4-14
103
140
凸面法兰
RF
Q41F
Q41PPL
25
25P
25R
20
140
105
75
55
16
4-14
112
160
25
150
115
85
65
16
4-14
123
180
32
165
135
100
78
18
4-18
150
250
40
180
145
110
85
18
4-18
156
300
50
200
160
125
100
20
8-18
172
350
65
220
180
145
120
22
8-18
197
350
80
250
195
160
135
22
8-23
222
400
100
280
230
190
160
24
8-23
253
500
125
320
270
220
188
28
8-25
275
600
150
360
300
250
218
30
8-25
286
800
200
400
360
310
278
34
12-25
340
1200
规格主要尺寸 Size Main Dimensions
4.0MPa
DN
L
D
D1
D2
D6
b
n-φd
H
D0
凹凸法兰
MFM
Q41F
Q41PPL
40
40P
40R
15
130
95
65
45
40
16
4-14
103
140
20
140
105
75
55
51
16
4-14
112
160
25
150
115
85
65
58
16
4-14
123
160
32
180
135
100
78
66
18
4-18
150
250
40
200
145
110
85
76
18
4-18
156
250
50
220
160
125
100
88
20
4-18
172
350
65
250
180
145
120
110
22
8-18
197
350
80
280
195
160
135
121
22
8-18
222
450
100
320
230
190
160
150
24
8-23
253
450
125
400
270
220
188
176
28
8-25
275
600
150
400
300
250
218
204
30
8-25
286
800
200
550
375
320
282
260
38
12-30
340
1200
6.4MPa
15
165
105
75
55
40
18
4-14
105
140
凹凸法兰
MFM
Q41F
Q41PPL
64
64P
64R
20
190
125
90
68
51
20
4-18
125
160
25
216
135
100
78
58
22
4-18
135
250
32
229
150
110
82
66
24
4-23
150
350
40
241
165
125
95
76
24
4-23
165
350
50
292
175
135
105
88
26
4-23
175
450
65
330
200
160
130
110
28
8-23
200
450
80
356
210
170
140
121
30
8-23
210
600
100
432
250
200
168
150
32
8-25
250
700
125
508
295
240
202
176
36
8-30
295
1100
150
559
340
280
240
204
38
8-34
340
1500
球阀标准依照:
①《通用阀门法兰和对焊连接钢制球阀》GB/T12237-89
②《铁制和铜制球阀》GB/T 15185-1994
③《钢制阀门 一般要求》GB/T 12224-2005
④《生活饮用水输配水设备及防护材料的安全性评价标准》 GB/T 17219-1998
Q41F浮动式球阀安装维护
浮动式球阀,涉及球阀技术领域,包括阀体,阀体内形成有介质流入通道和介质流出通道,介质流入通道与介质流出通道之间通过中腔相连,阀杆一端设于阀体外,另一端穿透阀体与设于中腔内的浮动球体相连,在阀体上还设有阀盖,在介质流出通道与中腔的衔接处还设有阀座,其特征在于:在阀座上还设有一与浮动球体相接触的,且接触面可随介质压力变化而变化的弹性密封圈.有益效果是:通过在阀座上设置接触面可随介质压力变化而变化的弹性密封圈,实现了弹性密封圈承受较大的介质推力而不会损坏,延长浮动球阀的使用寿命,确保生产安全.

1、取掉法兰端两边的保护盖,在阀完全打开的状态下进行冲洗清洁。
2、整机在安装前,应按规定的信号(电气或气动)进行试验,以防止因运输引起的振动影响使用性能)。试验合格后,可在线安装(按电动执行机构电路图接线)。
3、准备与管道连接前,须冲洗和清除干净管道中残存的杂质(这些物质可能会损坏阀座和球)。
4、在安装期间,请不要用阀的执行机构部分作为起重的吊装点,以避免损坏执行机构及附件。
5、本类阀应安装在管道的水平方向或垂直方向。
6、安装点附近的管道不可有低垂或者承受外力的现象,可以用管道支架或者支撑物来消除管线的偏离。
7、与管道连接后,请用规定的扭矩交叉锁紧法兰连接螺栓。

订货须知:一、①产品名称与型号②口径③是否带附件以便我们的为您正确选型④的使用压力⑤的使用介质的温度。
二、若已经由设计单位选定公司的型号,请按型号直接向我司销售部订购。
三、当使用的场合非常重要或环境比较复杂时,请您尽量提供设计图纸和详细参数,由我们的阀门公司专家为您审核把关。如有疑问:请:我们一定会尽心尽力为您提供优质的服务。提供全面、阀门系统解决方案",也十分愿意帮助用户解决生产中所遇到的难题。 -
联系方式
- 联系人:申弘阀门
- 电 话:021-59260058
- 手 机:15901754341
- 传 真:86-021-31662735
- 邮 箱:494522509@qq.com
- 邮 编:201718
- 地 址:上海市青浦区金泽工业园区
- 网 址: https://bengye.cn.goepe.com/
http://www.021-fm.com
-
产品搜索








