-
Q41F软密封球阀申弘
详细信息| 询价留言Q41F软密封球阀产品说明
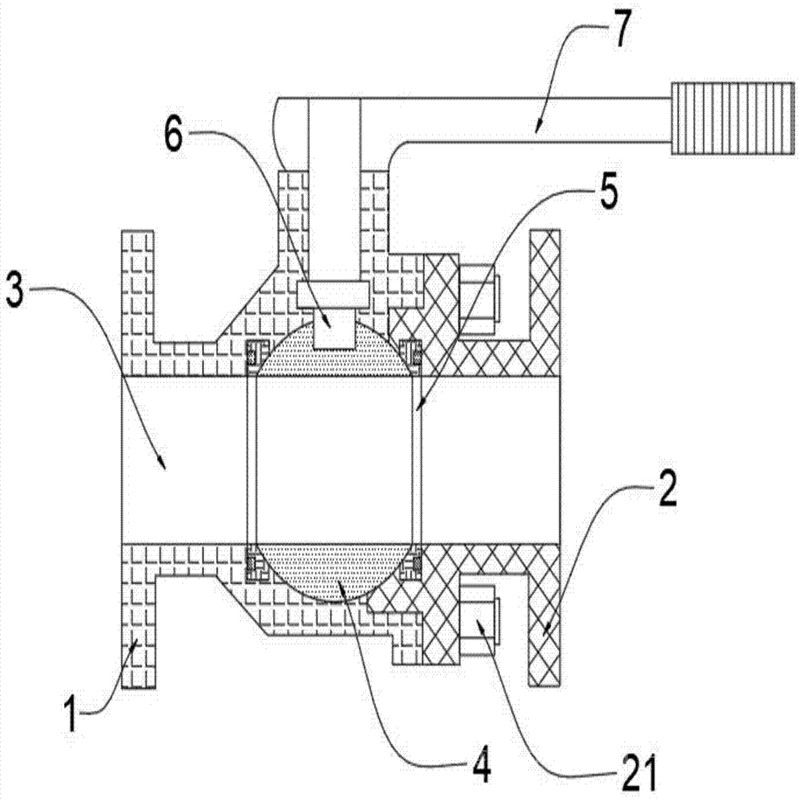
本实用新型公开了一种软密封球阀阀座,其包括环形阀座本体,所述环形阀座本体的前端面为阀球密封面、后端面为阀体密封面,所述环形阀座本体的阀体密封面的横截面由外向内依次分为外径向直线段、过渡连接线段和内径向直线段,且所述内径向直线段相较于所述外径向直线段更加靠前。本实用新型通过对阀体密封面的特殊设计,充分利用了材质的本身的弹性,将密封面下与阀体连接处设置一个用于弹性退让的弹性空间,在安装时,阀球对阀座有一定过盈量,这时,阀座将通过该空间来退让,一方面可以更精确的控制阀座作用在阀球上的正应力,另一方面,可以降低球阀开关扭矩对加工精度的要求。同时本实用新型公开了一种与软密封球阀阀座配合的阀座安装槽。

技术实现要素:
针对现有技术中存在的问题,本实用新型的目的在于提供一种法兰球阀,它通过将把手的钐钴磁钢卡接在磁环外侧,使得钐钴磁钢紧固吸附磁环,便于拆装把手,可拆卸式把手的设计可以防止儿童或其他人员转动把手,导致供水缓慢或停止供水;通过顺时针转动扭紧螺帽,带动连接环向右移动,带动左密封垫紧贴右密封垫,便于水管和球阀的快速连接,采用右密封垫和左密封垫双密封垫的设计可以提高水管和球阀连接处的防渗水性能。主要用于截断或接通介质,也可用于流体的调节与控制。与其它阀类相比,球阀具优点
1、流体阻力小,球阀是所有阀类中流体阻力*小的一种,即使是缩径球阀,其流体阻力也相当小。
2、开关迅速、方便,只要阀杆转动90°,球阀就完成了全开或全关动作,很容易实现快速启闭。
3、密封性能好。球阀阀座密封圈一般采用聚四氟乙烯等弹性材料制造,易于保证密封,而且球阀的密封力随着介质压力的增加而增大。
4、阀杆密封可靠。球阀启闭时阀杆只作旋转运动,因此阀杆的填料密封不易被破坏,而且阀杆倒密封的密封力随着介质压力的增加而增大。
5、球阀的启闭只做90°转动,故容易实现自动化控制和远距离控制,球阀可配置气动装置、电动装置、液动装置、气液联动装置或电液联动装置。
6、球阀通道平整光滑,不易沉积介质,可以进行管线通球。

为解决上述问题,本实用新型采用如下的技术方案。
一种法兰球阀,包括球阀,所述球阀的上端固定焊接有阀座,所述阀座的内部通过螺纹连接有阀杆,所述阀杆的外侧固定连接有磁环,所述磁环的外侧通过钐钴磁钢紧固吸附有把手,所述球阀的左侧固定焊接有固定环,所述固定环的左侧紧固粘黏有右密封垫,所述右密封垫的左侧紧贴有左密封垫,所述左密封垫的左侧紧固粘黏有连接环,所述连接环的左侧固定焊接有水管,所述水管的外侧通过通孔滑动套接有螺帽,所述水管的左侧固定焊接有法兰盘,所述固定环和连接环的外侧通过螺纹连接有螺帽,它通过将把手的钐钴磁钢卡接在磁环外侧,使得钐钴磁钢紧固吸附磁环,便于拆装把手,可拆卸式把手的设计可以防止儿童或其他人员转动把手,导致供水缓慢或停止供水;通过顺时针转动扭紧螺帽,带动连接环向右移动,带动左密封垫紧贴右密封垫,便于水管和球阀的快速连接,采用右密封垫和左密封垫双密封垫的设计可以提高水管和球阀连接处的防渗水性能。
进一步的,所述磁环和钐钴磁钢为多边形结构,所述把手的左侧内部紧固粘黏有钐钴磁钢,通过将把手的钐钴磁钢卡接在磁环外侧,使得钐钴磁钢紧固吸附磁环,便于拆装把手。
进一步的,所述把手是由不锈钢材料制成,所述把手的右侧外表面使用强力胶紧固粘黏有橡胶套,可拆卸式把手的设计可以防止儿童或其他人员转动把手,导致供水缓慢或停止供水。
进一步的,所述螺帽为六边形结构,所述固定环和连接环的外侧切割有螺纹,通过顺时针转动扭紧螺帽,带动连接环向右移动,带动左密封垫紧贴右密封垫,便于水管和球阀的快速连接。
进一步的,所述右密封垫和左密封垫是由硅胶材料制成,采用右密封垫和左密封垫双密封垫的设计可以提高水管和球阀连接处的防渗水性能。

Q41F软密封球阀相比于现有技术,本实用新型的优点在于:
(1)本方案通过将把手的钐钴磁钢卡接在磁环外侧,使得钐钴磁钢紧固吸附磁环,便于拆装把手,可拆卸式把手的设计可以防止儿童或其他人员转动把手,导致供水缓慢或停止供水;通过顺时针转动扭紧螺帽,带动连接环向右移动,带动左密封垫紧贴右密封垫,便于水管和球阀的快速连接,采用右密封垫和左密封垫双密封垫的设计可以提高水管和球阀连接处的防渗水性能。
(2)磁环和钐钴磁钢为多边形结构,把手的左侧内部紧固粘黏有钐钴磁钢,通过将把手的钐钴磁钢卡接在磁环外侧,使得钐钴磁钢紧固吸附磁环,便于拆装把手。
(3)把手是由不锈钢材料制成,把手的右侧外表面使用强力胶紧固粘黏有橡胶套,可拆卸式把手的设计可以防止儿童或其他人员转动把手,导致供水缓慢或停止供水。
(4)螺帽为六边形结构,固定环和连接环的外侧切割有螺纹,通过顺时针转动扭紧螺帽,带动连接环向右移动,带动左密封垫紧贴右密封垫,便于水管和球阀的快速连接。
(5)右密封垫和左密封垫是由硅胶材料制成,采用右密封垫和左密封垫双密封垫的设计可以提高水管和球阀连接处的防渗水性能。

下面将结合本实用新型实施例中的附图,对本实用新型实施例中的技术方案进行清楚、完整地描述;显然,所描述的实施例仅仅是本实用新型一部分实施例,而不是全部的实施例,基于本实用新型中的实施例,本领域普通技术人员在没有做出创造性劳动前提下所获得的所有其他实施例,都属于本实用新型保护的范围。Q41F软密封球阀主要性能规范 Capability Criterion
设计与制造 结构长度 法兰尺寸 压力-温度 试验-检验 GB122237 GB12221 GB9113 JB79 GB9131 GB/T13927 JB/T9092 压力试验 Pressure Test
公称压力NominalPressure 1.6 2.5 4.0 强度试验
Shell Test2.4 3.8 6.0 水密封试验
Water Seal Test1.8 2.8 4.4 气密封试验
Air Seal Test0.4-0.7 
主要零件材料 Materials Of main Parts阀体
BodyWCB ZG1Cr18Ni9Ti CF8 CF3 ZG1Cr18Ni12Mo2Ti CF8M CF3M 球体阀杆
Ball Stem304 1Cr18Ni9Ti 304 304L 1Cr18Ni12Mo2Ti 316 316L 阀座
Seat聚四氟乙烯PTFE 加坡纤增强聚四氟乙烯PTFE+Glass 对位聚笨PPL 垫片
Shim聚四氟乙烯PTFE 不锈钢/柔性石墨Stainless Steel/flexible Graphite 齿形垫片Tooth Profile Gasket 阀杆座
Stem Seat聚四氟乙烯PTFE 不锈钢/柔性石墨 Stainless Steel/Flexible Graphite 填料
Packing聚四氟乙烯PTFE 增强柔性石墨 Enhanced Flexible Graphite 填料压盖
Gland1Cr18Ni9Ti 304 304L 1Cr18Ni12Mo2Ti 316 316L 温度
Temperature-29℃~150℃(聚四氟乙烯 PTFE) -29℃~200℃(加玻纤增强聚四氟乙烯 PTFE+GLASS)
-29℃~300℃(对位聚笨 PPL)
-29℃~550℃(金属硬密封)介质
Medium水蒸汽油品
Water steam
Oil goods硝酸类 Nitric Acid 强氧化介质
strongey oxidable medium醋酸类 Acetic Acid 尿素类Urea 
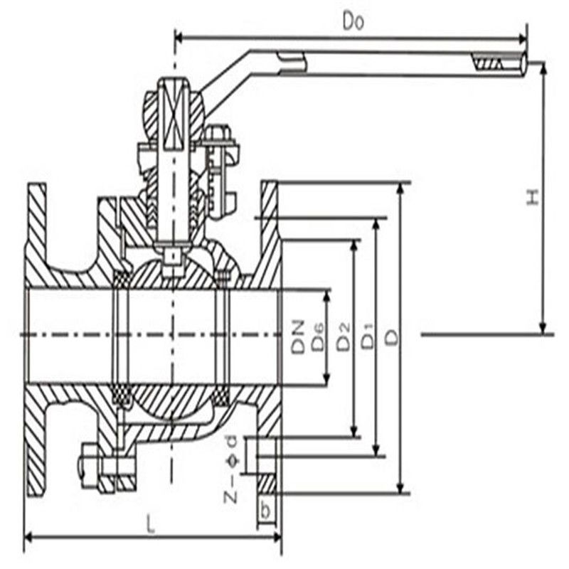
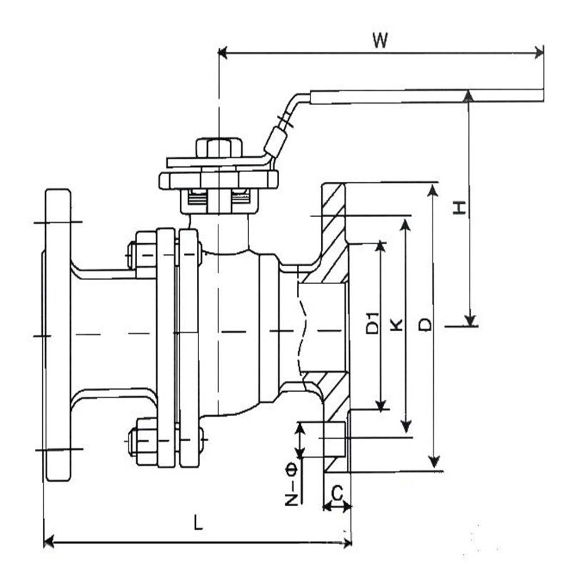
Q41F软密封球阀主要外型尺寸 Main outer Size1.6MPa DN L D D1 D2 b n-φd H D0 凸面法兰
RF
Q41F-16C
Q41PPL
16C
16P
16R15 130 95 65 45 14 4-14 78 140 20 140 105 75 55 14 4-14 84 160 25 150 115 85 65 14 4-14 95 180 32 165 135 100 78 16 4-18 150 250 40 180 145 110 85 16 4-18 150 300 50 200 160 125 100 18 4-18 170 350 65 220 180 145 120 20 4-18 195 350 80 250 195 160 135 20 8-18 215 400 100 280 215 180 155 20 8-18 250 500 125 320 245 210 185 22 8-18 265 600 150 360 280 240 210 24 8-23 270 800 200 400 335 295 265 26 12-23 330 1200 2.5MPa 15 130 95 65 45 16 4-14 103 140 凸面法兰
RF
Q41F-25C
Q41PPL
25C
25P
25R20 140 105 75 55 16 4-14 112 160 25 150 115 85 65 16 4-14 123 180 32 165 135 100 78 18 4-18 150 250 40 180 145 110 85 18 4-18 156 300 50 200 160 125 100 20 8-18 172 350 65 220 180 145 120 22 8-18 197 350 80 250 195 160 135 22 8-23 222 400 100 280 230 190 160 24 8-23 253 500 125 320 270 220 188 28 8-25 275 600 150 360 300 250 218 30 8-25 286 800 200 400 360 310 278 34 12-25 340 1200 4.0MPa DN L D D1 D2 D6 b n-φd H D0 凹凸法兰
MFM
Q41F-40C
Q41PPL
40C
40P
40R15 130 95 65 45 40 16 4-14 103 140 20 140 105 75 55 51 16 4-14 112 160 25 150 115 85 65 58 16 4-14 123 160 32 180 135 100 78 66 18 4-18 150 250 40 200 145 110 85 76 18 4-18 156 250 50 220 160 125 100 88 20 4-18 172 350 65 250 180 145 120 110 22 8-18 197 350 80 280 195 160 135 121 22 8-18 222 450 100 320 230 190 160 150 24 8-23 253 450 125 400 270 220 188 176 28 8-25 275 600 150 400 300 250 218 204 30 8-25 286 800 200 550 375 320 282 260 38 12-30 340 1200 6.4MPa 15 165 105 75 55 40 18 4-14 105 140 凹凸法兰
MFM
Q41F-64C
Q41PPL
64
64P
64R20 190 125 90 68 51 20 4-18 125 160 25 216 135 100 78 58 22 4-18 135 250 32 229 150 110 82 66 24 4-23 150 350 40 241 165 125 95 76 24 4-23 165 350 50 292 175 135 105 88 26 4-23 175 450 65 330 200 160 130 110 28 8-23 200 450 80 356 210 170 140 121 30 8-23 210 600 100 432 250 200 168 150 32 8-25 250 700 125 508 295 240 202 176 36 8-30 295 1100 150 559 340 280 240 204 38 8-34 340 1500 
以上所述,仅为本实用新型较佳的具体实施方式;但本实用新型的保护范围并不局限于此。任何熟悉本技术领域的技术人员在本实用新型揭露的技术范围内,根据本实用新型的技术方案及其改进构思加以等同替换或改变,都应涵盖在本实用新型的保护范围内。

一、Q41F软密封球阀的安装
安装前的准备
1、球阀前后管线已准备好。前后管道应同轴,两法兰密封面应平行。管道应能承受球阀的重量,否则管道上必须配有适当的支撑
2、把阀前后管线吹扫干净,清除掉管道内的油污、焊渣和一切其它杂质
3、核对球阀的标志,查明球阀完好无损。将阀全开全闭数次证实其工作正常
4、拆去球阀两端连接法兰上的保护件
5、检查阀孔清除可能有的污物,然后清洗阀孔。阀座与球之间即使仅有微小颗粒的异物也可能会损伤阀座密封面
安装
1、把阀装上管线。阀的任何一端都可装在上游端。用手柄驱动的阀可安装在管道上的任意位置。但带有齿轮箱或气动驱动器的球阀应直立安装,即安装在水平管道上,且驱动装置处于管道上方
2、阀法兰与管线法兰间按管路设计要求装上密封垫
3、法兰上的螺栓需对称、逐次、均匀拧紧
4、连接气动管线(采用气动驱动器时)
安装后的检查
1、操作驱动器启、闭球阀数次,应灵活无滞涩,证实其工作正常
2、按管路设计要求对管道与球阀间的法兰结合面进行密封性能检查

球阀安装前准备
1、球阀安装前后管路准备就绪。前后管道应该是同轴的,两个法兰的密封面应该平行。管道应能承受球阀的重量,否则管道必须配有适当的支撑物
2、吹出管道前后的阀门,去除管道中的油污、焊渣和其他杂质
3、检查球阀标志,确保球阀完好无损。开启和关闭阀门几次,以验证其正常工作
4、拆下连接球阀末端的法兰上的保护
5、检查阀门孔是否有污垢,然后清洗阀门孔。即使在阀座和球体之间有小的异物颗粒,也可能损坏阀座密封面
球阀安装
1、把阀门接到管线上。阀门的任何一端都可以安装在上游端。由手柄带动的阀门可以安装在管路上的任何位置。但球阀与齿轮箱或气动执行机构应直立安装,即在水平管道中,传动装置位于管道
2、阀门法兰和管道法兰按管道设计要求安装密封垫片
3、法兰上的螺栓需对称、连续、均匀紧固
4、连接气动管道(使用气动驱动器时)
球阀安装后检查
1、操作传动开启、关闭球阀数次,应灵活无涩,验证其正常工作
2、按管道设计要求和球阀接头表面密封性能检查

二、球阀的维修
◆在拆卸球阀之前,球阀的维护必须首先确定球阀的上下管已经卸下压力
◆拆卸和重装时,必须注意防止损坏零件的密封面,特别是非金属零件,拆卸和重装时,法兰上的螺栓必须对称、逐渐和均匀地拧紧
◆清洗剂应与球阀内的橡胶件、塑料件、金属件和工作介质(如气体)相容。当工作介质为气体时,金属零件可用汽油清洗(gb484-489)。非金属部分用纯净水或酒精清洗,单个部件可以用浸泡清洗方法清洗
◆含有未分解的非金属部件的金属部件可以用浸有清洁剂的干净、精细、干净的丝绸擦拭(以防止纤维掉落和粘附在部件上)
◆非金属零件清洗后应立即从清洗剂中取出,不得长时间浸泡
◆所有附着在墙面上的非金属部件,例如油脂、污垢、胶水和灰尘,在清洗后应立即从清洗剂中清除,清洗后不要长时间浸泡,清洗后应挥发清洗(可不使用丝绸清洗剂)进行组装,但不要长时间使用,否则会生锈并被灰尘污染
◆新零件在装配前应该清洁并用油脂润滑。润滑脂应与球阀金属材料、橡胶部件、塑料部件和工作介质相容
◆在密封的安装槽表面涂上一层薄薄的润滑脂,在橡胶密封圈上涂上一层薄薄的润滑脂,阀杆的密封面和摩擦面上涂上一层薄薄的润滑脂组件
◆不允许有金属碎片、纤维、润滑脂(使用规定除外)灰尘和其他杂质、异物和其他污染物、附着或停留在零件表面或腔体内

本实用新型涉及阀体设备领域,更具体地说,涉及一种法兰球阀。球阀和闸阀是同属一个类型的阀门,区别在它的关闭件是个球体,球体绕阀体心线作旋转来达到开启、关闭的一种阀门。球阀在管路中主要用来做切断、分配和改变介质的流动方向。现有法兰球阀的把手与阀杆固定焊接或采用螺母扭紧安装连接,不方便拆卸,儿童或其他人员容易转动把手,导致供水缓慢或停止供水,同时,球阀与管道的连接一般都是采用螺栓扭紧固定环和连接环,这样的连接结构使用的螺栓零件较多,不方便水管和球阀的快速连接。因此,需要对现有技术进行改进。
订货须知:一、①产品名称与型号②口径③是否带附件以便我们的为您正确选型④的使用压力⑤的使用介质的温度。
二、若已经由设计单位选定公司的型号,请按型号直接向我司销售部订购。
三、当使用的场合非常重要或环境比较复杂时,请您尽量提供设计图纸和详细参数,由我们的阀门公司专家为您审核把关。如有疑问:请:我们一定会尽心尽力为您提供优质的服务。提供全面、阀门系统解决方案",也十分愿意帮助用户解决生产中所遇到的难题。 -
联系方式
- 联系人:申弘阀门
- 电 话:021-59260058
- 手 机:15901754341
- 传 真:86-021-31662735
- 邮 箱:494522509@qq.com
- 邮 编:201718
- 地 址:上海市青浦区金泽工业园区
- 网 址: https://bengye.cn.goepe.com/
http://www.021-fm.com
-
产品搜索





