当前位置:
上海申弘阀门有限公司 >
产品中心 >
手动阀门 > Q41H金属硬密封球阀申弘
Q41H金属硬密封球阀申弘
| 产品型号: |
Q41H |
| 品 牌: |
申弘 |
|
|
| 所 在 地: |
上海闵行区 |
| 更新日期: |
2025-06-17 |
Q41H金属硬密封球阀简介
本实用新型涉及流体技术,更具体地涉及一种高温金属硬密封浮动球阀。随着化工行业的发展,特别是严苛工况(高温、高压、高腐蚀性等)下,对高工况下应用的高温金属硬密封球阀的要求也越来越高。目前国内市场上使用的高温金属硬密封浮动球阀大都存在以下几点缺陷:

1、没有设置阀腔自动泄压结构或者阀腔自动泄压结构设置不合理,当累积在阀腔中的介质受到管道温度升高的影响时,阀腔内的介质体积就会激剧膨胀,造成阀腔压力瞬时升高而导致阀体变形,甚至造成阀体爆炸,致使设备破坏,甚至危及人身安全。
2、都是采用分体式下游密封阀座,在高温(> 450°C )工况下右阀体的膨胀系数、阀座以及下游阀座密封圈的膨胀系数不一样,导致此结构阀门在运行过程中经常出现抱死或者内漏现象;
3、左阀体和右阀体之间、左阀体与加长填料函之间密封采用金属缠绕垫片密封,高温工况下使用一段时间后,因为缠绕垫片密封材质柔性石墨的膨胀、老化现象严重,导致阀门出现高温介质外漏,及其引发安全问题。
有鉴于此,本实用新型的目的在于提供一种保证在高温下变形系数不同的球体和第二阀座发生弹性变形时,仍然能够实现球体和第二阀座之间的有效密封配合的高温金属硬密封浮动球阀。本实用新型的另一目的在于提供一种有效解决超高温状态下金属硬密封浮动球阀阀腔异常升压问题的高温金属硬密封浮动球阀。是一种重要的阀类,在石油化工、长输管线等领域有广泛应用。球阀的关闭件是一个带孔的球体(或部分球),球体随阀杆转动,实现阀门的开启或关闭。 在各种阀门中,球阀的流动阻力*小,全径球阀打开时,球体通道、阀体通道和连接管径相等并成一直径,介质几乎可以毫无损失的流过。 球阀旋转90°即可全关全开,启闭迅速。与相同规格的闸阀、截止阀比较、球阀体积小、重量轻,便于管道安装。

Q41H金属硬密封球阀优点:
(1)流体阻力小,球阀是所有阀类中流体阻力*小的一种,即使是缩径球阀,其流体阻力也相当小。
(2)开关迅速、方便,只要阀杆转动90°,球阀就完成了全开或全关动作,很容易实现快速启闭。
(3)密封性能好。球阀阀座密封圈一般采用聚四氟乙烯等弹性材料制造,易于保证密封,而且球阀的密封力随着介质压力的增加而增大。
(4)阀杆密封可靠。球阀启闭时阀杆只作旋转运动,因此阀杆的填料密封不易被破坏,而且阀杆倒密封的密封力随着介质压力的增加而增大。
(5)球阀的启闭只做90°转动,故容易实现自动化控制和远距离控制,球阀可配置气动装置、电动装置、液动装置、气液联动装置或电液联动装置。
(6)球阀通道平整光滑,不易沉积介质,可以进行管线通球。

本实用新型提供一种高温金属硬密封浮动球阀,其特征在于,包括阀体、阀座、球体、填料箱和阀杆,所述填料箱固定在所述阀体上优选的,在所述球体的一侧球面上设置有*阀腔泄压孔,在所述球体上部的阀杆滑槽上设置有第二阀腔泄压孔,当阀门打开时,所述第二流道连通所述*流道,所述*阀腔泄压孔朝向阀腔,所述阀腔泄压孔连通所述阀腔和上下游管道;当阀门关闭时,所述*阀腔泄压孔朝向上游方向,所述*阀腔泄压孔连通所述阀腔与上游管道。
Q41H金属硬密封球阀性能规范
| 设计依据 |
国标系列 |
美标系列 |
| 设计标准 |
GB/T12237 |
AP16D |
ANSI B16.34 |
| 法兰连接结构长度 |
GB/T12221 |
AP16D |
ANSI B16.10 |
| 结构长度(焊接) |
GB/T15188.1 |
AP16D |
ANSI B16.10 |
| 连接法兰 |
GB/T9113
JB/T79
Hg20592 |
ANSI B16.5、B16.47 |
| 对焊端 |
GB/T12224 |
ANSI B16.25 |
| 试验和检验 |
GB/T9092 |
AP16D |
AP1598 |
Q41H金属硬密封球阀压力范围
| 压力等级 |
试验压力(MPa) |
| 公称压力(PN) |
磅级(Class) |
壳体试验 |
密封试验 |
| 1.0 |
- |
1.5 |
1.1 |
| 1.6 |
- |
2.5 |
1.76 |
| 2.5 |
- |
3.8 |
2.75 |
| 4.0 |
- |
6.0 |
4.4 |
| 6.4 |
- |
9.6 |
7.04 |
| - |
150 |
3.0 |
2.2 |
| - |
300 |
7.6 |
5.6 |
| - |
600 |
15.0 |
11.0 |
| - |
10K |
2.4 |
1.5 |
| - |
20K |
5.8 |
4.0 |
Q41H金属硬密封球阀主要零件材料
材料
标准 零件名称 |
材料牌号 |
序
号 |
材料
标准 零件名称 |
材料牌号 |
| 碳钢 |
不锈钢 |
碳钢 |
不锈钢 |
| GB |
ASTM |
GB |
ASTM |
GB |
ASTM |
GB |
ASTM |
| 阀体 |
WCB |
A216-WCB |
ZG1Cr18Ni9Ti
ZG1Cr18Ni12Mo2Ti |
CF8/CF8M/
CF3/CF3M |
10 |
阀座密封圈 |
石墨 |
| 阀盖 |
WCB |
A216-WCB |
ZG1Cr18Ni9Ti
ZG1Cr18Ni12Mo2Ti |
CF8/CF8M/
CF3/CF3M |
11 |
阀杆 |
2Cr13 |
A276-410 |
1Cr18Ni9Ti
1Cr18Ni12Mo2Ti |
F304/F316
/F304L/F316L |
| 双头螺柱 |
35CrMoA |
A193-B7 |
1Cr17Ni2 |
A193-B8M |
12 |
止推轴承 |
金属夹PTFE |
| 螺母 |
45 |
A194-2H |
0Cr18Ni |
A194-8M |
13 |
阀杆填料 |
石墨 |
| 垫圈 |
金属夹石墨 |
14 |
填料压环 |
2Cr13 |
A276-410 |
1Cr18Ni9Ti
1Cr18Ni12Mo2Ti |
F304/F316
/F304L/F316L |
| 球体 |
2Cr13渗氮 |
A276-410渗氮 |
1Cr18Ni9Ti
1Cr18Ni12Mo2Ti渗氮 |
F304/F316
/F304L/F316L
渗氮 |
15 |
填料压盖 |
WCB |
A216-WCB |
ZG1Cr18Ni9Ti
ZG1Cr18Ni12Mo2Ti |
CF8/CF8M/
CF3/CF3M |
| 阀座 |
2Cr13渗氮 |
A276-410渗氮 |
1Cr18Ni9Ti
1Cr18Ni12Mo2Ti渗氮 |
F304/F316
/F304L/F316L
渗氮 |
16 |
螺钉 |
35CrMoA |
A193-B7 |
1Cr17Ni2 |
A193-B8M |
| 阀座支承圈 |
2Cr13 |
A276-410 |
1Cr18Ni9Ti
1Cr18Ni12Mo2Ti |
F304/F316
/F304L/F316L |
17 |
定位板 |
2Cr13 |
A276-410 |
1Cr18Ni9Ti |
304 |
| 阀座弹簧 |
17-7PH |
17-7PH |
17-7PH |
17-7PH |
|
|
|
|
|
|
压力试验
| 公称压力 |
1.6 |
2.5 |
4.0 |
| 强度试验 |
2.4 |
3.8 |
6.0 |
| 水密封试验 |
1.8 |
2.8 |
4.4 |
| 气密封试验 |
0.4-0.7 |
性能规范
| 设计与制造 |
结构长度 |
法兰尺寸 |
压力-温度 |
试验-检验 |
| GB122237 |
GB12221 |
GB9113 JB79 |
GB9131 |
GB/T13927 JB/T9092 |
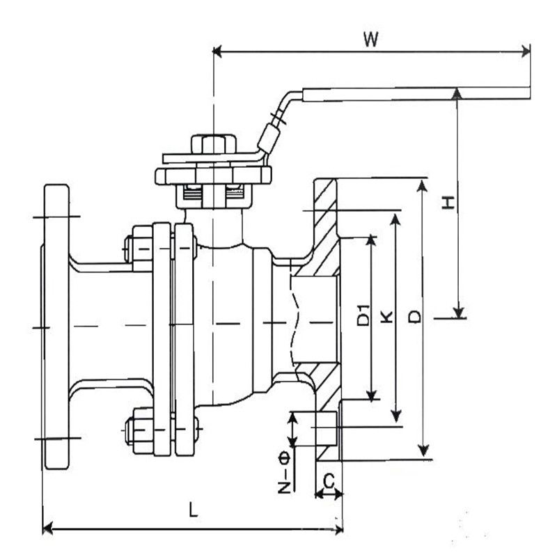
Q41H金属硬密封球阀外形尺寸
1.6-2.5MPa外型尺寸
| 1.6MPa |
DN |
L |
D |
D1 |
D2 |
b |
n-φd |
凸面法兰
16C 16P 16R |
15 |
130 |
95 |
65 |
45 |
14 |
4-14 |
| 20 |
140 |
105 |
75 |
55 |
14 |
4-14 |
| 25 |
150 |
115 |
85 |
65 |
14 |
4-14 |
| 32 |
165 |
135 |
100 |
78 |
16 |
4-18 |
| 40 |
180 |
145 |
110 |
85 |
16 |
4-18 |
| 50 |
200 |
160 |
125 |
100 |
18 |
4-18 |
| 65 |
220 |
180 |
145 |
120 |
20 |
4-18 |
| 80 |
250 |
195 |
160 |
135 |
20 |
8-18 |
| 100 |
280 |
215 |
180 |
155 |
20 |
8-18 |
| 125 |
320 |
245 |
210 |
185 |
22 |
8-18 |
| 150 |
360 |
280 |
240 |
210 |
24 |
8-23 |
| 200 |
400 |
335 |
295 |
265 |
26 |
12-23 |
| 2.5MPa |
15 |
130 |
95 |
65 |
45 |
16 |
4-14 |
凸面法兰
25C 25P 25R |
20 |
140 |
105 |
75 |
55 |
16 |
4-14 |
| 25 |
150 |
115 |
85 |
65 |
16 |
4-14 |
| 32 |
165 |
135 |
100 |
78 |
18 |
4-18 |
| 40 |
180 |
145 |
110 |
85 |
18 |
4-18 |
| 50 |
200 |
160 |
125 |
100 |
20 |
8-18 |
| 65 |
220 |
180 |
145 |
120 |
22 |
8-18 |
| 80 |
250 |
195 |
160 |
135 |
22 |
8-23 |
| 100 |
280 |
230 |
190 |
160 |
24 |
8-23 |
| 125 |
320 |
270 |
220 |
188 |
28 |
8-25 |
| 150 |
360 |
300 |
250 |
218 |
30 |
8-25 |
| 200 |
400 |
360 |
310 |
278 |
34 |
12-25 |
4.0MPa-6.4MPa外形尺寸
| 4.0MPa |
DN |
L |
D |
D1 |
D2 |
D6 |
b |
n-φd |
凹凸法兰
40C 40P 40R |
15 |
130 |
95 |
65 |
45 |
40 |
16 |
4-14 |
| 20 |
140 |
105 |
75 |
55 |
51 |
16 |
4-14 |
| 25 |
150 |
115 |
85 |
65 |
58 |
16 |
4-14 |
| 32 |
180 |
135 |
100 |
78 |
66 |
18 |
4-18 |
| 40 |
200 |
145 |
110 |
85 |
76 |
18 |
4-18 |
| 50 |
220 |
160 |
125 |
100 |
88 |
20 |
4-18 |
| 65 |
250 |
180 |
145 |
120 |
110 |
22 |
8-18 |
| 80 |
280 |
195 |
160 |
135 |
121 |
22 |
8-18 |
| 100 |
320 |
230 |
190 |
160 |
150 |
24 |
8-23 |
| 125 |
400 |
270 |
220 |
188 |
176 |
28 |
8-25 |
| 150 |
400 |
300 |
250 |
218 |
204 |
30 |
8-25 |
| 200 |
550 |
375 |
320 |
282 |
260 |
38 |
12-30 |
| 6.4MPa |
15 |
165 |
105 |
75 |
55 |
40 |
18 |
4-14 |
凹凸法兰
64C 64P 64R |
20 |
190 |
125 |
90 |
68 |
51 |
20 |
4-18 |
| 25 |
216 |
135 |
100 |
78 |
58 |
22 |
4-18 |
| 32 |
229 |
150 |
110 |
82 |
66 |
24 |
4-23 |
| 40 |
241 |
165 |
125 |
95 |
76 |
24 |
4-23 |
| 50 |
292 |
175 |
135 |
105 |
88 |
26 |
4-23 |
| 65 |
330 |
200 |
160 |
130 |
110 |
28 |
8-23 |
| 80 |
356 |
210 |
170 |
140 |
121 |
30 |
8-23 |
| 100 |
432 |
250 |
200 |
168 |
150 |
32 |
8-25 |
| 125 |
508 |
295 |
240 |
202 |
176 |
36 |
8-30 |
| 150 |
559 |
340 |
280 |
240 |
204 |
38 |
8-34 |

阀座采用板簧加载的金属密封结构,在高温下启闭轻松。球体及阀座采用特殊硬化处理,密封面不擦伤。手动硬密封球阀具有双向密封功能。主要用途:金属硬密工作温度-29~425℃(碳钢)或-40~550℃(不锈钢)的各种管路上,用于截断或接通管路中的介质,选用不同的材质,金属硬密封球阀可分别适用于水、蒸汽、油品、硝酸、醋酸、氧化性介质、尿素等多种介质。

Q41H金属硬密封球阀请按以下指示进行安装:(详情或见产品说明书)
(1)取掉法兰端两边的保护盖,在阀打开的状态下进行冲洗清洁。
(2)安装前应按规定的信号(电动或气动)进行整机测试(防止因运输产生振动影响使用性能),合格后方可上线安装(接线按电动执行机构线路图)。
(3)准备与管道连接前,须冲洗和清除干净管道中残存的杂质(这些物质可能会损坏阀座和球)。
(4)在安装期间,请不要用阀的执行机构部分作为起重的吊装点,以避免损坏执行机构及附件。
(5)本类阀应安装在管道的水平方向或垂直方向。
(6)安装点附近的管道不可有低垂或者承受外力的现象,可以用管道支架或者支撑物来消除管线的偏离。
(7)与管道连接后,请用规定的扭矩交叉锁紧法兰连接螺栓。

优选的,所述填料箱包括填料箱体和填料压盖,两者之间通过第三螺纹连接件固定连接;所述填料箱体的一端通过第二螺纹连接件固定在所述阀体上,所述压盖盖合在所述填料箱体的另一端面上,并通过第三螺纹连接件固定在所述填料箱体上;所述阀杆的一端依次穿过所述填料箱体和填料压盖,所述填料箱体、填料压盖和阀杆之间填充填料;所述填料采用了高温填料垫和高温V型填料组合密封的结构形式。

订货须知:
一、①产品名称与型号②口径③是否带附件以便我们的为您正确选型④的使用压力⑤的使用介质的温度。
二、若已经由设计单位选定公司的型号,请按型号直接向我司销售部订购。
三、当使用的场合非常重要或环境比较复杂时,请您尽量提供设计图纸和详细参数,由我们的阀门公司专家为您审核把关。如有疑问:请:我们一定会尽心尽力为您提供优质的服务。提供全面、阀门系统解决方案",也十分愿意帮助用户解决生产中所遇到的难题。