-
JIS日标法兰式球阀申弘
详细信息| 询价留言JIS日标法兰式球阀简介
本实用新型涉及阀体设备领域,更具体地说,涉及一种法兰球阀。日标阀门主要为JIS标准,按日本标准设计,制造,生产、检测的阀门叫做日标阀门。适用于JIS10K、JIS20K的各种管路上。日标法兰球阀的关闭件是个球体,球体绕阀体心线作旋转来达到开启、关闭的一种阀门。球阀在管路中主要用来做切断、分配和改变介质的流动方向。

JIS日标法兰式球阀性能特点:
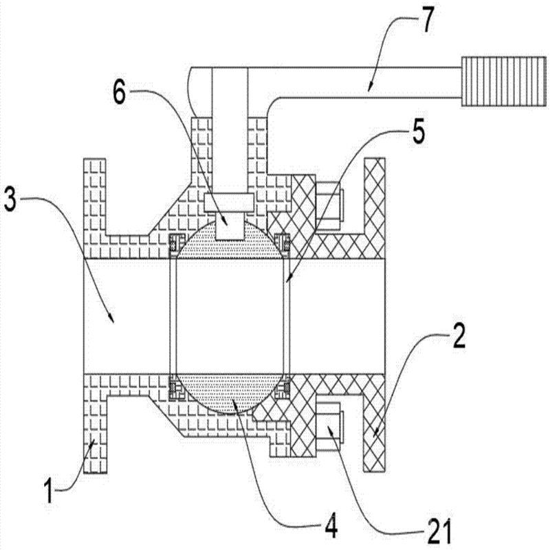
①阀杆防飞出结构:当介质通过阀门,阀体中腔的压力可能将阀杆推出。为防止这种情况发生,在阀杆下部设置一凸台结构,这样即使火灾时,填料,止推轴承被烧损或其他原因引起填料等损坏,阀体内的介质压力将使阀杆凸台与阀体上密封紧密接触,防止介质大量从损坏的填料部位处泄露;
②防静电装置:当操作阀门时,由于球体和聚四氟乙烯等非金属材料阀座之间摩擦,会产生静电电荷并聚积在球体行。为防止产生静电火花,特在阀门上设置防静电装置,把产生的静电导出;
③防火结构:本公司浮动球阀阀座采用独特结构,当发生火灾时,非金属密封面材料烧毁时,金属环利用弹簧的弹力推动阀座与球体吻合密封,从而阻止火势蔓延和介质外流;
④中部法兰无外漏结构:阀体与左体的连接部位是靠垫片密封,为防止由于火灾、高温或震动等因素引起的该处密封泄露,特设计为阀体与左体金属金属接触,形成止口法兰,保证无外漏;
⑤自动泄压结构:当滞留在阀门中腔的介质由于管道系统压力或介质温度等因素引起的变化,从而出现中腔压力异常升高时,中腔介质能依靠本身的推力推动阀座而自动泄压,从而确保阀门的安全。

背景技术:
球阀和闸阀是同属一个类型的阀门,区别在它的关闭件是个球体,球体绕阀体心线作旋转来达到开启、关闭的一种阀门。球阀在管路中主要用来做切断、分配和改变介质的流动方向。
现有法兰球阀的把手与阀杆固定焊接或采用螺母扭紧安装连接,不方便拆卸,儿童或其他人员容易转动把手,导致供水缓慢或停止供水,同时,球阀与管道的连接一般都是采用螺栓扭紧固定环和连接环,这样的连接结构使用的螺栓零件较多,不方便水管和球阀的快速连接。因此,需要对现有技术进行改进。

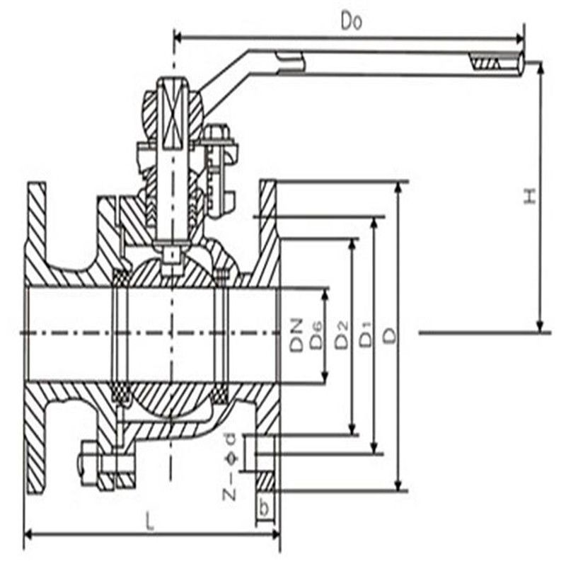
JIS日标法兰式球阀技术规范设计依据 日标系列 设计标准 BS5351 法兰连接结构长度 JIS B2002 结构长度(焊接) - 连接法兰 JIS B2212 B2214 对焊端 - 试验和检验 JIS B2003
试验压力试验压力(MPa) 磅级(Class) 壳体试验 密封试验 150 3.0 2.2 300 7.6 5.6 600 15.0 11.0 10K 2.4 1.5 20K 5.8 4.0 主要零件材料 名称 WCB类 CF8类 CF3类 CF8M类 CF3M类 阀体左体 A216-WCB A315-CF8 A35-CF3 A351-CF8M A351-CF3M 球体 B2-B8 A105-1025 A182-F304L A182-F304L A132-F316 A182-F316L B8以上 A216-WCB A351-CF8M A351-CF3 A351-CF8M A351-CF3M 阀杆 A182-F6a A182-F304 A182-F304L A182-F336 A182-F316L 阀座 PTFE/增强PTFE/NYLIN PTFE/Reinforced PTFE/Nyion 阀座支承圈 A105-1025 A182-F304 A182-F304L A182-F316 A182-F316L 弹簧 3yc-7/17-49H O形圈 NBR 氟橡胶 螺柱 A193-B7 A193-B8 螺母 A194-2H A194-8 JIS日标法兰式球阀尺寸 公称
压力公称
通径d L D D1 D2 b f Z-Φd H W JIS10K 15 15 108 95 70 52 12 1 4-15 79 135 20 20 117 100 75 58 14 1 4-15 84 135 25 25 127 125 90 70 14 1 4-19 95 170 32 32 140 135 100 80 16 2 4-19 103 170 40 38 165 140 105 85 16 2 4-19 111 200 50 50 178 155 120 100 16 2 4-19 120 200 65 64 190 175 140 120 18 2 4-19 153 300 80 76 203 185 150 130 18 2 8-19 163 300 100 100 229 210 175 155 18 2 8-19 182 400 125 125 356 250 210 185 20 2 8-23 260 500 150 150 394 280 240 215 22 2 8-23 280 800 200 200 457 330 290 265 22 2 12-23 - 1100 JIS20K 15 15 140 95 70 52 14 1 4-15 79 135 20 20 152 100 75 58 16 1 4-15 84 135 25 25 165 125 90 70 16 1 4-19 95 170 32 32 178 135 100 80 18 2 4-19 103 170 40 38 190 140 105 85 18 2 4-19 111 200 50 50 216 155 120 100 18 2 8-19 120 200 65 64 241 175 140 120 20 2 8-19 153 300 80 76 283 200 160 135 22 2 8-23 163 300 100 100 305 225 185 160 24 2 8-23 182 400 125 125 381 270 225 195 26 2 8-25 260 500 150 150 403 305 260 230 28 2 12-25 280 800 200 200 502 350 305 275 30 2 12-25 - 1100 
针对现有技术中存在的问题,本实用新型的目的在于提供一种法兰球阀,它通过将把手的钐钴磁钢卡接在磁环外侧,使得钐钴磁钢紧固吸附磁环,便于拆装把手,可拆卸式把手的设计可以防止儿童或其他人员转动把手,导致供水缓慢或停止供水;通过顺时针转动扭紧螺帽,带动连接环向右移动,带动左密封垫紧贴右密封垫,便于水管和球阀的快速连接,采用右密封垫和左密封垫双密封垫的设计可以提高水管和球阀连接处的防渗水性能。

JIS日标法兰式球阀的安装和维护步骤:
1.1安装前的准备
(1)球阀前后管线已准备好。前后管道应同轴,两法兰密封面应平行。管道应能承受球阀的重量,否则管道上必须配有适当的支撑。
(2)把阀前后管线吹扫干净,清除掉管道内的油污、焊渣和一切其它杂质。
(3)核对球阀的标志,查明球阀完好无损。将阀全开全闭数次证实其工作正常。
(4)拆去球阀两端连接法兰上的保护件。
(5)检查阀孔清除可能有的污物,然后清洗阀孔。阀座与球之间即使仅有微小颗粒的异物也可能会损伤阀座密封面。
1.2安装
(1)把阀装上管线。阀的任何一端都可装在上游端。用手柄驱动的阀可安装在管道上的任意位置。但带有齿轮箱或气动驱动器的球阀应直立安装,即安装在水平管道上,且驱动装置处于管道上方。
(2)阀法兰与管线法兰间按管路设计要求装上密封垫。
(3)法兰上的螺栓需对称、逐次、均匀拧紧。
(4)连接气动管线(采用气动驱动器时)。
1.3安装后的检查
(1)操作驱动器启、闭球阀数次,应灵活无滞涩,证实其工作正常。
(2)按管路设计要求对管道与球阀间的法兰结合面进行密封性能检查。
2维修
2.1通则
(1)必须先查明球阀上、下游管道确已卸除压力后,才能进行拆卸分解操作。
(2)分解及再装配时必须小心防止损伤零件的密封面,特别是非金属零件,取出O型圈时宜使用专用工具。
(3)装配时法兰上的螺栓必须对称、逐步、均匀地拧紧。
(4)清洗剂应与球阀中的橡胶件、塑料件、金属件及工作介质(例如燃气)等均相容。工作介质为燃气时,可用汽油(GB484-89)清洗金属零件。非金属零件用纯净水或酒精清洗。
(5)分解下来的单个零件可以用浸洗方式清洗。尚留有未分解下来的非金属件的金属件可采用干净的细洁的浸渍有清洗剂的绸布(为避免纤维脱落粘附在零件上)擦洗。清洗时须去除一切粘附在壁面上的油脂、污垢、积胶、灰尘等。
(6)非金属零件清洗后应立即从清洗剂中取出,不得长时间浸泡。
(7)清洗后需待被洗壁面清洗剂挥发后(可用未浸清洗剂的绸布擦)进行装配,但不得长时间搁置,否则会生锈、被灰尘污染。
(8)新零件在装配前也需清洗干净。
(9)使用润滑脂润滑。润滑脂应与球阀金属材料、橡胶件、塑料件及工作介质均相容。工作介质为燃气时,可用例如特221润滑脂。在密封件安装槽的表面上涂一薄层润滑脂,在橡胶密封件上涂一薄层润滑脂,阀杆的密封面及摩擦面上涂一薄层润滑脂。
(10)装配时应不允许有金属碎屑、纤维、油脂(规定使用的除外)灰尘及其它杂质、异物等污染、粘附或停留在零件表面上或进入内腔。

订货须知:一、①产品名称与型号②口径③是否带附件以便我们的为您正确选型④的使用压力⑤的使用介质的温度。
二、若已经由设计单位选定公司的型号,请按型号直接向我司销售部订购。
三、当使用的场合非常重要或环境比较复杂时,请您尽量提供设计图纸和详细参数,由我们的阀门公司专家为您审核把关。如有疑问:请:我们一定会尽心尽力为您提供优质的服务。提供全面、阀门系统解决方案",也十分愿意帮助用户解决生产中所遇到的难题。 -
联系方式
- 联系人:申弘阀门
- 电 话:021-59260058
- 手 机:15901754341
- 传 真:86-021-31662735
- 邮 箱:494522509@qq.com
- 邮 编:201718
- 地 址:上海市青浦区金泽工业园区
- 网 址: https://bengye.cn.goepe.com/
http://www.021-fm.com
-
产品搜索






