-
API美标柱塞阀申弘
详细信息| 询价留言API美标柱塞阀简介
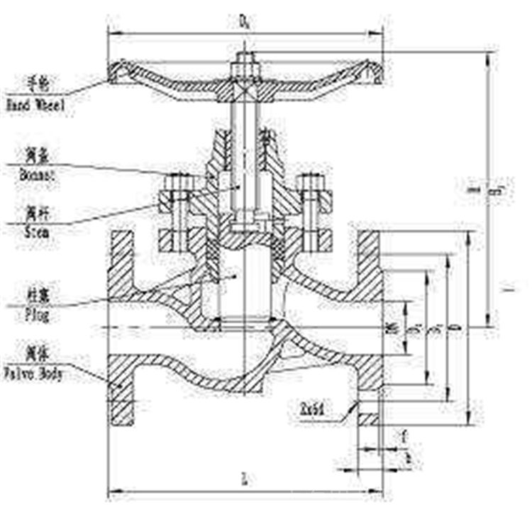
一种柱塞阀,包括有阀体、设于阀体上的阀盖、设于阀体内的阀杆及连接阀杆的柱塞,阀杆连接柱塞一端的另一端设有与阀杆联动连接的手轮,阀体内设有供介质进入的进入通道及供介质流出的流出通道,所述的柱塞置于进入通道与流出通道的导通处跟随阀杆作往复运动实现柱塞阀的开启与关闭,其特征在于:所述的柱塞为具有空腔结构的柱状体,柱塞连接阀杆的一端设有开口,开口处设有与柱塞固定连接的柱塞帽,阀杆与柱塞通过柱塞帽可拆卸连接,所述的柱塞与阀体之间设有可使柱塞与阀体硬密封的金属导向套。

1,采用美国国家标准 (ANSl)及美国石油学会标准(APl)的连接、使用压力在150LB-300LB。是安装在蒸汽管道上,阀杆部位无泄漏,是锅炉蒸汽*理想阀门。
2.根据权利要求1所述的柱塞阀,其特征在于:所述的金属导向套包括有贴合阀体内壁的导向台及与导向台呈台阶状并垂直于导向台的导向块,阀体上设有密封台阶,金属导向套与密封台阶贴合抵触。
3.根据权利要求1或2所述的柱塞阀,其特征在于:所述的柱塞帽连接阀杆的一端设有连接开口,开口内设有内螺纹,阀杆连接柱塞帽的一端设有与内螺纹适配的外螺纹。4.根据权利要求1或2所述的柱塞阀,其特征在于:阀体与柱塞之间设有密封环,该密封环设于金属导向套朝向阀杆方向的一端上。

为实现上述目的,本实用新型提供了如下技术方案:一种柱塞阀,包括有阀体、设于阀体上的阀盖、设于阀体内的阀杆及连接阀杆的柱塞,阀杆连接柱塞一端的另一端设有与阀杆联动连接的手轮,阀体内设有供介质进入的进入通道及供介质流出的流出通道,所述的柱塞置于进入通道与流出通道的导通处跟随阀杆作往复运动实现柱塞阀的开启与关闭,其特征在于:所述的柱塞为具有空腔结构的柱状体,柱塞连接阀杆的一端设有开口,开口处设有与柱塞固定连接的柱塞帽,阀杆与柱塞通过柱塞帽可拆卸连接,所述的柱塞与阀体之间设有可使柱塞与阀体硬密封的金属导向套。

产品特点:
1、开关柱塞阀时,柱塞在密封圈中缓慢移动,接触面几乎不磨损。
2、密封环采用弹性强、耐磨性高的无毒新型密封材料,所以密封可靠,经久耐用。
3、在阀门中柱塞与密封环间采用过盈配合,从而保证了阀门的密封性,杜绝了内外泄漏。
4、关闭时,柱塞插入下密封圈,截断流道;开启时,柱塞虽然脱离下密封圈,但仍藏在上密封圈内,保持与外界隔离,不致发生泄漏。
采用上述技术方案,柱塞为空腔结构的柱状体,这种结构在材料方面就会节省很多,而柱塞与阀体之间设有金属导向套,金属导向套已经实现了柱塞与阀体之间的硬密封,导向套因是金属,而常见的柱塞阀中密封环都是橡胶体的软密封,

本实用新型进一步设置为:所述的金属导向套包括有贴合阀体内壁的导向台及与导向台呈台阶状并垂直于导向台的导向块,阀体上设有密封台阶,导向套与密封台阶贴合抵触。采用上述技术方案,当柱塞阀关闭时,导向套与阀体上的密封台阶贴合抵触,柱塞阀开启时,导向套直接与阀体抵触密封,这种结构的密封效果*好。

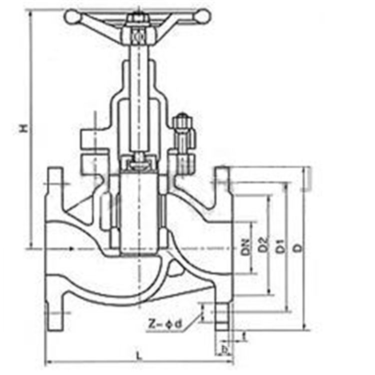
技术参数:阀体材料 适用温度 适用介质 范围压力 铸钢 ≤425℃ 水、蒸气、石油 PN1.6-10 不锈钢 ≤300℃ 硝酸、醋酸 PN1.6-10 含钼不锈钢 ≤300℃ 氮、氢、氨、尿素 PN1.6-10 蒙乃尔 ≤300℃ 氢、氟、酸 PN1.6-10 铬钼矾钢 ≤600℃ 蒸气、石油 PN1.6-10 DN(mm)/
尺寸 (mm)UJ41H(Y)-150Lb U41SM-150Lb
1/2″
3/4″
1″
11/4″
11/2″
2″
21/2″
3″
4″
5″
6″
8″
10″
12″
14″
16″
L
108
117
127
140
165
203
216
241
292
356
406
495
622
698
787
914
H
170
190
210
250
270
300
340
380
420
450
540
640
740
850
970
1100
DO
100
100
120
140
160
180
200
240
270
310
340
400
520
640
760
900
D
89
98
108
117
127
152
178
190
229
254
279
343
406
483
533
597
D1
60.5
70
79.5
89
98.5
120.5
139.5
152.5
190.5
216
241.5
298.5
362
432
476
540
g
35
43
51
64
73
92
105
127
157
186
216
270
324
381
413
470
b
10
111
12
13
15
16
18
19
24
24
26
29
31
32
35
37
Z-φd
4-15
4-15
4-15
4-15
4-15
4-19
4-19
4-19
8-19
8-22
8-22
8-22
12-25
12-25
12-29
16-29
API美标柱塞阀主要连接尺寸(300Lb):
DN(mm)/
尺寸 (mm)UJ41H(Y)-300Lb U41SM-300Lb
1/2″
3/4″
1″
11/4″
11/2″
2″
21/2″
3″
4″
5″
6″
8″
10″
12″
14″
16″
L
152
178
203
216
229
267
292
318
356
400
444
559
622
711
838
864
H
170
190
210
250
270
300
340
380
420
460
540
640
740
850
980
1100
DO
100
100
120
140
160
180
200
240
280
310
340
400
520
640
760
900
D
95
117
124
133
156
165
190
210
254
279
318
381
445
521
584
648
D1
66.5
82.5
89
98.5
114.5
127
149
168.5
200
235
270
330
387.5
451
514.5
571.5
g
35
43
51
64
73
92
105
127
157
186
216
270
324
381
413
470
b
15
16
18
19
21
23
26
29
32
35
37
42
48
51
54
58
Z-φd
4-15
4-19
4-19
4-19
4-22
8-19
8-22
8-22
8-22
8-22
12-22
12-25
16-29
16-32
20-32
20-35
阀门采用标准 (ANSl)及标准(APl)的连接、结构尺寸,内件采用(GB)尺寸。

所以金属导向套的硬密封不容易磨损,解决了中所提出的问题。无泄漏优点和截止阀的启闭快特点,成为一个结构新颖、用途广泛的新品种。柱塞截止阀是由阀体、阀盖、阀杆、柱塞、密封圈、手轮等零件组成。当旋转手轮时,通过阀杆带动柱塞,使柱塞顶斜锥面与阀座锥面往复离合,完成阀门的开启和关闭。在阀门中,柱塞与密封圈间采用过盈配合。

柱塞阀的日常维护保养
1、柱塞阀应存干燥通风的室内,通路两端须堵塞。
2、长期存放的柱塞阀应定期检查,清除污物,并在加工面上涂防锈油。
3、柱塞阀安装后,应定期进行检查,主要检查项目:
(1)柱塞阀密封面磨损情况。
(2)柱塞阀阀杆和阀杆螺母的梯形螺纹磨损情况。
(3)柱塞阀填料是否过时失效,如有损坏应及时更换。
(4)柱塞阀检修装配后,应进行密封性能试验。

订货须知:
一、①产品名称与型号②口径③是否带附件以便我们的为您正确选型④的使用压力⑤的使用介质的温度。
二、若已经由设计单位选定公司的型号,请按型号直接向我司销售部订购。三、当使用的场合非常重要或环境比较复杂时,请您尽量提供设计图纸和详细参数,由我们的阀门公司专家为您审核把关。如有疑问:请:我们一定会尽心尽力为您提供优质的服务。提供全面、“阀门系统解决方案",也十分愿意帮助用户解决生产中所遇到的难题。
-
联系方式
- 联系人:申弘阀门
- 电 话:021-59260058
- 手 机:15901754341
- 传 真:86-021-31662735
- 邮 箱:494522509@qq.com
- 邮 编:201718
- 地 址:上海市青浦区金泽工业园区
- 网 址: https://bengye.cn.goepe.com/
http://www.021-fm.com
-
产品搜索





