-
ZPW直角式反冲洗过滤器申弘
详细信息| 询价留言ZPW直角式反冲洗过滤器产品说明
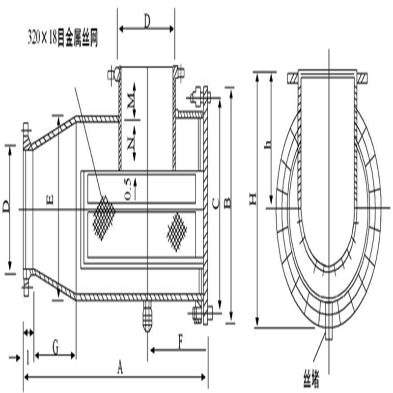
且可以相对顶盖上下运动。过滤工作时,将排污口关闭,拉起手柄及阀杆将阀瓣升起,介质从滤网进水口进入其内部,从滤网内侧向外侧经过滤后流出,杂质被截留在滤网内;当滤网内沉积过多的杂质,特别是絮状粘滞物在滤网上附着过多时,可不拆卸滤网进行清洗,清洗时将过滤器出口关闭,同时打开排污口,按下手柄,此时阀瓣将滤网进水口关闭,水流经滤网翻边部位进入滤网与壳体内侧间隙,从滤网外侧向内侧对滤网进行反向冲洗,可以有效清除滤网上的附着物,使杂质通过排污口排出。

阀杆上端靠近手柄一侧装有柱销,在顶盖上端装有锁槽,在反冲洗时,按下手柄可将阀杆锁住。阀瓣与阀杆间通过可压缩弹簧连接,可以使阀瓣在关闭滤网进水口时自动调整与滤网的同心度,保证将滤网关闭严密。
阀杆可以侧装在壳体上,并与阀瓣连接,在阀杆上装有手柄,且阀杆与壳体间用密封圈密封,通过旋转手柄而带动阀瓣旋转,起到开闭作用。
滤网可以是耐腐蚀的金属或非金属材料,其形状可以是多边筒形。壳体底部的堵盖与壳体是活动连接的,堵盖上有排污口,在堵盖与壳体封堵时旋转堵盖,可以调整排污口的朝向,可在安装时根据现场条件改变排污口的方向,便于现场安装。
本实用新型既保持了现有技术的特点,又增加了反冲洗的功能,具有结构简单,使用效果明显等优点,是一种适用范围广泛、实用而简便的反冲洗过滤器。本实用新型的具体结构由以下实施例及其附图详细给出。
可用于对工业水、海水、食品和制药等轻化工工业废水、循环水的过滤,以及乳化液再生、废油、液态原料等过滤处理等。在冶金工业及石化工业及电厂给排水和循环水系统和涉及到液态的介质过滤等工艺中,应用自动反冲洗过滤器也日趋广泛,我国现代冶金企业引进的连铸水系统、高炉水系统、热轧用高压水除鳞系统、乳化液系统以及封闭的水循环系统,液态的介质过滤系统均大量地采用了自动反冲洗过滤器。

ZPW直角式反冲洗过滤器清洗特点:
a.全自动反冲排污过滤器采用多个滤筒过滤,有效过滤面积大,压力损失小。 设计过滤面积为进出口面积的3~5倍。
b. 全自动反冲排污过滤器维修、维护方便:设置检修人孔,装卸滤筒方便, 反冲洗过滤器
c. 全自动反冲排污过滤器采用多滤筒过滤、逐个滤筒清洗的结构,清洗时不间断供水。
d.全自动反冲排污过滤器程序控制:可根据用户现场实际情况需要设定系统的各项参数。
e.反冲洗过滤器先进的控制系统:控制系统的 度高,并可根据不同水质调整其工作模式和运行状态,以提高其适应水质能力。
f.反冲洗过滤器方便的控制方式:压差/时间同时控制或分别控制,可根据实际工况及需求任意选择,自动运行;同时设手动/自动转换开关,控制方式可预先设定,并可实现电气互锁,
g.反冲洗过滤器设有就地控制,必要时可设远传控制转换开关,以实现就地操作和远控操作。
h. 反冲洗过滤器留有运行状态输出、故障报警输出等功能,保证设备使用在安全可靠条件下全自动反冲排污过滤器功能作用。

摘要本实用新型属于给水领域的一种过滤装置,特别是涉及一种可以对核心装置——滤网进行反向冲洗的过滤器,它可以在不经过对过滤器本身进行拆卸的情况下,将滤网上粘附的杂质清除干净。它由壳体、顶盖、滤网、阀瓣、阀杆、手柄、密封圈和排污口组成。其特征在于壳体为X形,上部有一顶盖,底部有一个排污口,内部装有滤网和阀瓣;滤网为向外翻边圆筒形,其外侧表面与壳体内侧有间隙;滤网进水口一侧装有阀瓣,并通过与顶盖贯通的阀杆和手柄连接。过滤工作时,拉起手柄及阀杆将阀瓣升起,介质从滤网进水口进入其内部,从滤网内侧向外侧经过滤后流出,杂质被截留在滤网内;清洗时将过滤器出口关闭,同时打开排污口,按下手柄,此时阀瓣将滤网进水口关闭,水流经滤网翻边部位进入滤网与壳体内侧间隙,从滤网外侧向内侧对滤网进行反向冲洗,可以有效清除滤网上的附着物,使杂质通过排污口排出。
自动反冲洗过滤器克服传统过滤产品的纳污量小、易受污物堵塞、 过滤部分需拆卸清洗且无法监控过滤器状态等众多缺点,具有对原水 进行过滤并自动对滤芯进行自动清洗排污的功能,且清洗排污时系统 不间断供水,可以监控过滤器的工作状态,自动化程度很较高。反冲 洗过滤器可立式、卧式、倒置任意方向任意位置安装,可用于工业、 农业、市政电力、电子、医药、食品、印染、建筑、钢铁、冶金、造 纸等各行各业水过滤。

ZPW直角式反冲洗过滤器工作原理
正常工作时导流蝶板为开启状态,此时水由入口进入,经过滤网滤掉 颗粒杂质。在过滤过程中,滤网逐渐累积水中的脏物、杂质,形成过 滤杂质层,由于杂质层堆积在滤网的内侧,因此在滤网的内、外两侧 就形成了一个压差。当过滤器的压差达到预设值时,将开始清洗过程 此间净水供应不断流。清洗时首先关闭中间的导流蝶板,然后打开排 污阀开始排污,当排污口污水排净时,关闭排污阀并打开导流蝶板完 成排污。
ZPW直角式反冲洗过滤器外形尺寸
型号
L(mm)
B(mm)
C(mm)
处理流量
功率(W)
排污口DN
ZPW-L-40
350
120
220
30
300W
15*
ZPW-L-50
382
125
250
35
300W
15*
ZPW-L-65
420
140
285
55
300W
20*
ZPW-L-80
480
150
325
65
400W
25*
ZPW-L-100
710
255
540
130
500W
32*
ZPW-L-125
790
280
615
190
600W
40
ZPW-L-150
860
290
670
320
600W
50
ZPW-L-200
1060
340
830
500
800W
65
ZPW-L-250
1390
390
1030
760
800W
80
ZPW-L-300
1495
425
1105
1100
800W
100
ZPW-L-350
1720
415
1325
1350
1.0KW
125
ZPW-L-400
1950
465
1465
1600
1.2KW
150
ZPW-L-450
2140
510
1645
1800
1.5KW
150
ZPW-L-500
2315
560
1790
2200
2.0KW
150
ZPW-L-600
2660
715
2065
2900
2.5KW
200
ZPW直角式反冲洗过滤器外形尺寸
型 号
L(mm)
B(mm)
处理流量
功率(W)
排污口DN
ZPW-I-40
248
70
30
300W
15*
ZPW-I-50
278
80
35
300W
15*
ZPW-I-65
315
86
55
300W
20*
ZPW-I-80
375
110
65
400W
25*
ZPW-I-100
428
128
130
500W
32*
ZPW-I-125
560
162
190
600W
40
ZPW-I-150
700
189
320
600W
50
ZPW-I-200
870
220
500
800W
65
ZPW-I-250
1080
255
760
800W
80
ZPW-I-300
1280
290
1100
800W
100
ZPW-I-350
1580
330
1350
1.0KW
125
ZPW-I-400
1800
377
1600
1.2KW
150
ZPW-I-450
1860
420
1800
1.5KW
150
ZPW-I-500
2030
462
2200
2.0KW
150
ZPW-I-600
2440
537
2900
2.5KW
200
ZPW直角式反冲洗过滤器主要技术参数:
壳体材质
碳钢
滤网材质
不锈钢
工作压力
0.6-2.5MPa
使用介质
无腐蚀性水、中性液体
滤网规格
2-300目
适用温度
≤100℃
自动反冲洗排污过滤器宜安装在直角弯管上,ZPG-I 型自动反冲洗排污过滤器宜水平或垂直安装,当直通式垂直安装时 水流方向应该是自上而下,安装时应注意外壳上箭头方向必须与水流 方向一致,正常运行时,蝶阀处于开启状态,当需要排污时,关闭蝶 阀,打开排污阀直至排出水质变清为止,开启蝶阀,既完成排污过程。 可保泵阀使用延长寿命的优点。

ZPW直角式反冲洗过滤器安装维护
1、全自动反冲洗排污过滤器运行管理方便、过滤速度高、冲洗简单可靠、反冲洗能力强。
2、定时或压差控制方式,可全自动进行过滤器排污清洗,并保证过滤器的高效使用。
3、控制箱设有过滤器工作状态、清洗状态、及故障状态指示,及相应信号的输出,操作简便。
4、冲洗、反冲洗时间可调整,排污量小于正常工作流量的10%。
5、安装参照KL-ZPW自动反冲洗排污过滤器。
6、控制箱安装在控制室或过滤器附近。
7、按控制箱标示的接线端予标号和接线图进行接线。注意接地线的正确接地,以确保安全。
订货须知:
一、①产品名称与型号②口径③是否带附件以便我们的为您正确选型④的使用压力⑤的使用介质的温度。
二、若已经由设计单位选定公司的型号,请按型号直接向我司销售部订购。
三、当使用的场合非常重要或环境比较复杂时,请您尽量提供设计图纸和详细参数,由我们的阀门公司专家为您审核把关。如有疑问:请:我们一定会尽心尽力为您提供优质的服务。提供全面、*的“阀门系统解决方案",也十分愿意帮助用户解决生产中所遇到的难题。 -
联系方式
- 联系人:申弘阀门
- 电 话:021-59260058
- 手 机:15901754341
- 传 真:86-021-31662735
- 邮 箱:494522509@qq.com
- 邮 编:201718
- 地 址:上海市青浦区金泽工业园区
- 网 址: https://bengye.cn.goepe.com/
http://www.021-fm.com
-
产品搜索







