-
CPVC塑料升降式止回阀申弘
详细信息| 询价留言CPVC塑料升降式止回阀产品说明
塑料阀门与管路系统连接的方式有对焊连接:阀门连接部位的外径与管材的外径相等,阀门连接部位端面与管材的端面相对进行焊接;外型结构紧凑美观。本体重量轻容易安装。耐腐蚀性强,应用范围广,材质卫生无毒,耐磨损、容易拆卸,维护简单易行,适用流体:水、空气、油类、腐蚀性化学液体,例如:纯水和生饮水的管路系统、排水和污水管路系统、盐水和海水管路系统、酸碱和化学溶液系统等多个行业。CPVC止回阀:氯化聚氯乙烯(CPVC)材质:抗酸耐腐蚀70%,使用温度-40℃-95℃。适用于带腐蚀性介质的输送过程的截流,根据CPVC材质温度

CPVC塑料升降式止回阀产品特点:
1、具有极佳的强度和韧性。
2、具有优良的耐化学腐蚀性能。
3、阻燃性能为自熄性。
4、低热传导性能,为钢材的1/200。
5、介质中重离子含量达超纯水含量。
6、卫生指标符合国家卫生标准。
7、外型结构紧凑美观。
8、本体重量轻容易安装。
9、材质卫生无毒。
10、耐磨损、容易拆卸,维护简单易行。
CPVC塑料升降式止回阀塑料材质的使用选型:
☆增强聚丙烯(RPP)材质:抗酸耐腐蚀35%,使用温度-20℃-90℃。
☆硬聚氯乙烯(UPVC)材质:抗酸耐腐蚀50%,使用温度-10℃-70℃。
☆氯化聚氯乙烯(CPVC)材质:抗酸耐腐蚀70%,使用温度-40℃-95℃。
☆聚偏二氟乙烯(PVDF)材质:抗酸耐腐蚀100%,使用温度-40℃-140℃。

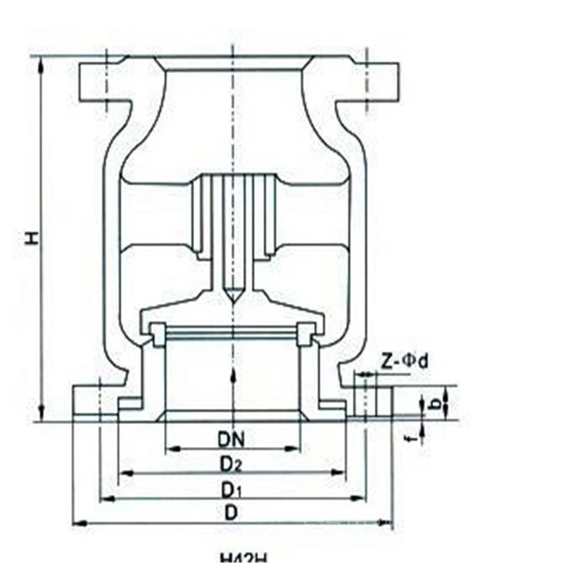
H41X升降式塑料止回阀外形尺寸:
公称压力
PN公称通径
DN主要连接尺寸
外形
尺寸L
D
D 1
D 2
D 6
b
f
f 1
Z-φd
H
1.6MPa
40
200
145
110
85
-
16
2
-
4-18
95
50
230
160
125
100
-
16
2
-
4-18
105
65
290
180
140
120
-
18
2
-
4-18
120
80
310
195
165
135
-
20
3
-
8-18
130
100
350
215
180
155
-
20
3
-
8-18
140
125
400
245
210
185
-
22
3
-
8-12
155
150
480
280
240
210
-
24
3
-
8-23
180
200
600
335
295
265
-
26
3
-
12-23
215
一种塑料垂直升降式止回阀是由1.阀体;2.阀芯;3.三角形密封圈;4.管路连接件四部分组成,主要供作防止管道或设备中介质倒流之用,它是靠介质压力自动开启或关闭的,其特征是:阀体内壁作定位导向,下端装有密封圈可以上下移动的活动阀芯,利用介质压力作为向上移动开启阀门,向下移动即关闭阀门达到止回目的.

H41X升降式塑料止回阀选型原则
1、工作压力高:各种材质在常温下工作压力分别可达1.0Mpa.
2、使用温度广:PPR的使用温度为-20℃~+70℃;PP的使用温度为-20℃~+95℃;GFRPP的使用温度-20℃~+120℃。
3、抗冲性能好:PPR、GFRPP具有较高的机械强度和耐冲击性。
4、液体流动阻力小:产品内壁光滑,摩擦系数小,输送效率高。
5、化学性能优:本产品无毒、无味、耐酸碱、耐腐蚀,使用范围广。PPR主要用于食品、饮料、自来水、纯净水等具有卫生要求的液体管道及设备,也可用于腐蚀性小的液体管道及设备;PP、GFRPP主要用于腐蚀性较大的强酸、强碱及混合酸的液(气)体流通。
6)安装方便、密封性好:本产品质轻,采用粘接或焊接,管件齐全,施工简便,密封性好,劳动强度小。

订货须知:
一、①产品名称与型号②口径③是否带附件以便我们的为您正确选型④的使用压力⑤的使用介质的温度。
二、若已经由设计单位选定公司的型号,请按型号直接向我司销售部订购。三、当使用的场合非常重要或环境比较复杂时,请您尽量提供设计图纸和详细参数,由我们的阀门公司专家为您审核把关。如有疑问:请:我们一定会尽心尽力为您提供优质的服务。提供全面、*的“阀门系统解决方案",也十分愿意帮助用户解决生产中所遇到的难题。
-
联系方式
- 联系人:申弘阀门
- 电 话:021-59260058
- 手 机:15901754341
- 传 真:86-021-31662735
- 邮 箱:494522509@qq.com
- 邮 编:201718
- 地 址:上海市青浦区金泽工业园区
- 网 址: https://bengye.cn.goepe.com/
http://www.021-fm.com
-
产品搜索






