-     
Z943WF电动带导流孔平板闸阀申弘
详细信息| 询价留言Z943WF电动带导流孔平板闸阀 产品说明
本实用新型涉及一种电动平板闸阀,属于平板闸阀的技术领域。电动平板闸阀是一种闸阀,适用于天然气,石油,化工,环保,城市管道,燃气管线等输送管线,放空系统和汽储存装置上,用作启闭设备,现有的电动平板闸阀当介质压力低时,金属密封面的密封力不足以达到满意的密封,相反当介质压力高时,如果密封面不用系统介质或外来介质润滑时,经常启闭就可能使密封面磨损过大,另一个不足是,在圆形流道上横向运动的圆形闸板只有当它处在阀门关位置的50%时,这种阀门对流量的控制才较敏感,而且,闸板在却断高速和高密度介质流时,会产生剧烈振动。如果将阀座做成V形通口并和闸板紧密的导向,则它也可用作节流。
技术实现要素:
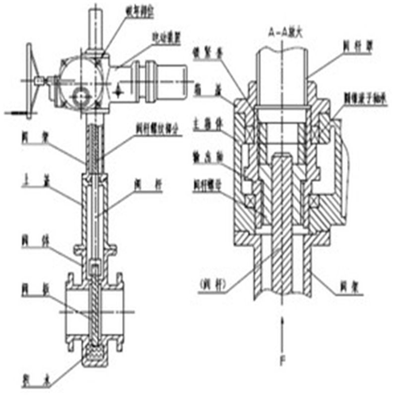
发明目的:本实用新型所要解决密封效果差的技术问题,本实用新型提供一种电动平板闸阀。实现本实用新型目的的技术方案包括阀体、闸板密封副、阀杆、阀盖、密封件、安装件和转动轮。其闸板密封副包含闸板、斜度板、滑块,楔形块和导向架,导同架安装在两闸板中间,其中心和上部制有相互垂直的通孔,两侧与阀体上的导向筋动配台,底部有一个调
本实用新型与现有技术相比的有益效果在于采用分离式组合结构,闸板、导向架与压紧部件分离组合,通过它们之间的摩擦力和配合间隙,楔形块的楔角及压缩弹簧的弹力作用,实现密封机构启闭运动的超前和滞后,达到密封压紧力和介质静压力的分步作用,减少密封面间的摩擦,使密封面磨损小,密封可靠,启闭轻便、灵活,使用寿命长。
本公司经营的电动平板闸阀具有密封性能可靠、启闭力矩小、具有抗硫耐磨、使用寿命长、可通毛球清扫管线等特点;电动平板闸阀适用水、石油、天然气、蒸汽等非腐蚀性和腐蚀性介质的管路系统中作启闭装置,特别适用于石化、油、气、长输管线等领域。

■Z943WF电动带导流孔平板闸阀 产品特点
1、阀座的密封结构应为弹性有预紧力,上、下游密封座同时密封的结构。阀座与密封物间始终为面对面密封。
2、阀座有自清洗功能,并且在阀门开启或关闭过程中不受气流的直接冲刷。阀座应由有润滑、不磨损材料制成。
3、阀门执行机构的故障不会影响到阀门的其它部分,维修和更换工作能够在不拆下阀门的情况下进行。
(1) 轭架套管 – 铝青铜轭架套管配置针形止推轴承,*大程度减少操作扭矩。
(2) 阀杆 – 螺纹长度直到托架;销钉和点焊;具有稳定性。
(3) 压力密封 – 结构简单,配置分段扣环和镀银低碳钢垫圈,有助于拆卸和实现*好的阀帽密封。
(4) 阀座环 – 焊接阀座环垂直于流动通道,易于维护。
(5) 执行机构 – 这些阀门可以配置电动、液动或气动执行机构。DN300以下配置标准手动手轮,DN350以上配置斜齿轮操作机构。
(6) 轭架 – 完全装配式轭架通过抗震测试,易于维护和安装执行机构。
(7) 压盖 – 两件式,自调节压盖,避免被弹出。
(8) 整体后座 – 硬面,使用寿命*长。
(9) 阀瓣 – 弹簧负载阀瓣能够自行调节,减少执行机构的扭矩需求。
(10) 整体止动 – 整体铸造托架止动装置,定位组装的托架阀瓣,使得阀座更加稳定可靠。
工艺方案:一种电动平板闸阀,包括防尘筒、电动装置、电动机、推力轴承、螺母、支筒、阀杆、阀盖、阀板、阀体、密封圈、密封座,所述电动装置与电动机连接,所述电动装置顶端与防尘筒连接,所述电动装置底部与推力轴承连接,所述推力轴承与阀杆顶端连接,所述阀杆底端与阀盖连接,所述阀杆内设有支筒,所述支筒穿过阀盖与阀板连接,所述阀盖与阀体连接,所述阀体通过密封圈与密封座连接。本实用新型通过密封圈增加了平板闸阀的密封性,通过电动装置节约人工劳动力,提高工作效率。

Z943WF电动带导流孔平板闸阀执行标准
设计规范 结构长度 连接法兰 试验与检验 压力-温度 产品标识 JB/T5298 JB/T5298 JB/79 JB/T5298 GB9131 GB/T12220 API6D API6D ANSI-16.5 API6D ANSI B16.34 MSS SP-25 Z943WF电动带导流孔平板闸阀性能规范
设计等级 常温下试验压力(MPa) 适用温度℃ 适用介质 壳体 左密封 左密封 低压密封 “G”型 “D”型 普通型 “抗硫”型 “基本”型 公称压力PN(MPa) 1.6 2.4 1.76 1.76 0.6 -29~50 -45~21 -2~121 H2S和CO2总含量大于500mg/m2的介质 石油天然气、水等 2.5 3.75 2.75 2.75 0.6 4.0 6.0 4.4 4.4 0.6 6.4 9.6 7.04 7.04 0.6 磅级Lb 150 3.0 2.2 2.2 0.6 300 7.7 5.6 5.6 0.6 主要零部件材料
阀门/阀盖 WCB WC6 A352-LCB A351-CF8M 闸板 2Cr13+ENP 20CrMoV+STL ANSO410+ENP ANSI316+ENP 阀杆 2Cr13 2Cr13 A182-A6a A182-A316S 阀座 25+PTFE 20CrMoV+STL A105+PTFE A182-F316+PTFE 填料 NBR/FPM 柔性石墨/Flexible Graphite 聚四氟乙烯/PTFE+FPM 垫片 - 垫片 - 螺栓 35 螺栓 35 适用介质 水、油口、蒸汽 适用介质 水、油口、蒸汽 Z943WF电动带导流孔平板闸阀外形结构图
Z943WF电动带导流孔平板闸阀主要外形和连接尺寸PN1.6MPa-2.5MPa
1.6MPa DN L D D1 D2 Do f b H H1 n-Φd 凸面法法 
RF
(K)Z43WF-16C
(K)Z543WF-16C
(K)Z643WF-16C
(K)Z943WF-16C50 178 160 125 100 250 3 16 584 80 4-Φ18 65 190 180 145 120 250 3 18 634 95 4-Φ18 80 203 195 160 135 250 3 20 688 100 8-Φ18 100 229 215 181 155 300 3 20 863 114 8-Φ18 125 254 245 210 185 350 3 22 940 132 8-Φ18 150 267 280 240 210 350 3 24 1030 150 8-Φ23 200 292 335 295 265 350 3 26 1277 168 12-Φ23 250 330 405 355 320 400 3 30 1491 203 12-Φ25 300 356 460 410 375 450 4 30 1701 237 12-Φ25 350 381 520 470 435 500 4 34 1875 265 16-Φ30 400 406 580 525 485 305 4 36 2180 300 16-Φ30 450 432 640 585 545 305 4 40 2440 325 20-Φ34 500 457 705 650 608 305 4 44 2860 360 20-Φ41 600 508 840 770 718 305 5 48 3450 425 20-Φ41 700 610 910 840 788 305 5 50 3960 460 24-Φ41 800 660 1020 950 898 305 5 52 4550 512 24-Φ41 900 711 1120 1050 998 250 5 54 5250 565 28-Φ48 1000 811 1250 1170 1110 250 5 56 5870 630 28-Φ18 2.5MPa 50 178 160 125 100 250 3 20 584 80 4-Φ18 凸面法法 
RF
(K)Z43WF-25
(K)Z543WF-25
(K)Z643WF-25
(K)Z943WF-2565 190 180 145 120 300 3 22 634 95 8-Φ18 80 203 195 160 135 350 3 22, 388 100 8-Φ18 100 229 230 190 160 350 3 24 863 114 8-Φ23 125 254 270 220 188, 350 3 28 940 132 8-Φ25 150 267 300 250 218 400 3 30 1030 150 8-Φ25 200 292 360 310 278 450 3 34 1277 168 12-Φ25 250 330 425 370 332 500 3 36 1491 203 12-Φ30 300 356 485 430 390 305 4 40 1701 237 16-Φ30 350 381 550 490 448 305 4 44 1875 265 16-Φ34 400 406 610 550 505 305 4 48 2180 300 16-Φ34 450 432 660 600 555 305 4 50 2440 325 20-Φ34 500 457 730 660 610 305 4 52 2860 360 20-Φ41 600 508 840 770 718 305 5 56 3450 425 20-Φ41 700 610 955 875 815 305 5 60 3960 460 24-Φ48 800 660 1070 990 930 305 5 64 4550 512 24-Φ48 900 711 1180 1090 1025 - 5 66 5250 595 28-Φ54 1000 811 1305 1210 1140 - 5 68 5870 660 28-Φ48 
本实用新型通过密封圈增加了平板闸阀的密封性,通过电动装置节约人工劳动力,提高工作效率。本实用新型公开了一种电动平板闸阀,所述电动装置与电动机连接,所述电动装置顶端与防尘筒连接,所述电动装置底部与推力轴承连接,所述推力轴承与阀杆顶端连接,所述阀杆底端与阀盖连接,所述阀杆内设有支筒,所述支筒穿过阀盖与阀板连接,所述阀盖与阀体连接,所述阀体通过密封圈与密封座连接,本实用新型通过密封圈增加了平板闸阀的密封性,通过电动装置节约人工劳动力,提高工作效率。

订货须知:
一、①产品名称与型号②口径③是否带附件以便我们的为您正确选型④的使用压力⑤的使用介质的温度。
二、若已经由设计单位选定公司的型号,请按型号直接向我司销售部订购。三、当使用的场合非常重要或环境比较复杂时,请您尽量提供设计图纸和详细参数,由我们的阀门公司专家为您审核把关。如有疑问:请:我们一定会尽心尽力为您提供优质的服务。提供全面、*的“阀门系统解决方案",也十分愿意帮助用户解决生产中所遇到的难题。
 - 
 
留 言
- 联系人:申弘阀门
 - 电 话:021-59260058
 - 手 机:15901754341
 - 传 真:86-021-31662735
 - 邮 箱:494522509@qq.com
 - 邮 编:201718
 - 地 址:上海市青浦区金泽工业园区
 - 网 址:	      https://bengye.cn.goepe.com/	      	        
http://www.021-fm.com 
- 
产品搜索
 






