-
A46Y先导式安全阀申弘
详细信息| 询价留言A46Y先导式安全阀 产品说明
本实用新型涉及安全阀设备技术领域,具体为先导式安全阀。是一种新颖结构的安全阀。主要用于石油天然气、化工、电力、冶金和城市燃气等领域,是受压设备、容器或管路上的*佳超压保护装置。其主要优点是变弹簧直接作用为导阀间接作用,提高了动作的灵敏度,而且主阀采用套筒活塞式,双重密封阀座结构,动作精度高、重复性好、回座快、不泄漏、能带高背压排放、工作等命长、工作稳定可靠,它还可在线调校,反复启跳排放后,仍然能自动回座,关闭严密,操作维护方便。

A46Y先导式安全阀背景技术:
先导式安全阀是—种非直接载荷式安全阀。由主阀和导阀(又称“副阀”)组成,主阀依靠从导阀排出的介质来驱动,由于系统内的压力呈脉冲形式,所以又被称为“脉冲式安全阀”。从单独来看,导阀本身也是一种直接载荷式安全阀。当介质匝力达到导阀的开启压力时,导阀先行开启,排出的介质从旁通管进入主阀,而先导式安全阀则是对上述主阀与管道进行安装连接的结构。
现在市场上的先导式安全阀的进口体与管道在进行安装时十分的麻烦,需要将孔洞一一进行对齐,从而不能满足人们的使用需求。先导式平安阀特别适用于高背压、大流量、高压力和装置位置紧凑的场所应用。先导式平安阀主要用于石油自然气、化工、电力、冶金和城市燃气等范畴,是受压设备、容器或管路上的佳超压维护安装。

A46Y先导式安全阀工作原理:
当系统正常工作,先导式平安阀处于关闭状态时,系统压力经过进口压力管、导阀和气室压力管传到主阀阀瓣顶部的圆顶气室,从而在主阀瓣上产生了一个向下的净作用力,使主阀处于关闭状态。当系统压力到达整定压力时,导阀开启且滑梭封锁导阀进气通道,主阀气室的压力经过导阀排放卸压,由于系统压力高于回座压力,滑梭封锁进气通道,从而隔断流体在导阀中的活动,这时主阀气室的压力急剧降落,主阀阀瓣完整翻开,流体经过主阀泄放降压。当系统压力降到一定值时,导阀的弹簧力克制了阀进口压力作用在滑梭上的力,导阀回座,顶杆顶开滑梭,后使得流体重新进入主阀的圆顶气室,关闭主阀。
A46Y先导式安全阀构造特性:
1、阀座软密封保证平安阀起跳前后的良好密封性。
2、允许工作压力接近平安阀的整定压力。
3、较小超压就能使平安阀主阀疾速到达全启状态。
4、平安阀动作性能和开启高度不受背压的影响。
5、启闭压差可调。
6、导阀不活动型构造设计减少了有害介质的排放和环境污染。
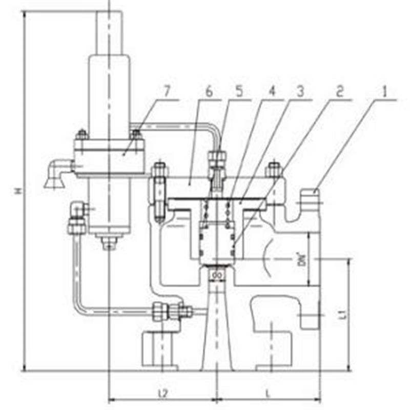
A46Y先导式安全阀主要零部件
NO. 零件名称 AF46Y/F 材料 A46F/Y材料 1 阀体 WCB WCB 2 阀瓣 2Cr13/2Cr13+PTFE 1Cr18Ni9Ti/1Cr18Ni9Ti+PTFE 3 导向套 1Cr18Ni9Ti 1Cr18Ni9Ti 4 弹簧 50CrVA 50CrVA 5 O型圈 氟橡胶 氟橡胶 6 阀盖 25 25 7 导阀 部件 A46Y先导式安全阀外形结构图
A46Y先导式安全阀主要外形尺寸
型号 公称通径 do L L1 L2 H DN D D1 D2 D6 b Z-ød D D1 D2 D6 b Z-ød A46 F/Y -16 25 15 110 95 150 365 32 115 85 65 16 4-14 140 100 78 18 4-18 32 20 115 100 150 375 40 140 100 78 18 4-18 150 110 85 18 4-18 40 25 120 110 160 390 50 150 110 85 18 4-18 165 125 100 20 4-18 50 32 135 120 160 410 65 165 125 100 20 4-18 185 145 120 20 4-18 65 40 160 140 175 435 80 185 145 120 20 4-18 200 160 135 20 8-18 80 50 170 135 175 451 100 200 160 135 20 8-18 220 180 155 22 8-18 100 65 195 175 195 500 125 220 180 155 22 8-18 250 210 185 24 8-18 125 80 210 190 220 526 150 250 210 185 22 8-18 285 240 210 24 8-23 150 100 255 230 265 623 175 285 240 210 24 8-23 315 270 240 26 8-23 200 125 300 260 300 690 250 340 295 265 26 12-23 405 355 320 30 12-26 A46 F/Y -25 25 15 110 95 150 365 32 115 85 65 16 4-14 140 100 78 18 4-18 32 20 115 100 150 375 40 140 100 78 18 4-18 150 110 85 18 4-18 40 25 120 110 160 390 50 150 110 85 18 4-18 165 125 100 20 4-18 50 32 135 120 160 410 65 165 125 100 20 4-18 185 145 120 20 4-18 65 40 160 140 175 435 80 185 145 120 22 8-18 200 160 135 20 8-18 80 50 170 135 175 451 100 200 160 135 22 8-18 220 180 155 22 8-18 100 65 195 175 195 500 125 230 190 160 24 8-23 250 210 185 22 8-18 125 80 210 190 220 526 150 270 220 188 28 8-26 285 240 210 24 8-23 150 100 255 230 265 623 175 300 250 218 30 8-26 310 270 240 26 8-23 200 125 300 260 300 690 250 360 310 278 34 12-26 405 355 320 30 12-26 A46 F/Y -40 25 15 110 95 150 365 32 115 85 65 58 16 4-14 140 100 78 18 4-18 32 20 115 100 150 375 40 140 100 78 66 18 4-18 150 110 85 18 4-18 40 25 120 110 160 390 50 150 110 85 76 18 4-18 165 125 100 20 4-18 50 32 135 120 160 410 65 165 125 100 88 20 4-18 185 145 120 20 4-18 65 40 160 140 175 435 80 185 145 120 110 22 8-18 200 160 135 20 8-18 80 50 170 135 175 451 100 200 160 135 121 22 8-18 220 180 155 22 8-18 100 65 195 175 195 500 125 235 190 160 150 24 8-23 250 210 185 22 8-18 125 80 210 190 220 526 150 270 220 188 176 28 8-26 285 240 210 24 8-23 150 100 255 230 265 623 175 300 250 218 204 30 8-26 310 270 240 26 8-23 200 125 300 260 300 690 250 375 320 282 260 38 12-30 405 355 320 30 12-26 
尽管参照前述实施例对本实用新型进行了详细的说明,对于本领域的技术人员来说,其依然可以对前述各实施例所记载的技术方案进行修改,或者对其中部分技术特征进行等同替换,凡在本实用新型的精神和原则之内,所作的任何修改、等同替换、改进等,均应包含在本实用新型的保护范围之内。

A46Y先导式安全阀使用说明:
①所有的安全阀都应垂直安装;
②安全阀下端应加装关断阀,便于安全阀检修;
③安全阀出口处应无阻力,避免产生受压现象;
④安全阀在安装前应专门测试,并检查其官密封性;
⑤安装位置、高度、进出口方向必须符合设计要求,注意介质流动的方向应与阀体所标箭头方向一致,连接应牢固紧密;
⑥使用者在将安全阀安装到被保护设备上之前或者在安装之前,必须在安装现场重新进行调整,以确保安全阀的整定压力值符合要求;
⑦安全阀调整完毕,应加以铅封,以防止随便改变已调整好的状况。当对安全阀进行整修时,在拆卸阀门之前应记下调整螺杆和调节圈的位置,以便于修整后的调整工作。重新调整后应再次加以铅封;

订货须知:
一、①产品名称与型号②口径③是否带附件以便我们的为您正确选型④的使用压力⑤的使用介质的温度。
二、若已经由设计单位选定公司的型号,请按型号直接向我司销售部订购。三、当使用的场合非常重要或环境比较复杂时,请您尽量提供设计图纸和详细参数,由我们的阀门公司专家为您审核把关。如有疑问:请:我们一定会尽心尽力为您提供优质的服务。提供全面、*的“阀门系统解决方案",也十分愿意帮助用户解决生产中所遇到的难题。
-
联系方式
- 联系人:申弘阀门
- 电 话:021-59260058
- 手 机:15901754341
- 传 真:86-021-31662735
- 邮 箱:494522509@qq.com
- 邮 编:201718
- 地 址:上海市青浦区金泽工业园区
- 网 址: https://bengye.cn.goepe.com/
http://www.021-fm.com
-
产品搜索







