-
JAV夹套保温呼吸阀申弘
详细信息| 询价留言JAV夹套保温呼吸阀 产品说明
储存轻质油品、芳烃、化工原料、化学液体等的储罐,由于外界温度的变化及储存原料的输入和输出所造成罐内气体的进出,产生了“呼”与“吸”的作用。为了保持罐内压力的平衡,避免储罐的破裂,保证储罐的安全使用,呼吸阀成为各种储罐的必备安全装置。是原油、汽油、煤油、轻柴油、芳烃等固定顶式储罐上不可缺少的主要安全设备,能起到防止蒸发损耗与保护储罐在受超压或真空时免遭破坏的作用。保温呼吸阀是安装在固定顶罐上的通风及阻火装置,能起到减少油品蒸发损耗,控制储罐压力平衡和控制火焰的作用。

JAV夹套保温呼吸阀产品作用
JAV-I保温呼吸阀是新型改进型呼吸阀,集合呼吸阀与储罐阻火器的双重作用(订货时需要指出带阻火功能),针对于易在一定温度下流体变相(凝固)的介质使用。在呼吸阀外层设置保温层以蒸汽或导热油等流体充实夹层确保阀内介质温度,来保证介质不受温度所影响所变相。根据国家标准《石油化工企业设计防火规范》(GB50160-92)之规定:“储存甲、乙类液体的固定式顶罐,应设阻火器和呼吸阀”。呼吸阀内设有静电保护装置,使得该阀时刻与罐体保持同等电位。
现我国炼油厂、石油化工厂、各类油库等地方所用的呼吸阀都为老式产品,正、负压阀盘,进、出气口都是各自独立分开,体积大、笨重、不防冻、不防腐。就解决了上述的缺点,正、负压阀盘采用同轴式结构,进、出气口合并为一个,结构紧凑、通风量大、密封性好,具有防冻、防腐能力,但此阀还因采用了导向支架结构,安装复杂,不易维修。
JAV夹套保温呼吸阀产品特点:
1、夹套保温呼吸阀材质采用铸钢、不锈钢,耐腐蚀性好。
2、阀盘、阀封环采用不锈钢、四氟乙烯材料。耐低温,防冻性能好。
3、该阀是安装在固定顶罐上的通风装置,减少油品蒸发损耗,控制储罐压力作用。
4、本阀具有通风量大,泄漏量小,耐腐蚀,防冻性好。
5、它能对石油储罐内外压并进行自动调节等特点。
6、结构简单,重量轻,易检修,安装方便。
7、水压试验合格。
夹套保温呼吸阀主要技术参数:
适用于各种石油、化工、医药、能源、液体或气体等物料
操作压力:
Type A:+355pa(+36mmH2O) -295pa(-30mmH2O)
Type B:+665pa(+70mmH2O) -295pa(-30mmH2O)
Type C:+980pa(+100mmH2O) -295pa(-30mmH2O)
Type D:+1375pa(+140mmH2O) -295pa(-30mmH2O)
Type E:+1765pa(+180mmH2O) -295pa(-30mmH2O)
Type F:+9800pa(+1000mmH2O) -295pa(-30mmH2O)(可根据客户要求来定压力)
防爆级别:BS5501:IIA、IIB、IIC。
夹套保温呼吸阀壳体材质:碳钢、铝合金、不锈钢:SUS304、SUS304L、SUS316、SUS316L,或非金属材质等。
夹套保温呼吸阀阀盘、阀座材质:铝合金、不锈钢。
密封件材质:聚四氟乙烯。
法兰标准:HG20592-2009 PN1.0如客户需要GB、SH、HGJ、JB、ANSI、JIS、DIN等标准检测标准:按(石油储罐呼吸阀)SY0511.1-2010、(石油储罐阻火器阻火性能和试验方法)GB5908-2005等标准进行验收,或客户指定标准。
本实用新型的目的在于提供一种呼吸阀,完全取消了导向支架,其结构更简单、紧凑,通风量大,易于加工、清洗,便于检修和调换另件,密封性好,体积小,重量轻,使用灵活、方便。保温呼吸阀是固定在储罐顶上的通气装置,以保证罐内压力的正常状态,防止罐内超压或超真空,使储罐遭受损坏,也可以起到减少罐内液体挥发损耗的作用。

JAV夹套保温呼吸阀技术参数
型号 JAV-I(不阻火) JAV-II(带阻火) 防爆等级 BS 5501:IIA IIB IIC 规格 DN25~300 GB 81~59
PN0.6-2.5 RF、FF壳体材质 碳钢、不锈钢304 304L 316 316L 螺帽螺栓 20# 304 304L 316 316L 密封垫片 丁晴橡胶 聚四氟乙烯 金属垫片 阻火层材质 304 304L 316 316L 环境温度 CS:-30℃~+350℃
SS: -80℃~+480℃正负发盘材质 L2 A3 PTFE
304 304L 316 316L连接方式 法兰连接 螺纹连接 负压阀盘材质 L2 A3 PTFE
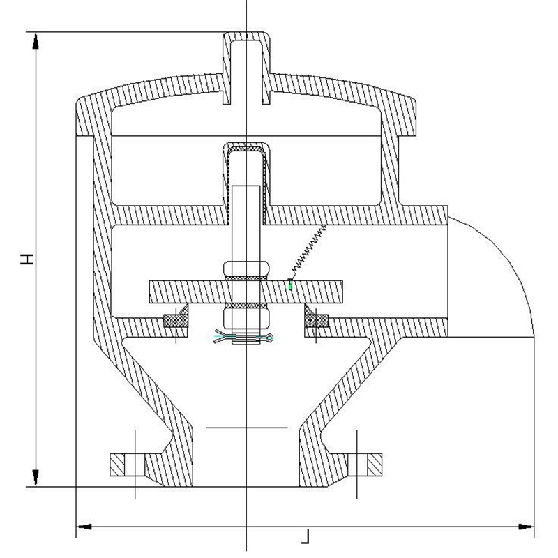
304 304L 316 316L法兰标准 HG GB SH HGJ JB ANSI JIS 正压阀盘压力 +36mmH2O~+1000mmH2O 设计制造检测标准 GB5908-86 SY7511-87 负压阀盘压力 -20mmH2O~+50mmH2O 外表 CS:paint SS:No paint JAV夹套保温呼吸阀外形结构图
JAV夹套保温呼吸阀主要外形尺寸
DN 25 50 80 100 150 200 250 300 1” 2” 3” 4” 6” 8” 10” 12” L 160 160 213 265 305 355 420 480 H 255 255 260 290 330 350 400 510 JAV夹套保温呼吸阀通气量:
公称通径
50 80 100 125 150 200 250 300 350 压力等级 通气量(m3/h) A +355
-29518
1623
1645
3590
75190
160340
280550
450820
7601050
910B +980
-29521
1627
1655
35100
75200
160380
280600
450900
7601130
910C +1750
-29526
4032
2085
35140
75280
160500
280800
4501150
7601150
91而储存化工品时,一些化工介质由于温度的关系,需要将罐体和呼吸阀进行保暖。特别是呼吸阀,因与大气直接相通,冷却快,如保暖措施不当,会在呼吸阀口腔处出现结晶或聚合,并会导致罐体被吸瘪或破裂(国内曾出现多次类似事故),特别是储存对二甲苯、丙醋酸、聚氯乙烯等介质。夹套保温呼吸阀用于安装原油、汽油、煤油、轻柴油、芳烃等固定顶式储罐上的主要保护设备,是起蒸发损耗与保护储罐在受高压或真空时免遭破坏的作用与阻火器配套使用。 夹套保温呼吸阀产品造型结构合理紧凑,类型规格齐全。双环隔层密封性能好,且易于检查而又有可靠的特点。适用于化工、化纤罐区和寒冷地区的油品储运罐上。

JAV夹套保温呼吸阀保养与维修:
为了确保夹套呼吸阀的性能达到全使用的目的。呼吸阀应在半年进行检查和保养。
1、检查压力阀盘和真空阀盘动作是否灵活,导杆及阀封环接触面有无损伤。
2、重新安装压力阀盘时,应保证接触面要严格,导杆升降灵活。
3.新阀启动时,应在安装前清除阀盘的防震物,否则呼吸阀将失灵。
4.因天气潮湿风沙情况下,温度达到零度范围内,储罐不可发油使用。急生产时须先打开量油孔其它之类的供气产品,以保护储罐作用。
再如北方寒冷地区,由于低温时间长,既然是储存油品,但由于有水气关系,也会使呼吸阀的阀盘和密封线之间、阻火器波纹带夹缝中出现结冰。有的罐区虽然具备蒸气绊热,但效果不佳,迫使停止运作,影响正常生产,给国民经济带来损失。
为了解决上述问题,开发出了夹套呼吸阀和夹套阻火呼吸阀,填补了国内空白。产品在呼吸阀的本体外围配上夹套隔层,设定蒸气接口和冷凝水出口,调配适当温度,蒸气融入夹套层中,全方位为呼吸阀的阀腔和阻火器保暖。这样,即可解决了有特殊温度要求的化工品储存的运作安全,又可解决寒冷地区冬天油品储运可随时操作的后顾之忧。其经济效益和社会效益是显著的。

订货须知:
一、①产品名称与型号②口径③是否带附件以便我们的为您正确选型④的使用压力⑤的使用介质的温度。
二、若已经由设计单位选定公司的型号,请按型号直接向我司销售部订购。三、当使用的场合非常重要或环境比较复杂时,请您尽量提供设计图纸和详细参数,由我们的阀门公司专家为您审核把关。如有疑问:请:我们一定会尽心尽力为您提供优质的服务。提供全面、*的“阀门系统解决方案",也十分愿意帮助用户解决生产中所遇到的难题。
-
联系方式
- 联系人:申弘阀门
- 电 话:021-59260058
- 手 机:15901754341
- 传 真:86-021-31662735
- 邮 箱:494522509@qq.com
- 邮 编:201718
- 地 址:上海市青浦区金泽工业园区
- 网 址: https://bengye.cn.goepe.com/
http://www.021-fm.com
-
产品搜索








