-
GYW衬PO管道阻火器申弘
详细信息| 询价留言GYW衬PO管道阻火器 产品说明
与现有技术相比,本实用新型提供了管道阻火器用阻火芯盘,具备以下有益效果:是用来阻止易燃气体和易燃液体蒸汽的火焰向外蔓延的回火装置。设计阻火内件时,是根据不同混合气体的介质、气体的组分、压力降、长径比、弯头数量来设计、达到一定阻火速度值的有规则填料。当火焰进入阻火器后,被有规则的阻火元件切割成许多细小的火焰流,由于传热的作用和器壁效应,进入的气体被冷却,使冷却的气体达不到着火温度,没有着火温度就不能形成燃烧,使火焰流猝灭,从而达到阻火目的。PO是环氧丙烷的塑料,衬四氟是聚四氟乙烯制作的,耐腐蚀性方面四氟阀门更胜一筹

该管道阻火器用阻火芯盘,通过第二阻火钢带和第二阻火钢带上的锥钢圈使得火焰能够快速进入该阻火芯盘内部,通过第二阻火钢带上的波纹钢带对火焰进行初步分化及降温,再通过*阻火钢带和*阻火钢带上的锥钢圈使得火焰进行二次分化,从而增大火焰与该阻火芯盘的接触面积,使得燃烧物质的温度降到其着火点以下,达到阻止火焰蔓延的效果,同时通过第二阻火钢带上的锥钢圈和*阻火钢带上的锥钢圈对火焰进行多次分化,燃烧物质产生活化分子分化自由基,使得自由基与通道壁的碰撞几率增大,参加反应的自由基减少,自由基与通道壁的碰撞占主导地位,由于自由基数量急剧减少,反应不能继续进行,从而使得燃烧反应不能通过阻火器继续传播,达到高效阻止火焰蔓延的效果,提高了该阻火芯盘的安全性能,使得该阻火芯盘便于推广。
因为阻火器的内件是由许多细小通道或孔隙组成的,当火焰进入这些细小通道后,就形成许多细小的火焰流。由于通道的传热面积大,火焰通过通道壁进行热交换后,温度下降,达到一定程度火焰可熄灭。

PE(PO)衬里是选用物理性能好、而腐、耐温、耐冲击、抗老化,并适用于衬里的改性聚乙烯树脂,对表面焊结了金属网的容器、塔、槽或大型管道,经旋转加热,改性PE(PO)树脂吸热变成熔融状与金属网骨架交融牢固地结合在一起,形成钢塑整体复合设备及管道。它是采用先进的滚塑工艺技术一次成型,可在-65~100℃以内、骤冷骤热或冷热交替、酸、碱、盐等强腐蚀介质中能长期稳定使用。

GYW衬PO管道阻火器性能特点
1、制作工艺性能好,任何形状钢件均可进行衬里,钢塑整体结合复合性能好;
2、衬里层致密性高,整体性强,无接头焊接;
3、衬里层防静电、耐腐蚀、耐正负压、耐冲击、耐磨损、抗老化、机械强度高,重量轻、无毒害、无污染;
4、使用温度范围较广,安装、维修均很方便。
随着阻火器通道尺寸的减小,自由基与反应分子之间碰撞几率随之减少,而自由基与通道壁的碰撞几率反而增加,这样就促使自由基反应减低。当通道尺寸减少到某一数值时,这种器壁效应就造成了火焰不能继续传播的条件,火焰即被阻止。
尽管已经示出和描述了本实用新型的实施例,对于本领域的普通技术人员而言,可以理解在不脱离本实用新型的原理和精神的情况下可以对这些实施例进行多种变化、修改、替换和变型,本实用新型的范围由所附权利要求及其等同物限定。

GYW衬PO管道阻火器应用范围:
1、输送可燃性气体的管道上;
2、火炬系统;
3、油气回收系统;
4、加热炉燃料气的管网上;
5、气体净化通化系统;
6、气体分析系统;
GYW衬PO管道阻火器零部件材料:
阀体材料
碳钢WCB、不锈钢304、316、
阻火芯件材料
不锈钢防爆阻火波纹板
密封件材料
耐油石棉橡胶、四氟PTFE
环境温度℃
≤480
公称压力(MPa)
0.6~5.0
防爆级别
BS5501:ⅡA、ⅡB、ⅡC

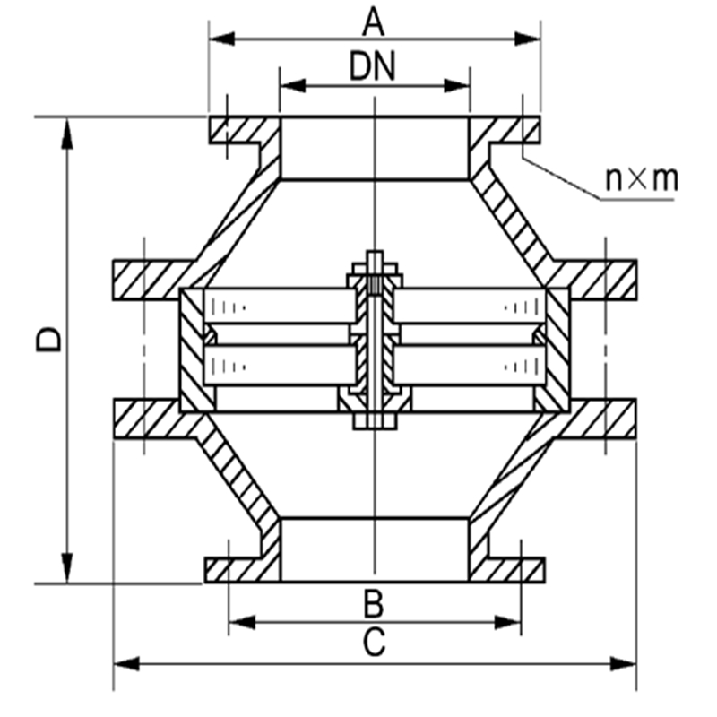
GYW衬PO管道阻火器外形尺寸
国标法兰连接外形尺寸:GB、JB
规格
安装尺寸(mm)
D
K
DL
H
N-d
DN20
Ø105
Ø75
Ø130
160
4×14
DN25
Ø115
Ø85
Ø135
160
4×14
DN32
Ø135
Ø100
Ø155
180
4×18
DN40
Ø145
Ø110
Ø170
200
4×18
DN50
Ø160
Ø125
Ø195
220
4×18
DN65
Ø180
Ø145
Ø220
220
4×18
DN80
Ø195
Ø160
Ø250
250
8×18
DN100
Ø215
Ø180
Ø295
260
8×18
DN125
Ø245
Ø210
Ø360
300
8×18
DN150
Ø280
Ø240
Ø430
360
8×22
DN200
Ø335
Ø295
Ø520
420
12×22
美标法兰连接外形尺寸:
ANSI、API、ASME 可供JIS标准
规格
安装尺寸(mm)
D
K
DL
H
N-d
3/4"
98
70
Ø130
160
4×15
1
108
79.5
Ø135
160
4×15
1-1/4"
117
89
Ø155
180
4×15
1-1/2"
127
98.5
Ø170
200
4×15
2"
152
120.5
Ø195
220
4×19
2-1/2"
178
139.5
Ø220
220
4×19
3"
190
152.5
Ø250
250
4×19
4"
229
190.5
Ø295
260
8×19
5"
254
216
Ø360
300
8×22
6"
279
241.5
Ø430
360
8×22
8"
343
298.5
Ø520
420
8×22
GYW衬PO管道阻火器技术总结
本实用新型涉及阻火芯盘技术领域,且公开了管道阻火器用阻火芯盘,包括盘芯,所述盘芯的外壁固定安装有*阻火钢带,所述盘芯的外壁且位于*阻火钢带的上方和下方均固定安装有第二阻火钢带,所述*阻火钢带和第二阻火钢带均包括平钢圈、锥钢圈和波纹钢带。该管道阻火器用阻火芯盘,通过第二阻火钢带和第二阻火钢带上的锥钢圈使得火焰能够快速进入该阻火芯盘内部,通过第二阻火钢带上的波纹钢带对火焰进行初步分化及降温,再通过*阻火钢带和*阻火钢带上的锥钢圈使得火焰进行二次分化,从而增大火焰与该阻火芯盘的接触面积,使得燃烧物质的温度降到其着火点以下,达到阻止火焰蔓延的效果。

GYW衬PO管道阻火器检验标准及技术要求
按HG20538-92《衬塑(PP.PE.PVC)钢管和管件》执行。
1、衬里前应除锈、除污,打磨焊缝处焊瘤、焊渣等缺陷;
2、外观要求:衬里层应平整光滑,无孔洞、气泡、裂缝、分层等缺陷存在;
3、检测方法:
(1)衬里层表面应平整光滑,无气泡、裂缝等缺陷存在;
GYW衬PO管道阻火器维护保养方法
1. 管道阻火器每隔半年应检查一次,检查阻火层是否有堵塞、变形或腐蚀等缺陷。
2. 被堵塞的阻火器阻火层应清洗干净,保证每个孔眼畅通,对于变形或腐蚀的阻火层应更换。
3. 清洗阻火器芯件时,应采用高压蒸汽、非腐蚀性溶剂或压缩空气吹扫,不得采用锋利的硬件刷洗。
4. 重新安装阻火器时,应更新垫片并确认密封面已清洁和无损伤,不得漏气。
目前,阻火器人们知道的比较多的是应用在燃气瓦斯类的排放系统上。其实,阻火器的用途有很多,只是平时没有留意而已。阻火器又叫防火器,主要是因为其作用是为了防止火焰窜入存有易燃易爆的设备中或阻止火苗漫延而得名。其实,阻火器就是一种保护装置。

GYW衬PO管道阻火器使用说明:
①安装阻火器前,必须认真阅读厂家提供的说明书,并仔细核对标牌与所装管线要求是否一致;②阻火器上的流向标记必须与介质流向一致;
③每隔半年应检查一次,检查阻火层是否有堵塞、变形或腐蚀等缺陷;
④被堵塞的阻火层应清洗干净,保证每个孔眼畅通,对于变形或腐蚀的阻火层应更换;
⑤清洗阻火器芯件时,应采用高压蒸汽、非腐蚀性溶剂或压缩空气吹扫,不得采用锋利的硬件刷洗;
⑥重新安装阻火层时,应更新垫片并确认密封面已清洁和无损伤,不得漏气;

订货须知:
一、①产品名称与型号②口径③是否带附件以便我们的为您正确选型④的使用压力⑤的使用介质的温度。
二、若已经由设计单位选定公司的型号,请按型号直接向我司销售部订购。三、当使用的场合非常重要或环境比较复杂时,请您尽量提供设计图纸和详细参数,由我们的阀门公司专家为您审核把关。如有疑问:请:我们一定会尽心尽力为您提供优质的服务。提供全面、*的“阀门系统解决方案",也十分愿意帮助用户解决生产中所遇到的难题。
-
联系方式
- 联系人:申弘阀门
- 电 话:021-59260058
- 手 机:15901754341
- 传 真:86-021-31662735
- 邮 箱:494522509@qq.com
- 邮 编:201718
- 地 址:上海市青浦区金泽工业园区
- 网 址: https://bengye.cn.goepe.com/
http://www.021-fm.com
-
产品搜索







