-
ZGB石油储罐波纹式阻火器申弘
详细信息| 询价留言ZGB石油储罐波纹式阻火器 产品说明
本实用新型阻火器由于采用了自顶升降式结构,装配时有利于紧固阻火层,防止短路现象发生;清洗和置换阻火层时又可方便地取出。这种阻火器既可同油罐呼吸阀组合使用,也可以单独使用。特别是在油罐阻火器上面安装呼吸阀的情况下,本设计清洗和置换阻火层方便的优点更为突出。

一种新型波纹石油储罐阻火器。有两层不锈钢波纹阻火层,其波纹为高和底成一定比例的等腰三角形,阻火层和上、下压盖之间采用由三个螺母和双头异型长螺栓组成的自顶升降式结构紧密连接。这种新型阻火器具有良好的阻火性能,能达到国标GB5908—86规定的要求,同时易于清洗和置换,适用于石油和石油产品储罐。
国内沿用金属网型阻火器。部天津消防科学研究所与中国石化总公司北京设计院按中华人民共和国国家标准GB5908-86联合测试不合格,应更新换代。ZGB-I新型石油储罐波纹管阻火器和ZGB-Ⅱ型抽屉式波纹阻火器是科技成果,并获得国家经*部天津消防科学研究所检测符合中华人民共和国国家标准GB5908-86的规定。
波纹储罐阻火器产品标准:
执行标准:GB13347-92《石油气体管道阻火器阻火性能和试验方法》、
SH/T3413-99《石油化工石油气管道阻火器选用、检验及验收》、
ZGB石油储罐波纹式阻火器技术参数:
1、波纹管储罐阻火器适用于储存闪点低于60℃的石油化工产品,如汽油、煤油、轻柴油、甲苯等。工作温度≤480℃
2、 壳体材质:碳钢、铝合金、不锈钢:SUS304、SUS304L、SUS316、SUS316L
3、阻火芯件材质:不锈钢波纹板
4、防爆级别:BS5501:IIA、IIB、IIC
5、制造、检测标准:按GB5908-2005标准执行、SH3413-1999石油化工石油气管道阻火器选用、检验及验收
6、法兰标准:HG20592-2009 PN10如客户需用GB、SH、HGJ、JB、ANSI、JIS等标准
波纹管阻火器结构特点:
1、波纹管阻火器结构合理、重量轻、耐腐蚀。
2、易检修,安装方便,检查时不用拆卸呼吸阀
波纹管阻火器主要性能:
1、防爆性能合格,连续13次阻爆性能试验每次都能阻火。
2、耐烧性能合格,耐烧试验1小时无回火现象。
3、 波纹管阻火器水压试验合格。
ZGB石油储罐波纹式阻火器零部件材料:
阀体材料
碳钢WCB、不锈钢304、316、
阻火芯件材料
不锈钢防爆阻火波纹板
密封件材料
耐油石棉橡胶、四氟PTFE
环境温度℃
≤480
公称压力(MPa)
0.6~5.0
防爆级别
BS5501:ⅡA、ⅡB、ⅡC

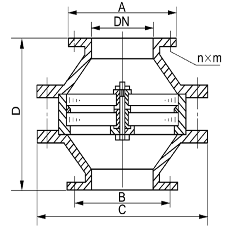
ZGB石油储罐波纹式阻火器国标法兰连接外形尺寸: GB、JB规格
安装尺寸(mm)
D2
D
L
H
N-d
DN50
Φ110
Φ140
220
235
4×14
DN80
Φ150
Φ185
280
270
4×18
DN100
Φ170
Φ205
325
275
4×18
DN150
Φ225
Φ260
425
290
8×18
DN200
Φ280
Φ315
495
305
8×18
DN250
Φ335
Φ370
595
320
12×18
DN300
Φ395
Φ435
655
405
12×23

本实用新型阻火器设计的目的在于采用一种新型的不锈钢波纹阻火层和新型的自顶升降式结构,其阻火性能达到国标GB5908-86的规定,同时阻火层易于置换和清洗。是我公司新产品,经公安部天津消防科学研究所根据中华人民共和国GB5908-86标准检测合格,该产品广泛用于石油储罐,是防止意外火种侵入罐内,防止意外事故,是储罐防火的理想产品。波纹石油储罐阻火器性能及特点:
该阻火器结构合理,重量轻,耐腐蚀,阻爆性能合格,连续13次以亚音速火焰试验每次都能阻火。易检修,安装方便,检查时不用拆卸呼吸阀。耐烧性能合格,耐烧试验1小时无回火现象。阻火器芯子采用不锈钢材料,耐腐蚀,易于清洗。壳体水压试验合格。

ZGB石油储罐波纹式阻火器保养与维修
为了确保阻火器的性能达到安全使用目的,对阻火器应定期进行检查、保养。
4、 阻火器每半年检查一次,检查阻火芯子是否堵塞,变形,腐蚀等。
5、 发现被堵塞的阻火层芯子应清洗干净,确保芯子上的每个孔眼畅通,对于变形和腐蚀的阻火层应更换。
6、 重新安装阻火层芯子时,应保证结合面严密不得漏气。
此外,阻火层不锈钢带的接口采用人字形搭接,不用焊接,方法简单易行。本实用新型阻火器的优点在于,由于采用了上述的新型波纹阻火层,使之能达到国标GB5908-86规定的阻火器测试性能要求。阻火性能试验结果表明用这种阻火器连续阻爆13次,每次都能阻火,阻爆性能合格在耐烧性能试验中,能经受耐烧试验一小时无回火,耐烧性能合格;在水压试验中,阻火器壳体能承受不小于0.9MPa的水压,无泄漏、无裂痕和永久变形。

订货须知:
一、①产品名称与型号②口径③是否带附件以便我们的为您正确选型④的使用压力⑤的使用介质的温度。
二、若已经由设计单位选定公司的型号,请按型号直接向我司销售部订购。三、当使用的场合非常重要或环境比较复杂时,请您尽量提供设计图纸和详细参数,由我们的阀门公司专家为您审核把关。如有疑问:请:我们一定会尽心尽力为您提供优质的服务。提供全面、*的“阀门系统解决方案",也十分愿意帮助用户解决生产中所遇到的难题。
-
联系方式
- 联系人:申弘阀门
- 电 话:021-59260058
- 手 机:15901754341
- 传 真:86-021-31662735
- 邮 箱:494522509@qq.com
- 邮 编:201718
- 地 址:上海市青浦区金泽工业园区
- 网 址: https://bengye.cn.goepe.com/
http://www.021-fm.com
-
产品搜索






