-
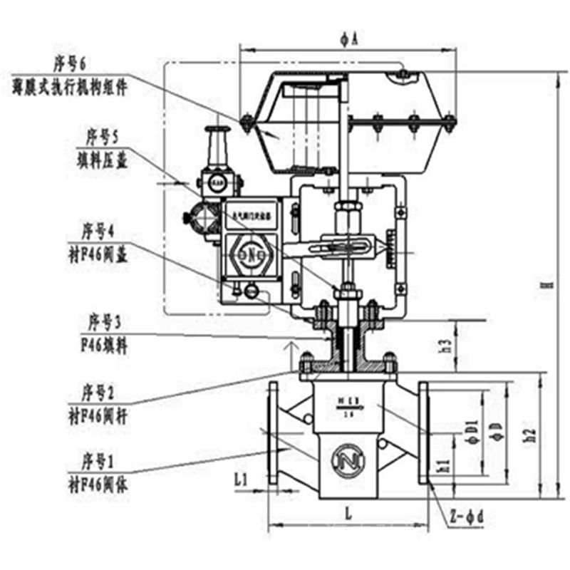
申弘气动减温水套筒笼式调节阀HSC
详细信息| 询价留言HSC气动减温水套筒笼式调节阀 产品说明
本发明涉及一种笼套式气动减温水调节阀。一种笼套式气动减温水调节阀,其组成包括:阀体,所述的阀体与阀盖通过螺栓连接,所述的阀盖的阀芯为平衡柱塞结构,所述的阀芯开有平衡孔,所述的阀芯密封面为锥形结构,所述的密封面堆焊有耐冲刷、耐汽蚀的高硬度钛基合金,所述的阀盖上部与阀芯连接处填充有密封填料,所述的阀盖下部与笼套连接,所述的笼套上开有数个减小振动和噪声的节流孔,所述的笼套是中空的圆柱体,所述的笼套下端与阀座连接,所述的阀座与所述的阀体连接,所述的阀芯下端锥形结构下伸入所述的笼套内的深度不超过笼套的二分之一高度。是一种新颖的压力平衡套筒结构高压差调节阀。此阀门是安装在锅炉喷水减温器的喷水管道上,用来调节喷水量,以达到调节锅炉过热蒸汽气温的目的,也可以用于其它锅炉给水管道,调节给水流量。阀内组件的套筒和阀芯是一种多孔和串级的混合结构,流体先经过套筒窗口进行*级节流,再经过三级连续串级节流,允许压差大,密封性好,流体通道呈S流线型,流量大,调节阀动态稳定性好。该阀是火力发电厂锅炉给水系统的重要调节阀之一,也可适用于石油化工等其他工业的自动控制系统控制高压差流体,可配电动执行机构和气动执行机构。

HSC气动减温水套筒笼式调节阀产品特点
阀内组件结构新颖,采用套筒节流,有效控制流速在30m/s左右。
节流面与阀座密封面分开,有效保护密封面,密封性能优良,使用寿命长。
阀内组件采用高强度不锈钢制造,零件表面经过硬化处理,硬度可达到HRC70左右,抗冲刷能力强。
阀芯采用压力平衡式结构,减少流体作用在阀芯上的不平衡力。
传统的减温水调节阀存在以下问题:
(1)阀门选型容量太小,口径为DN25,不能满足*大流量要求。
(2)阀门阀芯为子弹头式,其调节曲线不佳且振动和噪声较大,阀芯及阀座冲蚀大,使用寿命短,原阀门结构图见。
(3)阀门定位器为沃泰克传统机械式定位器,其定位精度低,调校极为困难,检修维护复杂,故障率高。
本发明的有益效果:
本发明阀门流量调节性能严格遵循等百分比,在所有调节范围内阀门没有较大振动,在距离阀门1米处*大噪声不大于85dB(A)。
本发明对可能发生汽蚀、闪蒸的调节工况和局部冲刷应具有防止的有效手段。在一个大修期内阀门泄漏执行GB/11922-89标准。
本发明阀门执行器、定位器应采用*新国际先进产品,控制和定位准确、操作维护方便、自动化控制水平高。
本发明连续无故障运行时间40000小时,阀门无泄漏,零部件不发生锈蚀、变形现象。机组负荷大幅变化时,本发明阀门控制调节平稳,满足现场使用要求。
一种气动减温水套筒笼式调节阀,其组成包括:阀体,所述的阀体与阀盖通过螺栓连接,所述的阀盖的阀芯为平衡柱塞结构,所述的阀芯开有平衡孔,所述的阀芯密封面为锥形结构,所述的密封面堆焊有耐冲刷、耐汽蚀的高硬度钛基合金,所述的阀盖上部与阀芯连接处填充有密封填料,所述的阀盖下部与笼套连接,所述的笼套上开有数个减小振动和噪声的节流孔,所述的笼套是中空的圆柱体,所述的笼套下端与阀座连接,所述的阀座与所述的阀体连接,所述的阀芯下端锥形结构下伸入所述的笼套内的深度不超过笼套的二分之一高度。

HSC气动减温水套筒笼式调节阀具有以下特点:
(1)阀门采用笼套式结构,笼套上开有数个节流孔,有效的减小振动和噪声;同时,根据计算的节流孔的位置及大小分布,可设计出准确的等百分比流量特性曲线。
(2)阀芯为平衡柱塞结构,并开有平衡孔,有效减小阀门操作力,阀芯密封面为锥形结构,密封面堆焊有高硬度钛基合金,耐冲刷及汽蚀。
(3)阀座密封面为锥形结构,密封面亦堆焊有高硬度钛基合金。
(4)阀门定位器选用西门子智能电气阀门定位器,自动化程度高,便于控制。其特点为:安装简单,自动初始化,操作简便,稳态操作时耗气量可忽略不计,可动部件少,对振动不敏感。

HSC气动减温水套筒笼式调节阀技术参数
(1)阀体参数
公称通径(DN) 20 25 32 40 50 65 80 100 125 150 200 250 300 阀座直径(dn) 20 25 32 40 50 65 80 100 125 150 200 250 300 额定流量系数(KV) 直线性 10 11 17.6 27.5 44 69 110 176 275 440 630 1000 1600 等百分 6.3 10 16 25 40 63 100 155 250 370 580 900 1300 允许压差(MPa) 6.4 6.4 5.2 5.2 4.6 4.6 3.7 3.7 3.5 3.1 3.1 2.6 2.2 公称压力(MPa) 1.6、2.5、4.0、6.4、10.0 额定行程(mm) 16 25 40 60 100 配用执行器型号 ZHA/B-22 ZHA/B-23 ZHA/B-34 ZHA/B-45 ZHA/B-56 阀盖形式 标准型(-17~+250℃)、高温型(+250~+450℃)、低温型(-40~-196℃)、波纹管密封型(-40~+350℃) 压盖形式 螺栓压紧式 密封填料 V型聚四氟乙烯填料、V型柔性石墨填料 阀体材质 铸钢(WCB)、不锈钢(CF8、CF8M、CF3、CF3M)、铬钼钢、铸钢衬四氟(WCB+F46) (2)阀内件参数
阀芯形式 钻孔笼式阀芯、高压多级笼式阀芯 流量特性 线性、等百分比 阀芯材料 不锈钢 (304、316、316L) (3)执行器参数
配置执行器类别 ZHA/B多弹簧簿膜执行机构 执行器型号 ZHA/B-22 ZHA/B-23 ZHA/B-34 ZHA/B-45 ZHA/B-56 有效面积(cm2) 350 350 560 900 1400 行程(mm) 10、16 24 40 40、60 100 弹簧范围(KPa) 20~100(标准)、20-60、60-100、40-200、80-240 膜片材料 丁腈橡胶夹尼龙布、乙丙橡胶夹尼龙布 供气压力 140~400KPa 气源接口 RC1/4" 环境温度 -30~+70℃ 可配附件 定位器、空气过滤减压器、保位阀、行程开关、阀位传送器、手轮机构等 作用形式 气关式(B)—失气时阀位开(FO);气开式(K)—失气时阀位关(FC) 
HSC气动减温水套筒笼式调节阀 性能指标项目 不带定位器 带定位器 基本误差% ±5.0 ±1.0 回差% ≤3.0 ≤1.0 死区% ≤3.0 ≤0.4 始终点偏差% 气开 始点 ±2.5 ±1.0 始点 ±5.0 ±1.0 气关 始点 ±5.0 ±1.0 终点 ±2.5 ±1.0 额定行程偏差% ≤2.5 泄露量L/h 0.01%×阀额定容量 可调范围R 50:1 A、高容量套筒
公称通径(mm)
100
150
200
阀座直径(mm)
100
150
200
额定Cv值
等百分比
220
420
820
线性特性(L)
240
435
850
额定行程(mm)
38
50
75
B、高精度特性套筒和普通流量特性套筒
公称通径
100
125
150
200
250
300
阀座直径
65
80
100
80
100
125
100
125
150
125
150
200
150
200
250
150
250
300
额定Cv值
68
99
175
99
175
275
175
275
360
275
360
650
360
650
1000
640
1000
1440
额定行程(mm)
38
50
75
100
9、允许压差
A、气-关式阀100KPa
执行机构
供气压力(KPa)
弹簧范围(KPa)
定位器
允许压差
公称通径(mm)
100
125
150
200
250
30
LHA3D
140
20~100
有或无
18
14
10
-
-
-
160
20~100
有
43
37
32
-
-
-
350
80~240
有
60
60
60
-
-
-
LHA4D
140
20~100
有或无
18
-
-
160
20~100
有
43
-
-
350
80~240
有
<, P style="MARGIN: 0cm 0cm 0pt; TEXT-ALIGN: center" align=center>60
-
-
LHA5D
140
20~100
有或无
14
10
160
20~100
有
37
32
280
80~240
有
60
60
B、气-开式阀
执行机构
供气压力(KPa)
弹簧范围(KPa)
定位器
允许压差
公称通径(mm)
100
125
150
200
250
30
LHA3R
140
20~100
有或无
18
14
10
-
-
-
280
80~240
有
60
60
54
-
-
-
LHA4R
140
20~100
有或无
18
-
-
280
80~240
有
60
-
-
LHA5R
140
20~100
有或无
14
10
280
80~240
有
60
60
注:*大允许压差不准ANSI B16.34或JIS B2201标准规定的*大值。
10、法兰距mm
公称通径
A
ANSI150
JIS 10K
RF
ANSI300
JIS20、30K
RF
ANSI300
JIS 40K
RF
ANSI 150
RJ
ANSI 300
RJ
ANSI 600
RJ
100
403
425
457
416
441
460
150
673
708
752
686
724
756
200
737
775
819
749
791
822
注:法兰距符合IEC534-3。
公称通径
执行机构
H
C
Φb
E
P
E1
E2
E21
E2W
100
LHA3D、R
660
860/870
1020
1205
363
350
115
125
LHA3D、R
737
887
987
1087
363
350
150
LHA3D、R
785
1020/1045
1250
1385
363
350
170
200
LHA4D、R
1090
1350
1580
1710
520
470
220
250
LVA5D、R
1760
2015
2115
2215
670
620
300
LVA5D、R
1810
2020
2120
2220
670
620
注:1、P=常温型,EⅠ=伸长型,E2=伸长Ⅱ型、E21=整体式,E2W=焊接式。
2、表上H栏尺寸是调节阀不带手轮机构的数字,如果带顶装手轮机构,那么要相应加上手轮机构的尺寸。
公称通径
A
ANSI 125FF
ANSI 150RF
JIS 10K FF,RF
PN1.6
JIS16K
RF
ANSI 300RF
JIS 20 30JRF
PN4.0
ANSI 600RF
JIS 40K RF
PN6.4
JIS16K
LG
JIS20K
LG
JIS30K
LG
JIS40K
LG
100
352
364
368
394
360
368
379
394
150
451
465
473
508
475
43
486
508
200
543
560
568
610
570
568
580
610
公称通径
A
ANSI150
RJ
ANSI300
RJ
ANSI600
RJ
ANSI300
LG
ANSI600
LG
ANSI150
BW
ANSI300 600 LG
100
365
384
397
378
391
394
394
150
464
489
511
483
505
473
508
200
556
584
613
578
606
568
610
一种笼套式气动减温水调节阀,其组成包括:阀体,其特征是:所述的阀体与阀盖通过螺栓连接,所述的阀盖的阀芯为平衡柱塞结构,所述的阀芯开有平衡孔,所述的阀芯密封面为锥形结构,所述的密封面堆焊有耐冲刷、耐汽蚀的高硬度钛基合金,所述的阀盖上部与阀芯连接处填充有密封填料,所述的阀盖下部与笼套连接,所述的笼套上开有数个减小振动和噪声的节流孔,所述的笼套是中空的圆柱体,所述的笼套下端与阀座连接,所述的阀座与所述的阀体连接,所述的阀芯下端锥形结构下伸入所述的笼套内的深度不超过笼套的二分之一高度。
HSC气动减温水套筒笼式调节阀技术总结
笼套式气动减温水调节阀。传统的减温水调节阀存在阀门选型容量太小,口径为DN25,不能满足*大流量要求;阀门阀芯为子弹头式,其调节曲线不佳且振动和噪声较大,阀芯及阀座冲蚀大,使用寿命短等问题。本发明组成包括:阀体,所述的阀体与阀盖通过螺栓连接,所述的阀盖的阀芯为平衡柱塞结构,所述的阀芯开有平衡孔,所述的阀芯密封面为锥形结构,所述的密封面堆焊有耐冲刷、耐汽蚀的高硬度钛基合金,所述的阀盖上部与阀芯连接处填充有密封填料,所述的阀盖下部与笼套连接,所述的笼套上开有数个减小振动和噪声的节流孔,所述的笼套是中空的圆柱体,所述的笼套下端与阀座连接,所述的阀座与所述的阀体连接。本发明应用于减温水调节阀。

订货须知:
一、①产品名称与型号②口径③是否带附件以便我们的为您正确选型④的使用压力⑤的使用介质的温度。
二、若已经由设计单位选定公司的型号,请按型号直接向我司销售部订购。三、当使用的场合非常重要或环境比较复杂时,请您尽量提供设计图纸和详细参数,由我们的阀门公司专家为您审核把关。如有疑问:请:我们一定会尽心尽力为您提供优质的服务。提供全面、*的“阀门系统解决方案",也十分愿意帮助用户解决生产中所遇到的难题。
-
联系方式
- 联系人:申弘阀门
- 电 话:021-59260058
- 手 机:15901754341
- 传 真:86-021-31662735
- 邮 箱:494522509@qq.com
- 邮 编:201718
- 地 址:上海市青浦区金泽工业园区
- 网 址: https://bengye.cn.goepe.com/
http://www.021-fm.com
-
产品搜索








