-
ZZY型带冷凝器自力式调节阀申弘
详细信息| 询价留言ZZY型带冷凝器自力式调节阀 产品说明
本实用新型涉及自力式调节阀技术领域,具体为一种自力式调节阀。自力式压力调节阀系列产品有单座(ZZYP)、套筒(ZZYM)、双(ZZYN)、三种结构;执行机构有薄膜式、活塞式二种;作用型式有减压用阀后压力调节(B型)和泄压用阀前压力调节(K型)。产品公称压力等级有PN16、40、64;阀体口径范围DN20~300;泄漏量等级有II级、IV级和VI级三档;流量特性为快开;压力分段调节从15~2500Kpa。可按需要组合满足用户工况要求。ZZY型自力式压力调节阀无需外加能源,利用被调介质自身能量为动力源引入执行机构控制阀芯位置,改变两端的压差和流量,使阀前(或阀后)压力稳定。自力式压力调节阀具有动作灵敏,密封性好,压力设定点波动力小等优点,自力式压力调节阀广泛应用于气体、液体及介质稳压或泄压稳压的自动控制。

ZZY型带冷凝器自力式调节阀背景技术:
自力式调节阀又称自力式控制阀,是一种依靠流经阀内介质自身的压力、温度作为能源驱动阀门自动工作,不需要外接电源和二次仪表的调节阀,自力式调节阀都利用阀输出端的反馈信号通过信号管传递到执行机构驱动阀瓣改变阀门的开度,达到调节压力、流量、温度的目的,因此,对一种自力式调节阀的需求日益增长。
在现有的自力式调节阀使用中,尤其是蒸汽型自力式调节阀,由于蒸汽温度较高,如果进入膜室,会破坏膜片,从而引起各种问题,为避免这种现象发生,一般均配有冷凝器,而且要求阀门倒装,没安装空间时,即使在地上挖个洞,也得使阀门倒装,以使得热蒸汽一直在膜室的上方流动,让装置能稳定运行,但有些时候,用户现场没安装空间也罢了,问题是地上连洞都没法挖,因此,针对上述问题提出一种自力式调节阀。

技术实现要素:
本实用新型的目的在于提供一种自力式调节阀,以解决上述背景技术中提出的问题。自力式压力调节阀系列产品有单座(ZZYP)、套筒(ZZYM)、双(ZZYN)、三种结构;执行机构有薄膜式、活塞式二种;作用型式有减压用阀后压力调节(B型)和泄压用阀前压力调节(K型)。产品公称压力等级有PN16、40、64;阀体口径范围DN20~300;泄漏量等级有II级、IV级和VI级三档;流量特性为快开;压力分段调节从15~2500Kpa。可按需要组合满足用户工况要求。
ZZY型自力式压力调节阀无需外加能源,利用被调介质自身能量为动力源引入执行机构控制阀芯位置,改变两端的压差和流量,使阀前(或阀后)压力稳定。自力式压力调节阀具有动作灵敏,密封性好,压力设定点波动力小等优点,自力式压力调节阀广泛应用于气体、液体及介质稳压或泄压稳压的自动控制。

ZZY型带冷凝器自力式调节阀产品特点
(1)自力式压力调节阀无需外加能源,能在无电无气的场所工作,既方便又节约了能源。
(2)压力分段范围细且互相交叉,调节精度高。
(3)压力设定值在运行期间可连续设定。
(4)对阀后压力调节,阀前压力与阀后压力之比可为10:1~10:8。
(5)橡胶膜片式检测,执行机构测精度高、动作灵敏。
(6)采用压力平衡机构,使调节阀反应灵敏、控制精确。
为实现上述目的,本实用新型提供如下技术方案:
优选的,所述调整盘的内侧设有阀盖,所述阀盖的内侧设有填料,所述填料的顶端设有压圈,所述阀盖的顶端内侧设有填料压盖。
优选的,所述第二弹簧的直径与弹簧座的纵截面积宽度相同,所述第二弹簧位于*弹簧的外侧,所述调整盘的外侧横截面积与弹簧座的外侧横截面积相同。
优选的,所述阀杆位于阀体的中垂线上,所述阀杆的高度与阀座的顶端至托架的底端之间的距离相同,所述立柱位于调整盘的外侧,所述立柱的高度与支架的顶端至托架的底端之间的距离相同。
优选的,所述立柱通过第二螺母与托架的位置进行固定,所述阀杆的底端通过活动组件与阀体进行连接。

ZZY型带冷凝器自力式调节阀主要技术参数
公称通径DN
20
25
32
40
50
65
80
100
125
150
200
250
300
额定流量系数Kv
7
11
20
30
48
75
120
190
300
480
760
1100
1750
噪音衡量系数Z值
0.6
0.6
0.6
0.55
0.55
0.5
0.5
0.45
0.4
0.35
0.3
0.2
0.2
允许压差
(Mpa)PN16
1.6
1.5
1.2
1,0
PN40
2.0
阀盖形式
标准型-17~+300℃、高温型+300℃~+450℃
压盖型式
螺栓压紧式
密封填料
V型聚四氟乙烯填料、含浸聚四氟乙烯石棉填料、石棉纺织填料、石墨填料
阀芯形式
单座、套筒型阀芯
流量特性
线性
有效面积(cm)
32※
80
250
630
压力设定范围(MPa)
0.8~1.6
0.1~0.6
0.015~0.15
0.005~0.035
0.3~1.2
0.05~0.3
0.01~0.07
保证压力阀正常工作的
*小压差△Pmin(MPa)≥0.05
≥0.04
≥0.01
≥0.005
允许上下膜室之间*大压差(MPa)
2.0
1.25
0.4
0.15
材料
膜盖:钢板镀锌;膜片:EPDM或FKM夹纤维
控制管线、接头
铜管或钢管10×1;卡套式接头:R1/4"
注:※该有效面积所对应的压力设定范围不适用于DN150-250。
五、ZZY型带冷凝器自力式调节阀主要性能指标
设定值偏差
±8%
允许泄露量
(在规定实验条件下)硬密封
4×0.01%阀额定容量
软密封
DN15~50
DN65~125
DN150~250
10气泡/min
20气泡/min
40气泡/min
六、自力式压力调节阀*高工作温度
公称通径
15~125mm
150~250mm
密封型式
硬密封
≤150℃
≤140℃
冷却罐≤200℃
冷却罐和加长件≤200℃
冷却罐和散热片≤350℃※
冷却罐和加长件≤300℃※
软密封
≤150℃
注:※表示该阀允许工作温度,仅当介质为蒸汽时有效,且耐温至350℃需选用PN40的阀体。
六、ZZY型带冷凝器自力式调节阀主要零件材料
材料代号
C(WCB)
P(304)
R(316)
主要
零件
阀体
WCB(ZG230-450)
ZG1Cr18Ni9Ti(304)
ZG1Cr18Ni12Mo2Ti(316)
阀芯、阀座
1Cr18Ni9Ti(304)
1Cr18Ni9Ti(304)
1Cr18Ni12Mo2Ti(316)
阀杆
1Cr18Ni9Ti
1Cr18Ni9Ti
1Cr18Ni12Mo2Ti
膜片
丁睛橡胶、乙丙橡胶、氯丁胶、耐油橡胶
膜盖
A3、A4钢涂四氟乙烯
填料
聚四氟乙烯、柔性石墨
弹簧
60Si2Mn
导向套
HPb59-1
七、ZZY型带冷凝器自力式调节阀主要外形尺寸
公称通径(DN)
20
25
32
40
50
65
80
100
125
150
200
250
300
法兰接管尺寸(B)
383
512
603
862
1023
1380
1800
2000
2200
法兰端间距(L)
150
160
180
200
230
290
310
350
400
480
600
730
850
压力调节范围(KPa)
15-140
H
475
520
540
710
780
840
880
915
940
1000
A
280
308
200-500
H
455
500
520
690
760
800
870
880
900
950
A
230
120-300
H
450
490
510
680
750
790
860
870
890
940
A
176
194
280
480-1000
H
445
480
670
740
780
850
860
880
930
A
176
194
280
600-1500
H
445
570
600
820
890
950
1000
1100
1200
A
85
96
1000-2500
H
445
570
600
820
980
950
1000
1100
1200
A
85
96
大约重量(Kg)
26
37
42
72
90
114
130
144
180
200
250
导压管接口螺纹
M16X1.5
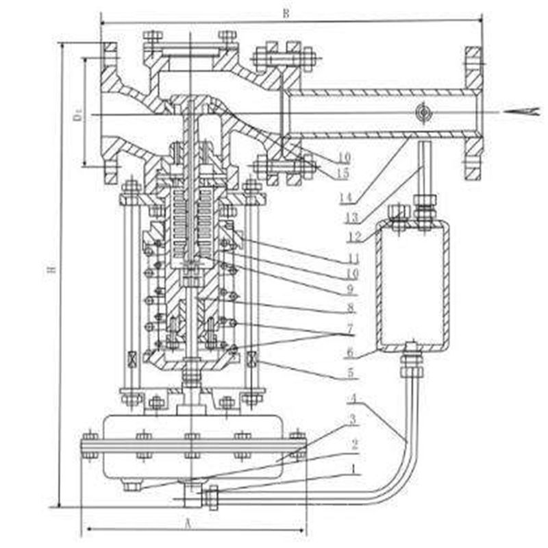
一种自力式调节阀,包括阀体和膜室,所述阀体的内侧固定连接有阀座,所述阀座的顶端设有活动组件,所述活动组件的顶端设有支撑,所述支撑的内侧设有垫片,所述支撑的外侧设有支架,所述支架的内侧设有螺栓,所述支架的顶端设有调整盘,所述调整盘的顶端分别设有*弹簧和第二弹簧,所述*弹簧和第二弹簧的顶端均设有弹簧座,所述弹簧座的内侧固定连接有滚动轴承,所述滚动轴承的顶端设有*螺母,所述支架的顶端设有立柱,所述立柱的顶端设有托架,所述托架的顶端左右两侧均设有第二螺母,所述托架的内侧设有阀杆,所述阀杆的外侧设有薄螺母,所述托架的顶端设有膜室,所述膜室的顶端固定连接有冷凝器,所述冷凝器的顶端固定连接有引压管,所述引压管的另一端与阀体进行连接。与现有技术相比,本实用新型的有益效果是:

1、本实用新型中,通过设置的引压管、冷凝器和膜室,本自力式调节阀通过阀后的引压管,把阀后压力输入上膜室带动膜片,从而带动阀杆作上下运动,从而改变阀芯开度,达到阀后压力调节的目的。
ZZY型带冷凝器自力式调节阀使用方法
1. 在常温下使用气体或低粘度液体场合时的操作:
(1) 缓慢开启阀前后截止阀;
(2) 拧松排气塞,直至气体或液体从执行机构溢出为止
(3) 然后重新拧紧排气塞,调节阀即可工作。所需压力值的大小可通过压力调节盘的调整而得到,调整时,注意观察压力标示值,动作缓慢,不得使阀杆跟着转动
2. 使用蒸汽场合时的操作:
(1) 从冷凝器上拧液口螺钉
(2) 拧松执行机构排气塞
(3) 使用漏头通过注液口加入直至排气孔流出为止
(4) 拧紧排气塞,继续注水直至溢出注液口
(5) 拧紧注液口螺钉
(6) 缓慢开启调节阀前后截止阀
订货须知:
一、①产品名称与型号②口径③是否带附件以便我们的为您正确选型④的使用压力⑤的使用介质的温度。
二、若已经由设计单位选定公司的型号,请按型号直接向我司销售部订购。三、当使用的场合非常重要或环境比较复杂时,请您尽量提供设计图纸和详细参数,由我们的阀门公司专家为您审核把关。如有疑问:请:我们一定会尽心尽力为您提供优质的服务。提供全面、*的“阀门系统解决方案",也十分愿意帮助用户解决生产中所遇到的难题。
-
联系方式
- 联系人:申弘阀门
- 电 话:021-59260058
- 手 机:15901754341
- 传 真:86-021-31662735
- 邮 箱:494522509@qq.com
- 邮 编:201718
- 地 址:上海市青浦区金泽工业园区
- 网 址: https://bengye.cn.goepe.com/
http://www.021-fm.com
-
产品搜索








