-
PLC智能电动压力控制系统申弘
详细信息| 询价留言PLC智能电动压力控制系统 产品说明
本实用新型涉及一种压力调节阀,包括阀体、阀座、阀芯、阀杆、阀盖、密封件和安装件,阀芯下端面具有与阀座相互配合的密封面,主要是阀芯由上部的圆柱结构和下部的圆锥结构组成,在阀座上端面与阀盖下端面之间安装一调节套,该调节套内孔与阀芯圆柱外壁动密封配合,在阀门闭合状态下阀芯圆柱下部外侧的调节套侧壁上制有网状通孔,阀芯圆柱上端面与阀盖之间形成调压腔,该调压腔与阀体出口通道连通。利用出口介质压力通过调压腔控制阀芯的开度,结构简单、调压精度高,适用于电力、石化等领域高压工况的压力调节阀。是电动调节阀在压力控制领域的典型应用。减压阀通过调节阀门开度,达到控制减压阀后压力的目的。采用原装进口德国西门子液压弹簧复位执行器,具有功耗低,输出力量大,响应时间短、到位迅速等特点。接受控制系统输出的开关量或标准模拟量 (DC0-10V或DC4-20mA)控制信号,并同时输出阀位反馈信号。电动调节阀采用平衡式阀体,内置平衡组件;可在大压差工况下长期稳定、控 制。阀体外密封采用V型环高温密封组件,排除阀杆卡死或泄漏的隐患。阀芯和阀口一对一研磨,确保内泄漏量低于标准。阀体GB法兰连接,安装方便,公称 通径15mm-300mm

PLC智能电动压力控制系统应用范围
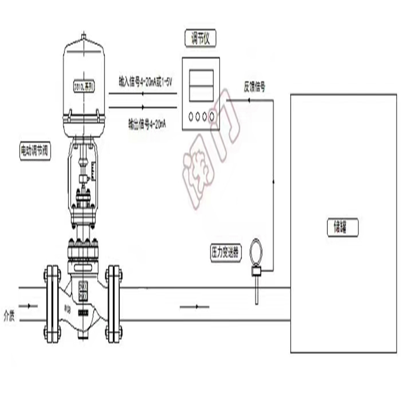
换热站热源及生产工艺设备前蒸汽压力调节;暖通空调、给排水系统或设备水力压力调节;液位控制等。压力传感器安装于蒸汽管道的下游,实时监测减压后的压力变化情况,并将压力转化为0-10V电信号传输给PI控制器,控制器根据已设定好的压力值进行比较运算,输出控制信号调节阀门开度,使阀后压力趋近设定值。无论上游压力如何波动 或下游负荷如何变化,下游蒸汽压力都能保持稳定。
产品特点
电动无级调节,二次压力稳定,控制精度高;操作简便,只需通过控制器修改二次压力设定;运行平稳,使用寿命长。

产品优势如下:
※该液压执行器始终有一个预设弹力为2800牛的弹簧以提供弹簧复位功能>这可以提供可靠的安全关闭功能
※液压执行器不需要任何齿轮组,也不需要电源转换,只有非常少的部件磨损
※电动执行器是通过一系列齿轮组产生行程>大推力和快速动作的执行器就需要非常大且昂贵的电动马达
※液压执行器有非常长的使用寿命
※液压驱动=效率*高且已被证明是可以产生*大力量的方式
本实用新型属于阀门领域,具体的说是关于一种压力调节阀。本实用新型适用于电力、石化等领域高压工况的压力调节阀。

【PLC智能电动压力控制系统发明内容】
本实用新型的目的是针对现有技术存在的缺点,提供一种结构简单、调压精度高的压力调节阀。压力调节阀一般由阀体、阀盖、阀座、阀杆、阀芯和调压弹簧组成,利用阀体出口介质压力的变化自动调节阀芯的位置,达到稳定的出口压力。其主要缺点是调压弹簧处在介质中受腐蚀和温度变化的影响,弹性力发生变化,影响压力调节精度,且结构较复杂。
工作原理工作电源:DC24V,AC220V,AC380V等电压等级。
输入控制信号:DC4-20MA或者DC1-5V。
反馈控制信号:DC4-20MA(负载电阻碍500欧姆以下)
通过接收工业自动化控制系统的信号(如:4~20mA)来驱动阀门改变阀芯和阀座之间的截面积大小控制管道介质的流量、温度、压力等工艺参数。实现自动化调节功能。新型电动调节阀执行器内含饲服功能,接受统一的4-20mA或1-5VDC的标准信号,将电流信号转变成相对应的直线位移,自动地控制调节阀开度,达到对管道内流体的压力、流量、温度、液位等工艺参数的连续调节。

动作原理:电机电源220VAC 或者380VAC,控制信号4~20mA,阀里面有控制器,控制器把电流信号转换为步进电机的角行程信号,电机转动,由齿轮,杠杆,或者齿轮加杠杆,带动阀杆运作,实现直行程或角行程
反馈:电机运行,通过齿轮运转,由三接头的滑动变阻器输出阀门的定位信号,此外还有三根线的限位信号(全开,全闭。公共线)

PLC智能电动压力控制系统主要技术参数
● 阀体
阀体形式 直通铸造球型阀 公称通径 DN20~300mm 公称压力 PN1.6、2.5、4.0、6.4 法兰标准 GB/T9113、 JB/T79 连接形式 法兰(FF RF RTJ)、焊接(SW BW)、螺纹(适用于1″以内) 阀盖形式 标准型-17~+230℃、高温型+230~+450℃、低温型-60~-196℃、波纹管密封型-40~+350℃ 压盖型式 螺栓压紧式 密封填料 V型聚四氟乙烯填料、含浸聚四氟乙烯石棉填料、石棉纺织填料、石墨填料 ● 阀内件
阀芯形式 笼式套筒型阀芯 流量特性 线性、等百分比 ● 执行机构
执行器型号 3810L系列、PSL系列 主要技术参数 电源电压:220V/50Hz、输入信号:4-20mA或1-5V·DC、输出信号:4-20mA·DC 防护等级:相当IP55、隔爆标志:ExdⅡBT4、手操功能:手柄 环境温度:-25~+70℃、环境湿度:≤95% 
■ PLC智能电动压力控制系统主要零件材料及结构图1 阀体 WCB CF8 CF8M CF3M 2 垫片 PTFE/金属石墨垫片 3 阀笼 304 304 316 316L 4 阀芯 304 304 316 316L 5 导向套 304 304 316 316L 6 阀盖 WCB CF8 CF8M CF3M 7 阀杆 304 304 316 316L 8 填料 PTFE/柔性石墨 9 弹簧 65Mn 304 316 316L 10 螺母 304 304 316 316L ■ PLC智能电动压力控制系统主要性能指标
项目 指标值 基本误差% 配3810L±2.5; 配PSL±1.0 回差% 配3810L ±2.5; 配PSL±1.0 死区% 1.0 始终点偏差% 电开 始点±2.5 终点±2.5 始点±2.5 终点±2.5 电关 始点 ±2.5 终点 ±2.5 额定行程偏差% ≤2.5 泄露量L/h 0.01%×阀额定容量 可调范围R 30:1 ■ 额定流量系数Kv、允许压差
公称通径 DN(mm) 20 25 32 40 50 65 80 100 125 150 200 250 300 阀座直径 dN(mm) 20 25 32 40 50 65 80 100 125 150 200 250 300 额定流量系数KV 直线 10 11 17.6 27.5 44 69 110 176 275 440 630 1000 1600 等百分 6.3 10 16 25 40 63 100 155 250 370 580 900 1300 额定行程(mm) 16 25 40 60 100 允许压差(MPa) ≤公称压力 ■ PID电动压力调节阀主要外形及连接尺寸
公称通径 DN(mm) 20 25 32 40 50 65 80 100 125 150 200 250 300 L PN16/25 181 184 200 222 254 276 298 352 410 451 550 640 880 PN40 194 197 200 235 267 292 317 368 425 473 640 760 910 PN64 206 200 210 251 286 311 337 394 440 508 670 810 950 H PN16/25 52.5 57.5 75 75 85.5 92.5 100 110 142.5 158 170 195 230 PN40 52.5 57.5 75 75 82.5 92.5 100 117.5 150 167.5 187.5 205 245 PN64 65 40 85 85 90 102.5 107.5 125 172.5 195 207.5 230 260 H1 132 132 158 170 179 214 221 234 270 294 331 390 450 H2 PSL 465 465 465 465 465 560 560 560 560 560 788 788 788 3810 373 373 495 495 495 700 700 700 725 725 725 725 725 D 177 177 177 177 177 182 182 182 182 182 218 218 218 R 225 225 225 225 225 257 257 257 310 310 310 310 310 注:表中尺寸为不带标准附件数据。另由于产品改进技术创新参数可能有一定变化,
请咨询公司技术部门索取*新数据。
本实用新型的技术方案包括阀体、阀座、阀芯、阀杆、阀盖、密封件和安装件,阀芯下端面具有与阀座相互配合的密封面,主要是阀芯由上部的圆柱结构和下部的圆锥结构组成,在阀座上端面与阀盖下端面之间安装一调节套,该调节套内孔与阀芯圆柱外壁动密封配合,在阀门闭合状态下阀芯圆柱下部外侧的调节套侧壁上制有网状通孔,阀芯圆柱上端面与阀盖之间形成调压腔,该调压腔与阀体出口通道连通。
在以上技术方案中,调节套与出口通道连通的侧壁由双层圆筒网组成。是采用直行程电动执行器与低流阻单座(套筒)调节阀阀体经机械装配而成。电动压力控制阀具有体积小,重量轻、连线简单、流量大、调节精度高等特点。电动执行机构内有伺服放大器,不用另配伺服放大器,有输入控制信号(4~20mADC或1~5VDC)及单相电源即可控制运转,通过改变阀芯的开度大小来实现对压力等参数的连续调节。电动压力调节阀广泛应用于电力、石油、化工、冶金、轻工、环境保护领域、教学和科研设备等行业的工业过程自动控制系统中。电动调节阀由调节阀与直行程电动执行机构或角行程电动执行机构经机械链接和装配组成,电动执行机构根据自动化系统控制信号指令来驱动阀门,调节阀通过改变阀芯和阀座之间的截面积大小来控制管道内介质的温度、压力、流量等工艺参数。
PLC智能电动压力控制系统安装调试
1、电动调节阀在安装之前首先要核对阀门名牌标识,确保调节阀参数与设计要求相符。
2、在安装之前对电动执行器进行基本误差、全行程偏差、回差、死区等性能调试,在要求极小泄漏量场合使用的调节阀还应进行泄漏量测试。
3、清除管道内部污物、焊渣等杂质才能安装电动调节阀;安装后应全开阀门,在对装管路、调节阀进行清洗及试验各连接处密封性能后调节阀才能投入使用。
4、电动调节阀*好是正立垂直安装在水平管道上,特殊要求时也可以任意安装(电动调节阀倒置除外)。
5、电动调节阀在安装时应避免给阀带来压力,当调节阀安装在管道较长位置时应安装支承架。
6、如调节阀安装位置离地较高应尽量设置检修平台,便于人工检修和操作调节阀手轮。
7、电动调节阀*好工作在温度-25~60℃、相对湿度≤95%环境中。调节阀在使用中应注意防尘,灰尘会加速阀杆与填料的磨损;安装在露天场合的电动调节阀应加装保护罩,不能日晒雨淋,避免水进入电动执行器。
8、打开电动执行器外罩即可进行外部接线,应按照电气设备施工要求进行施工。在电动调节阀开始工作前或电动执行器外壳打开时应切断执行机构主电源,避免安全事故发生。
9、在安装过程中应将电动调节阀从管道上拆除后才能对管道及法兰进行电焊,避免电焊损坏电动执行机构内部电子电路。
10、在电气线路连接后检查执行器限位开关是否正常工作。首先手动调整执行机构到行程中部,安装好执行器外壳后分别向电动执行器发出短促关阀和开阀控制信号,并观察推杆和阀杆运动方向,确保限位开关动作时阀门动作不超过阀行程。
11、在进行电动调节阀手轮操作时,应先切电动断执行器电源。在以上技术方案中,阀体出口通道内设有滤网。本实用新型的优点是利用出口介质压力通过调压腔控制阀芯的开度,结构简单、调压精度高。

订货须知:
一、①产品名称与型号②口径③是否带附件以便我们的为您正确选型④的使用压力⑤的使用介质的温度。
二、若已经由设计单位选定公司的型号,请按型号直接向我司销售部订购。三、当使用的场合非常重要或环境比较复杂时,请您尽量提供设计图纸和详细参数,由我们的阀门公司专家为您审核把关。如有疑问:请:我们一定会尽心尽力为您提供优质的服务。提供全面、*的“阀门系统解决方案",也十分愿意帮助用户解决生产中所遇到的难题。
-
联系方式
- 联系人:申弘阀门
- 电 话:021-59260058
- 手 机:15901754341
- 传 真:86-021-31662735
- 邮 箱:494522509@qq.com
- 邮 编:201718
- 地 址:上海市青浦区金泽工业园区
- 网 址: https://bengye.cn.goepe.com/
http://www.021-fm.com
-
产品搜索






