-     BHTS气动保温调节阀申弘详细信息| 询价留言BHTS气动保温调节阀 产品说明 
 本发明涉及仪表仪器技术领域,尤其涉及一种保温夹套气动调节阀。简称调节阀或夹套保温调节阀,是CV3000系列产物之一。该阀适用于需要保温的场合。气动保温调节阀当工艺介质的结晶温度低于情况温度或流体温度降低,造成粘度增进或流体涌现凝固时,这时在阀体和上阀盖处增设蒸汽夹套保温装配,使工艺介质知足过程独霸的需要。调节阀的泄漏量合适ANSI B16.104尺度。气动调节阀配用多弹簧薄膜执行机构,其结构紧凑,输出力大。本产物合适GB/T4213-92尺度。
  BHTS气动保温调节阀背景技术: 近几年随着医药、化工等行业的迅猛发展,所生产产品的品种,或所使用的工艺介质的类型越来越多样化,其物理、化学性质也越来越复杂与多变。如一些硫酸盐、工业碱、硫磺、三聚氰胺等介质的结晶温度低于环境温度,或因介质温度降低,粘度变化很大,很容易结晶或凝固,从而影响介质在管道及阀门内的正常输送,无法保证工艺过程的稳定运行。因此对用于调节控制该类介质正常流动或截断的调节阀产品需要其具有保温功能。 技术实现要素: 基于上述背景技术存在的技术问题,本发明提出一种保温夹套气动调节阀,以适用于流动介质对环境温度要求的场合,且该调节阀具有散热慢,保温时间长,使用安全的特点。本发明提出了一种保温夹套气动调节阀,包括:阀体、阀座、阀芯和阀杆,其中:阀体内设有介质通道,阀座安装在阀体的介质通道中,阀座将介质通道分隔成进口通道和出口通道,阀芯可上下运动地安装在介质通道内,阀芯位于阀座上方并与阀座配合用于控制进口通道和出口通道之间的通断,阀芯通过阀杆与气动机构连接并通过气动机构驱动其上下运动; 
  阀体的外部包覆有保温夹套,其中,保温夹套包括内夹套和外夹套,内夹套的内周与阀体的外周之间预留有间隙形成保温腔;外夹套设置在内夹套的外周且外夹套的内周与内夹套外周之间预留有间隙形成隔热腔;外夹套上分别设 有与保温腔连通用于向保温腔内输送保温介质的保温介质进口及与保温腔连通用于将保温腔内的保温介质输出的保温介质出口。 优选地,保温腔内还设有保温盘管,保温盘管的一侧紧贴内夹套的内周面固定。 优选地,保温腔的内周面设有防腐层。 优选地,隔热腔的内周面设有隔热层。 优选地,保温介质进口位于阀体的上端。 优选地,保温介质出口位于阀体的下端且远离保温介质进口的一端。 优选地,阀杆上套装有阀盖,阀盖与阀杆之间设有密封填料函,阀盖的底部与阀体固定连接。 
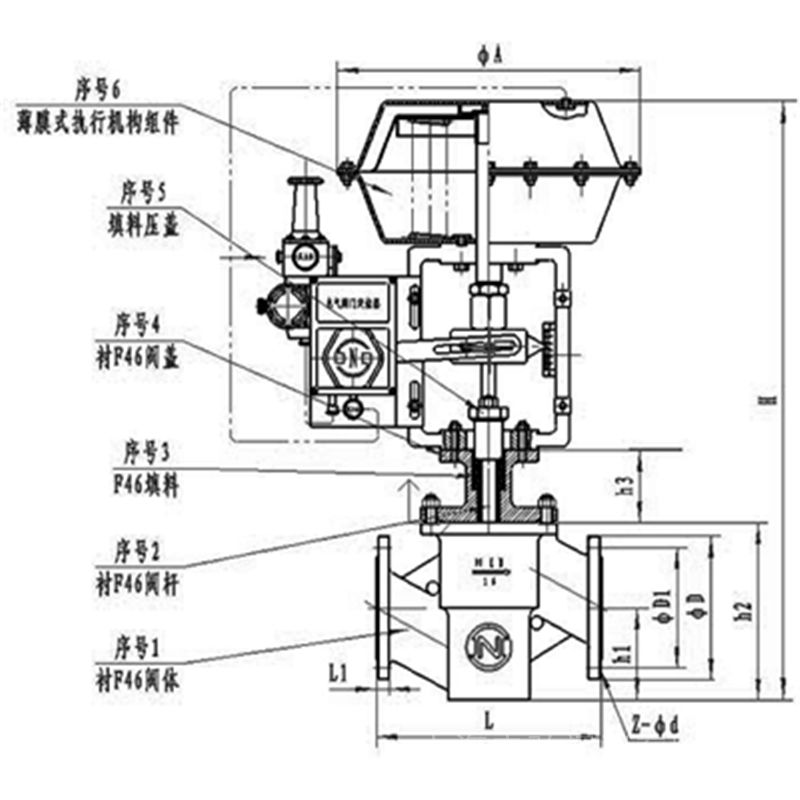
  BHTS气动保温调节阀技术参数 (1)阀体参数 公称通径(DN) 20 25 32 40 50 65 80 100 150 阀座直径(dn) 20 25 32 40 50 65 80 100 150 额定流量系数(KV) 单座 6.9 11 17.6 27.5 44 69 110 176 440 套筒 6.3 10 16 25 40 63 100 160 360 允许压差(MPa) 单座 3.8 3.2 3.0 2.0 1.8 1.5 1.4 1.0 0.6 套筒 6.4 6.4 5.2 5.2 4.6 4.6 3.7 3.7 3.1 公称压力(MPa) 1.6、2.5、4.0、6.4 额定行程(mm) 16 25 40 60 配用执行器型号 ZHA/B-22 ZHA/B-23 ZHA/B-34 ZHA/B-45 阀盖形式 标准型(-17~+250℃)、高温型(+250~+450℃)、波纹管密封型(-40~+350℃) 压盖形式 螺栓压紧式 阀体材质 碳钢(WCB、WCC)、不锈钢(CF8、CF8M、CF3、CF3M、双相不锈钢2520) (2)阀内件参数 阀芯形式 单座柱塞型、套筒导向型 流量特性 线性、等百分比 阀芯材料 不锈钢 (304、316、316L) (3)执行器参数 配置执行器类别 ZHA/B多弹簧簿膜执行机构 执行器型号 ZHA/B-22 ZHA/B-23 ZHA/B-34 ZHA/B-45 ZHA/B-56 有效面积(cm2) 350 350 560 900 1400 行程(mm) 10、16 24 40 40、60 100 弹簧范围(KPa) 20~100(标准)、20-60、60-100、40-200、80-240 膜片材料 丁腈橡胶夹尼龙布、乙丙橡胶夹尼龙布 供气压力 140~400KPa 气源接口 RC1/4" 环境温度 -30~+70℃ 可配附件 定位器、空气过滤减压器、保位阀、行程开关、阀位传送器、手轮机构等 作用形式 气关式(B)—失气时阀位开(FO);气开式(K)—失气时阀位关(FC) 三、BHTS气动保温调节阀 性能指标 项目 不带定位器 带定位器 基本误差% ±5.0 ±1.0 回差% 3.0 1.0 死区% 3.0 0.4 始终点偏差% 气开 始点 ±2.5 ±1.0 始点 ±5.0 ±1.0 气关 始点 ±5.0 ±1.0 终点 ±2.5 ±1.0 额定行程偏差% ≤2.5 泄露量L/h 0.01%×阀额定容量 可调范围R 30:1 BHTS气动保温调节阀主要性能指标项目 不带定位器 带定位器 基本误差% ±5.0 ±1.0 回差% 3.0 1.0 死区% 3.0 0.4 始终点偏差% 气开 始点 ±2.5 ±1.0 始点 ±5.0 ±1.0 气关 始点 ±5.0 ±1.0 终点 ±2.5 ±1.0 额定行程偏差% ≤2.5 泄露量L/h 0.01%×阀额定容量 可调范围R 30:1 四、BHTS气动保温调节阀额定流量系数Kv、允许压差公称通径(DN) 20 25 32 40 50 65 80 100 150 阀座直径(dn) 20 25 32 40 50 65 80 100 150 额定流量系数(KV) 单座 6.9 11 17.6 27.5 44 69 110 176 440 套筒 6.3 10 16 25 40 63 100 160 360 允许压差(MPa) 单座 3.8 3.2 3.0 2.0 1.8 1.5 1.4 1.0 0.6 套筒 6.4 6.4 5.2 5.2 4.6 4.6 3.7 3.7 3.1 公称压力(MPa) 1.6、2.5、4.0、6.4 额定行程(mm) 16 25 40 60 配用执行器型号 ZHA/B-22 ZHA/B-23 ZHA/B-34 ZHA/B-45 五、BHTS气动保温调节阀主要外形图六、BHTS气动保温调节阀主要连接尺寸公称通径 DN(mm) 20 25 32 40 50 65 80 100 125 150 L PN16/25 181 184 200 222 254 276 298 352 410 451 PN40 194 197 200 235 267 292 317 368 425 473 PN64 206 200 210 251 286 311 337 394 440 508 H PN16/25 52.5 57.5 75 75 85.5 92.5 100 110 142.5 158 PN40 52.5 57.5 75 75 82.5 92.5 100 117.5 150 167.5 PN64 65 40 85 85 90 102.5 107.5 125 172.5 195 H1 152 152 177 177 183 221 221 230 315 355 H2 298 298 298 298 298 380 380 380 510 510 H3 180 180 180 180 180 236 236 236 310 310 L1 289 289 289 289 289 347 347 347 476 476 A 282 282 282 282 282 360 360 360 470 470 D 220 220 220 220 220 270 270 270 320 320 注:表中尺寸为不带标准附件数据。另由于产品改进技术创新参数可能有一定变化,请咨询公司技术部门索取*新数据。 
  本发明中,在阀体的外部包覆有保温夹套,保温夹套包括内夹套和外夹套,内夹套的内周与阀体的外周之间预留有间隙形成保温腔,通过向保温腔内中输送保温介质,以保证介质在流经介质通道时,介质温度不会下降;同时,在外夹套的内周与内夹套外周之间预留有间隙形成隔热腔,隔热腔的设置可以有效减缓保温腔内的热量散失速度,同时隔热腔的设置还能避免外夹套过热所带来的安全隐患问题。本发明适用于流动介质对环境温度要求的场合,且具有散热慢,保温时间长,使用安全的特点。 气动夹套保温调节阀由精小型薄膜执行器及低流阻调节阀阀体组成,多弹簧执行机构高度低、重量轻、装备简便。气动单座调节阀配以阀门定位器,将电流信号转变成相对应的直线位移,自动地控制调节阀开度,达到对管道内流体的压力、流量、温度、液位等工艺参数的连续调节。 气动夹套保温调节阀适用于需要保温的场合。当工艺介质的结晶温度低于环境温度或流体温度降低,造成粘度增加或流体出现凝固时,这时在阀体和上阀盖处增设蒸汽保温夹套装置,使工艺介质满足过程控制的需要。 
  订货须知: 一、①产品名称与型号②口径③是否带附件以便我们的为您正确选型④的使用压力⑤的使用介质的温度。 
 二、若已经由设计单位选定公司的型号,请按型号直接向我司销售部订购。三、当使用的场合非常重要或环境比较复杂时,请您尽量提供设计图纸和详细参数,由我们的阀门公司专家为您审核把关。如有疑问:请:我们一定会尽心尽力为您提供优质的服务。提供全面、*的“阀门系统解决方案",也十分愿意帮助用户解决生产中所遇到的难题。 
- 
- 留 言- 联系人:申弘阀门
- 电 话:021-59260058
- 手 机:15901754341
- 传 真:86-021-31662735
- 邮 箱:494522509@qq.com
- 邮 编:201718
- 地 址:上海市青浦区金泽工业园区
- 网 址:	      https://bengye.cn.goepe.com/	      	        
 http://www.021-fm.com
 
- 
产品搜索







 
														 
														 
														 
														 
														 
														 
														 
														 
														 
														 
														