-     ZXN气动双座调节阀申弘详细信息| 询价留言ZXN气动双座调节阀 产品说明 
 本发明涉及一种调节阀,尤其涉及一种位移可调节气动双座调节阀。本系列产品有标准型、波纹管密封型、夹套保温型等多种品种。产品公称压力等级有PN16、40、64;阀体口径范围DN25~400。适用流体温度有-250℃~+560℃范围内多种档次。泄漏量标准为Ⅲ级和Ⅳ级。流量特性为线性或百分比。多种多样的品种规格可供选择。
  ZXN气动双座调节阀背景技术 双座式调节阀主要包括:阀体、上阀座、下阀座、上阀瓣、下阀瓣,阀体内部设有进口通道和出口通道,进口通道横向布置,出口通道成横y型结构设置,进口通道与出口通道之间设有横u型结构的腔壁,上阀座设置腔壁的上部,下阀座设置在腔壁的下部,上、下阀座的上端分别设有上、下阀座密封面,上、下阀瓣成串联式固定在阀杆的下部,上、下阀瓣这间设有下阀杆,上阀瓣设置出口通道上部,下阀瓣设置在进口通道,上、下阀瓣中部分别设有上、下阀瓣密封面,通过上下移动上阀杆,可分别控制上、下阀瓣密封面与上、下阀座密封面之间的距离,从而起到调节阀出压力、流量的作用,其缺点在于:由于加工误差、装配等方面的影响,当移动上阀杆时,上阀瓣密封面和上阀座密封面之间的距离无法与下阀瓣密封面和下阀座密封面之间的距离一致,当需要关闭该阀时,无法达到全密封状态,泄漏量大,同时上阀瓣与下阀瓣之间固定设置,具有加工困难、成本高的技术缺陷。 
  技术实现要素: 针对现有技术中存在的技术缺陷,本发明提供一种使用密封性好、调节稳定、防振动性好的一种位移可调节气动双座调节阀。采用双号导向结构,配用多弹簧招执机构。具有结构紧凑、重量轻、动作灵敏、阀容量大、流量特性精确、拆装方便等优点。广泛应用于精确控制气体、液体、蒸汽等介质的工艺参数如压力、流量、温度、液位保持在给定值。特别适用于压差较大,允许泄漏也较大且不是很清洁的介质场合。 在使用该阀之前,首先进行密封试验,在阀门处于关闭状态时,从进口通道通入试验介质,观察出口通道有无泄漏,由于加工误差、装配等方面的影响,上阀瓣密封面和上阀座密封面之间的距离无法与下阀瓣密封面和下阀座密封面之间的距离一致,因此无法达到全密封状态,当上阀瓣密封面和上阀座密封面之间已形成密封,而下阀瓣密封面和下阀座密封面之间还没有形成密封时,松开锁紧装置,顺时针旋转调节套,同时带动调节杆顺时针旋转,在调节外螺纹和调节内螺纹的配合下,提升块带动下阀杆和下阀瓣向下移动,直至下阀瓣密封面与下阀座密封面形成密封,*后用锁紧装置锁死调节套。 
  同理,当下阀瓣密封面和下阀座密封面之间已形成密封,而上阀瓣密封面和上阀座密封面之间还没有形成密封时,松开锁紧装置,逆时针旋转调节套带动调节杆逆时针旋转进行调节,直至上阀瓣密封面与上阀座密封面形成密封,*后用锁紧装置锁死调节套。 此时,在该阀使用过程中,气动驱动装置带动上阀杆上、下移动时,上阀瓣密封面和上阀座密封面之间的距离与下阀瓣密封面和下阀座密封面之间的距离一致。综上所述,以上仅为本发明的较佳实施例而已,并非用于限定本发明的保护范围。凡在本发明的精神和原则之内,所作的任何修改、等同替换、改进等,均应包含在本发明的保护范围之内。 
  ZXN气动双座调节阀主要技术参数● 阀体阀体形式 直通铸造球型阀 公称通径 DN25~200mm 公称压力 PN1.6、2.5、4.0、6.4MPa 法兰标准 GB/T9113、 JB/T79 连接形式 法兰(FF RF RTJ)、焊接(SW BW)、螺纹(适用于1″以内) 阀盖形式 标准型-17~+230℃、高温型+230~+450℃、 
 低温型-60~-196℃、波纹管密封型-40~+350℃压盖型式 螺栓压紧式 密封填料 V型聚四氟乙烯填料、含浸聚四氟乙烯石棉填料、石棉纺织填料、石墨填料 ● 阀内件阀芯形式 双座导向型阀芯 流量特性 线性、等百分比 ● 执行机构及附件、作用形式执行器型式 ZHA/B多弹簧簿膜执行机构 执行器型号 ZHA/B-22 ZHA/B-23 ZHAB-34 ZHA/B-45 ZHA/B-56 有效面积(cm2) 350 350 560 900 1400 行程(mm) 10、16 25 40 40、60 100 弹簧范围(KPa) 20~100(标准)、20-60、60-100、40-200、80-240 膜片材料 丁腈橡胶夹尼龙布、乙丙橡胶夹尼龙布 供气压力 140~400KPa 气源接口 RC1/4" 环境温度 -30~+70℃ 可配附件 定位器、空气过滤减压器、保位阀、行程开关、阀位传送器、手轮机构等 作用形式 气关式(B)—失气时阀位开(FO);气开式(K)—失气时阀位关(FC)  
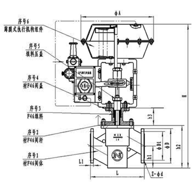
 ■ ZXN气动双座调节阀主要零件材料及内部结构图1 阀体 WCB CF8 CF8M CF3M 2 阀座 304 304 316 316L 3 阀芯 304 304 316 316L 4 导向套 304 304 316 316L 5 垫片 PTFE/金属石墨垫片 6 阀盖 WCB CF8 CF8M CF3M 7 填料 PTFE/柔性石墨 8 弹簧 65Mn 9 螺母 304 304 316 316L 10 阀杆 304 304 316 316L  
 ■ 主要性能指标项目 不带定位器 带定位器 基本误差% ±5.0 ±1.0 回差% ≤3.0 ≤1.0 死区% ≤3.0 ≤0.4 始终点偏差% 气开 始点 ±2.5 ±1.0 始点 ±5.0 ±1.0 气关 始点 ±5.0 ±1.0 终点 ±2.5 ±1.0 额定行程偏差% ≤2.5 泄露量L/h 0.01%×阀额定容量 可调范围R 30:1 ■ 额定流量系数Kv、额定行程、配用执行器型号公称通径 DN(mm) 25 32 40 50 65 80 100 125 150 200 250 300 阀座直径 dN(mm) 25 32 40 50 65 80 100 125 150 200 250 300 额定流量系数KV 直线 12.5 19.5 30.5 48.4 76 125 195 305 484 760 1000 1600 等百分 11 17,6 27.5 44 69 110 176 275 440 690 900 1300 额定行程(mm) 16 25 40 60 100 允许压差(MPa) ≤公称压力 执行器型号 ZHA/B-22 ZHA/B-23 ZHA/B-34 ZHA/B-34 ZHA/B-56 ■ZXN气动双座调节阀 主要外形及连接尺寸公称通径 DN(mm) 25 32 40 50 65 80 100 125 150 200 250 300 L PN16/25 185 200 220 250 275 300 350 410 450 550 670 770 PN40 190 210 230 255 285 310 355 425 460 560 740 805 PN64 200 210 235 265 295 320 370 440 475 570 750 820 H PN16/25 117 120 139 144 188 208 220 268 278 320 441 503 PN40 124 128 145 150 195 220 230 280 290 335 465 528 PN64 130 135 155 170 205 240 255 295 310 360 480 550 H1 165 185 185 205 245 255 270 335 365 430 560 680 H2 298 298 298 298 380 380 380 510 510 510 650 650 H3 177 177 177 177 182 182 182 182 182 218 218 218 L1 280 280 280 280 350 350 350 475 475 475 560 560 A 282 282 282 282 360 360 360 470 470 470 580 580 C 220 220 220 220 270 270 270 320 320 320 400 400 注:表中尺寸为不带标准附件数据。另由于产品改进技术创新参数可能有一定变化,请咨询公司技术部门索取*新数据。 
  本发明涉及一种位移可调节气动双座调节阀,其特征在于:该阀还包括竖向设置的调节杆,该调节杆上端向上穿透下阀瓣和下阀杆后伸入上阀瓣内部,调节杆上端设有限制该调节杆相对于上阀瓣移动的限位块,调节杆上端还设有调节外螺纹,上阀瓣内部还设有提升块和防转槽,提升块上部设有与调节外螺纹相配合的调节内螺纹,提升块外部设有伸入防转槽的防转胫,下阀杆向上伸入上阀瓣内并与提升块固定连接,调节杆下端向下伸出阀体,调节杆下端处设有竖向卡槽,在阀体的下方设有调节套和横销,横销横向穿过竖向卡槽后与调节套连接,旋转调节套能带动调节杆旋转,具有密封性好、调节稳定、防振动性好的优点。 
  气动控制阀通常由气动执行机构和安装调试后连接的控制阀组成。气动调节阀的安装调试非常重要。本文主要介绍ZXN气动双座调节阀的安装细节和技巧。 a.安装过程中,应始终遵守气动控制阀的安装说明和注意事项。 b.控制阀的工作环境温度应低于相对湿度的95%和95%(-30~+60)。 c.控制阀的前后位置应为直管段,其长度不小于管道直径(10d)的10倍,以避免阀门直管段过短对流量特性的影响; d.在安装阀门之间,首先阅读说明手册。说明书介绍了安装前和安装过程中应注意的产品、安全注意事项和预防措施。 e.管道清洗确认:管道内有异物,可能损坏阀门的密封面,甚至阻碍阀芯、球或蝶板的运动,导致阀门关闭不正确。为了减少危险情况的可能性,在安装阀门之前,需要清洁所有管道。 确认管道污垢、金属碎片、焊渣等异物已清除。此外,检查管道法兰,确保垫圈表面光滑。如果阀门有螺纹连接端,应在管道的正螺纹上涂上管道密封剂。不要在螺钉上涂抹密封胶,因为螺钉上多余的密封胶将被挤入阀体。多余的密封胶会导致阀塞或污垢在阀芯中积聚,从而导致阀门无法正常关闭。 f.我们仔细检查调节器:在安装前,检查并拆除所有运输块、保护塞或垫片表面盖,检查阀体内部,确保没有异物; h.调节阀应安装在水平管道上,并与管道上下垂直,一般应支撑在阀门下方,以确保稳定性和可靠性。特殊情况下,当调节阀水平安装在垂直管道上时,也应支撑调节阀(小口径调节阀除外)。在安装过程中,应避免对控制阀产生附加应力。 g.确保阀门上下有足够的空间,以便在检查和维护期间拆卸执行机构或阀芯。对于法兰主体,确保法兰表面准确对齐,以便垫圈表面均匀接触。法兰找正后,轻轻拧紧螺栓,交错拧紧。 
  储存、安装和使用气动控制阀的注意事项: a.阀门应存放在干燥的室内。通道两端必须堵塞,不得堆放。 b.长期存放的调节阀应定期检查,清除污垢,运动部件和加工表面应涂防锈油,防止生锈。 c.阀门应安装在水平管道上,并按要求垂直安装,阀杆向上。 订货须知: 一、①产品名称与型号②口径③是否带附件以便我们的为您正确选型④的使用压力⑤的使用介质的温度。 
 二、若已经由设计单位选定公司的型号,请按型号直接向我司销售部订购。三、当使用的场合非常重要或环境比较复杂时,请您尽量提供设计图纸和详细参数,由我们的阀门公司专家为您审核把关。如有疑问:请:我们一定会尽心尽力为您提供优质的服务。提供全面、*的“阀门系统解决方案",也十分愿意帮助用户解决生产中所遇到的难题。 
- 
- 留 言- 联系人:申弘阀门
- 电 话:021-59260058
- 手 机:15901754341
- 传 真:86-021-31662735
- 邮 箱:494522509@qq.com
- 邮 编:201718
- 地 址:上海市青浦区金泽工业园区
- 网 址:	      https://bengye.cn.goepe.com/	      	        
 http://www.021-fm.com
 
- 
产品搜索







 
														 
														 
														 
														 
														 
														 
														 
														 
														 
														 
														