-     ZXP带定位器智能型气动调节阀申弘详细信息| 询价留言ZXP带定位器智能型气动调节阀 产品说明 
 气动调节阀的动力学系统主要由机械系统和气动系统禪合而成,机械系统包括阀 杆等质量元件、波纹管和气室弹黃组成的弹性元件W及调节阀运动过程由密封和导向配合 间摩擦产生的阻尼元件。气动系统包括由气体传输管和气室容腔构成的流感、流容和流阻, W及气流流经过滤减压阀和定位器的附加流阻。气动调节阀的稳定性和动态响应特性直接关系到工业控制过程的快速性、准确性 和稳定性,因此合理的设计优化气动调节阀的气动-机械禪合系统的参数,提高气动调节 阀的稳定性和动态响应特性,对工业过程控制系统具有非常重要的意义。 
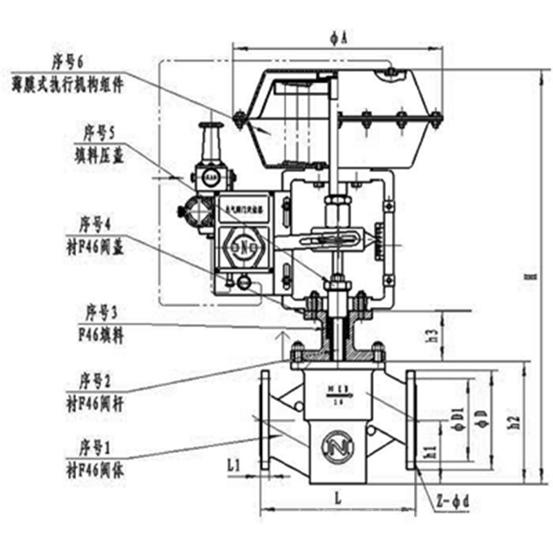
  ZXP带定位器智能型气动调节阀主要特点: 1、具有可靠性高、体积小、重量轻等特点。 2、磁电组件部分采用新型动圈结构,可靠、稳定、线性好。 3、除防爆接线盒外,在危险性区域现场可打开壳盖进行调整及检修。 4、量程、零点调整钮采用手轮式,调整方便、并带有锁定装置。 5、配有与各类型执行机构相配的安装板及附件,故安装容易、调整方便。 6、防爆性能:本安型防爆等级iaⅡCT5 隔爆型防爆等级dⅡCT6。 7、结构紧凑,精密可靠本产品零部件精密压铸,外形及内部结构制作工艺精致,各机构经优化组合设计,整机结构紧凑,采用不锈钢紧固件和喷朔工艺处理.生产制造标志永久性等,具备了良好的防腐性能。 8、本定位器可根据要求.附采用活动可调节阻尼机构,使具有输出流量可调的特点。 
  综合以上等技术性能特点,故HEP系列定位器可满足不同的类型单.双作用,正.反作用的各类气动执行器要求。具有较为可靠可行的技术性能和特色。是气动调节阀(薄膜式或活塞式)配套使用的产品。它接受调节仪表给出的气信号,输出气压信号控制调节阀的行程。定位器能改善气动调节阀的工作特性,克服阀杆摩擦力和由于被调介质压力变化引起的阀芯不平衡力,从而使阀门位置跟调节仪表的控制信号按比例变化,实现正确定位。 
  为了打开阀门,增加电流信号,力矩电机工作产生电磁场,挡板受电磁场作用远离喷嘴。喷嘴和挡板间距变大,排出先导阀内部线轴上方的气压。受其影响线轴向右边移动,推动挡住底座的阀瓣,气压通过底座输入到执行机构。随着执行机构气室内部压力增加,执行机构推杆下降,通过反馈杆把执行机构推杆位移的变化传达到滑板,位移变化又传达到量程反馈杆,拉动量程弹簧。当量程弹簧和力矩电机的力保持平衡时,挡板回到原位,减少与喷嘴间距。随着通过喷嘴排出空气量的减少,线轴上方气压增加。线轴回到原位,阀瓣重新堵住底座,停止气压输入到执行机构。当执行机构的运动停止时,定位器保持稳定状态。 
  ZXP带定位器智能型气动调节阀技术参数 型号 ZPQ-01 ZPQ-02 输入信号(KPa) 标准信号:20~100 分段信号:20~60、60~100 气源压力MPa 0.14,0.26 0.35,0.55 所配执行机构 气动薄膜式 气动活塞式 行程范围 直行程:10~60mm,(100mm作特殊订货) 角行程:50°,70°,75°,90° 输出作用方式 单作用 双作用 输出特性 直线 重量 2.6kg 环境温度 -25~55℃ 相对湿度 5%~100% 气管接口 M10×1 电缆接头 F6×1 基本误差% ±1 ±1.5 回差% 1 1.5 死区% 0.4 0.6 耗气量L/h <1500(气源压力140kpa) <3600(气源压力500kpa) ZXP带定位器智能型气动调节阀技术参数 (1)阀体参数 公称通径(DN) 20 25 32 40 50 65 80 100 150 阀座直径(dn) 20 25 32 40 50 65 80 100 150 额定流量系数(KV) 单座 6.9 11 17.6 27.5 44 69 110 176 440 套筒 6.3 10 16 25 40 63 100 160 360 允许压差(MPa) 单座 3.8 3.2 3.0 2.0 1.8 1.5 1.4 1.0 0.6 套筒 6.4 6.4 5.2 5.2 4.6 4.6 3.7 3.7 3.1 公称压力(MPa) 1.6、2.5、4.0、6.4 额定行程(mm) 16 25 40 60 配用执行器型号 ZHA/B-22 ZHA/B-23 ZHA/B-34 ZHA/B-45 阀盖形式 标准型(-17~+250℃)、高温型(+250~+450℃)、波纹管密封型(-40~+350℃) 压盖形式 螺栓压紧式 阀体材质 碳钢(WCB、WCC)、不锈钢(CF8、CF8M、CF3、CF3M、双相不锈钢2520) (2)阀内件参数 阀芯形式 单座柱塞型、套筒导向型 流量特性 线性、等百分比 阀芯材料 不锈钢 (304、316、316L) (3)执行器参数 配置执行器类别 ZHA/B多弹簧簿膜执行机构 执行器型号 ZHA/B-22 ZHA/B-23 ZHA/B-34 ZHA/B-45 ZHA/B-56 有效面积(cm2) 350 350 560 900 1400 行程(mm) 10、16 24 40 40、60 100 弹簧范围(KPa) 20~100(标准)、20-60、60-100、40-200、80-240 膜片材料 丁腈橡胶夹尼龙布、乙丙橡胶夹尼龙布 供气压力 140~400KPa 气源接口 RC1/4" 环境温度 -30~+70℃ 可配附件 定位器、空气过滤减压器、保位阀、行程开关、阀位传送器、手轮机构等 作用形式 气关式(B)—失气时阀位开(FO);气开式(K)—失气时阀位关(FC) 项目 不带定位器 带定位器 基本误差% ±5.0 ±1.0 回差% 3.0 1.0 死区% 3.0 0.4 始终点偏差% 气开 始点 ±2.5 ±1.0 始点 ±5.0 ±1.0 气关 始点 ±5.0 ±1.0 终点 ±2.5 ±1.0 额定行程偏差% ≤2.5 泄露量L/h 0.01%×阀额定容量 可调范围R 30:1 开关方式 执行机构型号 弹簧范围KPa 气源压力KPa 需要附件 公称通径(阀座直径)mm 25 25 40 50 65 80 100 150 200 250 300 (10) (12) (15) (20) (32) (40) (125) (150) 气 
 关ZHA 
 -2220~100 
 20~100
 40~200140 
 250
 140P 
 P
 P或R6.4 
 6.4
 6.45.94 
 6.4
 6.43.34 
 6.4
 6.43.34 
 6.4
 6.42.14 
 6.4
 6.4ZHA 
 -2320~100 
 20~100
 40~200140 
 250
 400P 
 P
 P或R1.31 
 6.09
 6.40.84 
 3.9
 5.260.53 
 2.5
 3.39ZHA 
 -3420~100 
 20~100
 40~200140 
 250
 400P 
 P
 P或R0.51 
 2.36
 3.210.33 
 1.56
 2.120.21 
 1.0
 1.35ZHA 
 -4520~100 
 20~100
 40~200140 
 250
 400P 
 P
 P或R0.22 
 1.02
 1.390.15 
 0.71
 0.970.08 
 0.40
 0.54ZHA 
 -5620~100 
 20~100
 40~200140 
 250
 400P 
 P
 P或R0.06 
 0.37
 0.510.04 
 0.25
 0.36气 
 开ZHB 
 -2220~100 
 40~200
 80~240140 
 250
 400P 
 P或R
 P4.46 
 6.4
 6.43.09 
 6.4
 6.41.98 
 5.94
 6.41.11 
 3.34
 6.40.71 
 2.14
 4.99ZHB 
 -2320~100 
 40~200
 80~240140 
 250
 400P 
 P或R
 P0.44 
 1.37
 3.050.28 
 0.84
 1.950.18 
 0.53
 1.25ZHB 
 -3420~100 
 40~200
 80~240140 
 250
 400P 
 P或R
 P0.17 
 0.51
 1.180.11 
 0.33
 0.780.07 
 0.21
 0.5ZHB 
 -4520~100 
 40~200
 80~240140 
 250
 400P 
 P或R
 P0.07 
 0.22
 0.510.05 
 0.15
 0.350.028 
 0.08
 0.20ZHA 
 -5620~100 
 20~100
 40~200140 
 250
 400P 
 P
 P或R0.03 
 0.09
 0.200.02 
 0.06
 0.14注: 
 1)P-阀门定位器;R-压力继动器;
 2)允许压差为阀关闭P2=0状态下,P的*大值;
 3)如果允许压差不清楚或*大工作压差超出列表范围请与我们联系。
  七、ZXP带定位器智能型气动调节阀 外形尺寸 DN L H H1 质量(kg) φA PN16 PN40 PN64 普通 高温 PN6 PN16 PN40 PN64 PN6 
 PN16PN40 
 PN6420 181 194 206 398 548 45 52 65 19 23 285 25 185 197 210 410 560 50 57 70 20 24 40 222 235 251 455 620 65 75 85 26 35 50 254 267 286 457 627 70 82 90 30 40 65 276 292 311 610 790 80 92 100 47 66 360 80 298 317 337 622 807 95 100 107 55 78 100 352 368 394 640 850 105 110 117 125 65 99 150 451 473 508 870 1130 132 142 150 172 130 160 470 200 600 650 890 1150 160 170 187 207 175 250 250 730 775 1203 1523 187 202 225 235 350 470 580 300 850 900 1234 1554 220 230 257 265 500 660  
 本实用新型公开了气动薄膜套筒调节阀,包括阀体和阀盖,在阀盖上方连接支架,在支架上方连接执行机构,其中阀盖固定在阀体上方,阀杆下端伸入阀盖和阀体中,在阀杆下端连接阀芯,在阀芯外侧设置阀座,阀座下端与阀体密封连接,阀芯为套筒双密封型阀芯,阀芯下端设置一圈弧形突出的环形凸台,在阀座相对应的位置设置环形凹槽,在环型凹槽的两侧侧壁均设置环形密封圈,环形密封圈安装在环型凹槽侧壁的环槽中。本实用新型的气动薄膜套筒调节阀,阀芯设置为套筒双密封型阀芯,密封性能好,精度高。气动调节阀是一种常见的发型充分仪器,可以切换或在石油,化工,电力,冶金等工业企业工业过程控制仪表比例调节广泛应用。今天小编介绍的主要ZXP带定位器智能型气动调节阀安装指南,希望对大家有帮助。
  (1)气动调节阀的安装位置,从地面,需要旁边留有一定的空间度一定高的闸阀,截止阀下离开阀门拆卸和维修一些空间。拆卸和维修。对于装有气动定位和手轮控制阀的车辆,必须确保操作,观察和调节方便。 (2)调节阀应安装在水平管道,并上下垂直管应该在普通阀的支持,以保证稳定和可靠。直,一般在一个阀门的支持,以确保稳定可靠。对于特殊场合,特殊场合,需要调整在垂直管道水平安装的阀门,阀门也应支持(当轨道也是调节阀支持(除小口径阀)安装时,控制阀,以避免带来额外的压力)。 (3)阀工作环境温度为(-30到+60)阀操作的环境温度是在(-30〜60)(--30相对湿度不大于95%95%℃,相对湿度小于95%。 (4)调节阀之前和纵向位置之后应该是直管,阀直阀之前和之后的位置应该是直管的长度是不管直径小于10倍(10D),该管直径的10倍),在为了避免该段长度的配管(10D)的直径小于10倍,以避免短的直管阀影响流动特性。直径工艺管道 
 (5)阀不应该使用相同的,不同直径的配管连接。当小口径阀门安装,使用螺纹连接。管。当小口径阀门安装,使用螺纹连接。在阀体的箭头流体方向应与流动方向一致。在阀体的箭头流体方向应与流动方向一致。要绕过管。(6)旁通管。目的是为了方便的开关或手动操作,而不停车调节阀维修。在任何情况下可能会停止调节阀维修。 本发明涉及工业过程控制技术领域,尤其涉及一种气动调节阀及其动力学优化方法。 气动薄膜调节阀是生产过程自动控制系统中用量*大和*重要的产品之一。定位器是气动薄膜调节阀的主要附件,为了改善气动薄膜调节阀工作特性,定位器与气动薄膜调节阀配套使用,定位器接收从控制器或控制系统4 ~ 20mA 直流电流信号,并向气动薄膜执行机构输送空气控制阀门位置。 气动调节阀是工业过程控制中*重要的执行机构,广泛应用于化工、石油、冶金、 电力等行业。气动调节阀主要由过滤减压阀、定位器、气动薄膜执行机构和调节阀组成,定 位器和气动薄膜执行机构通过气体传输管连接,气动薄膜执行结构和调节阀通过气室膜板 连接,调节阀使用波纹管或者填料实现内杆和外管之间的密封。 
  订货须知: 一、①产品名称与型号②口径③是否带附件以便我们的为您正确选型④的使用压力⑤的使用介质的温度。 
 二、若已经由设计单位选定公司的型号,请按型号直接向我司销售部订购。三、当使用的场合非常重要或环境比较复杂时,请您尽量提供设计图纸和详细参数,由我们的阀门公司专家为您审核把关。如有疑问:请:我们一定会尽心尽力为您提供优质的服务。提供全面、*的“阀门系统解决方案",也十分愿意帮助用户解决生产中所遇到的难题。 
- 
- 留 言- 联系人:申弘阀门
- 电 话:021-59260058
- 手 机:15901754341
- 传 真:86-021-31662735
- 邮 箱:494522509@qq.com
- 邮 编:201718
- 地 址:上海市青浦区金泽工业园区
- 网 址:	      https://bengye.cn.goepe.com/	      	        
 http://www.021-fm.com
 
- 
产品搜索









 
														 
														 
														 
														 
														 
														 
														 
														 
														 
														 
														