-
Y45H双阀座杠杆式蒸汽减压阀申弘
详细信息| 询价留言Y45H双阀座杠杆式蒸汽减压阀 产品说明
现有的减压阀的流道存在喉部流速较高(可达300 500m/s),蒸汽对流道的冲刷较严重,也易出现卡阻现象,*终降低了减压阀的安全可靠性。因此,现有的减压阀对于一些要求严格的高温高压或高温超高压的工况,还不能满足该工况对减压阀安全可靠性的要求。综上所述,如何提供一种减压阀,以提高其安全可靠性,进而满足要求较严格的高温高压或高温超高压工况对减压阀安全可靠性的要求,是目前本领域技术人员亟待解决的问题。

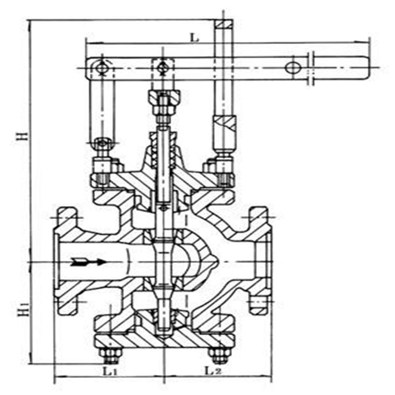
主要由阀体、阀座、阀瓣等零件组成,采用双阀座、双缀体阀瓣的结构。杠杆式蒸汽减压阀采用压力平衡式阀瓣、升降调节。其调节机构采用杠杆式,杠杆式蒸汽减压阀可配用DKJ型或其他型角行程电动执行器,实现遥控和自动控制,杠杆式减压阀采用德国先进技术标准制造生产。
双阀座蒸汽减压阀是气动调节阀的一个必备配件,主要作用是将气源的压力减压并稳定到一个定值,以便于调节阀能够获得稳定的气源动力用于调节控制。
按结构形式可分为膜片式、弹簧薄膜式、活塞式、杠杆式和波纹管式;按阀座数目可人为单座式和双座式;按阀瓣的位置不同可分为正作用式和反作用式
双阀座蒸汽减压阀的工作由阀后压力进行控制。当压力感应器检测到阀门压力指示升高时,减压阀阀门开度减小;当检测到减压阀后压力减小,减压阀阀门开度增大,以满足控制要求。
双阀座蒸汽减压阀——该阀门的减压比必须在一定程度上高于系统值; 即使在*大或者*小流量时它也应该能够对正作用或者反作用控制信号做出响应。这些阀门应该针对有用控制范围选择,即*大流量的20%到80%。正常为等比型或者具有等比特性。这些类型的阀门本身具有比例控制所要求的*佳流量特性及流量范围。
减压阀的种类很多,常见的有:先导活塞式减压阀、薄膜式减压阀、波纹管式减压阀、比例式减压阀、自力式减压阀、直接作用活塞式减压阀、背压调节阀等等。它们分别适用于不同的工作介质。
不同的形式有不同的具体工作原理。但总的原理还是:减压阀是通过启闭件的节流,将进口压力减至某一需要的出口压力,并使出口压力保持稳定。但一般减压阀都要求进出口压差必须≥0.2Mpa。
调压比该蒸汽减压阀的减压比用到0.6较为合适。
适用范围该蒸汽减压阀主要用于蒸汽管路,调节压力。广泛应用在热电联产、轻纺、印染、石化、制糖等行业。

但是,现有的减压阀只是上阀盖采用压力自紧密封,下阀盖采用普通的法兰垫片密封形式,使得下阀盖的密封性能较低,使得在减压阀在高温高压或高温超高压的工况下,密封效果不好,会导致泄漏,使其安全可靠性降低。另外,现有用于高温高压或高温超高压的工况下的减压阀大多双座减压阀的阀体通过铸造制得,使得阀体材料因高温高压或高温超高压蒸汽冲刷而产生的交变应力较大,一定程度上降低了减压阀的耐压能力,使得减压阀的安全可靠性较低,使用寿命也较短。

Y45H双阀座杠杆式蒸汽减压阀主要零件材料
零件名称
零件材料 阀体、阀盖、底盖
WCB
阀座
304
阀瓣
2Cr13
阀杆
2Cr13
垫片
柔性石墨/1Cr18Ni9
导向套
2Cr13
填料
柔性石墨
螺栓
35CrMoA
螺母
45
三、杠杆式蒸汽减压阀主要技术参数及性能指标公称压力(Mpa)
1.6
2.5
4.0
6.4
10.0
16.0
壳体试验压力(Mpa)* 2.4
3.75
6.0
9.6
15.0
24
密封试验压力(Mpa) 1.6
2.5
4.4
7.04
11
17.6
*高进口压力(Mpa) 1.6
2.5
4.0
6.4
10.0
16.0
出口压力范围(Mpa) *佳减压比0.6
温度-压力等级 ANSI B16.34
渗漏量 0.5%QMax
四、杠杆式蒸汽减压阀流量系数DN
50
65
80
100
125
150
200
250
300
350
400
500
Cv 20
25
50
60
70
110
150
230
420
540
710
1020

五、杠杆式减压阀主要外形尺寸(PN1.6-4.0)公称通径DN
外 形 尺 寸 L L1 H Hl 50
300
150
520
190
65
340
170
540
205
80
380
190
550
215
100
400
215
580
240
125
430
225
620
275
150
450
230
650
320
200
500
260
790
340
250
550
285
850
370
300
750
395
940
460
350
850
445
990
530
400
950
550
1120
660
500
1130
680
1660
800

六、杠杆式蒸汽减压阀主要外形尺寸(PN6.4-10.0)公称通径DN
外 形 尺 寸 L L1 H Hl 50
300
150
520
200
65
340
170
540
215
80
380
190
550
225
100
400
215
580
250
125
430
225
620
285
150
450
230
650
330
200
500
260
790
355
250
550
285
850
390
300
750
395
940
480
350
850
445
990
550
400
950
550
1120
700
500
1130
680
1660
820

主要由阀体、阀座阀瓣等零件组成。采用双阀座,双锥体交换机瓣的结构。采用压力平衡式瓣、升降调节。其调节机构采用杠杆式,可配用DKJ型或其它型角行程电动执行器,实现遥控和自动控制。本系列产品的减故比用到0.6较为合适。本产品主要用于蒸汽管路,调节压力。广泛应用在热电联产、轻纺、印染、石化、制糖等行业。

Y45H双阀座杠杆式蒸汽减压阀操作须知
警告 (1)不许用裸手直接接触阀体,否则可能造成烫伤。
注意 (1)在操作前,应首先关闭减压阀前截断阀,并利用旁路去除全部异物和铁锈,否则可能造成减压阀故障,无法正常工作。
(2) 通过旁路管线的二次侧压力必须低于设定压力。否则由于通过旁路管线的二次侧压力高于设定压力,引起安全阀起跳。
(3) 当调整压力时,慢慢地轻动调整螺丝,不当的调整操作可能行成水击或砰砰作响声等,对减压阀或其他设备造成损坏。
(4) 管线中的凝结水要完全排除,当长时间不用时,应关闭减压阀前后的截止阀。(管路中产生的铁锈可能造成故障)
(5) 对于带手柄的型号,确实需要进行手动操作时,应首先按下手柄,再进行转动调整;此时,不可用力过大或转动过快,以免损坏手柄。

订货须知:
一、①产品名称与型号②口径③是否带附件以便我们的为您正确选型④的使用压力⑤的使用介质的温度。
二、若已经由设计单位选定公司的型号,请按型号直接向我司销售部订购。三、当使用的场合非常重要或环境比较复杂时,请您尽量提供设计图纸和详细参数,由我们的阀门公司专家为您审核把关。如有疑问:请:我们一定会尽心尽力为您提供优质的服务。提供全面、*的“阀门系统解决方案",也十分愿意帮助用户解决生产中所遇到的难题。
-
联系方式
- 联系人:申弘阀门
- 电 话:021-59260058
- 手 机:15901754341
- 传 真:86-021-31662735
- 邮 箱:494522509@qq.com
- 邮 编:201718
- 地 址:上海市青浦区金泽工业园区
- 网 址: https://bengye.cn.goepe.com/
http://www.021-fm.com
-
产品搜索




