-
500X持压泄压阀申弘
详细信息| 询价留言500X持压泄压阀 产品说明
持压泄压阀,从字面上不难理解为保持压力稳定或者泄放超压力,在国内一般称之为500X。500X泄压阀由主阀、泄压/持压导阀针阀、球阀、微形过滤器和压力表组成水力控制接管系统。利用水力自动操作,即可以作泄压阀用又可作持压阀用。作泄压阀用时,可维持供水路压力在设定的安全值之下;做持压阀用,可维持主阀上游水压在设定值之上,保持主阀上游供水压力。500X泄压阀利用水力自力控制,不需要其它装置和能源,保养简便,一阀多用。本系列500X泄压阀产品广泛用于高层建筑、生活区等供水管网系统及城市供水工程。500X泄压阀王要用于消防或其他供水系统中,以防止系统超压或维持消防供水系统的压力。消防泵关闭后还可以减小水锤的冲击。也用于大型供水系统的水锤消除装置.并且阀门控制系统的进口处装有一个自清洁滤网,利用流体特性,使比重较大、直径较大的悬浮颗粒不会进入控制系统.确保系统循环畅通无阻,使阀门能安全可靠地运行。系统动作平稳、强度高、使用寿命长适用于600口径以下的管道。

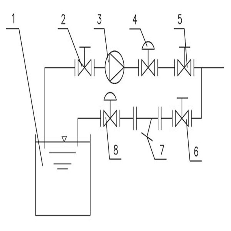
二、我们来结合下有名的持压泄压阀产品,分析下进口500X持压泄压阀的工作原理:
(1)、作泄压阀:当泄压/持压导阀调整为泄压状态时,水通过针阀、主阀控制室、球阀A、泄压/持压导阀、球阀B流向出口,此时主阀处于开启状态。当进口压力超过泄压/持压导阀设定的安全值时,泄压导阀会自动开启,通过球阀C放出部分水,使管路泄压。当压力恢复到安全值时,泄压阀自动关闭。作泄压阀时,各球阀常开。
(2)、作持压阀:当泄压/持压导阀调整为持压状态时,只要主阀进口水压低于导阀设定值,导阀即关闭。主要控制室升压,主阀关闭。当主阀上游供水压力超过导阀设定压力时,持压导阀才能打开,控制室的水经球阀排至出口,控制室降压主阀开启,开始供水,即保持了上游水压。作持压阀用时,球阀C常闭或用丝堵换下。

500X持压泄压阀压力参数
公称通径 DN40-DN600 公称压力 1.0Mpa 1.6Mpa 2.5Mpa 适用温度 0℃~80℃ 壳体试验压力 1.5Mpa 2.4Mpa 3.75Mpa 密封试验压力 1.1Mpa 1.76Mpa 2.75Mpa 较低动作压力 P1≥0.07MPa 结构长度标准 Q/BYL-2002 法兰长度标准 GB/T 17241.6 试验压力标准 GB/T 13927;AP1598 安全泄压阀500X部件材质: 阀体 灰铸铁/球墨铸铁/铸钢/不锈钢 阀盖 灰铸铁/球墨铸铁/铸钢/不锈钢 弹簧 弹簧钢/不锈钢 阀杆 2Cr13 膜片 丁腈尼龙强化橡胶/三元乙丙尼龙强化橡胶 阀座 铜合金/不锈钢 阀盘 灰铸铁/球墨铸铁/铸钢/不锈钢/铜 膜片压板 灰铸铁/球墨铸铁/铸钢/不锈钢 O型密封圈 丁腈橡胶/三元乙丙橡胶 O型圈压板 灰铸铁/球墨铸铁/铸钢/不锈钢 500X持压泄压阀外形尺寸
DN L F1 F H1 H 40 200 140 343 516 610 50 203 140 343 516 610 65 213 140 355 520 625 80 241 145 360 537 642 100 272 155 400 596 750 125 300 165 420 653 808 150 333 180 435 709 864 200 400 205 480 805 1135 250 480 225 530 855 1185 300 550 245 575 953 1325 350 620 275 620 990 1385 400 685 285 668 1030 1445 450 750 285 668 1030 1445 500 810 410 780 1750 1110 600 935 456 888 1850 1286 在了解了500X持压泄压阀的产品特征和原理后,选择合适的产品,还要能正确的安装和使用,以下根据有名水力控制阀的说明书来编制以下说明:
持压泄压阀主要安装于泄水旁路,可保证主阀上游于导阀设定安全值以下,500X持压泄压阀防止管路高压或突然高压对管路及设备的损坏。500X持压泄压阀被设计或设置为打开以预定的设定压力,以保护压力容器等设备不会受到超过其设计极限压力。500X持压泄压阀主要安装于泄水旁路,可保证主阀上游于导阀设定安全值以下,防止管路高压或突然高压对管路及设备的损坏。
1.持压主要是保证主阀上游低供水压力,使用于维护城市干管低(灭火)供水压力,防止支管用户过度抽水。
2.泄压主要安装于泄水旁路,可保证主阀上游于导阀设定安全值以下,防止管路高压或突然高压对管路及设备的损坏。

500X持压泄压阀是在系统的线路和设备用于防止压力过大自动阀门。当系统压力超过前面设定的,由阀弹簧的力时,阀盘抬离其阀座,从而允许一些系统流体介质通过阀出口流出,直到系统压力降低到刚好低于阀的溢流设定点压力。弹簧然后重新落坐阀门。500X持压泄压阀当设定压力被超过,则溢流阀成为阻力小的路径作为阀被强制打开,并且流体的一部分通过辅助路线泄出。
一、进口持压泄压阀调整为持压阀时:当主阀上游压力低于导阀12调定值时,导阀关小使得主阀膜片上表面压力增加,主阀关小或关闭;当主阀上游压力上升时,导阀开度增加,使得主阀膜片上表面压力减小,主阀开度加大。
二、持压泄压阀调整为泄压阀时:当主阀上游压力低于导阀12设定值时,导阀关闭,上游压力通过针阀传递给膜片上方,使主阀维持关闭;当上游压力突然上升超过导阀设定值时,导阀开启,排放膜片上部的压力水,使主阀迅速开启,大量泄水降压,直至导阀设定值以下,才缓慢关闭,不会产生二次水锤。
三、持压泄压阀导阀出厂设定压力值不适合现场要求,可做如下调整:先松开导阀手轮下的锁紧螺母,然后顺时针拧动导阀手轮为增加压力,反之为降低压力,调好侯锁好锁紧螺母。
500X压持压阀。用于给水,空调,消防管道系统。介质为水,温度≤80℃。用来稳定阀前管道压力,当阀前压力超压时,主阀开启排水,管道压力下降到设定值以下时,主阀关闭。可以通过导阀调节螺钉来设定压力值。500X泄压持压阀由主阀,导阀,针阀、球阀、和压力表等零件组成。
500X持压泄压阀工作原理:
首先要设定好主阀开启压力。松开导阀防松螺母,顺时针转动导阀螺钉,螺钉向下动作。调节弹簧被压缩,施加一定推力到导阀芯。这时主阀开启压力升高。逆时针转动导阀调节螺钉,弹簧压力释放,作用在导阀芯上推力减少,这时主阀开启压力降低。通过压力表可以观察主阀前管道压力值。设定好后,拧紧防松螺母。当阀前压力升高时,导阀膜片下腔压力也随之升高。超过设定值后,膜片带动导阀芯向上动作,导阀开启,主阀膜片上腔水排出。压力下降,主阀芯在膜片上下腔压力差作用下开启,主阀开始排水,管道压力开始下降。
导阀膜片下方压力也随之降低,当压力降低到设定值以下时。在调节弹簧作用下。导阀芯关闭。主阀膜片上腔压力逐渐升高,由于主阀膜片面积大于主阀芯面积,在膜片上下腔压力差作用下。主阀芯关闭。主阀停止排水。

总结:
一、 设定开启压力时,应逐渐升高阀前压力。使其在设定值开启。并记录压力表数值,然后继续升高进口压力。使主阀保持全开启排放状态(即主阀排出流量不再增加)。记录主阀的排放压力。然后再逐渐降低进口压力,直至主阀关闭,记录阀门的回座压力。
二、 重复调整两次以上,直到主阀开启压力,排放压力。回座压力都稳定为止。
三、 当需要手动泄压时。可以开启主阀盖上的泄压球阀,这时主阀膜片上腔压力下降。主阀随之开启泄压,泄压球阀出口应该接管到排水沟渠。
四、 主阀开启压力差,在P<0.5MPa时,偏差值±0.02MPa。P≥0.5MPa时,偏差值±0.04MPa。
订货须知:
一、①产品名称与型号②口径③是否带附件以便我们的为您正确选型④使用压力⑤使用介质的温度。
二、若已经由设计单位选定公司的型号,请型号直接向我司销售部订购。三、当使用的场合非常重要或环境比较复杂时,请您尽量提供设计图纸和详细参数,由我们的阀门公司专家为您审核把关。如有疑问:请:我们一定会尽心尽力为您提供优质的服务。提供全面“阀门系统解决方案",也十分愿意帮助用户解决生产中所遇到的难题。
-
联系方式
- 联系人:申弘阀门
- 电 话:021-59260058
- 手 机:15901754341
- 传 真:86-021-31662735
- 邮 箱:494522509@qq.com
- 邮 编:201718
- 地 址:上海市青浦区金泽工业园区
- 网 址: https://bengye.cn.goepe.com/
http://www.021-fm.com
-
产品搜索







