-
J44H角式燃气截止阀申弘
详细信息| 询价留言J44H角式燃气截止阀 产品说明
启闭件是塞形的阀瓣,密封面呈平面或锥面,阀瓣沿流体的中心线作直线运动。阀杆的运动形式,有升降杆(阀杆升降,手轮不升降),也有升降旋转杆式(手轮与阀杆一起旋转升降,螺母设在阀体上)。J44H/J44Y截止阀只适用于全开和全关,不允许作调节和节流.截止阀属于强制密封式阀门,所以在阀门关闭时,必须向阀瓣施加压力,以强制密封面不泄漏。当介质下方进入阀门时,操作力所需克服的阻力,是阀杆和填料的摩擦力与由介质的压力所产生的推力,关阀门的力比开阀门的大,所以阀杆的直径要大,否则会发生阀杆顶弯的故障。近年来,从自密封的阀门出现以后,截止阀的介质流向就改由阀瓣上进入阀腔,这时,在介质压力作用下,关阀门的力小,而开阀门的力大,阀杆的直径可以相应地减小。同时,在介质作用下,这种形式的阀门也较严密。

天然气截止阀是气体阀门的一种,也可称为液化气阀(液化气阀)。本产品耐压耐腐蚀。用于城市液化石油气储气站,以及炼油厂、石油化工厂、石油化工厂的液化石油气系统,作为控制介质切断的启闭装置。
J44H角式燃气截止阀 特征而创新设计制造的产品:
1.采用弹性V形聚或橡胶作为动密封填料,由填料盖、不锈钢弹簧提供初始密封填料密封随介质压力上升而增强。即具有自密封无需人工维护。
2.当阀门外部失火时软密封材料被高温烧毁,其金属密封仍能保证阀门紧闭密封,从而形成了软硬双重密封结构密封好。
3.防静电结构:当阀门的内密封体旋转摩擦产生静电时,利用一个导电装置和大地连通从而避免静电导致天然气火灾。
4.防火结构:当软密封材料被烧坏后金属密封面仍能保持密封避免火灾扩大。J44H角式燃气截止阀 结构优点:
1.天然气切断阀是在严格的质量控制体系下完成的。截止阀关闭时,启闭部分与阀座完全一致,实现零泄漏。
2.天然气切断阀的阀杆表面经过回火氮化处理,具有良好的防腐减摩性能,降低了切断阀开关的扭矩。
3.天然气截止阀的阀座采用特殊结构,减少了流体阻力,保证了可靠的密封。
4.启闭容易,密封性能好。
5.阀杆的耐磨性和耐能量攻击性:填料腔中加入了PTFE(14号),使阀杆不会与填料腔发生摩擦,延长了阀杆的使用寿命。
6.开启时,将阀杆提升到*高点,使填料和上密封同时起密封作用。关闭时,关闭力不能过大,以免损坏密封
J44H角式法兰截止阀--主要性能规范:
设计制造标准:GB/T 12233、GB/T 12235
结构长度标准:GB/T 12221-2005
连接法兰标准:GB/T 9113
压力温度等级:GB/T 12224-2005
试验检验标准:GB/T 13927-2008
J44H角式燃气截止阀 --技术参数:
设计与制造符合中国国家标准
1、基本结构形式:角式
2、公称压力:PN1.6-4.0(MPa)
3、公称通径:DN15-300(mm)
J44H角式燃气截止阀 应用规范
遵循规范
STANDARD
设计与制造
GB12233/GB 12235
结构长度
GB 12221/JB96(长系列)
结构长度
GB78/JB79(GB、HG、SH)
压力试验
GB/T 13927
标志
GB 12220
供货
GB/T12252
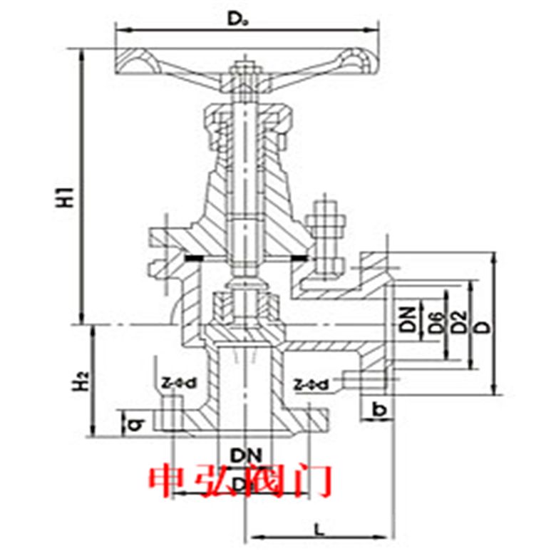
三、J44H角式燃气截止阀 1.6MPa主要连接尺寸
DN
in
L
D
D1
D2
f
b
z-φd
Do
H1
H2
W
15
1/2
65/90
95
65
45
2
14
4-φ14
100
240
265
7
20
3/4
75/95
105
75
55
2
16
4-φ14
100
245
270
7.5
25
1
80/100
115
85
65
2
16
4-φ14
120
250
275
8.5
32
21/4
95/105
135
100
78
2
18
4-φ18
140
260
290
12
40
21/2
100/115
145
110
85
2
18
4-φ18
140
290
325
14
50
2
115/125
160
125
100
2
20
4-φ18
160
300
335
19
65
21/2
145
180
145
120
2
20
4-φ18
180
355
400
27
80
3
155
195
160
135
2
22
4-φ18
240
400
450
42
100
4
175
215
180
155
2
24
8-φ18
240
455
495
50
125
5
200
245
210
185
2
26
8-φ18
280
530
560
64
150
6
240/225
280
240
210
2
28
8-φ23
320
605
650
85
200
8
275
335
295
265
2
30
8-φ23
360
650
770
155
四、J44H角式燃气截止阀 2.5MPa主要连接尺寸
DN
in
L
D
D1
D2
f
b
z-φd
Do
H1
H2
W
15
1/2
65/90
95
65
45
2
16
4-φ14
120
245
270
7.5
20
3/4
75/95
105
75
55
2
16
4-φ14
120
250
275
8.8
25
1
80/100
115
85
65
2
16
4-φ14
140
260
290
11
32
21/4
95/105
135
100
78
2
18
4-φ18
140
290
325
13
40
21/2
100/115
145
110
85
3
18
4-φ18
160
300
335
18
50
2
115/125
160
125
100
3
20
4-φ18
180
355
400
31
65
21/2
145
180
145
120
3
22
8-φ18
220
400
450
39
80
3
155
195
160
135
3
22
8-φ18
280
450
495
50
100
4
175
230
190
160
3
24
8-φ23
320
530
590
60
125
5
200
270
220
188
3
28
8-φ25
380
600
650
75
150
6
240/225
300
250
218
3
30
8-φ25
400
650
770
98
200
8
275
360
310
278
3
34
12-φ23
450
700
850
17
1.角式截止阀手轮、手柄操作的截止阀可安装在管道的任何位置上。
2.角式截止阀的手轮、手柄及传动机构,不允许作起吊用。
3.角式截止阀介质的流向应与阀体所示箭头方向一致。
订货须知:
一、①产品名称与型号②口径③是否带附件以便我们的为您正确选型④的使用压力⑤的使用介质的温度。
二、若已经由设计单位选定公司的型号,请按型号直接向我司销售部订购。三、当使用的场合非常重要或环境比较复杂时,请您尽量提供设计图纸和详细参数,由我们的阀门公司专家为您审核把关。如有疑问:请:我们一定会尽心尽力为您提供优质的服务。提供全面“阀门系统解决方案",也十分愿意帮助用户解决生产中所遇到的难题。
-
联系方式
- 联系人:申弘阀门
- 电 话:021-59260058
- 手 机:15901754341
- 传 真:86-021-31662735
- 邮 箱:494522509@qq.com
- 邮 编:201718
- 地 址:上海市青浦区金泽工业园区
- 网 址: https://bengye.cn.goepe.com/
http://www.021-fm.com
-
产品搜索








