-
LJ44H高压液化气角式截止节流阀 申弘
详细信息| 询价留言LJ44H高压液化气角式截止节流阀 产品说明
高压角式截止节流阀是特殊工况场合使用的一种强制密封式截断节流阀门。广泛应用于火电厂、核电站、石油、化工、制药、化肥等系统的高压、高温管路上,其适用介质主要为:水、油品、蒸汽、氮氢混合气碱液和液氨等。它之所以广受欢迎,是因为该种阀的法兰结构中心线成90℃直角设计,在高压角式截止节流阀中,流体只需改变一次方向,以致于通过此类阀门的压力降比常规结构的截止节流阀小。
该类阀结构简单、操作灵活、耐温耐压、装换方便。在开启过程中,密封面之间摩擦力小、阀门行程小、制造和维修方便,但是,由于阀芯、套筒与阀座长时间受冲刷,容易受到冲蚀,阀门使用寿命较短,同时,还存在着调节精度不高,节流效果不够明显,密封面易冲蚀,密封面极易损坏,阀门使用寿命短,维修、更换频繁,严重影响系统的正常运行。

以上所述仅为本实用新型的优选实施例而已,并不用于限制本实用新型,对于本领域的技术人员来说,本实用新型可以有各种更改和变化。凡在本发明的精神和原则之内,所作的任何修改、等同替换、改进等,均包含在本实用新型的保护范围之内。
启闭件是圆柱形的阀瓣,密封面呈平面或锥面,阀瓣沿流体的中心线作直线运动。高压角式节流阀允许作调节和节流。公称压力16.0MPa-32.0MPa,工作温度-29~550℃的石油、化工、制药、化肥、电力行业等各种工况的管路上,切断或接通管路介质。驱动方式有手动、齿轮传动、电动、气动等。

LJ44H高压液化气角式截止节流阀 产品特点
1、结构简单,制造和维修比较方便
2、工作行程小,启闭时间短
LJ44H高压液化气角式截止节流阀 技术参数
产品名称
高压角式截止阀
产品型号
L44Y
公称通径
DN10-50
公称压力
16.0-32.0Mpa
适用介质
水、油品、蒸汽
公司名称
上海申弘阀门有限公司
产品介绍
高压角式截止阀的启闭件是塞形的阀瓣,密封面呈平面或锥面,阀瓣沿流体的中心线作直线运动。阀杆的运动形式,有升降杆式(阀杆升降,手轮不升降),也有升降旋转杆式(手轮与阀杆一起旋转升降,螺母设在阀体上)。截止阀只适用于全开和全关,不允许作调节和节流。
LJ44H高压液化气角式截止节流阀 设计与制造标准
设计与制造:
GB12233
法兰尺寸:
GB9113
结构长度:
GB12221
检验与实验:
GB/T13927
高压角式截止阀 性能
公称压力
16
32
Mpa
壳体试验
24
48
密封试验
17.6
35.2
气密封试验
0.5-0.7
适用介质
C
P
R
水、油品、蒸汽
氮氢混合气
碱液、液氨
适用温度(℃)
≤200

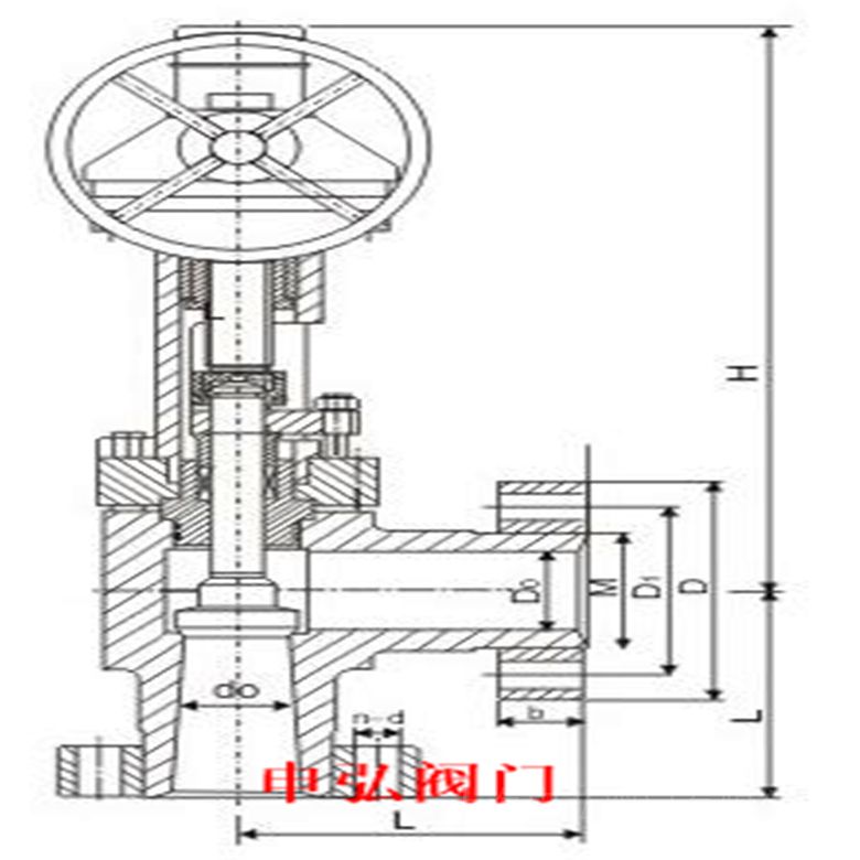
LJ44H高压液化气角式截止节流阀 外形尺寸型 号 通径
DN(mm)主要连接尺寸 外形尺寸 L D D1 M D2 b Z-фd LO H H1 J44H-320
L44H-3203 60 70 42 M14×1.5 10 15 3-16 100 71 77 6 60 70 42 M14×1.5 10 15 3-16 150 80 94 J44Y-160
L44Y-16010 90 95 60 M24×2 10 20 3-18 200 260 275 15 105 95 60 M24×2 16 20 3-18 200 268 288 J44Y-320
L44Y-32010 90 95 60 M24×2 10 20 3-18 200 268 275 15 105 105 68 M33×2 17 20 3-18 200 268 288 J44Y-160
L44Y-16025 120 102 68 M33×2 28 20 3-18 300 225 245 32 135 115 80 M42×2 37 22 4-18 300 222 248 40 165 165 115 M52×2 47 28 6-26 350 265 300 50 190 165 115 M64×3 59 32 6-26 400 303 345 J44Y-320
L44Y-32025 120 115 80 M42×2 35 22 4-18 300 225 245 32 135 135 95 M48×2 41 25 4-22 300 222 248 40 165 165 115 M64×3 58 32 6-26 350 265 300 50 190 200 145 M80×3 70 40 6-29 400 303 345 J44H-160
L44H-16065 215 200 145 M80×3 73 40 6-29 710 430 490 80 260 225 170 M100×3 93 50 6-33 810 520 600 100 290 260 195 M125×4 115 60 6-36 850 595 685 J44H-320
L44H-32065 215 225 170 M100×3 90 50 6-33 710 430 490 80 260 260 195 M125×4 112 60 6-36 810 520 600 100 290 300 235 M155×4 130 75 8-39 850 595 285

本实用新型公开了角式高压双作用节流截止阀,涉及阀门领域,包括阀座、阀体、阀芯、阀盖和手轮,阀体上设进口端和出口端,所述阀体与阀盖通过螺栓相连接,阀座安装在阀体内与阀芯相对应,阀体中设有阀芯套筒,阀芯套筒与阀盖和阀座相接触,阀芯与阀杆相连接,且在阀杆带动下沿阀芯套筒上下移动,所述阀芯、阀座、阀芯套筒受冲刷部分材质为碳化钨,所述阀芯套筒设计为上下两段,阀芯套筒为下端材质为碳化钨,上端材质为不锈钢材料的阀芯套筒,本实用新型提高了阀门的耐冲刷性,增加了阀门的密封性且提高了阀门的使用寿命。提高了阀门的使用寿命。提高了阀门的使用寿命。截止阀安装的质量、直接影响着使用,所以必须认真注意以下几点:
(一)LJ44H高压液化气角式截止节流阀 方向和位置:
1.截止阀安装时要注意流体方向,截止阀具有方向性,如果装倒装反,就会影响使用效果与寿命。应使管路流体由下向上流过阀座口,及所谓低进高出,目的是减少流体阻力,使开启省力和关闭状态下阀杆、填料涵部分不与介质接触,保证阀杆和填料涵不致损坏和泄漏。那么是否截止阀都是低进高出呢? 对于平衡型截止阀用高进低出,不平衡型截止阀用低进高出。 可能是以前国内制造水平不高,大部分都是不平衡型截止阀,结果都是低进高出。所以会有截止阀是低进高出的结论。进口截止阀高进低出的没有使用过.不过一般国产截止阀和部门进口阀都是低进高出,这样使用有一个好处,就是一般进口端压力较高或温度较高,当关闭截止阀时,出口端可以排空,这样便于对截止阀的填料处进行更换,如果高进低出,如填料处漏了,可能维修起来不容易;
2.截止阀的阀腔左右不对称,流体要让其由下而上通过阀口,这样流体阻力小(由形状所决定),开启省力(因介质压力向上),关闭后介质不压填料,便于检修。这就是截止阀为什么不可安反的道理。其它截止阀也有各自的特性;
3.截止阀安装的位置,必须方便于操作;即使安装暂时困难些,也要为操作人员的长期工作着想。*好截止阀手轮与胸口取齐(一般离操作地坪1.2米),这样,开闭截止阀比较省劲。落地截止阀手轮要朝上,不要倾斜,以免操作别扭。靠墙机靠设备的截止阀,也要留出操作人员站立余地。要避免仰天操作,尤其是酸碱、有毒介质等,否则很不安全。
(二)LJ44H高压液化气角式截止节流阀 施工作业:
1.安装施工必须小心,切忌撞击脆性材料制作的截止阀;
2.安装前,应将截止阀作一检查,核对规格型号,鉴定有无损坏,尤其对于阀杆。还要转动几下,看是否歪斜,因为运输过程中,*易撞歪阀杆。还要清除阀内的杂物;
3.截止阀起吊时,绳子不要系在手轮或阀杆上,以免损坏这些部件,应该系在法兰上;
4.对于截止阀所连接的管路,一定要清扫干净。可用压缩空气吹去氧化铁屑、泥砂、焊渣和其他杂物。这些杂物,不但容易擦伤截止阀的密封面,其中大颗粒杂物(如焊渣),还能堵死小截止阀,使其失效。
(三)LJ44H高压液化气角式截止节流阀 填料更换:
1.库存截止阀,有的填料已不好使,有的与使用介质不符,这就需要更换填料;
2.阀门制造厂无法考虑使用单位千门万类的不同介质,填料函内总是装填普通盘根,但使用时,必须让填料与介质相适应。;
3.在更换填料时,要一圈一圈地压入。每圈接缝以45度为宜,圈与圈接缝错开180度。填料高度要考虑压盖继续压紧的余地,现时又要让压盖下部压填料室适当深度,此深度一般可为填料室总深度的10-20%;
4.对于要求高的截止阀,接缝角度为30度。圈与圈之间接缝错开120度;
5.除上述填料之处,还可根据具体情况,采用橡胶O形环(天然橡胶耐60摄氏度以下弱碱,丁睛橡胶耐80摄氏度以下油品,氟橡胶耐150摄氏度以下多种腐蚀介质)三件叠式聚四氟乙烯圈(耐200摄氏度以下强腐蚀介质)尼龙碗状圈(耐120摄氏度以下氨、碱)等成形填料。在普通石棉盘根外面,包一层聚四氟乙烯生料带,能提高密封效果,减轻阀杆的电化学腐蚀;
6.在压紧填料时,要同时转动阀杆,以保持四周均匀,并防止太死,拧紧压盖要用力均匀,不可倾斜。
(四)LJ44H高压液化气角式截止节流阀 注意:
1、手轮、手柄操作的截止阀可安装在管道的任何位置上;
2、手轮、手柄及伟动机构,不允许作起吊用;
订货须知:
一、①产品名称与型号②口径③是否带附件以便我们的为您正确选型④使用压力⑤用介质的温度。
二、若已经由设计单位选定公司的型号,请型号直接向我司销售部订购。三、当使用的场合非常重要或环境比较复杂时,请您尽量提供设计图纸和详细参数,由我们的阀门公司专家为您审核把关。如有疑问:请:我们一定会尽心尽力为您提供优质的服务。提供全面“阀门系统解决方案”,也十分愿意帮助用户解决生产中所遇到的难题。
-
联系方式
- 联系人:申弘阀门
- 电 话:021-59260058
- 手 机:15901754341
- 传 真:86-021-31662735
- 邮 箱:494522509@qq.com
- 邮 编:201718
- 地 址:上海市青浦区金泽工业园区
- 网 址: https://bengye.cn.goepe.com/
http://www.021-fm.com
-
产品搜索







