-
DJ61F不锈钢低温短轴焊接型截止阀申弘
详细信息| 询价留言一.DJ61F不锈钢低温短轴焊接型截止阀概述:
此类型专用截止阀门主要用于液氧(液氮、液氩)等低温 液态介质系统上,具有开关灵活、密封可靠、耐压等特点。 本实用新型主阀体上弧形加强部以及第二弧形加强部的设计大大提高了拐角的强度,能够避免连接环和第三连接环之间的部位以及连接环和第三连接环之间的部位受高压或弯曲应力产生裂纹。低温短轴截止阀主要用在-40℃~+80℃的低温和深冷介质的管道上,作流体的开关和截断之用。其由不锈钢阀体,压盖,丝杆,手轮,螺帽密封垫组合而成。阀体及所有配件均低温处理。低进高出的流道设计,将手轮逆时针旋转,带动阀杆与阀瓣向上运动,密封件离开阀座,阀门开启;将手轮顺时针旋转,带动阀杆与阀瓣向下运动,密封件压紧阀座,阀门关闭。
DJ61F不锈钢低温短轴焊接型截止阀结构特点:
1、低温短轴截止阀的阀杆应设计为防吹出结构。低温工况频繁操作的阀门,其内件应能避免引起卡阻、咬合和擦伤等。低温阀阀体在满足强度要求时,对不同壁厚的阀体连接应逐渐过渡,避免壁厚突变引起应力集中。壁厚设计不当会引起焊接裂纹。
2、低温短轴截止阀的阀盖设计成便于保冷的加长结构。阀盖的长颈部分可采用与本体材质相同的无缝钢管对焊到阀盖和填料箱上,焊后应进行热处理以消除应力。阀杆与长颈部分的间隙应按尽可能小的对流热损失设计,但间隙对填料函温度影响很小,阀盖长度和阀径厚度是影响填料函温度的主要因素。加长阀盖下部焊接滴水盘,可防止冷凝水进入保冷层,避免或减少保温层下腐蚀。
低温短轴截止阀性能特点:
1、结构简单,制造和维修比较方便;
2、工作行程小,启闭时间短;
3、密封性好,密封面间摩擦力小,寿命较长。
二.DJ61F不锈钢低温短轴焊接型截止阀规范:
公称通径:DN 10~40mm
公称压力:PN 4.0MPa
适用介质:LO2、LN2、LAR、LNG等
适用温度:-196℃-+80℃三DJ61F不锈钢低温短轴焊接型截止阀.材质:
阀体:不锈钢
阀瓣、阀盖:铜
阀杆:不锈钢
填料、密封垫圈:聚四氟乙烯DJ61F不锈钢低温短轴焊接型截止阀主要零部件材料:
阀体 ZG0Cr18Ni9 阀座、阀瓣 HPb59-1/0Cr18Ni9 阀杆 0Cr18Ni9 填料、密封圈 PTFE 延伸套管 0Cr18Ni9 公称通径 DN10-DN40mm 公称通径 PN4.0Mpa 适用介质 液氧、液氮、液化天然气、液态二氧化碳、液态丙烷等 适用温度 -40℃~+80℃
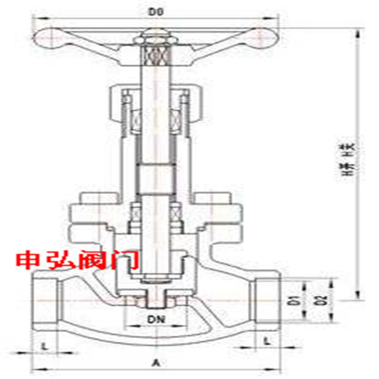
四.DJ61F不锈钢低温短轴焊接型截止阀外形与安装连接尺寸:产品型号
工厂代号
公称通径
外形与连接尺寸mm
重量
DN
L
dR
H/h
Kg
DJ61F-40P
DJ10P
10
70
14.2
238/231
1.3
DJ61F-40P
DJ15P
15
80
18.2
267/258
1.4
DJ61F-40P
DJ20P
20
90
25.2
302/292
3.1
DJ61F-40P
DJ25P
25
100
28.2
339/326
3.47
DJ61F-40P
DJ32P
32
110
38.2
390/372
3.5
DJ61F-40P
DJ40P
40
120
45.2
414/399
5.96

本实用新型将阀瓣的下部设计为上大下小的锥台形状,阀座上的斜面能够增大与阀瓣的接触面积,使二者在挤压配合时密封效果更好。DJ61F不锈钢低温短轴焊接型截止阀安装须知
宜采取手轮和阀盖轴线竖直向上安装形式。因安装空间局限时,手轮和阀盖轴线与垂直线*大允许偏差角度45°。在焊接前必须彻底清扫管道内的异物,反复确认管道内有无异物,然后再安装焊接。开袋后也可以直接就焊。(为防万一还是先确认焊接开口处的清洁状态为好,如需清扫,请先清扫后再焊接。)在进行焊接之前,请根据阀的材质、焊条的材质、电流、姿势等决定适当的条件后再作业。在焊接时不要使阀体过分受热,以防阀体变形。焊接时要使阀门处于开启状态,并用清洁的保护气体进行保护焊接。
注明:在配管时要充分考虑因低温流体所引起的阀门及管道收缩情况,不要增加阀门的受力负担。在管路排布及施焊工艺方面要安排合理,尽可能的防止空气进入阀门内部,以免当阀门流过低温流体时内部有冷凝水产生结冰现象而影响阀门动作及密封。在系统首次预冷后请检查螺栓螺母及填料压帽等紧固件的锁紧状况,如出现微量泄漏,系由材料遇冷收缩而引起的,可将上述紧固件在冷态下紧固。

DJ61F不锈钢低温短轴焊接型截止阀操作须知
用手转动手轮感觉到阀门已处于全关位置后,再稍微加点劲转动一下阀门即可关闭阀门。在这种情况下,如果还用力拧紧手轮或者使用加力杆等辅助工具的话,将会严重损伤密封垫片和阀座,造成阀门使用寿命短缩。此外,如果不用大力无法关紧阀门时,应考虑在阀座处发生了有杂物咬住等情况,故需要检修。请勿使用加力杆等辅助工具开关阀门。阀门预冷时,用手转动手轮感觉到阀门处于全开位置后再反转半圈到一圈,以避免材料低温收缩时对阀门部件产生损伤。
本实用新型阀座上具有厚度为0.3~1.0mm的耐磨涂层,能够提高阀座的耐磨性,进而降低阀座的磨损,保证阀座与阀瓣之间的密封本实用新型耐磨涂层采用碳化钨金属陶瓷复合材料,碳化钨金属陶瓷复合材料具有较高的耐磨强度,从而能够延长阀座的使用寿命。
订货须知:
一、①产品名称与型号②口径③是否带附件以便我们的为您正确选型④的使用压力⑤的使用介质的温度。
二、若已经由设计单位选定公司的型号,请按型号直接向我司销售部订购。三、当使用的场合非常重要或环境比较复杂时,请您尽量提供设计图纸和详细参数,由我们的阀门公司专家为您审核把关。如有疑问:请:我们一定会尽心尽力为您提供优质的服务。提供全面“阀门系统解决方案",也十分愿意帮助用户解决生产中所遇到的难题。
-
联系方式
- 联系人:申弘阀门
- 电 话:021-59260058
- 手 机:15901754341
- 传 真:86-021-31662735
- 邮 箱:494522509@qq.com
- 邮 编:201718
- 地 址:上海市青浦区金泽工业园区
- 网 址: https://bengye.cn.goepe.com/
http://www.021-fm.com
-
产品搜索






