-
J44H角式截止阀申弘
详细信息| 询价留言J44H角式截止阀 产品说明
是有阀体、阀盖、阀杆、柱塞、孔架、密环、手轮等零件组成。该阀进出口通道不在同一方向上而成90度直角,这种形式的柱塞阀,使通过阀门的介质改变流动方向,因此会产生一定的压力降。UZ44H角式柱塞阀的*大优点是可以把阀门安装在管路系统的拐角处,这样既节约了90o弯头,又便于操作。U44H角式柱塞阀的密封环采用硬密封,耐磨性高的硬质合金密封材料,具有经受长期高温,高压而不丧材质的性质而变形,所以密封性能可靠,经久耐用。保证了角式柱塞阀的密封性,杜绝了内泄漏,同时柱塞开启矩小,能实现阀门的迅速启闭。

U44H角式柱塞阀当手轮旋转时,通过阀杆带动柱塞在孔架中间上下往复运动来完成阀门的开启与关闭功能。由于柱塞阀的中柱塞与密封环间采用过盈配合。通过调节压盖中法兰螺栓,使密封环压缩所产生的侧向力与阀体中孔面积柱塞外圆密封。
工作情况如图示,芯轴的碰块接触阀体的一个挡块,自来水从阀体的进水口引进,流入阀体内腔,依次经过动阀片缺口、静阀片通孔、阀体出水口,实现过水。当需要关闭时,拧动手柄,转至芯轴的碰块接触阀体的另一个挡块,芯轴的拨爪拖动着动阀片同步转动,动阀片的各实体部分渐渐封堵静阀片的诸通孔,实现截止阀关闭。顺便说明一点,自来水充满阀体内腔后,会对动阀片形成压迫,使动、静阀片间不泄漏,这称之为自封作用。当需要再次开启时,与前述相反方向拧动手柄即可。
J44H角式截止阀是塞形的阀瓣,密封面呈平面或锥面,阀瓣沿流体的中心线作直线运动。阀杆的运动形式,有升降杆(阀杆升降,手轮不升降),也有升降旋转杆式(手轮与阀杆一起旋转升降,螺母设在阀体上)。截止阀只适用于全开和全关,不允许作调节和节流.截止阀属于强制密封式阀门,所以在阀门关闭时,必须向阀瓣施加压力,以强制密封面不泄漏。当介质下方进入阀门时,操作力所需克服的阻力,是阀杆和填料的摩擦力与由介质的压力所产生的推力,关阀门的力比开阀门的大,所以阀杆的直径要大,否则会发生阀杆顶弯的故障。

J44H角式截止阀产品特点:
1、可安装在水平或垂直的管道上。
3、阀体材质可以选用高温不锈钢或低温碳钢材质(LCB)。
2、阀杆调质及表面氮化处理,有良好的抗腐和抗摩擦性能,密封好性能更可靠。
4、阀瓣与阀杆设计为一体结构,用以防止由于管路压力波动造成内件冲出阀体的可能性,结构紧凑,使用安全。
J44H角式截止阀产品概述:
公称压力:PN1.6-4.0(MPa)
公称通径:DN15-300(mm)产品名称 J44W,J44H,J44Y法兰角式截止阀 产品型号 J44W、J44H、J44Y 公称通径 DN15-200mm 压力范围 1.6MPa-4.0MPa 阀体材质 铸钢、锻钢、不锈钢 J44H角式截止阀应用规范:
遵循规范
STANDARD
设计与制造
GB 12233/GB 12235
结构长度
GB 12221/JB96(长系列)
结构长度
GB78/JB79(GB、HG、SH)
压力试验
GB/T 13927
标志
GB 12220
供货
GB/T12252
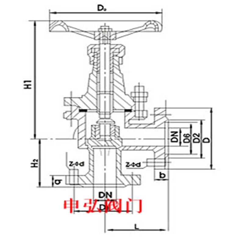
J44H角式截止阀1.6MPa主要连接尺寸:
DN
in
L
D
D1
D2
f
b
z-φd
Do
H1
H2
W
15
1/2
65/90
95
65
45
2
14
4-φ14
100
240
265
7
20
3/4
75/95
105
75
55
2
16
4-φ14
100
245
270
7.5
25
1
80/100
115
85
65
2
16
4-φ14
120
250
275
8.5
32
2 1/4
95/105
135
100
78
2
18
4-φ18
140
260
290
12
40
2 1/2
100/115
145
110
85
2
18
4-φ18
140
290
325
14
50
2
115/125
160
125
100
2
20
4-φ18
160
300
335
19
65
2 1/2
145
180
145
120
2
20
4-φ18
180
355
400
27
80
3
155
195
160
135
2
22
4-φ18
240
400
450
42
100
4
175
215
180
155
2
24
8-φ18
240
455
495
50
125
5
200
245
210
185
2
26
8-φ18
280
530
560
64
150
6
240/225
280
240
210
2
28
8-φ23
320
605
650
85
200
8
275
335
295
265
2
30
8-φ23
360
650
770
155
J44H角式截止阀2.5MPa主要连接尺寸:
DN
in
L
D
D1
D2
f
b
z-φd
Do
H1
H2
W
15
1/2
65/90
95
65
45
2
16
4-φ14
120
245
270
7.5
20
3/4
75/95
105
75
55
2
16
4-φ14
120
250
275
8.8
25
1
80/100
115
85
65
2
16
4-φ14
140
260
290
11
32
2 1/4
95/105
135
100
78
2
18
4-φ18
140
290
325
13
40
2 1/2
100/115
145
110
85
3
18
4-φ18
160
300
335
18
50
2
115/125
160
125
100
3
20
4-φ18
180
355
400
31
65
2 1/2
145
180
145
120
3
22
8-φ18
220
400
450
39
80
3
155
195
160
135
3
22
8-φ18
280
450
495
50
100
4
175
230
190
160
3
24
8-φ23
320
530
590
60
125
5
200
270
220
188
3
28
8-φ25
380
600
650
75
150
6
240/225
300
250
218
3
30
8-φ25
400
650
770
98
200
8
275
360
310
278
3
34
12-φ23
450
700
850
170
J44H角式截止阀的安装、维护、操作注意事项:
截止阀安装的质量、直接影响着使用,所以必须认真注意以下几点:
(一)方向和位置:
1.截止阀安装时要注意流体方向,截止阀具有方向性,如果装倒装反,就会影响使用效果与寿命。应使管路流体由下向上流过阀座口,及所谓低进高出,目的是减少流体阻力,使开启省力和关闭状态下阀杆、填料涵部分不与介质接触,保证阀杆和填料涵不致损坏和泄漏。那么是否截止阀都是低进高出呢? 对于平衡型截止阀用高进低出,不平衡型截止阀用低进高出。 可能是以前国内制造水平不高,大部分都是不平衡型截止阀,结果都是低进高出。所以会有截止阀是低进高出的结论。进口截止阀高进低出的没有使用过.不过一般国产截止阀和部门进口阀都是低进高出,这样使用有一个好处,就是一般进口端压力较高或温度较高,当关闭截止阀时,出口端可以排空,这样便于对截止阀的填料处进行更换,如果高进低出,如填料处漏了,可能维修起来不容易;
2.截止阀的阀腔左右不对称,流体要让其由下而上通过阀口,这样流体阻力小(由形状所决定),开启省力(因介质压力向上),关闭后介质不压填料,便于检修。这就是截止阀为什么不可安反的道理。其它截止阀也有各自的特性;
3.截止阀安装的位置,必须方便于操作;即使安装暂时困难些,也要为操作人员的长期工作着想。*好截止阀手轮与胸口取齐(一般离操作地坪1.2米),这样,开闭截止阀比较省劲。落地截止阀手轮要朝上,不要倾斜,以免操作别扭。靠墙机靠设备的截止阀,也要留出操作人员站立余地。要避免仰天操作,尤其是酸碱、有毒介质等,否则很不安全。

(二)施工作业:
1.安装施工必须小心,切忌撞击脆性材料制作的截止阀;
2.安装前,应将截止阀作一检查,核对规格型号,鉴定有无损坏,尤其对于阀杆。还要转动几下,看是否歪斜,因为运输过程中,*易撞歪阀杆。还要清除阀内的杂物;
3.截止阀起吊时,绳子不要系在手轮或阀杆上,以免损坏这些部件,应该系在法兰上;
4.对于截止阀所连接的管路,一定要清扫干净。可用压缩空气吹去氧化铁屑、泥砂、焊渣和其他杂物。这些杂物,不但容易擦伤截止阀的密封面,其中大颗粒杂物(如焊渣),还能堵死小截止阀,使其失效。
(三)填料更换:
1.库存截止阀,有的填料已不好使,有的与使用介质不符,这就需要更换填料;
2.阀门制造厂无法考虑使用单位千门万类的不同介质,填料函内总是装填普通盘根,但使用时,必须让填料与介质相适应。;
3.在更换填料时,要一圈一圈地压入。每圈接缝以45度为宜,圈与圈接缝错开180度。填料高度要考虑压盖继续压紧的余地,现时又要让压盖下部压填料室适当深度,此深度一般可为填料室总深度的10-20%;
4.对于要求高的截止阀,接缝角度为30度。圈与圈之间接缝错开120度;
5.除上述填料之处,还可根据具体情况,采用橡胶O形环(天然橡胶耐60摄氏度以下弱碱,丁睛橡胶耐80摄氏度以下油品,氟橡胶耐150摄氏度以下多种腐蚀介质)三件叠式聚四氟乙烯圈(耐200摄氏度以下强腐蚀介质)尼龙碗状圈(耐120摄氏度以下氨、碱)等成形填料。在普通石棉盘根外面,包一层聚四氟乙烯生料带,能提高密封效果,减轻阀杆的电化学腐蚀;
6.在压紧填料时,要同时转动阀杆,以保持四周均匀,并防止太死,拧紧压盖要用力均匀,不可倾斜。
(四)注意:
1、手轮、手柄操作的截止阀可安装在管道的任何位置上;
2、手轮、手柄及伟动机构,不允许作起吊用;
3、介质的流向应与阀体所示箭头方向一致。
订货须知:
一、①产品名称与型号②口径③是否带附件以便我们的为您正确选型④的使用压力⑤的使用介质的温度。
二、若已经由设计单位选定公司的型号,请按型号直接向我司销售部订购。三、当使用的场合非常重要或环境比较复杂时,请您尽量提供设计图纸和详细参数,由我们的阀门公司专家为您审核把关。如有疑问:请:我们一定会尽心尽力为您提供优质的服务。提供全面“阀门系统解决方案",也十分愿意帮助用户解决生产中所遇到的难题。
-
联系方式
- 联系人:申弘阀门
- 电 话:021-59260058
- 手 机:15901754341
- 传 真:86-021-31662735
- 邮 箱:494522509@qq.com
- 邮 编:201718
- 地 址:上海市青浦区金泽工业园区
- 网 址: https://bengye.cn.goepe.com/
http://www.021-fm.com
-
产品搜索









