-
J644H直行程气动角型截止阀申弘
详细信息| 询价留言J644H直行程气动角型截止阀 产品说明
气动角式截止阀是一种常用的截断阀,主要用来接通或截断管路中的介质,一般不用于调节流量。气动角式截止阀适用的压力、温度范围很大,但一般用于中、小口径的管道。是一种截断阀,主要用来接通或截断管路中的流体,不做调节阀使用。气动角式截止阀比闸阀结构较简单,制造与维修都更方便;密封面不易磨损、擦伤,密封性较好,寿命较长;启闭时阀瓣行程较小,启闭时间较短;阀门高度相对较小。气动活塞执行器是用于与切断阀相配套的二位式弹簧复位顶装手操活塞式执行器。具有动作迅速(可达1.2-4.5S)、可靠、体积轻小的特点。 顶装手操活塞式执行器可配带气动、电一气阀门定位器和空气过滤器等附件。还可配装轻小侧装、顶装手操机构。

J644H直行程气动角型截止阀结构特点
1、与闸阀相比,截止阀的结构较简单,制造与维修都较方便。
2、密封面不易磨损、擦伤,密封性较好,寿命较长。
3、启闭时阀瓣行程较小,启闭时间较短,阀门高度较小。
附件选项:根据不同控制和要求可选择下列附件:
回讯器:也叫限位开关,远程反馈开关信号(可选防爆)。
电磁阀:双作用选二位五通、单作用选二位三通(可选防爆)。
三联件:可对气源稳压、过滤、气缸加润滑油。
手轮机构:转动手轮机构,可实现手动开、关阀。
J644H直行程气动角型截止阀性能特点:
①阀瓣、阀座密封面采用铁基合金堆焊或司太立钴基硬质合金堆焊而成,耐磨、耐高温、耐腐蚀、抗擦伤性能好,使用寿命长;
②阀杆经调质及表面氮化处理,有良好的抗腐蚀性和抗擦伤性;
③可采用各种配管法兰标准及法兰密封面型式,满足各种工程需要及用户要求;
④阀体材料品种齐全,填料、垫片可根据实际工况或用户要求合理选配,能适用于各种压力、温度及介质工况;
⑤倒密封采用螺纹连接密封座或本体堆焊奥氏体不锈钢而成,密封可靠,更换填料可在不停机情况下进行,方便快捷,不影响系统运行。

J644H直行程气动角型截止阀选型参数
型号项目
ZS-1P
ZS-2P
ZS-3P
ZS-4P
ZS-5P
ZS-6P
气缸直径mm
100
125
160
200
250
320
行程mm
10
10/16
16/25
25/40
40/60
60
弹簧范围KPa
40-200;80-240;100-200;200-350;350-500
供气压力MPa
ZSA,ZSN为0.4-0.6;ZS-P:气开比弹簧范围上限大0.05
气关按上限+下限+0.05ZS-P推杆输出N
350-500KPa
2674
4165
6860
10740
16800
27440
200-350KPa
1528
2300
3920
6140
9600
15680
100-200KPa
764
1190
1960
3070
4800
7840
80-240Kpa
610
952
1568
2450
3840
6270
配带侧装手操机构
ZPXS-2
ZPXS-3
ZPXS-4
ZPXS-5
ZPXS-6
四、J644H直行程气动角型截止阀ZS型气动活塞执行器 性能指标
ZSA/B-P型
项目
不带定位器
带定位器
基本误差%
±6
±1.5
回 差%
3
1.5
死 区%
1.2
1
始终点偏%
2.5
气密性
以0.6MPa输入气缸,切断气源后压力降≤5KPa/5min
工作寿命
不少于10万次
注: 当与调节阀组配时一般均带阀门定位器。
ZS、ZSN型
项目指
二位动作时
气缸密封性
工作寿命
ZS(ZSN)-1
1.2(≤1)
以0.6MPa输入气缸切断气源后压力降≤5KPa/min
不少于10万次
ZS(ZSN)-2
1.2(≤1)
ZS(ZSN)-3
≤2(≤1)
ZS(ZSN)-4
≤2.5(1)
ZS(ZSN)-5
≤3.5(1.5)
ZS(ZSN)-6
≤4.5(2)
五、J644H直行程气动角型截止阀ZS型气动活塞执行器 结构图
气动角式截止阀技术参数
阀体型式
角型铸造阀
阀芯型式
柱塞式(锥面)
气缸形式
双作用、单作用、带手动装置、特殊定制型
公称通径
DN50 ~ DN250
公称压力
PN1.6~10.0MPa
法兰标准
JB、GB、ANSI、BS、API、ISO、DIN、JIS
连接形式
法兰、螺纹、焊接
阀体材质
碳钢(C)、不锈钢(P4、P6)
密封填料
聚四氟乙烯、柔性石墨
工作温度
-29~425℃

二、J644H直行程气动角型截止阀J44H-Y角式截止阀 应用规范遵循规范
STANDARD
设计与制造
GB12233/GB 12235
结构长度
GB 12221/JB96(长系列)
结构长度
GB78/JB79(GB、HG、SH)
压力试验
GB/T 13927
标志
GB 12220
供货
GB/T12252

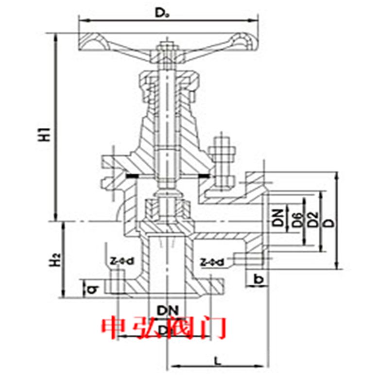
三、J644H直行程气动角型截止阀J44H-Y角式截止阀 1.6MPa主要连接尺寸DN
in
L
D
D1
D2
f
b
z-φd
Do
H1
H2
W
15
1/2
65/90
95
65
45
2
14
4-φ14
100
240
265
7
20
3/4
75/95
105
75
55
2
16
4-φ14
100
245
270
7.5
25
1
80/100
115
85
65
2
16
4-φ14
120
250
275
8.5
32
21/4
95/105
135
100
78
2
18
4-φ18
140
260
290
12
40
21/2
100/115
145
110
85
2
18
4-φ18
140
290
325
14
50
2
115/125
160
125
100
2
20
4-φ18
160
300
335
19
65
21/2
145
180
145
120
2
20
4-φ18
180
355
400
27
80
3
155
195
160
135
2
22
4-φ18
240
400
450
42
100
4
175
215
180
155
2
24
8-φ18
240
455
495
50
125
5
200
245
210
185
2
26
8-φ18
280
530
560
64
150
6
240/225
280
240
210
2
28
8-φ23
320
605
650
85
200
8
275
335
295
265
2
30
8-φ23
360
650
770
155
四、J644H直行程气动角型截止阀J44H法兰截止阀 2.5MPa主要连接尺寸
DN
in
L
D
D1
D2
f
b
z-φd
Do
H1
H2
W
15
1/2
65/90
95
65
45
2
16
4-φ14
120
245
270
7.5
20
3/4
75/95
105
75
55
2
16
4-φ14
120
250
275
8.8
25
1
80/100
115
85
65
2
16
4-φ14
140
260
290
11
32
21/4
95/105
135
100
78
2
18
4-φ18
140
290
325
13
40
21/2
100/115
145
110
85
3
18
4-φ18
160
300
335
18
50
2
115/125
160
125
100
3
20
4-φ18
180
355
400
31
65
21/2
145
180
145
120
3
22
8-φ18
220
400
450
39
80
3
155
195
160
135
3
22
8-φ18
280
450
495
50
100
4
175
230
190
160
3
24
8-φ23
320
530
590
60
125
5
200
270
220
188
3
28
8-φ25
380
600
650
75
150
6
240/225
300
250
218
3
30
8-φ25
400
650
770
98
200
8
275
360
310
278
3
34
12-φ23
450
700
850
17
J644H直行程气动角型截止阀在安装时应注意哪些方面
1、安装阀门时注意介质的流向,严格按阀门流向箭头指示的方向安装。
2、阀门可安装的管道的任何位置、同时根据介质和介质的温度选择碳钢或合金钢的阀门。
3、气动角式截止阀尽量垂直安装,阀杆向上。
订货须知:
一、①产品名称与型号②口径③是否带附件以便我们的为您正确选型④的使用压力⑤的使用介质的温度。
二、若已经由设计单位选定公司的型号,请按型号直接向我司销售部订购。三、当使用的场合非常重要或环境比较复杂时,请您尽量提供设计图纸和详细参数,由我们的阀门公司专家为您审核把关。如有疑问:请:我们一定会尽心尽力为您提供优质的服务。提供全面“阀门系统解决方案",也十分愿意帮助用户解决生产中所遇到的难题。
-
联系方式
- 联系人:申弘阀门
- 电 话:021-59260058
- 手 机:15901754341
- 传 真:86-021-31662735
- 邮 箱:494522509@qq.com
- 邮 编:201718
- 地 址:上海市青浦区金泽工业园区
- 网 址: https://bengye.cn.goepe.com/
http://www.021-fm.com
-
产品搜索







