-
J944H电动高压角式截止阀申弘
详细信息| 询价留言J944H电动高压角式截止阀 产品说明
高压角式截止阀的打开和关闭部分是塞形的阀盘,密封表面是平坦的或圆锥形的,并且阀盘沿着流体的中心线线性移动。气门杆运动有两种类型:举升杆型(气门杆上下移动且手轮不升起)和举升旋转杆型(手轮和气门杆一起旋转并升起)。螺母安装在阀体上)。

高压角式截止阀仅适用于全开和全关,不允许调节或节流。高压角式截止阀是强制密封阀,因此在关闭阀时,必须对阀瓣施加压力以防止密封面泄漏。启闭件是塞形的阀瓣,密封面呈平面或锥面,阀瓣沿流体的中心线作直线运动。阀杆的运动形式,有升降杆式(阀杆升降,手轮不升降),也 有升降旋转杆式(手轮与阀杆一起旋转升降,螺母设在阀体上)。波纹管截止阀只适用于全开和全关,不允许作调节和节流。角式截止阀是一种常用的截断阀,主要用来接通或截断管路中的介质,一般不用于调节流量。截止阀产品适用的压力、温度范围很大,但一般用于中、小口径的管道,适用于≤425℃的蒸汽、油品、水等介质。
J44H、J44Y高压角式截止阀开启时,阀瓣的开启高度,为公称直径的25%~30%时,流量已达到*大,表示阀门已达全开位置。所以截止阀的全开位置,应由阀瓣的行程来决定。一般实现对阀门的开或关控制,阀门要么处于全开位置,要么处于全关位置,此类阀门不需对介质流量进行控制。特别值得一提的是开关型电动执行器因结构形式的不同还可分为分体结构和一体化结构。智能一体化电动阀门执行机构(通常称为整体型):控制单元与电动执行器封装成一体,无需外配控制单元即可现实就地操作,远程只需输出相关控制信息就可对其进行操作。此结构的优点是方便系统整体安装,减少接线及安装费用,容易诊断并排除故障。但传统的一体化结构产品也有很多不完善的地方,所以产生了智能电动执行器。

J944H电动高压角式截止阀电动执行机构一般由下列部分组成
1、电动机,特点是过载能力强﹑起动转矩大﹑转动惯量小,短时﹑断续工作。
2、减速机构,用以减低电动机的输出转速。
3、行程控制机构,用以调节和准确控制阀门的启闭位置。
4、转矩限制机构,用以调节转矩(或推力)并使之不超过预定值。
5、手动﹑电动切换机构,进行手动或电动操作的联锁机构。
6、开度指示器,用以显示阀门在启闭过程中所处的位置。
电动执行机构的性能符合JB/T8528-1997《普通型阀门电动装置技术条件》的规定。隔爆型的性能符合GB3836.1-2000《爆炸性气体环境用电气设备第1部分:通用要求》,GB3836.2-2000《爆炸性气体环境用电气设备第2部分:隔爆型“d”》及JB/T8529-1997《隔爆型阀门电动装置技术条件》的规定。

J944H电动高压角式截止阀设计与制造标准:
●角式截止阀设计与制造: GB12233
●角式截止阀法兰尺寸:JB/T79 GB9113
●角式截止阀结构长度: GB12221
●角式截止阀检验与实验: GB/T13927
J944H电动高压角式截止阀主要性能规范:
公称压力PN
1.6
2.5
MPa
壳体试验压力PT
2.4
3.75
高压密封试验压力
1.76
2.75
低压气密封试验
0.5 - 0.7
适用介质
水、油品、蒸汽
适用温度
≤425℃
型号
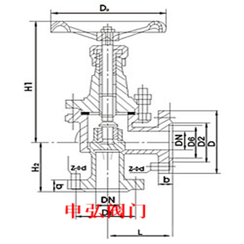
DN
L
D
D1
M
D2
Dn
Dn’
b
Z-φd
L0
H
H1
重量(kg)
J44H-320
L44H-3203
60
70
42
M14×1.5
10
3
-
15
3-16
100
71
77
1.25
6
60
70
42
M14×1.5
10
6
-
15
3-16
150
80
94
1.25
J44Y-160
L44Y-16010
90
95
60
M24×2
10
10
10
20
3-18
200
260
275
5.7
15
105
95
60
M24×2
16
15
16
20
3-18
200
268
288
6.2
J44Y-320
L44Y-32010
90
95
60
M24×2
10
10
10
20
3-18
200
260
275
5.7
15
105
105
68
M33×2
17
15
17
20
3-18
200
268
288
6.8
型号
DN
L
D
D1
M
D2
Dn
Dn’
b
Z-φd
L0
H
H1
重量(kg)
J44Y-160
L44Y-16025
120
105
68
M33×2
28
23
23
20
3-18
300
225
245
9.1
32
135
115
80
M42×2
37
29
29
22
4-18
300
222
248
11
40
165
165
115
M52×2
47
39
39
28
6-26
350
265
300
20
50
190
165
115
M64×3
59
50
50
32
6-26
400
303
345
30
J44Y-320
L44Y-16025
120
115
80
M42×2
35
23
23
22
4-18
300
225
245
10.8
32
132
135
95
M48×2
41
29
29
25
4-22
300
222
248
13.5
40
165
165
115
M64×3
58
39
42
32
6-26
350
265
300
23
50
190
200
145
M80×3
70
50
53
40
6-29
400
303
345
39.2
GL44H-160
GL44Y-16065
215
200
145
M80×3
73
60
65
40
6-29
710
430
490
81
80
260
225
170
M100××3
93
75
80
50
6-33
810
520
600
138
100
290
260
195
M125×4
115
95
99
60
6-36
850
595
685
223
GL44H-320
GL44Y-32065
215
225
170
M100×3
90
60
68
50
6-33
710
430
490
93
80
260
260
195
M125×4
112
75
85
60
6-36
810
520
600
158
100
290
300
235
M155×4
130
95
103
75
8-39
850
595
285
228

当介质从阀瓣下方进入阀时,操作力必须克服的阻力是阀杆和填料之间的摩擦力以及介质压力所产生的推力。封闭的J44H的高压-320大于开放的J44H-320。由于很大的力,必须增加阀杆的直径。否则,阀杆会弯曲并失效。高压角式截止阀的启闭件是塞形的阀瓣,密封面呈平面或锥面,阀瓣沿流体的中心线作直线运动。阀杆的运动形式,有升降杆式(阀杆升降,手轮不升降),也有升降旋转杆式(手轮与阀杆一起旋转升降,螺母设在阀体上)。截止阀只适用于全开和全关,不允许作调节和节流。J44H、J44Y高压角式截止阀属于强制密封式阀门,所以在阀门关闭时,必须向阀瓣施加压力,以强制密封面不泄漏。当介质由阀瓣下方进入阀六时,操作力所需要克服的阻力,是阀杆和填料的磨擦力与由介质的压力所产生的推力,关阀门的力比开阀门的力大,所以阀杆的直径要大,否则会发生阀杆顶弯的故障。近年来,从自密封的阀门出现后,截止阀的介质流向就改由阀瓣上方进入阀腔,这时在介质压力作用下,关阀门的力小,而开阀门的力大,阀杆的直径可以相应地减少。同时,在介质作用下,这种形式的阀门也较严密。我国阀门“三化给”曾规定,截止阀的流向,一律采用自上而下。

J944H电动高压角式截止阀安装、拆卸及注意事项
1本电动装置的安装形式无原则要求,但电机处于水平状态,电气箱盖处于水平或垂直向上状态为推荐安装形式,这样有利于润滑、调试、维护和手动操作;
2安装时应保证维修检查人员拆卸各部件所需的空间;
3安装与阀门连接的牙嵌轴向间隙不少于1~2mm;
4与阀门连接的螺栓不得低于8.8级;
5当用于明杆阀门时,应检查阀杆伸出量与阀杆护套的长度是否相符;
6当需要拆卸时,应先将手动手轮旋转数圈,在阀门稍开状态下进行;
7安装、拆卸、调试时不可损伤密封面、密封件和防爆型电装的防爆面,并应在隔爆面上涂防锈油,电气罩盖应盖严紧固,以防雨水或潮气进入;
8视窗不得与硬物碰撞;
9本电动装置为短时工作制,持续工作时间不得超过铭牌标定时间;
10阀门不经常使用时,应定期检查保养并操作运行,建议每月至少一次,运行时间不超过10分钟。

订货须知:
一、①产品名称与型号②口径③是否带附件以便我们的为您正确选型④的使用压力⑤的使用介质的温度。
二、若已经由设计单位选定公司的型号,请按型号直接向我司销售部订购。三、当使用的场合非常重要或环境比较复杂时,请您尽量提供设计图纸和详细参数,由我们的阀门公司专家为您审核把关。如有疑问:请:我们一定会尽心尽力为您提供优质的服务。提供全面“阀门系统解决方案",也十分愿意帮助用户解决生产中所遇到的难题。
-
联系方式
- 联系人:申弘阀门
- 电 话:021-59260058
- 手 机:15901754341
- 传 真:86-021-31662735
- 邮 箱:494522509@qq.com
- 邮 编:201718
- 地 址:上海市青浦区金泽工业园区
- 网 址: https://bengye.cn.goepe.com/
http://www.021-fm.com
-
产品搜索






