-
SH气动三通内螺纹球阀Q614F
详细信息| 询价留言Q614F气动三通内螺纹球阀简介
气动三通球阀是由双(单)作用气动活塞式执行器和内螺纹三通球阀组成。其阀体可分为整体式、二段式、三段式。阀座采用弹性密封结构,密封可靠,启闭轻松。阀杆采用有倒密封的下装式结构,阀腔异常升压时,阀杆不会被冲击。气动活塞式执行器采用低摩擦材料做成轴承套,缸体内外表面经硬质阳极氧化防腐处理,大大提高了气缸的使用寿命。

本产品使用性能稳定,广泛的用于石化、冶金、电力、轻工、医药等工业部门。当气动执行器与电路和系统气源接通后,空气通过管道A或B管进入A缸(B缸)推动活塞向一端运动,从而带动旋转轴和球芯转动90°气动内螺纹三通球阀 气动三通球阀 内螺纹三通球阀。分为“L型气动三通内螺纹球阀”与“T型气动三通内螺纹球阀”, L型三通球阀适用于介质流向的切换,能使相互垂直的两个通道连通;T型三通球阀适用于介质的分流、合流或流向切换,T型孔道可以使三个通道互相连通或使其中两个通道连通。三通球阀一般采用两个阀座结构,亦可根据用户要求采用四阀座结构。气动内螺纹三通球阀适用于食品、饮料、医药、化工等纯净管路及工业环保、水处理、高层建筑、给排水等管路。

气动三通内螺纹球阀主要技术参数:
①螺纹类型:G•NPT•BSPT DIN259/2999
②阀门检验:ISO/DIN 5208—1987
③驱动装置:ISO 5211
④公称压力:PN1.6、2.5、4.0、6.4Mpa、1000WOG
⑤连接方式:螺纹 (L型、T型)
⑥阀体材质:铸钢(WCB)、不锈钢CF8(304)、CF8M(316)
⑦阀球材质:不锈钢CF8(304)、CF8M(316)
⑧密封材料:PTFE、PPL
⑨适用温度:-20℃~232℃~350℃
⑩适用介质:水、油、气等某些腐蚀性液体(W•O•G)
⑪气缸选配:意大利AT
⑫气缸形式:双作用、单作用(弹簧复位式)
⑬环境温度:-20℃-+80℃
⑭气源压力:双作用4~8bar、单作用5~8bar
⑮产品型号:Q615F/Q614F
□气动执行器顶部连动可视器,当绿色标志指向“开”字时标志阀门开启。
□回信器信号灯绿灯亮时阀门处在开启位置,而红灯亮时阀门处在关闭位置
□定位器可调节阀门管道流量
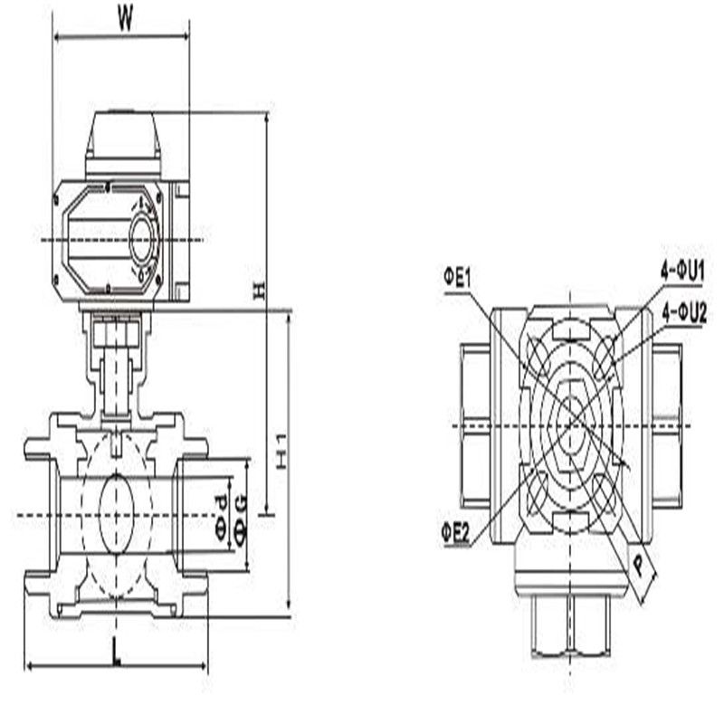
Q614F气动三通内螺纹球阀主要技术参数气动执行器型号QW-TZ精小型系列、AT单作用系列控制形式双作用/单作用作用形式切断/调节气源压力0.4 ~ 0.8 MPa*大回转角度90°~92°回信器AC220V AC110V DC24V控制信号电信号:0~0Ma 4 ~20Ma 气信号:0.02 ~0.1 MPa控制气源洁净、干燥压缩空气工作温度-20℃ ~ +90℃阀体主要零件材料零件名称阀体球芯阀座阀杆填料Q614F-16Q614F-253040Cr18Ni9增强聚四氟乙烯0Cr18Ni9增强聚四氟乙烯3160Cr17Ni12Mo2增强聚四氟乙烯0Cr17Ni12Mo2增强聚四氟乙烯型 号公称压力PN(MPa)试验压力Ps(MPa)工作温度(℃)适用介质壳体密封Q614F-16P(R)1.62.41.76-20~150水、蒸汽、油品、酸类Q614F-25P(R)2.53.752.75Q614F-40P(R)4.06.04.4气动执行器主要部件材料Q614F-16通径20DNdGLL1HWMm25in151/2″12G1/2″6030110140203/4″15G3/4″7437115140251″20G1″8040120140321 1/4″25G1 1/4″10452135164401 1/2″34G1 1/2″11457145164502″48G2″14070190190Q614F气动三通内螺纹球阀主要外形和连接尺寸单位(mm):
Q614F-16通径20DNdGLL1HWMm25in151/2″12G1/2″7236130140203/4″15G3/4″8542135140251″20G1″9146139140321 1/4″25G1 1/4″11055158164401 1/2″32G1 1/2″12261165164502″38G2″14572202190
安装步骤:
(1)取掉气动三通内螺纹球阀两边的保护盖,在阀完全打开的状态下进行冲洗清洁。
(2)安装前应按规定的信号(电动或气动)进行整机测试(防止因运输产生振动影响使用性能),合格后方可上线安装(接线按电动执行机构线路图)。
(3)准备与管道连接前,须冲洗和清除干净管道中残存的杂质(这些物质可能会损坏阀座和球)。
(4)在气动三通内螺纹球阀安装期间,请不要用阀的执行机构部分作为起重的吊装点,以避免损坏执行机构及附件。
(5)气动三通内螺纹球阀应安装在管道的水平方向或垂直方向。
(6)安装点附近的管道不可有低垂或者承受外力的现象,可以用管道支架或者支撑物来消除管线的偏离。
(7)与管道连接后,请用规定的扭矩交叉锁紧连接螺栓。

订货须知:
一、①产品名称与型号②口径③是否带附件以便我们的为您正确选型④的使用压力⑤的使用介质的温度。
二、若已经由设计单位选定公司的型号,请按型号直接向我司销售部订购。
三、当使用的场合非常重要或环境比较复杂时,请您尽量提供设计图纸和详细参数,由我们的阀门公司专家为您审核把关。如有疑问:请:我们一定会尽心尽力为您提供优质的服务。提供全面、*的“阀门系统解决方案",也十分愿意帮助用户解决生产中所遇到的难题。 -
联系方式
- 联系人:申弘阀门
- 电 话:021-59260058
- 手 机:15901754341
- 传 真:86-021-31662735
- 邮 箱:494522509@qq.com
- 邮 编:201718
- 地 址:上海市青浦区金泽工业园区
- 网 址: https://bengye.cn.goepe.com/
http://www.021-fm.com
-
产品搜索





