-
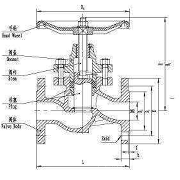
BUJ41H保温柱塞式截止阀 SH
详细信息| 询价留言BUJ41H保温柱塞式截止阀 产品说明
发明目的为解决背景技术中存在的技术问题,本发明提出一种夹套保温直通式截止阀,本发明能对截止阀进行保温防护避免其在低温环境下上冻,且方便进行拆装使用方便。 BJ41H保温截止阀采用整体式夹套保温层结构设计,根据用户需要夹套内注入热水、蒸气、导热油、冷却水、冷气等。使用整个阀门常温或降温达到所需要的温度,确保阀内介质能够正常工作,具有良好的保温保冷特性。BJ41H保温截止阀采用保温夹套设计,利用外部热源在阀门的外部循环加热,可以有效防止介质通过阀门时温度损失,保证介质的温度。主要用于石油、化工、沥青、冶金、制药、食品等各类系统中。

二、BJ41H保温截止阀工作原理:
BJ41H保温截止阀采用保温夹套设计,利用外部热源在阀门的外部循环加热,可以有效防止介质通过阀门时温度损失,保证介质的温度。主要用于石油、化工、沥青、冶金、制药、食品等各类系统中,防止以输送常规下会凝固的高粘度介质。BUJ41H保温柱塞截止阀的启闭件是塞形的阀瓣,密封上面呈平面或海锥面,阀瓣沿阀座的中心线作直线运动。阀杆的运动形式,(通用名称:暗杆),也有升降旋转杆式可用于控制空气、水、蒸汽、各种腐蚀性介质、泥浆、油品、液态金属和放射性介质等各种类型流体的流动。因此,这种类型的截流截止阀阀门适合作为切断或调节以及节流用。BUJ41H保温柱塞截止阀的阀杆开启或关闭行程相对较短,而且具有切断功能,又由于阀座通口的变化与阀瓣的行程成正比例关系,适合于对流量的调节。
截止阀又称截门阀,属于强制密封式阀门,所以在阀门关闭时,必须向阀瓣施加压力,以强制密封面不泄漏。当介质由阀瓣下方进入阀门时,操作力所需要克服的阻力,是阀杆和填料的摩擦力与由介质的压力所产生的推力,关阀门的力比开阀门的力大,所以阀杆的直径要大,否则会发生阀杆顶弯的故障。按连接方式分为三种:法兰连接、丝扣连接、焊接连接。从自密封的阀门出现后,截止阀的介质流向就改由阀瓣上方进入阀腔,这时在介质压力作用下,关阀门的力小,而开阀门的力大,阀杆的直径可以相应地减少,截止阀的流向,一律采用自上而下。截止阀开启时,阀瓣的开启高度,所以截止阀的全开位置,应由阀瓣的行程来决定。
BUJ41H保温柱塞式截止阀 产品特点:
1、夹套采用碳素钢管焊接比铸造的更加耐压牢固。
2、采用整体式夹套结构设计,更能均匀地保温、保冷。
3、保温入口有法兰、螺纹两种形式供用户选择,也可定制入口连接方式及规格大小。

BUJ41H保温柱塞式截止阀 主要性能:
工作温度
≤350(℃)
压力环境
1.6-4.0(Mpa)
适用介质
水、蒸汽、油品
公称通径
15-200(mm)
材质
铸钢
连接形式
法兰
产品别名
保温柱塞阀
适用范围
应用于真空设备、电子、机械、冶金、能源、生物、制冷、食品等各种领域
型号
BU41S
BUJ41H保温柱塞式截止阀 主要技术参数:
型号
BUJ41 BU41SM系列
公称通径
15∽200mm
公称压力
1.6∽4.0MPa
适用温度
≤350℃
适用介质
水、蒸汽、油品
材质
酸碱介质
BUJ41H保温柱塞式截止阀 主要连接尺寸1:
公称通径DN(mm)
15
20
25
32
40
50
65
80
100
125
150
200
250
主要外形尺寸及连接尺寸(mm)
L
130
150
160
180
200
230
290
310
350
400
480
600
650
D
95
105
115
135
145
160
180
195
215
245
280
335
405
D1
65
75
85
100
110
125
145
160
180
210
240
295
355
D2
45
55
65
78
85
100
120
135
155
185
210
265
320
b
14
14
14
16
16
16
18
20
20
22
24
26
30
Z-φd
4-φ14
4-φ14
4-φ14
4-φ18
4-φ18
4-φ18
8-φ18
8-φ18
8-φ18
8-φ18
8-φ23
12-φ23
12-φ30
H
133
140
165
180
200
226
267
300
340
388
410
498
580
重量
kg
3.6
4.5
6
8.8
12
16
22
30
42
62
88
155
240
保温柱塞式截止阀主要连接尺寸2:
公称通径DN(mm)
15
20
25
32
40
50
65
80
100
125
150
200
250
主要外形尺寸及连接尺寸(mm)
L
130
150
160
180
200
230
290
310
350
400
480
600
650
D
95
105
115
135
145
160
180
195
230
270
300
360
425
D1
65
75
85
100
110
125
145
160
190
220
250
310
370
D2
45
55
65
78
85
100
120
135
160
188
218
278
332
b
16
16
16
18
18
20
22
22
24
28
30
34
36
Z-φd
4-φ14
4-φ14
4-φ14
4-φ18
4-φ18
4-φ18
8-φ18
8-φ18
8-φ23
8-φ25
8-φ25
12-φ25
12-φ30
H
133
140
165
180
200
230
230
300
340
388
410
498
580
重量
kg
3.6
4.5
6
8.8
12
16
22
30
42
70
95
180
260
直通保温截止阀是原有的截止阀两端法兰之间焊装一个金属夹套,侧面两边装有夹套的连接口,用于蒸汽或导热油的进出。从而起到对截止阀内部介质的保温效果,确保粘稠介质流通正常。直通保温截止阀主要应用于化工、石油、沥青、制药、冶金等行业的系统管路中,主要作用是输送在常温状态下会凝固、易结晶的介质。
直通保温截止阀采用保温夹套设计,利用外部热源在阀门的外部循环加热,可以有效防止介质通过阀门时温度损失,保证介质的温度。主要用于石油、化工、沥青、冶金、制药、食品等各类系统中,防止以输送常规下会凝固的高粘度介质回流。

订货须知:
一、①产品名称与型号②口径③是否带附件以便我们的为您正确选型④的使用压力⑤的使用介质的温度。
二、若已经由设计单位选定公司的型号,请按型号直接向我司销售部订购。三、当使用的场合非常重要或环境比较复杂时,请您尽量提供设计图纸和详细参数,由我们的阀门公司专家为您审核把关。如有疑问:请:我们一定会尽心尽力为您提供优质的服务。提供全面“阀门系统解决方案",也十分愿意帮助用户解决生产中所遇到的难题。
-
联系方式
- 联系人:申弘阀门
- 电 话:021-59260058
- 手 机:15901754341
- 传 真:86-021-31662735
- 邮 箱:494522509@qq.com
- 邮 编:201718
- 地 址:上海市青浦区金泽工业园区
- 网 址: https://bengye.cn.goepe.com/
http://www.021-fm.com
-
产品搜索







