-
申弘黄铜内螺纹球阀Q11T
详细信息| 询价留言Q11T黄铜内螺纹球阀产品简介:我公司生产的黄铜内螺纹球阀是二片式全通径的,它的阀体为黄铜锻压(HPb59-1),密封座为增强四氟乙烯、球芯为不锈钢。引进国外先进加工的工艺,结构合理、造型美观。结构设计吸收了国内外先进技术,阀座采用弹性密封结构,密封可靠,启闭轻松。阀杆采用有倒密封的下装式结构,阀腔异常升压时,阀杆不会被冲出。设有耐火结构,万一发生火灾时,仍然能够可靠操作并具有良好的密封性。根据用户需要,可设有防静电结构。设置了90°开关带孔定位片,根据需要可以加锁,防止误操作。

DN15~200mm可采用浮动球结构,DN150~500mm可采用固定球结构。法兰连接球阀适用于Class150~1500、PN1.6~16.0MPa,工作温度-29~180℃(密封圈为增强聚四氟乙烯)或-29~300℃(密封圈为对位聚苯)的各种管路上,用于截断或接通管路中的介质,选用不同的材质,可分别适用于水、蒸汽、油品、硝酸、醋酸、氧化性介质、尿素等多种介质。黄铜球阀工作原理:阀球通过人工转动,可以绕着阀杆旋转,从而打开/关闭阀门。当阀门打开时,水流可以沿直线方式或沿某一角度流过阀门。阀球转动90度,就能完全开启或关闭阀门。可以保证完全阻断管路中的水流。

Q11T黄铜内螺纹球阀型号
黄铜球阀 型号: Q11F-40T
黄铜球阀 型号: Q11F-40T(美制)
黄铜外螺球阀 型号: Q21F-20T
黄铜球阀 型号: Q11F-20T
水表接管球阀 型号: Q11F-16T
黄铜球阀 型号: Q11F-20T
黄铜镀镍内螺纹球阀(足通孔)型号: Q11F-20T
黄铜镀镍内外螺纹球阀(足通孔)型号: Q21F-20T
黄铜球阀 型号: Q11F-20T
黄铜球阀型号: Q11F-20T
黄铜耐温球阀 型号: Q11F-20T
黄铜球阀 型号: Q11F-20T(美制)
黄铜直角球阀(球芯三角阀)型号: J24F-16T
安全式外螺纹接管煤气球阀 型号: Q21F-4T
黄铜球阀 型号: Q11F-25T
黄铜球阀 型号: Q11F-25T(美制)
黄铜焊接球阀 型号: Q61F-20T(美制)
黄铜水表球阀 型号: Q11F-16T
黄铜内外螺纹煤气球阀 型号: Q11F-16T
黄铜煤气球阀 型号: Q11F-16T
黄铜内螺纹接管煤气球阀 型号: Q11F-16T
黄铜内螺纹接头煤气球阀 型号: Q11F-16T
黄铜带锁球阀 型号: Q11F-20T
过滤型球阀 型号: Q11F-20T
空调用黄铜球阀型号: Q11F-20T
黄铜外螺纹球阀 型号: Q21F-20T
黄铜软管接头球阀 型号: Q21F-20T
黄铜暖气三角球阀 型号: Q15F-16T
黄铜暖气三角球阀 型号: Q15F-16T
黄铜三通球阀 型号: Q14F-16T
黄铜三通球阀 型号: Q15F-16T
黄铜球阀 型号: Q11F-25T
黄铜卡套球阀 型号: Q91F-16T
黄铜铝塑管接头球阀 型号: Q91F-10T
黄铜内螺纹铝塑管接头球阀型号: Q11F-10T
黄铜外螺纹接管煤气球阀
黄铜角式接管煤气球阀
黄铜活接头球阀型号: Q11F-20T
内外螺纹活接头球阀 型号: Q11F-16T
黄铜异径活接头球阀型号: Q11F-20T
青铜高温球阀 型号: Q11F-20T黄铜球阀系列产品:Q11T黄铜内螺纹球阀主要性能规范
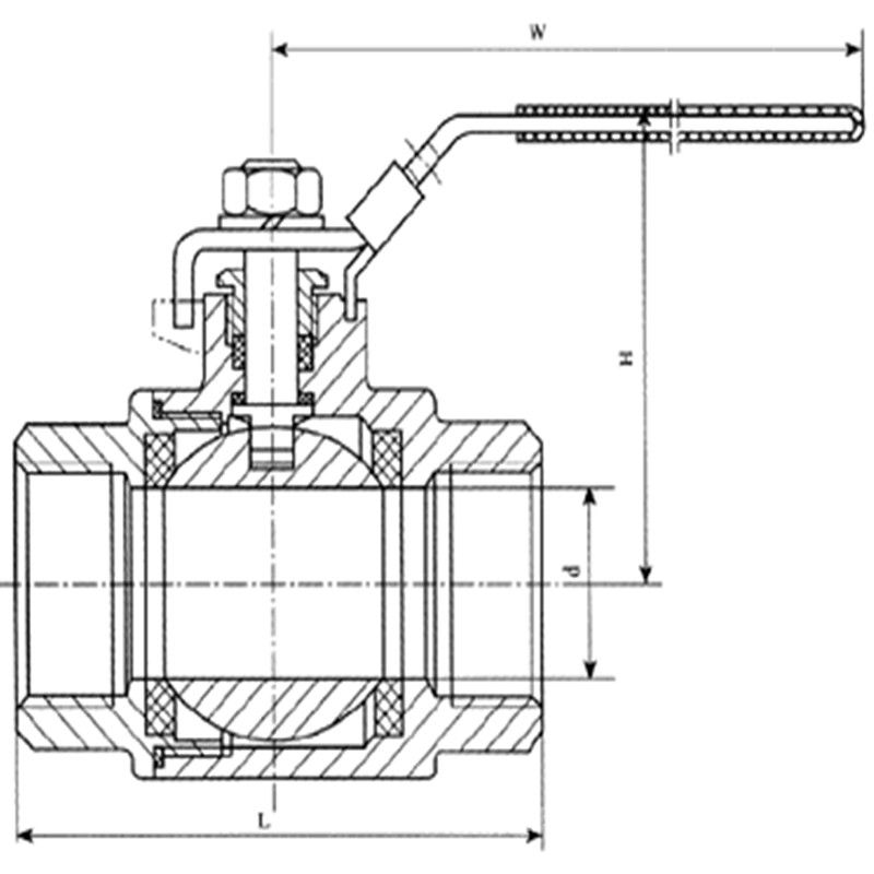
型号 公称压力PN(MPa) 试验压力PS(MPa) 适用湿度℃ 适用介质 Q11F-25T 2.5 3.8 2.5 ≤150 水、油、气体 Q11F-40T 4.0 6.0 4.0 Q21F-25T 2.5 3.8 2.5 Q21F-16T 1.6 2.4 1.6 零件名称 阀体 球 密封座 材质 黄铜(HPb59-1)锻压 碳钢表面镀铬 增强四氟乙烯
『黄铜内螺纹球阀』*生产厂家,由本厂自主研发生产的【球阀】质量可靠、价格合理、售后服务完善。『黄铜内螺纹球阀』适用于各种轻重工业及楼宇管道。上海申弘阀门品质,全球共享!【球阀】广泛应用于:化工、石化、石油、造纸、采矿、电力、液化气、食品、制药、给排水、市政、机械设备配套、电子工业,城建等领域。Q11F-25T 管螺纹G 1/4 3/8 1/2 3/4 1 1 1/4 1 1/2 2 尺寸
㎜L 53 53 57 70 81 87 95 107 H 41 41 44 44 51 56 64 69 R 85 85 100 100 120 120 140 140 d 9 9 12 16 20 25 30 37 重量 g 204 188 259 401 648 921 1230 1845 Q11F-40T 管螺纹G 1/4 3/8 1/2 3/4 1 1 1/4 1 1/2 2 尺寸
㎜L 53 53 57 70 81 87 95 107 H 44 44 48 50 55 60 66 72 R 90 90 105 105 125 125 155 155 d 9 9 12 16 20 25 30 37 重量 g 220 205 300 445 715 1000 1340 1975 Q21F-25T 管螺纹G 1/2 3/4 1 尺寸
㎜L 82 100 115 H 44 47 51 R 100 100 120 d 12 16 20 重量 g 330 520 825 QK21F-16T 管螺纹G 尺寸㎜ L H R d 1/2 44 30 22 9
☆安装前应按规定的信号(电或气)进行整机测试(防止因运输产生振动影响使用性能),合格后方可上线安装(接线按电动执行机构线路图)。
☆准备与管道连接前,须冲洗和清除干净管道中残存的杂质(这些物质可能会损坏阀座和球)。
☆在安装期间,请不要用阀的执行机构部分作为起重的吊装点,以避免损坏执行机构及附件。
☆本类阀应安装在管道的水平方向或垂直方向。
☆安装点附近的管道不可有低垂或者承受外力的现象,可以用管道支架或者支撑物来消除管线的偏离。
☆与管道连接后,请用规定的扭矩交叉锁紧法兰连接螺栓。
操作和使用
☆操作前须确认管路和阀已被冲洗过。
☆阀的操作按执行机构输入信号大小带动阀杆旋转完成:正向旋转1/4圈(90°)时,阀关断。反向旋转1/4圈(90°)时,阀开启。
☆当执行机构方向指示箭头与管线平行时,球阀为开启状态;指示箭头与管线垂直时,球阀为关闭状态。订货须知:
一、①产品名称与型号②口径③是否带附件以便我们的为您正确选型④的使用压力⑤的使用介质的温度。
二、若已经由设计单位选定公司的型号,请按型号直接向我司销售部订购。三、当使用的场合非常重要或环境比较复杂时,请您尽量提供设计图纸和详细参数,由我们的阀门公司专家为您审核把关。如有疑问:请:我们一定会尽心尽力为您提供优质的服务。提供全面、*的“阀门系统解决方案",也十分愿意帮助用户解决生产中所遇到的难题。
-
联系方式
- 联系人:申弘阀门
- 电 话:021-59260058
- 手 机:15901754341
- 传 真:86-021-31662735
- 邮 箱:494522509@qq.com
- 邮 编:201718
- 地 址:上海市青浦区金泽工业园区
- 网 址: https://bengye.cn.goepe.com/
http://www.021-fm.com
-
产品搜索










