-
申弘气动O型切断球阀ZSHO
详细信息| 询价留言ZSHO气动O型切断球阀产品说明
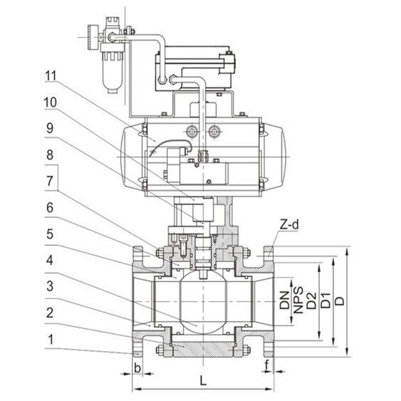
ZSHO气动O型活塞式切断球阀(简称切断球阀),是一种旋转型切断球阀,为气动单元组合仪表中的执行单元,一般与电磁阀等气动元件组合使用。阀体结构有安装软密封阀座与全金属阀座两种,分别用于常温(-40~180℃)及高温(—60~450℃)场合。浮动球阀的阀座多选用聚四氟乙烯、对位聚苯等高分子聚合材料,密封性能好,但材料相对较软。
由于材料较软,但又要达到一定的密封比压,势必增加启闭扭矩,为了尽量改善此种情况,本公司采用双斜面弹性密封圈或V形槽弹性密封圈结构设计,利用管道内压力推动球体,帮助密封。当介质压力较小时,密封圈与球体接触面积较小,故有较大的密封比压,确保可靠密封。
介质压力较大时,密封圈与球体接触面积增大。故密封圈能承受较大的介质推力而不会损坏。对于工作压力很低的球阀,考虑到介质压力不能确保阀座可靠密封,而预紧力长期使用后又会衰减,故对于低压、超低压或真空工况用球阀,采用弹簧加载的阀座密封结构,能确保球阀长期可靠的密封。该产品传动效率高,推力大,密封性能好,额定流量系数大,零件互换性强等特点。因而广泛应用于石油、化工、制药、冶金、轻纺、造纸、污水处理等生产部门的气体、液体输送管道中介质的切断或开启,以达到生产过程按一定的程序进行。切断球阀主要由气动活塞式执行机构和切断型球阀两部分组成,根据用户需要,也可在执行机构和切断球阀之间配置手轮机构。 O型切断球阀主要用于截断或接通管路中的介质,亦可用用于流体的调节与控制,它与其它阀类相比,具有以下一些优点:
1、流体阻力小、球阀是所有阀类中流体阻力*小的一种,即使是缩径球阀,其流体阻力也相当小。
2、止推轴承减小阀杆磨擦力矩,可使阀杆长期操作平稳灵活。
3、阀座密封性能好,采用聚四氟乙烯等弹性材料制成的密封圈,结构易于密封,而且球阀的阀封能力随着介质压力的增高而增大。
4、阀杆密封可靠,由于阀杆只作彷转动运而不做升降运动,阀杆的填料密封不易破坏,且密封能力随着介质的压力增高而增大。
5、由于聚四氟乙烯等材料具有良好的自润滑性,与球体的磨擦损失小,故球阀的使用寿命长。
6、下装式阀杆和阀杆头部凸阶防止阀杆喷出,如火灾造成阀杆密封破坏,凸阶与阀体间还可形成金属接触,确保阀杆密封。
7、防静电功能:在球体、阀杆、阀体之间设置弹簧,能将开关过程产生的静电导出。
ZSHO气动O型切断球阀执行机构:
采用新型系列GT型气动执行器,有双作用式和单作用式(弹簧复位),齿轮齿条传动,安全可靠;大口径阀门采用系列AW型气动执行器拔叉式传动,结构合理,输出扭矩大,有双作用式和单作用式。
1、齿轮式双活塞,输出力矩大,体积小。
2、气缸选用铝金材料,重量轻、外形美观。
3、可在顶部、底部安装手动操作机构。
4、齿条式连接可调节开启角度、额定流量。
5、执行器可选带电讯号反馈指示及各类附件以实现自动化操作。
6、IS05211标准连接为产品的安装更换提供了方便。
7、两端调的节螺钉可使标准产品在0°和90°有±4°的可调范围。确保与阀门的同步精度。
O型切断球阀附件的选项根据不同控制和要求可选择下列附件:
切断型附件:单电控电磁阀、双电控电磁阀、限位开关回讯器。
调节型附件:电气定位器、气动定位器、电气转换器。
气源处理附件:空气过滤减压阀、气源处理三联件。
手动机构:HVSD手操机构 ZSHO气动O型切断球阀技术参数:
公称通径DN(㎜)1520253240506580100125150200300额定流量系数(Kv)2038721101702703805109401400220035008500公称压力PN(MPa)1.6、6.4球芯转角(度)0°±4°至90°±4°(可调)操作压力(MPa)双作用0.2~1.0 单作用0.3~1.0适用工作温度(℃)软密封-40~180 硬密封-60~450允许压差(MPa)为公称压力值允许泄漏量等级软密封Ⅵ 硬密封Ⅳ动作时间(S)0.5~7(详见表二)执行机构输出力矩(Nm)5.9~5169执行机构动作时间(表二)
外形尺寸执行机构型号0102030405060708091011动作时间(S)全开0.50.56/0.60.5/0.60.5/0.60.7/10.8/1.11/1.21.1/1.61.2/23.5/4.55/6全闭0.50.6/0.80.6/10.8/1.20.8/1.21/1.51/21/2.31.5/2.54.5/65.5/7公称
通径
DN(mm)尺 寸(mm)执 行 器 型 号1.6MPa2.5MPa4.0MPaLDD1bZ-фDLDD1bZ-фDLDD1bZ-фD可选配DA/SR、QGSY、
SY-CH、GTD/GTE
AW/AWS、SY-YD、
系列执行器
以上选配仅供参考具体
选区用根据实际要求151309565144-141309565164-1413013065164-142013010575144-1413010575164-1415015075164-142514011585144-1414011585164-1416016085164-1432165135100164-18165135100184-18180180100184-1840165145110164-18165145110184-18200200110184-1850203160125164-18203160125204-18230230125204-1865222180145184-18222180145228-18290290145228-1880241195160208-18241195160228-18310310160228-18100305215180208-18305230190248-23350350190248-23125356245210228-18356270220288-25400270220288-25150394280240248-23394300250308-25480300250308-252004573352952812-234573603103412-256003753203812-30
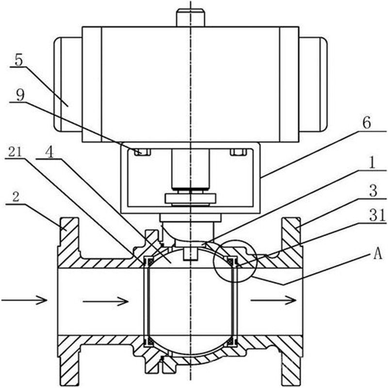
*斜线上方为双作用,下方为单作用数据气动切断阀是由球阀及单(双)作用活塞式气动执行器组成,具有结构紧凑、体积小、行可靠、密封性好、维修容易等特点。 气动切断球阀是以压缩空气为动力,阀杆带动阀芯在阀体内转动90°,以实现全开——全闭的动作,气动切断球阀按其密封性能可分软密封阀座及金属密封阀座。该球阀主要用于截断或接通管路中的介质,亦可用用于流体的调节与控制,它与其它阀类相比,具有以下一些优点。

气动0形切断球阀由气动活塞执行机构和0形球阀两部分组成,并配置四通电磁阀,行程开关等气动元件当工作气压进入活塞执行机构气缸一侧内,推动活塞运动.带动静轴连杆机构使轴和球芯作90°旋转,使球阀内关(或开)位置变动到开(或关)位置,达到对管道内介质进行控制。

一、确认ZSHO气动O型切断球阀在安装前的准备工作
1、保证气动球阀安装位置管线在同轴位置上,管线上两片法兰应保持平行,确认管线能够承受球阀自身重量,如果发现管线不能承受球阀重量,则在安装前为管线配备相应的支撑。
2、确认管线内是否有杂质、焊渣等,必须要把管线内吹扫干净。
3、核对气动球阀铭牌,并对气动球阀进行全开全闭数次操作,确认阀门能够正常工作,再全面检查一次阀门的各个细节,保证阀门完好无损。
4、除去气动阀门两端的保护盖,检查阀体内是否干净,清洗阀体内腔,由于气动球阀的密封面是球形状,即使微小的杂物也可能造成密封面的损伤。
二、气动球阀的安装
1、气动球阀的任何一段都可安装在上游端,手柄球阀可以安装在管线的任何位置,如果配置执行机构(如齿轮箱、电-气动执行器)的球阀,则必须垂直安装,阀门进出口处在水平位置上。
2、气动球阀法兰与管线法兰间按管路设计要求装上密封垫。
3、法兰上的螺栓需对称、逐次、均匀拧紧。
4、如果球阀采取气动、电动等执行器时,按说明书完成气源、电源的安装。
三、气动球阀安装后的检查
1、安装完毕后,启动球阀开、关数次,应该动作灵活,受力均匀,球阀工作正常。
2、根据管道压力设计要求,通压后检测球阀与管道法兰结合面的密封性能。

四、气动球阀的维修
1、只有卸除球阀前后的压力,才能对气动球阀进行拆卸分解操作。
2、公司在对球阀的分解与再装配过程,需要对有密封性零部件的保护,特别是非金属零部件,像O型圈等部件使用专用的工具。
3、气动球阀阀体重新装配时螺栓必须对称、逐步、均匀地拧紧。
4、清洗剂应与球阀中的橡胶件、塑料件、金属件及工作介质(例如燃气)等均相容。工作介质为燃气时,可用汽油(GB484-89)清洗金属零件。非金属零件用纯净水或酒精清洗。
5、分解下来的单个零件可以用浸洗方式清洗。尚留有未分解下来的非金属件的金属件可采用干净的细洁的浸渍有清洗剂的绸布(为避免纤维脱落粘附在零件上)擦洗。清洗时须去除一切粘附在壁面上的油脂、污垢、积胶、灰尘等。
6、非金属零件清洗后应立即从清洗剂中取出,不得长时间浸泡。
7、清洗后需待被洗壁面清洗剂挥发后(可用未浸清洗剂的绸布擦)进行装配,但不得长时间搁置,否则会生锈、被灰尘污染。
8、新零件在装配前也需清洗干净。
9、使用润滑脂润滑。润滑脂应与球阀金属材料、橡胶件、塑料件及工作介质均相容。工作介质为燃气时,可用例如特221润滑脂。在密封件安装槽的表面上涂一薄层润滑脂,在橡胶密封件上涂一薄层润滑脂,阀杆的密封面及摩擦面上涂一薄层润滑脂。
10、装配时应不允许有金属碎屑、纤维、油脂(规定使用的除外)灰尘及其它杂质、异物等污染、粘附或停留在零件表面上或进入内腔。

订货须知:
一、①产品名称与型号②口径③是否带附件以便我们的为您正确选型④的使用压力⑤的使用介质的温度。
二、若已经由设计单位选定公司的型号,请按型号直接向我司销售部订购。
三、当使用的场合非常重要或环境比较复杂时,请您尽量提供设计图纸和详细参数,由我们的阀门公司专家为您审核把关。如有疑问:请:我们一定会尽心尽力为您提供优质的服务。提供全面、*的“阀门系统解决方案",也十分愿意帮助用户解决生产中所遇到的难题。 -
联系方式
- 联系人:申弘阀门
- 电 话:021-59260058
- 手 机:15901754341
- 传 真:86-021-31662735
- 邮 箱:494522509@qq.com
- 邮 编:201718
- 地 址:上海市青浦区金泽工业园区
- 网 址: https://bengye.cn.goepe.com/
http://www.021-fm.com
-
产品搜索








