-
申弘智能一体化调节型电动软密封蝶阀 D941X
详细信息| 询价留言D941X智能一体化调节型电动软密封蝶阀 产品说明
电动蝶阀操作力矩小,是所有阀类中操作力矩*小的一种,是自动化控制系统中仪表的执行单元,以AC220V、AC380V或DC24V电源电压作动力,接受来自(DCS、PLC)系统或调节仪表、操作器等输入的(4-20mA、0-10mA或1-5VDC)电流信号或电压信号,即可控制运转。以角行程输出的扭矩转动阀轴0~90º,就能完成启闭动作或调节动作。全电子式电动执行机构,采用机电一体化结构,具有机内伺服操作和开度信号位置反馈、位置指示、手动操作等功能,功能强、性能可靠、连线简单、控制精确、体积小、重量轻、流阻小、流量系数大,结构简单、密封性能好。调节范围大,通过输入电流信号或电压信号,将此转变成与输入信号相对应的位移,改变阀板的旋转角度(0-90º任意角度),因此一定的输入信号对应一定的转角,实现比例动作,故有较好的调节控制流量等参数。

采用HL型、3810R型、PSQ型角行程全电子式电动执行机构为O型球阀的驱动装置,机电一体化的结构设计,具有机内伺服操作和开度信号位置反馈、位置指示、手动操作等功能,功能强、性能可靠、连线简单,以AC220V或AC380V电源电压作动力,直接接受统一标准信号(4-20mA DC、0-10mA DC或1-5V DC、0-10V DC),将此转变成与输入信号相对应的位移,以角度位移(0~90º)运动,改变球芯的旋转开度,因此一定的输入信号对应一定的位置开度,实现比例调节动作。
(二位开关式接受AC220V或AC380V电源电压作动力,通过电机正反转实现开关动作,并同时输出开关阀位指示信号)。是一种高精度、高性能、高可靠性类产品。电动蝶阀是一种(阀板)绕垂直于通道的固定轴旋转的阀门,其由回转型角行程电子式电动执行器和蝶形阀组成,属旋转高性能型调节或开关阀类,接受工业自动化控制仪表来源的电流信号或电压信号的输入,可实现对工艺管路中流体介质的比例调节或二位开关控制,从而达到对流体介质的流量、压力、温度、液位等参数的自动化控制。广泛适用于气体、液体、混浊液体、浓浆液或灰粉、悬浮颗粒类等介质。

D941X智能一体化调节型电动软密封蝶阀主要零部件材料
零件名称 材料 阀体 HT250 WCB SUS304 蝶板 球墨铸铁镀镍磷 不锈钢304、316 阀轴 2Cr13 SUS304 密封圈 NBR、EPDM、VITON、PTFE 四、电动软密封蝶阀 执行标准
制造标准 GB/T 122387-89 法兰标准 GB9113-2000、GB17241.6-1998 结构长度标准 GB12221-89 检验标准 GB/T 13927-92 材料代号 C(WCB) P(304) R(316) 主要零件 阀体 WCB ZG1Cr18Ni9Ti ZG1Cr18Ni12Mo2Ti 阀板 WCB或2Cr13 1Cr18Ni9Ti 1Cr18Ni12MoTi 阀杆 2Cr13 1Cr18Ni9Ti 1Cr18Ni12MoTi 阀座密封 增强聚四氟乙烯 、对位聚苯 、不锈钢、硬质合金钢密封 阀板密封 增强聚四氟乙烯 、对位聚苯 、各种橡胶、不锈钢 填料 聚四氟乙烯 、柔性石墨 适用工况 适用介质 蒸汽、水、油品 硝酸碱类腐蚀性介质 醋酸类腐蚀性介质 适用温度 聚四氟乙烯≤180℃,对位聚苯≤300℃,金属密封≤425℃ D941X智能一体化调节型电动软密封蝶阀中线型结构型蝶阀
零件名称 材料 阀体 铸铁、碳钢(WCB)、不锈钢(304、316) 蝶板 灰铸铁、镀铬钢、不锈钢(304、316) 衬里材料 各种橡胶、聚四氟乙烯 阀杆 2Cr13、不锈钢(304、316) 填料 橡胶O型圈、四氟乙烯V型圈、柔性石墨 衬里材料选用和适用温度
D941X智能一体化调节型电动软密封蝶阀主要技术参数和性能指标材料品种 丁晴橡胶 乙丙橡胶 聚四氟乙烯 氟橡胶 天然橡胶 氯丁橡胶 英语简称 NBR EPDM PTFE VITON NR CR 型号代号 XA或JA XB或JB F或XC、 XE或JE X1 X或J 耐*高温度 93℃ 150℃ 232℃ 204℃ 85℃ 82℃ 耐*低温度 -40℃ -40℃ -268℃ -23℃ -20℃ -40℃ 适用工作温度 -20~+82℃ -40~+125℃ -30~+150℃ -23~+150℃ -20~+85℃ 0~+80℃ 公称通径D(mm) 40 50 65 80 100 125 150 200 250 300 350 400 450 500 600 700 公称压力PN(MPa) 0.6、1.0、1.6、2.5 流量特性 近似等百分比(参见典型曲线图)、直线特性、 阀板转角(度) 0°~至90°(可调) 允许泄漏量等级 软密封:零泄露 硬密封:≤额定Cv×0.001% 软密封:VI微气泡级,金属密封≤额定CV×0.065% 执行器型号 HL、3810R、PSQ HQ或QB型 作用形式 开关型、智能调节型、(隔爆型) 电源电压 AC220V 50Hz或AC380V 50Hz 调节型 输入信号 DC4~20mA DC0~10mA 1-5V DC 输出信号 DC4~20mA DC0~10mA 1-5V DC 基本误差 ≤±2.5% 回 差 ≤±2.5% 死 区 ≤1% 可调节比 250:1 开关型 电源电压 AC220V/AC380V/AC110V/DC24V 反馈信号 有源触点信号、无源触信号
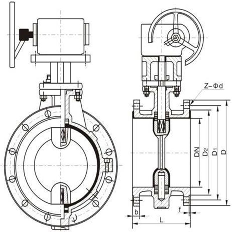
D941X智能一体化调节型电动软密封蝶阀产品应用规范设计制造标准 法兰尺寸标准 结构长度标准 检验试验标准 GB/T12238-89 JB/T79-94 HG20592 GB12221-89 GB/T13927-89 JB/T9092-99 MSS-SP-68 ANSI B16.5 ISO5752-13 ZJB16006-90 JIS B2024 JIS B2212~2215 JIS B2002 JIS B2003 D941X智能一体化调节型电动软密封蝶阀外形尺寸
公称通径(DN) L D1 D z-φd H1 50 43 125 165 4-23 63 65 46 145 185 4-26.5 70 80 46 160 200 8-18 83 100 52 180 220 4-24.5 105 125 56 210 250 4-23 115 150 56 240 285 4-25 137 200 60 295 340 4-25/23 164 250 68 350/355 395 4-29 206 300 78 400/410 445 4-29 230 350 78 460/470 505 4-30 248 400 102 515/525 565 16-26/30 289 450 114 565/585 615 4-26/30 320 500 127 620/650 670 4-26/33 343 600 154 725/770 780 4-30/36 413 700 165 840 895 4-30 478 800 190 950 1015 4-33 525 结构比较短小,占用空间小,安装的时候先用对夹式蝶阀专用法兰将其固定,然后将固定好的对夹式法兰放入管道两端法兰中间,用螺栓穿过对夹式蝶阀专用法兰和管道法兰将其固定。

D941X智能一体化调节型电动软密封蝶阀具体安装步骤流程如下:
1、将对夹式蝶阀放置于预安装的两片对夹蝶阀专用法兰之间,注意将法兰螺栓孔与蝶阀阀体圆孔对齐。
2、将螺栓和螺母插入法兰孔将阀体与法兰连接,校正一下法里面的平整度,但注意不要把螺栓螺母拧的过紧。
3、将法兰焊接在管道上,这一步要采用点焊的方式。
4、先把对夹式蝶阀取下移出。
5、再将两片法兰完全焊在管道上,完成固定。
6、等法兰与管道的焊接处冷却之后,再讲对夹式蝶阀安装进去。此时注意要将蝶板打开一些。
7、再一次对蝶阀的安装位置做一个校正,拧紧螺栓,但要注意不要拧的过紧。
8、将蝶阀蝶板完全打开,保证蝶阀的蝶板可以自由启闭,能自由开闭。
9、再一次将螺栓交叉,均衡的拧紧;
10、以上步骤完成,再一次对蝶阀的启闭做一个测试,确保阀门可以自由的开关。
法兰式蝶阀安装方法
法兰蝶阀自带法兰,安装时候无需再专门配备法兰片,直接将阀体上的法兰与管道法兰用螺栓连接起来即可。但法兰蝶阀安装时要注意几点:
1.在安装时,蝶阀阀体法兰与管道上法兰之间的端面要平行,不能出现歪斜的情况,否则可能会因为螺栓拧不紧造成法兰连接处泄漏。
2.法兰蝶阀在管道上安装时候要在管道两端法兰与阀体法兰之间加入垫片,但不能用双垫片。
3.紧螺栓时要对称进行,两端法兰连接各个螺栓拧紧力要均匀且一致。
4.在安装时,要先安装蝶阀上定位孔的螺栓,将蝶阀位置对中固定,另外,在紧固法兰螺栓时,要对称交替拧紧,不要依次单独紧固螺栓。
相比对夹蝶阀,法兰蝶阀的密封性能更好,更适合做大口径阀门。但是使用成本和价格也会更高。法兰蝶阀的结构更长,占用的管道安装空间更大。

D941X智能一体化调节型电动软密封蝶阀法兰蝶阀安装方法:
1、法兰蝶阀安装前检查气动蝶阀各部分部件无缺失,型号无误,检查阀体内无杂物,电磁阀和消音器内无阻塞。
2、将阀门和汽缸均置于关闭状态。
3、将汽缸撞到阀门上,(安装方向与阀体平行或垂直都可以),再看螺丝孔是否对正,不会有太大偏差,如有少许偏差,将气缸体转动一点就可以了,然后将螺丝紧固。
4、安装完毕后,对气动蝶阀进行调试(正常情况下供气压力为0.4~0.6MPa),调试运行时须手动操作电磁阀启闭(将电磁阀线圈失电后手动操作方可有效),观察气动蝶阀的启闭情况。如果在调试运行过程中发现阀门在启闭过程初始时有些吃力,之后正常,则需要将气缸行程调小(把气缸两端行程调节螺丝同时往里调一点,调整时需将阀门运行到开位置,然后将气源关掉再调),直至阀门启闭动作顺滑且关闭无泄漏。还需要注意的是,可调型消音器可以调节阀门的启闭速度,但不可调得过小,否则可能引起阀门不动作。
5、得发在安装前应保持干燥,不可露天存放。
6、安装蝶阀前要检查管道,确保管道内无焊渣等异物。
7、蝶阀阀体手动启闭阻力适中,蝶阀扭矩与所选执行器扭矩匹配。
8、蝶阀连接用法兰规格正确,管道对夹法兰与蝶阀法兰标准相符。建议使用蝶阀专用法兰,不得使用平焊法兰。
9、确认法兰焊接无误,蝶阀安装完毕后不得再焊接法兰,以免烫伤橡胶件。
10、装好的管道法兰要进行对中,并与放入的蝶阀进行对中。
11、装上所有的法兰螺栓,并用手拧紧,将确认蝶阀与法兰已然对中,然后小心的启闭蝶阀,确保启闭灵活。
12、将阀门完全开启,用扳手按照对角线次序将螺栓拧紧,无需垫圈,切勿将螺栓拧的过紧,以防造成阀圈的严重变形,启闭扭矩过大。

订货须知:
一、产品名称与型号口径是否带附件以便我们的为您正确选型使用压力使用介质的温度。
二、若已经由设计单位选定公司的放料阀型号,请型号直接向我司销售部订购。
三、当使用的场合非常重要或环境比较复杂时,请您尽量提供设计图纸和详细参数,由我们的阀门公司专家为您审核把关。如有疑问:请:我们一定会尽心尽力为您提供优质的服务。
-
联系方式
- 联系人:申弘阀门
- 电 话:021-59260058
- 手 机:15901754341
- 传 真:86-021-31662735
- 邮 箱:494522509@qq.com
- 邮 编:201718
- 地 址:上海市青浦区金泽工业园区
- 网 址: https://bengye.cn.goepe.com/
http://www.021-fm.com
-
产品搜索






