- 技术文章
精小型隔爆电动球阀在高分子材料应用
2022-03-02 16:24:20 来源:SH
从总体上来讲全电子式电动执行机构,采有机电一体化结构,防爆电动球阀具有机内伺服操作和开度信号位置反馈、位置指示、手动操作等功能,功能强、性能可靠、连线简单,通过输入电流信号或电压信号,改变球芯的旋转角度,实现比例调节动作,球芯通道平整光滑,不易沉积介质,可以进行管线式通球,结构简单、重量轻、密封性能好。壳体为硬质铝合金,耐腐蚀性强,防护等级为IP67,全封闭式鼠笼式电机,体积小,扭距大,惯性力小,绝缘等级为F级,内置热保护开关,可防止损坏电机。精小型防爆电动球阀在化工高分子材料应用本产品是一种转角90°的旋转类球阀,密封性能优良,流通能力大,流阻系数小,结构简单、维修方便、使用寿命长,阀体通道和连接管径相等并成一直径,介质几乎可以毫无损失的流过,配合KFE、KFQ等高性能执行机构,产品通常用于密封要求严格的场合,除控制气体、液体、蒸汽介质外,还适宜控制污水和含有纤维性杂质的介质,山东舜天力新材料科技股份有限公司公司主要产品有MBS树脂、丁苯胶乳、丁腈胶乳,纯丙乳液,粉末状高苯乙烯橡胶,PU水性乳液等。其中MBS 树脂系甲基丙烯酸甲酯(M)、丁二烯(B)、苯乙烯(S)三元共聚物,主要用于聚氯乙烯加工成形中,在无损聚氯乙烯树脂固有特性的前提下,改善其冲击强度,广泛应用于家电、汽车、手机、PC、*、照明电器等行业舜天力新材始终坚持“以市场为导向、以用户为中心、以质量为核心、以服务赢市场”的经营方针,努力为客户提供满意的产品和周到的服务,销售和技术服务网络遍布全国,产品国内市场占有率位居前列。近年来,公司又积极开发国际市场,产品已销往美国、欧盟、韩国、印度、东南亚等国家和地区,受到了客户的广泛好评。广泛用于石油、化工、冶金、轻工、 造纸 、电钻、制冷等工作领域。电动阀是工业自动领域一流体控制系统中的一种执行单元,它是由电执行器与阀门组合而成的,然后通过电机运转来驱动执行器,从而控制阀门运作,本章节主要讲述的是常用的角行程开关式电动阀。
序号 品 名 型 号 及 规 格 单位 数量 单 价
(元)金 额
(元)阀体材质及其它 1 球阀 电动球阀Q941W-16P DN40 PN16
执行器电源电压:220V
防爆手自一体输出无源触点信号
套 2 304不锈钢
硬密封介质:丁二烯
2 球阀 电动球阀Q941W-16P DN50 PN16
执行器电源电压:220V
防爆手自一体输出无源触点信号
套 3 304不锈钢
硬密封介质:丁二烯
3 球阀 电动球阀Q941W-16P DN80 PN16
执行器电源电压:220V
防爆手自一体输出无源触点信号
套 1 304不锈钢
硬密封介质:丁二烯
4 球阀 电动球阀Q941W-16P DN100 PN16
执行器电源电压:220V
防爆手自一体输出无源触点信号
套 5 304不锈钢
硬密封介质:丁二烯
电动阀的构成
主要由电动执行器,阀门两大主要部分组成。电动执行工作原理为:由减速箱内的一对大小伞齿轮带动主动小齿轮(Z=8),再带动计数器工作。如果计数器按阀门开、关的位置已调好,当计数器随输出轴转动到预先调整好的位置(圈数)时,则凸轮将转动90°,迫使微动开关动作,切断电机电源,使电机停转,从而实现对电动装置行程(转圈数)的控制。目前被广泛应用,主要用于易燃易爆的场合,安全系数高、操作功能强、性能稳定场所。

精小型隔爆电动球阀在高分子材料应用电动执行器分类
从转动方式分为:直行程、角行程两种;按结构原理分为:多回转型、部分回转型。
电动执行器的性能特点
1.壳体-壳体为硬质铝台金,经阳极氧化处理和聚酯粉末涂层,耐腐蚀性强,防护等级为ip67,nema4和6,并有ip68和防爆型供选择。
2.电机-全封闭式鼠笼式电机,体积小,扭矩大,惯性力小,绝缘等级为f级,内置过热保护开关,可防止过热损坏电机。
3.手动结构-手轮的设计保证安全可靠、省力、体积小。不通电时,扳动离合器手柄可进行手动操作。通电时,离台器自动复位。(注:在电机不通电的情况下,电动执行器将保持永久手动状态)
4.指示器-指示器安装在中心轴上,可以观察阀门位置。透镜采用凸透镜设计,不积水,观察更方便。
5.干燥器-用来控制温度,防止由于温度和天气变化导致执行器内部水份凝结,保持内部电气元件的干燥。
6.限位开关-机械,电子双重限位。机械限位螺钉可调,安全可靠;电子限位开关由凸轮机构来控制,简单的调整机构能精确并方便地设定位置,无需电池支持。(微动开光接点均为银质触点)
7.扭矩开关-可提供过载保护(jlb-005/008/010除外),在阀门卡涩,有异物时,自动断开电机电源,更有效的保护阀门和电动执行器不受损坏。(出厂前已设定好,请用户不要随意更改设置)
8.自锁-紧密的双蜗轮蜗杆机构可高效传输大扭矩,效率高,噪音低(*大50分贝),寿命长有自锁功能,防止反转,传动部分稳定可靠,出厂已经加满高效润滑脂,使用无需再加油。
9.防脱螺栓-拆除外壳时,螺栓附在壳体上,不会脱落。外部螺栓均采用不锈钢材质。
10.安装-底部安装尺寸符合is05211国际标准,驱动套可拆下根据需要进行加工,适应性强。可以垂直安装,也可以水平安装。
11.线路-控制线路符合单相或三相电源标准,线路布置紧凑合理,接线端子可有效满足各种附加功能的要求。阀开关到位均有无源接点输出(可根据客户要求另行加工)。
12.智能模块-采用集成度高,功耗很低的单片机与模拟电路混合的控制板,更采用全金属外挂式安装,使执行器电机热源与控制板有效隔离,很大程度地提高了软件及硬件的抗干扰性能及耐温性。
13.阀位数字显示-执行器在打开或关闭的过程中,阀位的变化在液晶屏上以大数字方式实时显示。
14.相序自动化调整-智能型执行器自动检测接入的三相电源相序,无需用户考虑三相电源的相序问题。
精小型隔爆电动球阀在高分子材料应用性能参数
机型
性能
05
10
20
40
60
100
200
输出力矩
50Nm
100Nm
200Nm
400Nm
600Nm
1000Nm
2000Nm
动作时间s
20S
15S/30S
30S/60S
30S/60S
45S
30S/50S
100S
回转角度°
0-360°任意角度调节
电机功率
10W
25W
40W
90W
90W
100W
100W
整机重量
2kg
3kg
8kg
8.5kg
9.0kg
11.2kg
11.8kg
电源
AC24V,AC110V,AC220V,AC380V,DC24V
绝缘电阻
100M/50VDC
耐压等级
1500VAC 1分钟
防护等级
IP65
安装方位
360°任意角度安装
电气接口
G1/2防水电缆接头,电源线,信号线各一个
环境温度
-30℃~+60℃
控制电气
选 项
BS型:极限位置开关(标准型)S型:无源触点型
R型:开度信号型 DM:直流电机控制电路
P型:带伺服控制器(调节型=)H型:三相交流(380V)电机控制电路
T型:带电位器和中间位置开关K型:带位置信号型
任选功能
过力矩保护器除湿加热器不锈钢支架、联轴器
注:动作时间:指从0-90°行程所需时间;回转角度:指行程可调范围。
产品特点
1、流体阻力小,球阀是所有阀类中流体阻力*小的一种,即使是缩径球阀,其流体阻力也相当小。
2、止推轴承减少阀杆摩擦力矩,可使用阀杆长期操作平衡灵活。
3、阀座密封性能好,采用聚四氟乙烯等材料支撑的密封圈,结构易于密封,而且球阀的密封能力随着介质的增大而增大。
4、阀座密封可靠,由于阀杆只作旋转运动而不做升降运动,阀杆的填料密封不易破坏,且密封能力随着介质的压力增大而增大。
5、由于聚四氟乙烯等材料具有良好的自润滑性,与球体的摩擦损失小,延长球阀的使用寿命。
6、下装式阀杆和阀杆头部凸阶防止阀杆喷出,如火灾造成阀杆密封破坏,凸阶与阀体间还可形成金属接触,确保阀杆密封。
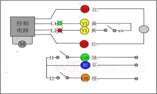
这些不同的防爆电动阀门接线方式也是不一样的,下面分别为大家介绍并附上对应的接线图。首先我们来看看防爆电动球阀,防爆电动球阀是一种可防止管路发生爆炸状况的设备,即该电气元件符合防爆标准,可用于要求防爆的场合,不仅可应用于一般的石油,天然气,环保,水处理等,包括化工化学行业、石油等工作条件较为恶劣的地方,防爆电动球阀通过380V/220V/DC24V等电源为驱动电源,以开关量信号或模拟量信号(4-20mA、1-10V DC、1-5V DC)为控制信号,可使阀门运动到所需位置,实现其自动化控制。不同的电压及控制形式,接线的方式也均不相同。精小型系列角行程电动执行机,可由调节仪表的继电输出信号直接控制运转,也可配用相对应的伺服控制模块或伺服操作器,
精小型防爆电动球阀在化工高分子材料应用注意事项:
1:请务必接错电源相序,以免阀门或执行器损坏。
2:通电时禁止手动操作。
3:户外用时给电动执行机构外加防护盖子,防止老化。
4:开盖后应拧紧密螺丝,防止进水或灰尘进入执行机构内部。
5:请不要安装在易爆气体周围。
6:请确定输入电压和配线接点是否正确。
7:禁止超负荷使用电动执行机构。
8:本厂不接受任何对执行机构的不正当改变和维修的责任
联系方式
- 联系人:申弘阀门
- 电 话:021-59260058
- 手 机:15901754341
- 传 真:86-021-31662735
- 邮 箱:494522509@qq.com
- 邮 编:201718
- 地 址:上海市青浦区金泽工业园区
- 网 址: https://bengye.cn.goepe.com/
http://www.021-fm.com
-
产品搜索














