- 技术文章
ZTY自力式氧气调压稳压阀组设计选型规范
2022-05-03 14:29:35 来源:SH
ZTY自力式氧气调压稳压阀组设计选型规范
可选的,所述挡尘板内壁轮廓与所述主体底部外壁和所述副体顶部外壁匹配。在多数气动-液压系统中,压力调节器是关键的截止和控制的阀元件,因此对压力调节器的设计始终是紧迫的任务.从现有的研究工作表明,在设计压力调节器时,应考虑许多因素.通常,选择假设参数(或从其他工作的经验结果中选择参数).但是,有一些重要的因素需要注意,例如估算阀芯上的压力分布系数.在本文的研究中,不依赖阀芯的几何形状确定假设参数书,而是凭借经验确定的.为了研究所设计阀门的特性,在simulink环境中建立了一个模型.仿真模型能够评估减压阀的静态和动态特性在各种因素(例如负载变化)下的影响情况.因此,开发了一种满足初始要求的减压阀及其集成设计方法,该方法将分布式参数模型的解决方案,有限元方法的线性静态分析和气流模拟相结合.*后,提出了一种压力调节器原型,其主要外形尺寸与组装过程的基本逻辑相对应,在物理上是可行的.ZZY型减压阀,是一种无需外来能源,而只依靠被调介质自身的压力变化达到自动调节和稳定阀前(或阀后)压力为恒定值的一种节能型压力调节阀。
由以上技术方案可知,本申请一种氧气调压稳压阀组,包括主体底部螺接副体,所述主体中部外壁边缘设置有挡尘板插槽,所述主体中部位于所述挡尘板插槽侧设置有挡尘板顶部插孔,所述主体中部中心位置螺接有固定板,当氧气调压稳压阀组不使用时,首先将挡尘板通过挡尘板底部插块、挡尘板顶部插块插入到挡尘板插槽和挡尘板顶部插孔,通过安装挡尘板减少粉尘、水或其它腐蚀性液体对主体和副体造成损坏,起到保护氧气调压稳压阀组的作用,为防止稳压阀组被人碰到然后旋转出现错误,通过将主固定杆安装在固定板连接杆和第二固定板连接杆固定,固定板连接杆和第二固定连接杆板固定后将无法单独旋转,因此可以起到防止碰撞造成的氧气调压稳压阀错误开启,影响实验准确性或出现威胁。可选的,所述挡尘板为弧形。可选的,所述主固定杆为“h”型。
ZTY自力式氧气调压稳压阀组设计选型规范的特点:
1.就是能在无电、无气的场所使用,同时也节约了电源。 该阀是一种理想的节能型产品,它广泛应用于蒸汽的保压与稳定,也适用于非腐蚀性气体,低粘度液体介质减压稳压(阀后)或泄压稳压(阀前)的自动控制。压力设定期在一定范围内随意可调。
2.它采用快开流量特性,动作灵敏,调节精度高(误差
3.该阀占据空间小,调节简易,因而它广泛用于石油、化工、电力、冶金、食品、轻纺、机械制造、民用建筑等各种设备的气体、液体及蒸汽的减压(用于阀后调节)、稳压或泄压、稳压(用于阀前调节)。
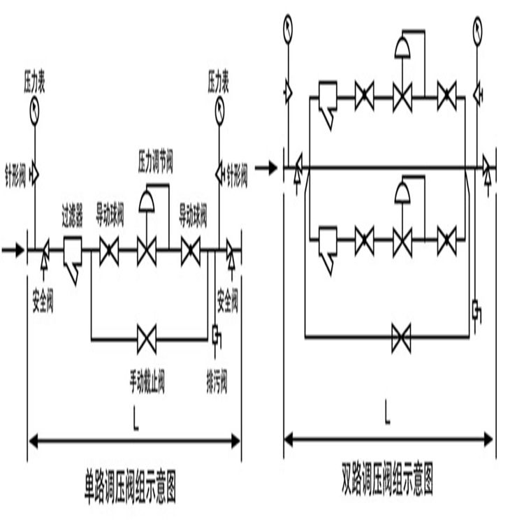
为更清楚地说明本申请的技术方案,下面将对实施例中所需要使用的附图作简单地介绍,显而易见地,对于本领域普通技术人员而言,在不付出创造性劳动的前提下,还可以根据

一、ZTY自力式氧气调压稳压阀组设计选型规范操作存在潜在危险性:
氧气阀门发生燃烧事故的先决条件是氧气管道中存在低着火点的可燃物质300~400℃。因低着火点的物质先在氧气中快速燃烧放出热量产生高温800~900℃导致氧气阀门燃烧。氧气阀门发生燃烧事故的必要条件是着火源,如果没有着火源,氧气阀门是不会燃烧。(低着火点可燃物质一般主要是Fe 和FeO粉末。)
因阀门开关操作过快,管道内氧气流速使固体颗粒产生撞击和摩擦,流速愈大,摩擦产生的热量越高。
因阀门快速打开,产生绝热压缩温升,理论计算可达到300~500℃的温升,铁锈、焊渣等低着火点物质就会燃烧。
因阀门快速打开,在阀门出口处氧气流速可能达到音速,形成6000~7000V的静电,电位差达到2000V 以上就会产生火化放电。
其它人为因素操作失误,人员误动作造成泄漏、着火等情况。
氧气阀门发生的事故一般为燃烧和爆炸,且氧气阀门燃爆事故多数发生在氧气阀门操作过程, 一旦发生人员都难以避免。

二、ZTY自力式氧气调压稳压阀组设计选型规范着火的原因分析
氧气着火必须具备三个条件:可燃物、助然物及着火源,三都缺一不可。
可燃物:在浓度较高的氧气环境中,人体、衣物、金属都会成为还原剂,与氧气发生氧化还原反应。也就是说,人体、衣物、金属在富氧状态下都会成为可燃物。
A、氧气与有机物的燃点:管道内或阀门内存在油脂、橡胶等低燃点的物质,在局部高温下会引燃。
几种可燃物在氧气中(常压下)的燃点:
氧气是一种化学性质比较活泼的气体,它在氧化反应中提供氧,是常用的氧化剂。在生产环境中一般规定,控制氧含量在19.5%~23%,既要防止缺氧,又要防止富氧,两种状况均能导致事故,必须严格控制。
A、温度
果初温T1=300K=27℃,压力为P1=2MPa=20公斤的氧气阀门突然打开,氧气充至常压的管道、会将内部压力为P2=0.1MPa=1公斤的氧气压缩,温度升高、压缩后的温度可达T2=704K=431 ℃ 。
B、压力
绝热压缩产生的高温使可燃物燃烧,绝热压缩后温度与压力的关系。
C、氧气允许*大流速
D、浓度
在高压纯氧中可燃物的燃点降低是氧气管道、阀门燃烧的主要诱因。氧气管道和阀门在高压纯氧中,其危险性是非常大的,试验证明,着火的引爆能与压力的平方成反比,n=1/P2、也就是压力越高,需引燃氧气管道、阀门的能量越小,所以高压和浓度对氧气管道和阀门构成了的威胁。
着火源
A、明火:导致氧气管道着火,爆炸的直接原因,引起明火的原因很多,如:颗粒撞击,绝热压缩,摩擦,静电等
B、颗粒撞击:如果管道内有铁锈、焊渣等杂物,会被高速气流带动与阀门内件、弯头等撞击,产生火花,
C、摩擦:如果管道内有木削、纤维物质、灰尘等杂物,会与管壁发生摩擦,产生热量而使温度升高、或在氧气管道内燃烧。
D、静电:如果管道没有良好接地,气流与管壁摩擦产生静电。当电位积聚到一定的数值时,就可能产生电火花,引起钢管在氧气中燃烧。
序号
产品名称
通径
mm
压力
MPA
材质
单位
单价
元
数量
1
氧气减压阀组
80
1.6
阀体304不锈钢
内件304不锈钢
套
2
2
氧气减压阀
150
1.6
阀体304不锈钢
内件304不锈钢
套
1
3
氧气过滤器
80
1.6
阀体304不锈钢
内件304不锈钢
套
1
4
氧气阻火器
80
1.6
阀体304不锈钢
内件304不锈钢
套
1
备注
含有一个减压阀,3台球阀带旁通,1台安全阀,配套压力表,材质不锈钢, 禁油脱脂处理,ND80阀组进口的工作压力1.3MPa,通过减压阀组出口的压力0.8MPa,
过滤器,阻火器不含阀组里面
DN150氧气减压阀进口的工作压力1.3MPa,通过减压阀组出口的压力0.8MPa,
氧气管道的阀门应选用专用氧气阀门,并应符合下列要求:
a) 工作压力大于0.1MPa的阀门,严禁采用闸阀;(天茂气体提示您因闸板滑槽易积存铁锈, 关闭不严, 操作阀门时挤压滑槽铁锈, 易形成激发能源, 气流夹带铁锈, 颗粒摩擦、冲击管壁, 容易引发燃爆事故)
b) 公称压力大于或等于1.0MPa且公称直径大于或等于150mm口径的手动氧气阀门,宜选用带旁通的阀门;
c) 阀门的材料应符合下表的要求
经常操作的公称压力大于或等于1.0MPa且公称直径大于或等于150mm口径的氧气阀门,宜采用气动遥控阀门。
氧气阀门前后管道要求:
出氧气厂(站、车间)边界阀门后、氧气干管送往一个系统支管阀门后、进车间阀门后、调节阀组前和调节阀前、后的氧气管道宜设阻火铜管段。当氧气调节阀组设置独立阀门室或防护墙时,手动阀门的阀杆宜伸出防护墙外操作。若不单独设置阀门室或防护墙时,氧气调节阀前后8倍调节阀公称直径的范围内,应采用铜合金(含铝铜合金除外)或镍基合金材质管道。调节阀组、干管阀门、供一个系统的支管阀门、车间入口阀门,其出口侧的管道宜有长度不小于5倍管外径且不小于1.5m的直管段。工作压力0.6MPa停用3 个月以上的管道(容器)必须吹扫并打靶检测合格后才能开阀送氧气,超过一年的还必须按照新建压力管道(压力容器)进行压力试验合格后方可开阀送氧气。
禁止非调节阀门作调节使用。
应建立氧气管道档案,由熟悉管道流程的氧气人员进行管理。氧气管道作业人员应持证上岗。
氧气管道或阀门着火时,应立即切断气源。碳钢氧气干管宜每五年进行一次吹扫,每五年进行一次管壁测厚,主要测定弯头及调节阀后的管道。
氧气阀门操作人员严禁携带火种,操作宜用铜质“F” 扳手,操作过程严禁用铁器敲击氧气阀门。
开关氧气阀门人员必须站在阀门的侧面,严禁站(骑跨)在氧气管道上操作,非操作人员严禁旁观。
氧气阀操作人员必须穿戴好防护用品,消除身体静电后方可氧气阀门操作。所用的工具、工作服、手套等用品严禁沾染油脂,不宜穿戴化纤类服装。
操作泄漏的氧气阀时,人员必须穿戴防火服及面具,不准穿化纤服装和带钉鞋,必须先对环境进行通风并检测,天茂气体提示您如操作区氧含量仍超过23%,严禁人员进行操作,必须切断气源后进行。
氧气压力调节阀故障检修,必须切断气源后进行检修操作。应急处理只能进行关小操作,严禁阀门增大操作,避免高速气流产生。
管道(容器)泄压时,必须确认进气阀已经关闭后,渐开放散阀, 并注意放散管的结霜状况。防止氧气流速太大,并应控制管道(容器)内压力慢慢下降(压降速度为0.3~0.4MPa/h),防止燃烧事故及产生裂纹。
所有氧气排放阀操作时,严禁对准人员、着火源等,严禁排入低洼处、不通风处。
氧气排放阀长时间开启排放应安排人员警戒,每半小时对周围环境氧含量检测并记录。
氧气管网(储气罐、调压站等)送氧气操作,一要尽可能扩大受气单元容积, 严格阀门开启先后顺序操作,防止绝热压缩温升燃爆事故;二要关闭末端排气阀,防止充气流速过快造成事故。如果管网全部停运,宜用氧压机与管网同步升压来投运。管道(容器)置换宜在压力达到0.1~0.3MPa之间进行,不宜在高压力下开排放阀置换,严禁边充气边开排气阀置换,防止流速过高。

ZTY自力式氧气调压稳压阀组设计选型规范技术总结
本申请公开一种氧气调压稳压阀组,包括主体底部螺接副体,所述主体中部外壁边缘设置有挡尘板插槽,所述主体中部位于所述挡尘板插槽侧设置有挡尘板顶部插孔,当氧气调压稳压阀组不使用时,首先将挡尘板通过挡尘板底部插块、挡尘板顶部插块插入到挡尘板插槽和挡尘板顶部插孔,通过安装挡尘板减少粉尘、水或其它腐蚀性液体对主体和副体造成损坏,起到保护氧气调压稳压阀组的作用,为防止稳压阀组被人碰到然后旋转出现错误,通过将主固定杆安装在固定板连接杆和第二固定板连接杆固定,固定板连接杆和第二固定连接杆板固定后将无法单独旋转,可以起到防止碰撞造成的氧气调压稳压阀错误开启,影响实验准确性或出现威胁。
联系方式
- 联系人:申弘阀门
- 电 话:021-59260058
- 手 机:15901754341
- 传 真:86-021-31662735
- 邮 箱:494522509@qq.com
- 邮 编:201718
- 地 址:上海市青浦区金泽工业园区
- 网 址: https://bengye.cn.goepe.com/
http://www.021-fm.com
-
产品搜索













